181
где d2 – средний диаметр резьбы определяют по формуле
d2 |
d |
t |
, |
(17.10) |
|
||||
|
2 |
|
|
|
где d – наружный диаметр винта; t – шаг.
Для обеспечения износостойкости передачи «винт-гайка» нужно, чтобы давление р между гайкой и винтом не превышало допускаемого [р], т.е.
p |
Q |
|
2Q |
p , |
(17.11) |
|
|
d2hZ d2H
где р – давление от силы Q, распределенное по площади всех витков гайки, МПа; h = 0,5t – рабочая высота профиля трапецеидальной резьбы, мм; z = H/t – число витков резьбы гайки; Н – высота гайки, мм; [р] – допускаемое давление, МПа (Н/мм2).
Эту формулу применяют для проверочного расчета передачи. При проектном расчете нужно определить диаметр резьбы. Введем обозначение ψ = Н/d2, откуда Н = ψd2. Сделав эту подстановку в формулу (17.9) и решив ее относительно d2, получим
d2 |
|
2Q |
|
, |
(17.12) |
|
p |
||||||
|
|
|
|
|||
где ψ = 1,2…2,5; допускаемое давление [р] выбирают для пары «стальчугун» [р] = 4…6 МПа; для пары «сталь-бронза» [р] = 8…15 МПа.
КПД винтовой пары рассчитывают по формуле
tg |
|
tg . |
(17.13) |
При увеличении угла подъема резьбы λ КПД винтовой пары повышается, но при λ>φ исчезает свойство самоторможения. Максимум КПД наступает при λ ≈ 400. Если φ=50, то η = 0,84.
В самотормозящих винтовых механизмах, если λ<φ = 50, КПД будет иметь величину η < 0,5. При λ = 30 и φ = 50 КПД будет равен η = 0,37. Этот КПД можно закладывать в расчетах винтовых механизмов.
Для уменьшения потерь на трение и повышения КПД применяют многозаходные резьбы с углом подъема до 20…250, для изготовления гаек используют антифрикционные материалы, а также применяют шариковые передачи «винт-гайка», КПД которых равен 0,9.
17.2. Червячные передачи
Зубчатые передачи имеют много достоинств (в том числе высокий КПД, высокая надежность и долговечность, простая конструкцию), но им
182
присущи и недостатки – малое передаточное отношение и ≤ 4…5 и сравнительно большой шум при работе.
Рис.17.3
Этими недостатками не страдает червячная передача, которая к тому же благодаря большому передаточному отношению (и ≤ 200) имеет гораздо меньшие размеры по сравнению с зубчатой.
Червячная передача предназначена для передачи вращательного движения с большим передаточным отношением между двумя скрещивающимися валами. Угол скрещивания равен 900.
183
Червячные передачи применяются в грузоподъемных машинах, в станках, транспортерах, приборах и т.д.
Кдостоинствам червячных передач кроме указанных выше относятся плавность хода, бесшумность работы и возможность получения самоторможения.
Кнедостаткам нужно отнести низкий КПД: для однозаходного червяка η=0,7…0,75, для двухзаходного η=0,75…0,8; повышенный нагрев передачи; применение дорогих антифрикционных материалов.
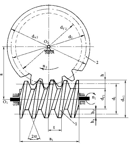
Червячная передача относится к числу зубчато-винтовых передач, имеющих признаки, характерные для зубчатых и винтовых передач. Она состоит (рис.17.3) из червяка 1, представляющего собой винт, и червячного колеса 2, которое является разновидностью косозубого колеса. Червяк, изготовленный заодно с валом, вращает червячное колесо, расположенное на другом валу. Движение осуществляется по принципу винтовой пары: винтом является червяк, а червячное колесо – это длинная полоска гайки, которую свернули в кольцо резьбой наружу.
В силовых передачах применяют диапазон передаточных отношений
и= 10…80, реже – 120. Передаточное отношение и = 120 можно получить только в четырехступенчатом редукторе с четырьмя парами зубчатых колес и пятью валами. Из этого видно, что червячная передача с большим передаточным числом значительно компактнее зубчатой передачи.
Червячная передача имеет только одно направление движения от червяка к колесу, поэтому эта передача необратимая. Если угол подъема винтовой линии большой (многозаходные червяки) λ>100, то при вращении колеса червяк с большим трудом, но будет вращаться. Силы трения при этом настолько велики, что ни о какой передаче вращательного движения и думать не приходится. Если угол подъема винтовой линии λ < 50, то передача становится самотормозящей и никакие силы при вращении колеса не заставят вращаться червяк вплоть до поломки. Передача движения только от червяка к червячному колесу очень важна в грузоподъемных устройствах, т. к. позволяет обходиться без дополнительного тормоза при выключении приводного двигателя. Груз остается висеть на тросе, намотанном на барабан, который установлен на одном валу с червячным колесом.
Мощность, передаваемая червячной передачей, не превышает 50…60 кВт. При больших мощностях возникает сильный нагрев, бороться с которым становится проблематичным. Из-за перегрева червячные передачи следует использовать в приводах периодического действия.
Червяки бывают однозаходные и многозаходные. Червяк – это винт. У однозаходного винта на цилиндрический стержень намотана одна нитка виток к витку. Шаг винта и ход винта совпадают и равны расстоянию между соседними витками.
184
Многозаходные винты наматываются одновременно двумя, тремя или четырьмя нитками, число которых обозначают буквой z. За один оборот многониточной ленты винтовая линия уходит не на один шаг t, а на h = zt, где h называется ходом винта или ходом винтовой линии, а z называют числом заходов. Если смотреть на винт или червяк с торца, то две, три или четыре нитки смотрятся как два, три или четыре зуба колеса. Число заходов червяка в передаточном отношении играют ту же роль, что и число зубьев шестерни.
Червяки изготавливаются из конструкционных сталей марок 45, 50, 40х с последующей закалкой и шлифованием.
Червячные передачи склонны к заеданию, поэтому материал червячных колес должен обладать антифрикционными свойствами. Кроме этого червяк (или колесо) погружают до некоторого уровня в масляную ванну для обеспечения обильной смазки. Лучшим материалом для колес являются оловянистые бронзы, которые дорогие. В целях экономии применяют алюминиево-железистые бронзы, при низких скоростях скольжения – серые чугуны.
Геометрия червячного колеса и червяка зубчатой передачи связана с модулем, который равен
m = t / π . |
(17.14) |
Многоходовые (многовитковые) червяки характеризуются еще ходом |
|
винтовой линии |
|
h = z1 · t , |
(17.15) |
где z1 – число заходов червяка. |
|
Угол подъема винтовой линии |
|
tg λ = h / πd1 = tz1 / πd1 = π m z1 / π d1 ;
tg λ = m z1 / d1,
где d1 – диаметр начальной окружности червяка.
Если ввести понятие «коэффициент диаметра червяка» и обозначить его q, и приравнять
q = z1 / tg λ , |
(17.16) |
то после подстановки в предыдущее уравнение получим диаметр начальной окружности червяка
d1=m |
z1 |
=m q. |
(17.17) |
|
|||
|
tg |
|
|
Значения q так же, как модуля m, стандартизованы: 8; 10; 12,5; 16; 20. Меньшее значение применяют для быстроходных передач во избежание
больших окружных скоростей. |
|
Диаметр вершин витков червяка |
|
da1 = d1 + 2ha = d1 + 2m . |
(17.18) |
|
|
185 |
|
|
|
|
|
|
|
|
|
|
|
|
|
|
|
|||||
Диаметр впадин червяка |
|
|
|
|
|
|
|
|
|
|
|
|
|
|
|
|
|
|
|
|
|
|
df1 = d1 - 2hf = d1 – 2,5m . |
|
(17.19) |
||||||||||||||||||||
Начальный диаметр червячного колеса |
|
|
|
|
|
|
|
|
|
|
|
|||||||||||
|
d2 = mz2 . |
|
|
|
|
|
|
|
|
|
|
(17.20) |
||||||||||
Диаметр вершин зубьев червячного колеса |
|
|
|
|
|
|||||||||||||||||
da2 = m( z2 + 2) . |
|
|
|
|
(17.21) |
|||||||||||||||||
Диаметр впадин червячного колеса |
|
|
|
|
|
|
|
|
|
|
|
|||||||||||
df2 = m( z2 – 2,5) . |
|
|
|
|
(17.22) |
|||||||||||||||||
Передаточное отношение червячной передачи |
|
|||||||||||||||||||||
u |
1 |
|
|
|
n1 |
|
|
z1 |
. |
|
|
(17.23) |
||||||||||
|
|
|
|
|
|
|
|
|
||||||||||||||
|
|
|
2 n2 z2 |
|
|
|
|
|
||||||||||||||
Угол подъема винтовой линии |
|
|||||||||||||||||||||
|
= arctg |
z1 |
. |
|
|
|
|
|
|
(17.24) |
||||||||||||
|
|
|
|
|
|
|
||||||||||||||||
|
|
|
|
|
|
|
|
|
|
|
q |
|
|
|
|
|
||||||
Межцентровое расстояние |
|
|||||||||||||||||||||
а = 0,5m(z2+q) . |
|
(17.25) |
||||||||||||||||||||
Число зубьев червячного колеса рекомендуют выбирать в пределах |
||||||||||||||||||||||
|
|
28 ≤ z2 ≤ 80. |
|
|
|
|
|
|||||||||||||||
Крутящие моменты на валах определяют по формулам: |
|
|||||||||||||||||||||
М |
|
F |
|
|
d1 |
tg( + ) , |
(17.26) |
|||||||||||||||
|
|
|
|
|||||||||||||||||||
|
1 |
|
|
t 2 |
|
|
|
|
|
|
|
|
|
|
|
|||||||
где М1 – момент на червяке, Н·м; Ft – окружная сила на колесе, |
|
|||||||||||||||||||||
F |
|
|
|
2M |
|
|
|
|
|
|
. |
|
|
(17.27) |
||||||||
d tg |
|
|||||||||||||||||||||
|
t |
|
|
|
|
|
|
|
||||||||||||||
|
|
|
|
|
1 |
|
|
|
|
|
|
|
|
|
|
|
|
|
|
|
||
Через мощность на червяке N1 |
|
|
и частоту вращения n1 |
момент M1 |
||||||||||||||||||
определяется |
|
|
|
|
|
|
|
|
|
|
|
|
N1 |
|
|
|
|
|
|
|
||
|
|
M1 |
9,55 |
. |
|
|
(17.28) |
|||||||||||||||
|
|
|
|
|||||||||||||||||||
|
|
|
|
|
|
|
|
|
|
|
|
|
n1 |
|
|
|
|
|
||||
Подставив (17.28) в (17.27), получим |
|
|
|
|
|
|||||||||||||||||
|
|
F |
|
|
19,1N1 |
|
|
|
. |
(17.29) |
||||||||||||
|
|
|
d tg |
|||||||||||||||||||
|
|
|
t |
|
|
|
||||||||||||||||
Момент на валу колеса |
|
|
|
|
1 |
|
|
|
|
|
|
|
|
|
|
|
|
|
|
|||
|
|
М2 = М1·и·η . |
(17.30) |
|||||||||||||||||||
|
|
|
||||||||||||||||||||