Материал: 1778

Внимание! Если размещение файла нарушает Ваши авторские права, то обязательно сообщите нам

Требования к оформлению и примеры выполнения функциональных схем

Функциональная схема выполняется в виде чертежа, на котором схематически условными изображениями показывают: технологическое оборудование, коммуникации, органы управления и средства автоматизации с указанием связей между технологическим оборудованием и средствами автоматизации, а также связей между отдельными функциональными блоками и элементами автоматики.

Функциональные схемы автоматизации могут разрабатываться с большей или меньшей степенью детализации.

Однако объем информации, представленный на схеме, должен обеспечить полное представление о принятых основных решениях по автоматизации данного технологического процесса и возможность составления на стадии проекта заявочных ведомостей приборов и средств автоматизации, трубопроводной арматуры, щитов и пультов, основных монтажных материалов и изделий, а на стадии рабочего проекта – всего комплекса проектных материалов, предусмотренных в составе проекта.

Функциональную схему автоматизации выполняют, как правило, на одном листе, на котором изображают средства автоматизации и аппаратуру всех систем контроля, регулирования, управления и сигнализации, относящуюся к данной технологической установке. Вспомогательные устройства, такие как редукторы и фильтры для воздуха, источники питания, реле, автоматы, выключатели и предохранители в цепях питания, соединительные коробки и другие устройства и монтажные элементы, на функциональных схемах не показывают.

Сложные технологические схемы рекомендуется расчленять на отдельные технологические узлы и выполнять функциональные схемы этих узлов в виде отдельных чертежей на нескольких листах или на одном.

Для технологических процессов с большим объемом автоматизации функциональные схемы могут быть выполнены раздельно по видам технологического контроля и управления. Например, отдельно выполняются схемы автоматического управления, контроля и сигнализации и т.п.

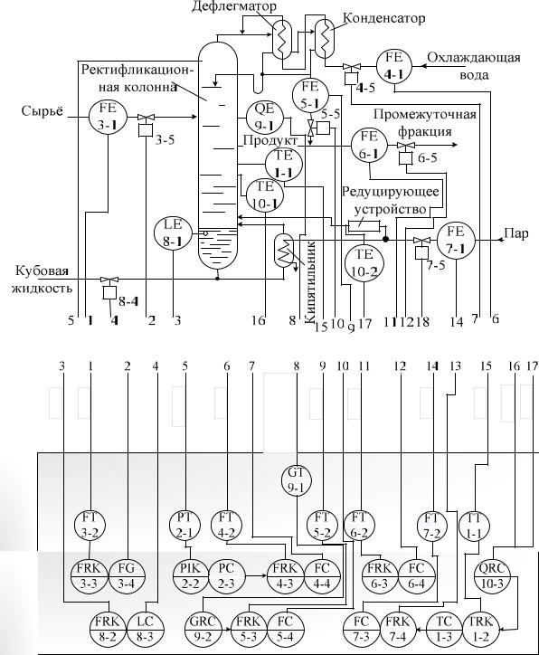
Функциональные схемы автоматизации могут быть выполнены двумя способами: с условным изображением щитов и пультов управления в виде прямоугольников (как правило, в нижней части черте-

71

жа), в которых показываются устанавливаемые на них средства автоматизации; с изображением средств автоматизации на технологических схемах вблизи отборных и приемных устройств, без построения прямоугольников, условно изображающих щиты, пульты, пункты контроля и управления.

При выполнении схем по первому способу на них показываются все приборы и средства автоматизации, входящие в состав функционального блока или группы, и место их установки. Преимуществом этого способа является большая наглядность, в значительной степени облегчающая чтение схемы и работу с проектными материалами.

Пример выполнения функциональных схем по первому способу дан на рис. 12.

При построении схем по второму способу, хотя он и дает только общее представление о принятых решениях по автоматизации объекта, достигается сокращение объема документации.

Чтение функциональных схем, выполненных таким образом, затруднено, не отображает организацию пунктов контроля и управления объектом. Примеры выполнения функциональных схем по второму способу даны на рис. 13.

Как уже указывалось, приборы и средства автоматизации при выполнении функциональных схем как первым, так и вторым способом могут быть изображены развернуто, упрощенно или комбинированно.

При развернутом изображении на схемах показывают: отборные устройства, датчики, преобразователи, вторичные приборы, исполнительные механизмы, регулирующие и запорные органы, аппаратуру управления и сигнализации, комплектные устройства (машины централизованного контроля, телемеханические устройства) и т.д.

При упрощенном изображении на схемах показывают: отборные устройства, измерительные и регулирующие приборы, исполнительные механизмы и регулирующие органы. Для изображения промежуточных устройств (вторичных приборов, преобразователей, аппаратуры управления и сигнализации и т.п.) используют общие обозначения в соответствии с действующими стандартами на условные обозначения в схемах автоматизации.

Комбинированное изображение предполагает показ средств автоматизации в основном развернуто, однако некоторые узлы изображают упрощенно.

72

мм

м

МПа

м

Упругость паров

м

м

м

0

мг/л

мг/л

 

ч /

 

ч /

 

ч /

ч /

ч /

С

 

 

 

3

 

3

 

3

3

3

 

 

Приборы местные

 

 

 

 

 

 

 

 

 

 

Щит колонны

 

 

 

 

 

 

 

 

 

 

Рис. 12. Пример выполнения функциональных схем по первому способу

Приборы и средства автоматизации, встраиваемые в технологическое оборудование и коммуникации или механически связанные с ними, изображают на чертеже в непосредственной близости от них. К таким средствам автоматизации относятся: отборные устройства давления, уровня, состава вещества, датчики, воспринимающие воздей-

73

ствие измеряемых и регулирующих величин (измерительные сужающие устройства, ротаметры, счетчики, термометры расширения и т. п.), исполнительные механизмы, регулирующие и запорные органы.

Рис. 13. Пример выполнения функциональных схем по второму способу

Для датчиков и приборов, указывающих положение регулирующих органов, исполнительных механизмов и т.п., необходимо показывать существующую механическую связь (см. табл. 3). Прямоугольники щитов и пультов следует располагать в такой последовательности, чтобы при размещении в них обозначений приборов и средств автоматизации обеспечивалась наибольшая простота и ясность схемы и минимум пересечений линий связи.

В прямоугольниках можно указывать номера чертежей общих видов щитов и пультов. В каждом прямоугольнике с левой стороны указывают его наименование. Приборы и средства автоматизации, которые расположены вне щитов и не связаны непосредственно с технологическим оборудованием и трубопроводами, условно показывают в прямоугольнике «Приборы местные». При вычерчивании функциональной схемы следует избегать дублирования одинаковых ее частей, относящихся как к технологическому оборудованию, так и к средствам автоматизации.

На чертежах функциональных схем должны быть приведены пояснения, на основании каких документов они разработаны. Допус-

74

кается также на свободном поле схемы давать краткую техническую характеристику автоматизируемого объекта, поясняющие таблицы, диаграммы и т.п. Для облегчения понимания сущности автоматизируемого объекта, возможности выбора диапазонов измерения и шкал приборов, установок регуляторов на функциональных схемах указывают предельные рабочие (максимальные или минимальные) значения измеряемых или регулируемых технологических параметров при установившихся режимах работы (см. рис. 12).

Эти значения в единицах шкалы выбираемого прибора или в международной системе единиц без буквенных обозначений указываются на линиях связи от отборных устройств датчиков до приборов. Для приборов, встраиваемых непосредственно в технологическое оборудование или трубопроводы (термометры расширения, расходомеры постоянного перепада и т. п.) и располагаемых вне прямоугольников, предельные значения величин указывают под позиционными обозначениями приборов или вблизи обозначений.

Над основной надписью, по ее ширине сверху вниз, на первом листе чертежа располагают таблицу не предусмотренных стандартами условных обозначений, принятых в данной функциональной схеме; при необходимости эти таблицы можно выполнять на отдельных листах. Пояснительный текст располагают обычно над таблицей условных обозначений (или над основной надписью) или в другом свободном месте. Контуры технологического оборудования на функциональных схемах рекомендуется выполнять линиями толщиной 0,6…1,5 мм; трубопроводные коммуникации 0,6…1,5 мм; приборы и средства автоматизации 0,5…0,6 мм, линии связи 0,2…0,3 мм; прямоугольники, изображающие щиты и пульты, 0,6…1,5 мм.

При выполнении функциональных схем обоими способами с изображением приборов по ГОСТ 21.404-85 отборное устройство для всех постоянно подключенных приборов не имеет специального обозначения, а представляет собой тонкую сплошную линию, соединяющую технологический трубопровод или аппарат с первичным измерительным преобразователем или прибором (см. рис. 12). При необходимости указания точного места расположения отборного устройства или точки измерения (внутри контура технологического аппарата) в конце тонкой линии изображается окружность диаметром 2 мм (см. прибор 8-1 на рис. 12).

Допускается запорную и регулирующую арматуру (например, задвижки, заслонки, шиберы, направляющие аппараты и т.п.), участ-

75