UA UФej0 .
При построении диаграммы следует учитывать, что:
вектор фазного тока IА совпадает с вектором фазного напряжения UА,так как вфазе А приёмникаесть активное сопротивление RЛ;
вектор фазного тока IB опережает вектор фазного напряжения UB на90°,таккаквфазеBестьреактивноеёмкостноесопротивлениеXC;
вектор фазного тока IC отстает от вектора фазного напряже-
ния UC на угол φC, так как в фазе С располагается реальная катушка индуктивности с полным сопротивлением ZK.
5. В соответствии с первым законом Кирхгофа построить вектор тока в нейтральном проводе IN и сравнить с учетом масштаба полученное графически значение с измеренным экспериментально.
IN IΑ IΒ IC .
•
UL +j
• |
• |
UC UR
•
|
UCA |
|
|
• |
|
|
|
φC IC |
|
|
• |
|
|
|
IN |
0 |
• |
• |
+1 |
φB |
IA |
UA |
|
|
|
|
|
• |
• |
|
|
UBC |
IB |
|
|
•
UАB
•
UB
Рис. 6.2. Векторная диаграмма трёхфазной цепи с реактивным приёмником
60
Вопросы и задания для защиты лабораторной работы
1.Изобразите схему четырёхпроводной трёхфазной цепи при соединении фаз реактивного приёмника по схеме «звезда».
2.Покажите на схеме трёхфазной цепи условно–положительные направления фазных и линейных токов и напряжений.
3.Каково назначение нейтрального провода?
4.Необходим ли нейтральный провод при работе трёхфазной цепи с реактивным приёмником?
5.Является ли нагрузка на сеть в работе симметричной?
6.Какое соотношение имеется между действующими значениями линейных и фазных напряжений в данной работе?
7.Поясните вычисления и параметры в табл. 6.2 и табл. 6.3.
8.Поясните построение векторной диаграммы.
Лабораторная работа №7
ТРЁХФАЗНАЯ ЭЛЕКТРИЧЕСКАЯ ЦЕПЬ ПРИ СОЕДИНЕНИИ ФАЗ ПРИЕМНИКА «ТРЕУГОЛЬНИКОМ»
Цель работы: исследование различных режимов работы трёхфазной электрической цепи при соединении фаз активного приёмника по схеме «треугольник».
Общие сведения
Основные теоретические сведения о трёхфазной системе ЭДС приведены в лабораторной работе № 5.
«Треугольником» называется такое соединение приёмника П, когда конец первой фазы Х соединяется с началом второй фазы B, конец второй фазы Y соединяется с началом третьей фазы С, конец третьей фазы Z соединяется с началом первой фазы А. К точкам соединения подключаются линейные провода, идущие от генератора Г (рис. 7.1). Соединение фаз приёмника «треугольником» не предусматривает использование нейтрального провода.
При соединении «треугольником» фазные напряжения приёмника UAB, UBC, UCA являются линейными напряжениями генератора Г, т.к. фазы приемника располагаются между линейными проводами, т.е.:
UФ UЛ .
61
Г |
a |
|
|
|
∙ |
|
A(Z) |
|
|
|
|
|
|
П |
|
||
∙ |
∙ |
|
∙ |
IА |
|
∙ |
||
x, y, z |
|
UCA |
∙ |
|
|
|||
Eа |
Uа |
|
|
|
|
IAB |
||
|
∙ |
|
|
|
ICA |
ZCA |
ZAB |
|
|
Uc |
n |
∙ |
|
|
|
||
|
|
U∙b |
UАB |
|
C(Y) |
|
ZBC |
B(X) |
|
|
|
|
|
||||
c |
|
b |
|
∙ |
|
∙ |
|
|
|
|
|
|
|
IB |
|
IBC |
|
∙ |
I∙C |
UBC |
Рис. 7.1. Схема замещения трёхфазной электрической цепи при соединении фаз приёмника по схеме «треугольник»
Трёхфазную систему линейных напряжений при нулевой начальной фазе напряжения фазы А генератора можно записать в виде комплексных действующих значений:
Ua UФej0 ;
U |
AB |
U |
Л |
e |
|
|
|
|
|
||
|
|
U |
Л e |
|
|
UВС |
|
||||
|
|
U |
|
e |
|
U |
СА |
Л |
|||
|
|
|
|
||
j30 ;
j90 ;
j150 .
Линейные токи, протекающие по линейным проводам, обозначаются: IA, IB, IC, а фазные, протекающие по фазам приёмника, – IAB, IBC, ICA. При соединении фаз приёмника «треугольником» между линейными и фазными токами имеется зависимость в соответствии с первым законом Кирхгофа для узлов А, В и С
IΑ IΑΒ ICΑ;
IΒ IΒC IΑB ;
IC ICΑ IΒC .
Полные сопротивления фаз приёмника обозначают, как и фазные токи, с двумя индексами: ZAB, ZBC, ZCА.
При симметричной нагрузке (равенство полных сопротивлений фаз ZAB = ZBC = ZCА и фазовых углов нагрузки φAB = φBC = φCA) токи всех фаз приёмника и линейные токи имеют одинаковую величину:
62
IΑΒ IΒC ICΑ ;
IΑ IΒ IC ,
а между действующими значениями линейных и фазных токов в схеме «треугольник» имеется соотношение
IЛ 
3 IΦ .
Вопросы для допуска к работе
1. Что называется трёхфазной электрической цепью?
2. Каковы фазовые сдвиги между линейными напряжениями?
3. Как соединить фазы приёмника «треугольником»?
4. Как измерить линейные и фазные токи?
Методика проведения работы
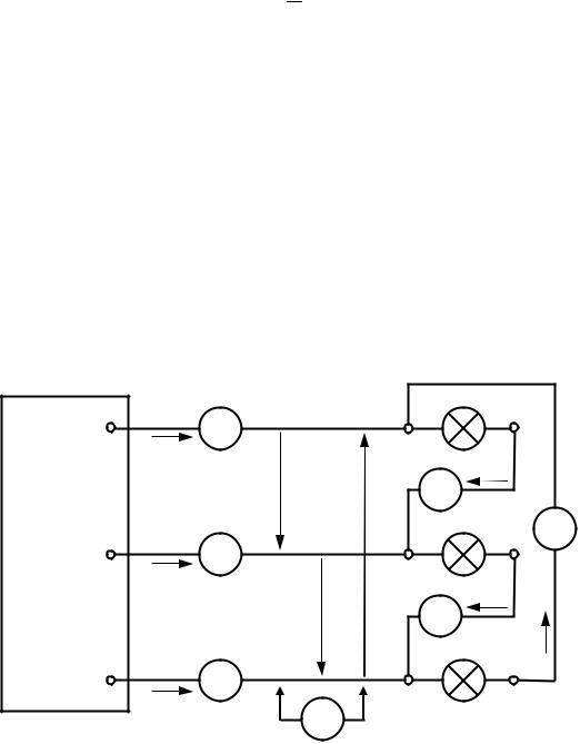
Исследуемая трёхфазная цепь (рис. 7.2) состоит из трёх групп ламп накаливания, соединяемых «треугольником» и подключаемых к трёхфазной системе ЭДС распределительного блока БР.
БР |
A |
А |
A |
X |
|
• |
∙ |
|
|
|
|
• |
||
|
IA |
|
UCA |
|
|
|
IAB |
||
|
|
∙ |
|
А |
|
|
|
|
|
|
B |
UАB |
B |
Y А |
|
А |
|||
|
• |
|
|
|
|
|
|
• |
|
|
IB |
|
|
|
|
|
|
IBC |
|
|
|
|
|
А |
|
|
|
∙ |
• |
|
|
|
ICA |
|
|
C |
|
UBC |
|
|
А |
C |
Z |
|
|
• |
|
|
|
|
|
V |
|
|
|
IC |
|
|
Рис. 7.2. Схема принципиальная исследуемой трёхфазной цепи
В процессе эксперимента необходимо измерить электрические величины трёхфазной цепи при соединении фаз активного приёмника «треугольником» для следующих режимов работы:
63
1)симметричная нагрузка – одинаковое количество включенных ламп в каждой фазе приёмника;
2)несимметричная нагрузка – уменьшенное количество включенных ламп в первой фазе приёмника, во второй и третьей фазах – одинаковое количество включенных ламп;
3)обрыв фазы – все лампы в первой фазе приёмника отключены, во второй и третьей фазах – одинаковое количество включенных ламп;
4)обрыв линии – разрыв цепи на участке протекания первого линейного тока при одинаковом количестве включенных ламп в каждой фазе приёмника.
Во время эксперимента все напряжения измеряются по очереди одним вольтметром, переключая его пределы измерения. В работе используются следующие измерительные приборы:
вольтметр стрелочный с пределами измерения 150 В и 300 В;
амперметры стрелочные с пределами измерения 1 А и 2,5 А.
Порядок выполнения работы
Экспериментальная часть
1.Убедиться в отсутствии напряжения на стенде, проверив главный выключатель и защитные автоматы-выключатели.
2.Произвести монтаж исследуемой цепи согласно схеме на рис. 7.2. С разрешения преподавателя или инженера включить стенд.
3.Результаты измерений напряжений и токов в каждом опыте фиксируются с учетом цены деления приборов.
4.Смоделировать симметричную нагрузку, включив одинаковое количество ламп (4 – 5) в каждой фазе приёмника. Занести результаты измерений в табл. 7.1.
5.Смоделировать несимметричную нагрузку, выключив 2 – 3 лампы в фазе АB, во второй и третьей фазах остается прежнее количество включенных ламп. Занести результаты измерений в табл. 7.1.
6.Смоделировать обрыв фазы АB, выключив все лампы в фазе АB приёмника, во второй и третьей фазах остается прежнее количество включенных ламп. Занести результаты измерений в табл. 7.1.
7.Смоделировать обрыв линии А, выключив первый автоматвыключатель распределительного блока, при одинаковом количестве включенных ламп (4 – 5) в каждой фазе приёмника. Занести результаты измерений в табл. 7.1.
8.Выключить стенд. Результаты измерений показать преподавателю и с его разрешения разобрать цепь.
64