Материал: 1210

Внимание! Если размещение файла нарушает Ваши авторские права, то обязательно сообщите нам

41

волнами в замедляющей фазовую скорость структуре. Лампы бегущей волны отличаются от многосегментных магнетронов тем, что в их замедляющей структуре имеют место не стоячие, а бегущие волны. Поэтому в лампах бегущей волны замедляющая фазовую скорость структура не замкнута в кольцо, а представляет собой разомкнутую линию, на концах которой имеются устройства, устраняющие или, точнее, ослабляющие в достаточной степени отражение электромагнитных волн.

Возможны два основных вида ламп бегущей волны:

лампы прямой волны, в которых обеспечивается синхронизация электронного потока по скорости, а следовательно, и взаимодействие его с одной из прямых волн, т. е. с такой волной, фазовая скорость которой совпадает по направлению с групповой скоростью электромагнитной волны в замедляющей системе;

лампы обратной волны, в которых имеет место взаимодействие электронного пучка с одной из обратных волн замедляющей структуры.

Лампы прямой волны обеспечивают усиление на СВЧ. При этом можно получить либо широкую полосу частот при усилении, либо электрическую перестройку по диапазону более узкой полосы частот усиления.

Вследствие длительного взаимодействия электронов с замедляющей структурой коэффициент усиления в ЛБВ может достигать больших величин

(30—40 дБ).

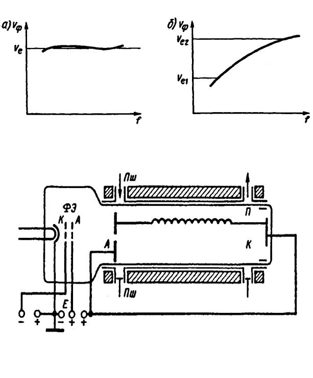
В лампах бегущей волны может быть слабая или сильная дисперсия в замедляющей структуре. Слабая дисперсия - это широкая область частот, в пределах которой фазовая скорость рабочей пространственной гармоники слабо изменяется с частотой (рис. 1.21, а). Здесь в широкой полосе частот обеспечивается приблизительное равенство скорости движения электронов и фазовой скорости электромагнитной волны Ve VФ т. е. обеспечивается вы-

полнение условий синхронизации. При этом полоса рабочих частот может составить 10—20 %. Вариант сильно выраженной дисперсии показан на рис. 1.21, б. Здесь полоса рабочих частот очень узкая, но ее можно передвигать по диапазону, меняя Ve, т. е. изменяя напряжение питания.

В лампах обратной волны (ЛОВ) имеет место присущая им внутренняя обратная связь особого типа, распределяемая вдоль всей длины области взаимодействия электронов с электромагнитной замедляющей структурой.

Механизм обратной связи этого типа определяется тем обстоятельством, что групповая скорость переноса электромагнитной энергии вдоль замедляющей структуры обратна к направлению скорости движения электронов и совпадающей с ней или близкой к ней фазовой скорости той обратной пространственной гармоники, с которой происходит взаимодействие электронов.

Благодаря этому энергия, отдаваемая сгустками электронов при их движении вдоль лампы и взаимодействии с обратной пространственной гармоникой, передается замедляющей структурой в обратном направлении, где

42

она снова взаимодействует с электронным потоком, способствуя образованию в последнем сгустков электронов. Поэтому лампы обратной волны чаще всего используют в качестве автогенераторов, у которых можно электрически перестраивать генерируемую частоту в достаточно широких пределах.

Движение электронов в обратном направлении вдоль замедляющей структуры как бы заменяет движение энергии в обратном направлении во внешних цепях обратной связи обычного типа.

Рисунок 1.21 - Зависимость фазовой скорости электромагнитной волны от частоты

Наиболее важным свойством внутренней обратной связи в ЛОВ, свя-

Рисунок 1.22 - Лампа бегущей волны:

A – анод; К – катод; ФЭ – фокусирующий электрод; П – поглотитель; Пш – поршни; Е – напряжение источника питания

занным с ее распределенностью, является то, что при самовозбуждении возникают колебания той частоты, которая соответствует наиболее сильному

43

взаимодействию электронов с волной, т. е. равенству фазовой скорости используемой обратной пространственной гармоники и скорости движения электронных сгустков в луче.

Так как фазовая скорость пространственной гармоники благодаря дисперсии изменяется с изменением частоты, то частота, соответствующая равенству этой скорости и скорости движения электронных сгустков, будет разной при разных скоростях движения электронов. Следовательно, при изменении скорости движения электронов изменяется частота, генерируемая ЛОВ. Меняя напряжение, разгоняющее электроны и, следовательно, скорость электронов, можно плавно изменять генерируемую частоту в широких пределах.

Рассмотрим более подробно принцип работы ЛБВ (рис. 1.22). Заштрихованные области показывают наличие постоянного магнита, создающего продольное магнитное поле. Внутри баллона размещена спираль, являющаяся замедляющей структурой для электромагнитной волны, поступающей на вход и подлежащей усилению. Поршни ПШ обеспечивают настройку ЛБВ.

На вход ЛБВ подается высокочастотный сигнал, который образует электромагнитную волну, движущуюся вдоль спирали. Сквозь спираль простреливается электронный поток (рис. 1.23).

Рисунок 1.23 - Распределение электромагнитных волн вдоль спирали в ЛБВ: У, Т – ускоряющая и тормозящая фазы электромагнитного поля; Fe - сила электрического поля, действующая на электрон; Ve,VФ – направление движения соответственно электронного потока и электромагнитной волны

При движении электронного потока и электромагнитной волны вдоль спирали возможны три случая: Ve VФ ; Ve VФ ; Ve VФ .

Для первого случая поток неподвижен относительно волны из-за равенства их скоростей. При этом в плоскостях б, г и т.д. (см. рис. 1.23) будут собираться электроны с участков аб, бв, вг, гд, образуя в плоскостях б и г сгустки электронов, т. е. действие тормозящих и ускоряющих фаз электромагнитного поля вызывает модуляцию электронного потока по скорости, которая далее по мере движения вдоль спирали переходит в модуляцию по плотности электронного потока. Однако образовавшиеся сгустки электронов будут синхронно с электромагнитной волной двигаться к выходу ЛБВ, постоянно нахо-

44

дясь в нулевой фазе электромагнитного поля. Усиления электромагнитной волны не произойдет, т. е. коэффициент усиления ЛБВ в этой ситуации равен единице. Иллюстрирует такой процесс рис. 1.24, а, где пунктирные стрелки показывают направление движения электронов относительно высокочастотного поля без воздействия последнего. Сплошные линии показывают направление движения электронов относительно высокочастотного поля при воздействии его на электронный поток.

Для второго случая образовавшиеся в плоскостях б и г (см. рис. 1.23) сгустки электронов, обладая меньшей скоростью, чем электромагнитная волна, начинают отставать от волны и оказываются в ускоряющем поле, т. е. электронный поток отбирает энергию у поля и коэффициент усиления ЛБВ становится меньше единицы (рис. 1.24, б).

Рабочим является только третий случай, когда скорость электронно-

го потока превышает фазовую скорость электромагнитной волны, и сгустки электронов, сгруппировавшись, попадают в тормозящую фазу высокочастот-

Рисунок 12.24. Пространственно - временные диаграммы ЛБВ

ного поля, отдавая полю свою энергию (рис. 1.24, в). Движение сгруппированного потока вдоль витков спирали вызывает возбуждение вторичного электрического поля, совпадающего по фазе с первичным и, таким образом, усиливающего его.

Усиление ЛБВ зависит от длины спирали, тока электронного пучка и напряженности поля бегущей волны. Чем длиннее спираль, тем длительнее электроны пучка взаимодействуют с полем волны и тем больше усиление. Чрезмерное удлинение замедляющей системы не увеличивает усиление, а понижает его, так как по мере отдачи кинетической энергии скорость электронов уменьшается и синхронизм поля волны и электронных сгустков нарушается.

Кроме бегущей электромагнитной волны, в ЛБВ существуют и отраженные волны, которые часть высокочастотной энергии от нагрузки переносят на вход лампы, образуя между входом и выходом положительную обратную связь. Для предотвращения возможной автогенерации в ЛБВ применены поглотители отраженных волн.

45

Лампы бегущей волны, в которых траектория электронного пучка определяется только электрическим ускоряющим полем, называются ЛБВ типа “О” (обыкновенные).

Для повышения КПД ламп бегущей волны нужно поддерживать синхронизм между замедленной волной и электронным потоком на всем пути движения потока путем использования скрещенных электрических и магнитных полей. При этом переносная скорость электронов Ve остается постоянной

на всем их пути, и КПД достигает 60 %. Такие ЛБВ называются типа “М” (магнетронные).

В лампах типа “О” электроны передают полю только избыточную кинетическую энергию, создаваемую источником ускоряющего напряжения Еа. В лампах типа “М” кинетическая энергия электронов неизменна, а в высокочастотную энергию преобразуется потенциальная энергия источника постоян-

ного напряжения. ЛБВ типа “М” часто называют магнетронными усили-

телями.

Лампы бегущей волны применяют в качестве УМ в различных передатчиках и в качестве УВЧ в приемниках. В радиосистемах ГА основное применение ЛБВ - именно в приемных устройствах как усилитель радиочастоты. Например, в качестве УВЧ лампы используют в приемнике радиолокационной станции обзора летного поля. Данные некоторых отечественных ЛБВ типа "О" (К - коэффициент усиления):

УВ 5

f0

3, 4 4, 4 ГГц;

КУ 18 дБ;

УВ 6

f0

3, 4 4, 4 ГГц;

КУ 30 дБ; РВЫХ = 0,03 Вт;

УВ 5

f0 3, 4 4, 4 ГГц;

КУ 26 ; РВЫХ = 3 Вт.

Процесс группирования электронов в ЛОВ (рис. 1.25) принципиально не зависит от направления движения волны: вдоль пучка электронов или навстречу ему. И в том и в другом случаях электроны, попавшие в ускоряющее поле, увеличивают свою скорость и догоняют приторможенные электроны. В ЛОВ нарастание высокочастотного поля происходит в направлении, обратном движению электронного потока. Между потоком электронов и полем волны существует внутренняя обратная связь. В ЛОВ справа налево движется поток энергии, электрическое поле левого зазора модулирует электронный поток по скорости, и его конвекционный ток отстает от напряженности поля бегущей волны на 2 . Высокочастотное поле, наводимое в после-

дующих зазорах конвекционным током, в свою очередь отстает от него на

2 .

Вследствие флюктуации объемной плотности электронов в пучке в лампе возникают волны собственных шумов со сплошным частотным спектром и всегда существует обратная пространственная гармоника шумов, для которой при данной скорости пучка электронов (т. е. при данном ускоряющем напряжении) выполняется условие синхронизма. Колебания этой гармоники усиливаются и постепенно переходят в стационарные установившиеся