Материал: 1210

Внимание! Если размещение файла нарушает Ваши авторские права, то обязательно сообщите нам

16

ны делает невозможным использование металлокерамических ламп. Поэтому необходимо использовать принципиально другие приборы СВЧ, в которых явление конечности времени пролета электронов из вредного превращается в полезное. Принцип работы этих устройств должен быть основан именно на инерции движения электронов. Приборы такого типа существуют - это приборы с динамическим управлением электронного потока, или приборы пролетного типа. Одним из таких устройств, нашедших очень широкое распро-

странение в наземных мощных радиолокационных станциях управления воздушным движением, является пролетный клистрон.

1.3 Передающие устройства на пролетных клистронах

Пролетный клистрон (рис. 1.5) является эффективным усилительным прибором дециметрового диапазона. Он обеспечивает получение большого коэффициента усиления по мощности при достаточно высоком КПД.

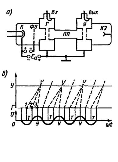
К металлической трубке, сквозь которую простреливается поток электронов, формируемый электронной пушкой (состоит из катода К и фокусирующего электрода) примыкают два объемных резонатора - группирователь Г и улавливатель У, т. е. пролетное пространство (пространство дрейфа) ПП электронов и колебательные системы в виде резонаторов конструктивно составляют единое целое, о чем говорилось выше. Средняя часть объемного резонатора выполнена в виде сеток (штриховые линии на рис. 1.5, а), через которые может проходить электронный поток. Назначение электронной пушки состоит в формировании узкого остронаправленного пучка электронов. На фокусирующий электрод подается отрицательное напряжение. В качестве ускоряющего электрода (анода) используют первую сетку группирователя, на которую подается положительный потенциал Е.

Принцип работы пролетного клистрона. Электроны, вылетая из ка-

тода, под воздействием фокусирующего электрода собираются в узкий пучок, который под воздействием постоянного ускоряющего напряжения Ea дви-

жется в направлении сеток группирователя. Электронный пучок достигает пространства сеток (некоторая часть электронов оседает на сетках) и входит в это пространство.

Время прохождения электронов через промежуток между сетками должно быть меньше половины периода высокочастотного колебания, сигнал которого подлежит усилению. К группирователю (см. рис. 1.5, а) с помощью петли связи подводится требующее усиления высокочастотное напряжение, которое создает между его сетками высокочастотное поле. Электроны приходят к группирователю с одинаковой скоростью, определяемой величиной Еа. Проходя через группирователь в какие-то моменты времени, электроны приобретают различные ускорения или торможения (в зависимости от того в ка-

Рисунок 1.5. Пролетный клистрон и ПВД для него: Вх, Вых — соответственно входная и выходная цепи высокочастотного колебания

17

кую фазу высокочастотного поля они попадают в пространстве сеток) и поступают в пролетное пространство с разными скоростями.

На ПВД движения электронов от группирователя до улавливателя (рис. 1.5, б) по оси ординат отложено напряжение высокочастотного сигнала, подлежащего усилению и действующего на поток электронов в межсеточном пространстве, и показано расстояние между группирователем и улавливателем.

Пунктир с буквой Г означает плоскость по центру группирователя, а с буквой У - плоскость по центру улавливателя. Расстояние от 0 до Г по оси ординат соответствует расстоянию от электронной пушки до группирователя.

Пунктирные линии в пространстве между электронной пушкой и групирователем означают траектории движения электронов от электронной пушки до группирователя. Так как в этом пространстве действует постоянное напряжение Еа и весь электронный поток является равномерным, то траектории электронов показаны в виде перпендикуляров относительно оси абсцисс, т. е. у электронов, движущихся к группирова-

телю, друг по отношению к другу нет ни запаздывания, ни ускорения.

Иная картина получается в пролетном пространстве, в котором электрического поля нет, поэтому электроны движутся здесь по инерции. Время нахождения электронов в пролетном пространстве во много раз превышает период высокочастотных колебаний. Пути отдельных электронов показаны вертикальными пунктирными линиями, наклон которых определяется скоростью движения электронов.

Цифры 1 - 3 означают отдельно выбранные электроны, которые попадают в различные моменты фазового состояния высокочастотного поля непосредственно в пространство сеток. Соответственно электрон 2 проходит между сетками группирователя в момент времени, когда переменное высокочастотное напряжение равно нулю. Следовательно, этот электрон не испытыва-

18

ет воздействия высокочастотного поля и в пролетном пространстве продолжает двигаться с той скоростью, с которой подошел к сеткам группирователя.

Электрон 3 приходит к группирователю по времени несколько позже электрона 2, попадает в ускоряющую фазу У высокочастотного поля и получает дополнительное приращение скорости. На некотором расстоянии в пролетном пространстве электрон 3 догоняет электрон 2. Электрон 7, наоборот, попадает в пространство между сетками в томозящую фазу Г высокочастотного поля, теряет скорость, и вышедшие позже электроны 2 и 3 настигают его.

В результате более ранние и более поздние электроны относительно электрона 2, не испытавшего воздействия высокочастотного поля, стремятся

впроцессе своего движения сгруппироваться около электрона 2 (отсюда название первого объемного резонатора - группирователь). Соответственно электронный поток равномерной плотности превращается в поток переменной плотности. Это и есть динамическое управление электронным потоком, когда модуляция электронов по скорости в пространстве сеток переходит в модуляцию электронов по плотности в пролетном пространстве.

При определенных условиях поток собирается в сгусток в пространстве улавливателя и далее, как это видно из рис. 1.5, б, начинает размываться, т. е. через сетки улавливателя за каждый период высокой частоты будет проходить один сгусток электронов.

Образовавшиеся сгустки электронов представляют собой импульсы конвекционного тока, которые индуцируют в улавливателе импульсы наведенного тока, повторяющиеся строго с частотой высокочастотных колебаний

вгруппирователе. Таким образом, энергия источника питания, сообщенная электронному потоку, передается высокочастотным колебаниям, усиливая их. Очевидно, что для получения максимального усиления группирователь и улавливатель должны быть настроены в резонанс с частотой усиливаемого сигнала. После прохождения улавливателя электроны попадают на коллекторный электрод КЭ, отдавая ему в виде теплоты остаток кинетической энергии.

Для эффективной работы пролетного клистрона необходимо, чтобы сгустки электронов были наиболее плотными именно в пространстве улавливателя. Только тогда идет передача максимальной энергии электронного потока возбуждающемуся в улавливателе высокочастотному полю.

Рассмотрим условия, при которых это обеспечивается, для чего получим закон изменения тока улавливателя. Сделаем три упрощающих допущения:

1)угол пролета электронов между сетками резонаторов близок к нулю и определяется в виде

t t

19

где - круговая частота высокочастотных колебаний; t - текущее время; t - время достижения электроном первой сетки резонатора.

2)силы взаимного расталкивания электронов пучка отсутствуют, т. е. полагаем, что на всем протяжении движения электронного потока в пролетном пространстве нет размывания пучка;

3)высокочастотное напряжение U на сетке группирователя значительно меньше ускоряющего напряжения, т. е. U Ea .

Первое условие означает, что можно пренебречь изменениями фазы высокочастотного напряжения за время t t , т. е. электрон в пространстве сеток испытывает какое-то одно мгновенное воздействие высокочастотного поля.

Пусть электрон приходит к сетке группирователя со скоростью V0 , определяемой ускоряющим напряжением

 

 

 

 

V0 2e E m ,

( 1.1)

где е - заряд электрона; m — масса электрона.

В группирователе на электрон действует высокочастотное напряжение

u U sin t,

( 1 2)

поэтому на выходе группирователя скорость электрона определяется в виде (см. первое условие допущений)

 

 

 

 

V V0

1 sin t ,

( 1.3)

где U Ea

- коэффициент, имеющий смысл глубины модуляции электро-

нов по скорости.

 

Раскладывая выражение (1.3) в ряд и ограничиваясь первыми двумя

членами разложения ввиду малости коэффициента

(согласно третьему

условию), получим

 

 

 

 

 

V V0 1

2

sin t

( 1.4)

 

 

 

 

Момент прохождения электроном центра группирователя обозначим t1 , а

центра улавливателя - t2

и если расстояние между этими центрами равно L

то можно записать

 

 

 

 

 

 

 

 

 

 

 

 

 

 

 

L

 

 

 

 

1

 

 

 

t2

t1

 

 

 

 

 

 

t1

1

 

 

sin t

,

( 1.5)

 

 

1

 

 

2

 

 

 

 

 

 

 

 

 

 

 

 

 

V0

1

 

sin t

 

 

 

 

 

 

 

 

 

2

 

 

 

 

 

 

 

 

 

 

 

 

 

 

 

 

 

 

 

 

 

где t0 LV0 - время, за которое проходит пролетное пространство электрон,

не получивший ускорения (торможения) в группирователе, т. е. на рис. 12.5, б электрон 2.

20

Конвекционный ток I1 в плоскости группирователя постоянен, а кон-

векционный ток I2

в плоскости улавливателя найдем из условия непрерывно-

сти заряда,

т. е. изменение заряда в группирователе за время dt1 должно быть

равным изменению заряда в улавливателе за время dt2

(второе условие из до-

пущений):

 

 

 

 

 

 

 

 

I1dt1 I2dt2

 

I2 I1

 

1

 

 

( 1.6)

 

 

 

 

 

dt

dt

2

 

 

 

 

1

 

 

 

Продифференцируем уравнение (1.5) и подставим результат в (1.6):

I2

 

I1

 

,

 

 

 

 

( 1.7)

 

 

 

 

 

 

 

1

X cos t

 

 

 

 

где X 0,5 t0 , назовем X параметром группировки пролетного клистрона.

Рисунок 1.6 – Зависимость тока группирователя от высокочастотной фазы

Из формулы (12.7) видно, что при некоторых значениях X и , ток I2

становится отрицательным. Физически это объясняется тем, что при X > 1 более быстрые электроны обгоняют более медленные и поэтому приращение времени dt2 получается отрицательным. Однако с точки зрения значения тока улавливателя не существенно, за счет каких электронов (ускорившихся или заторможенных) образовался ток улавливателя, поэтому окончательно выражение (12.7) запишем в виде

I2

 

 

I1

.

( 1.8)

 

X cos t |

 

|1

 

 

Зависимость I2 f t для трех значений параметра X = 1/2; X = 1; X = 1,5

показана на рис. 16, а- в. Из рисунка видно, что при X = 1 и X = 1,5 значение I2 становятся бесконечными при t 0, t 2 , что не может быть реально