Виды автоматических систем. Классификация элементов систем управления
При автоматизации производственного процесса используются две степени автоматизации – частичную или полную.
Частичная автоматизация энергетической установки предполагает использование автоматических устройств, для осуществления функций управления отдельными машинами и аппаратами не связанными в единую систему управления всей установки, например, автоматический контроль и регулирование ряда технологических параметров управляемого объекта. Пуск машин и аппаратов и установление заданного режима производиться вручную.
При полной автоматизации устройства автоматики управляют всеми основными и вспомогательными процессами. Функции пуска, остановки, изменения режима работы, определение оптимальных режимов работы и т.д. выполняются при помощи микропроцессорной техники и свободно программируемых ЭВМ. Обслуживание таких систем может быть периодическим (один раз в сутки, неделю и т.д.).
Система автоматического контроля (САК) предназначена для получения количественной информации о различных физических величинах (параметров) по которым оценивается технологический режим работы объекта автоматизации. Всякая САК состоит из элементов, узлов и устройств, выполняющих различные функции. Схематично САК может быть представлена структурой, приведенной на рис. 1.1
Датчик (Д) измеряет значение контролируемого параметра объекта (ОБ) контроля и преобразует его в сигнал, удобный для усиления и передачи. Для технологических измерений в основном используются датчики преобразующие неэлектрическую величину в электрический сигнал
Усилитель (У) – устройство усиливающее слабый сигнал, поступающий от датчика, до уровня достаточного для воздействия на исполнительный элемент.
Измерительное устройство (ИУ) – устройство, посредством которого фиксируется результат измерения.
ИУ
Рис.1.1. Функциональная схема системы автоматического контроля
В зависимости от вида измерительного устройства автоматический контроль подразделяют на две основные группы:
- с автоматическим отображением значений контролируемых параметров, имеющих в своем составе отсчетное устройство (ОУ) в виде стрелочного или цифрового прибора;
- с автоматической регистрацией значений контролируемого параметра на регистрирующее устройство (РУ), представляющее собой самописец, магнитный диск и т.д.
Система автоматического контроля также может объединить эти две функции, т.е. отображать и одновременно регистрировать текущие параметры технологического процесса.
Система автоматической сигнализации (САС) оповещает обслуживающий персонал с помощью световых и звуковых сигналов о том, что контролируемые параметры достигли характерных или предельных, опасных для установки значений. Структура САС приведена на рис.1.2.
HL
Р
ЭС x у
НА![]()
Рис.1.2 Функциональная схема системы автоматической сигнализации
Данная система может быть выполнена как в автономном варианте так и совмещенном.
Автоматическая САС в автономном варианте характеризуется тем, что имеет собственные устройства, такие как измерительный (датчик Д ), задатчик З, элемент сравнения ЭС, усилитель релейный УР, сигнальное устройство ( лампочка HL и зуммер НА ).
В совмещенной САС информационный сигнал формируется от устройств , входящих в состав других автоматических систем , таких как САК , САЗ или АСР .
Пояснение. Сигнализаторы, как правило, выполнятся на базе релейных элементов с электрическим выходом .
Система автоматической сигнализации, так же как и система автоматического контроля, не влияют на ход протекания технологического процесс в объекте ОБ, а только информируют оператора о его состоянии для принятия им решения .
Система автоматической защиты (САЗ) предназначена для своевременного отключения энергетической установки или отдельных ее устройств при достижении каким-либо контролируемым параметром предельно допустимой величины , способной вызвать аварийную ситуацию .
Функциональная схема САЗ приведена на рис.1.3. Система включает в себя защитное устройство (сигнализатор),исполнительный орган ПО с деблокирующим элементом ДЭ и объектов защиты ОБ
Системы автоматической защиты подразделяются на системы однократного действия с разовым деблокированием и повторного действия
В системах однократного действия исполнительный орган ИО после срабатывания защиты автоматически удерживается в отключенном состоянии не зависимо от последующего состояния контролируемого параметра у. Для возврата системы защиты в рабочее положение оператор вручную воздействует на деблокирующий элемент.
В системе повторного действия исполнительный орган ИО не имеет удерживающего элемента ДЭ, что исключает использование деблокирующего элемента ДЭ. Система самостоятельно возвращается в рабочее состояние после возвращения контролируемого параметра в допустимые (заданные ) пределы .
Автоматические системы регулирования (АСР) предназначены поддерживать указанные параметры в необходимых пределах, обеспечивая тем самым сохранение нормального технологического режима установки, либо изменять эти параметры по какому либо алгоритму в соответствии с законной программой.
Упрощенная схема автоматической системы регулирования, изображенная на рис. 1.4, представляет собой совокупность объекта регулирования ОР и автоматического регулятора АР. осуществляющего управление техническими средствами для поддержания заданных параметров объекта регулирования .
Объект регулирования ОР - это агрегат или механизм, в котором протекает технологический процесс, подлежащий регулированию.
......
Рис. 1.4. Функциональная схема автоматической системы регулирования
Пояснение. Автоматический регулятор (АР) – это устройство, автоматически поддерживающее постоянным заданное значение регулируемой величины при изменяющихся внешних воздействиях F1...Fn , или изменяющее эту величину по какому-либо алгоритму (закону).
Автоматический регулятор воспринимает отклонения текущего значения регулируемой величины yтек =У от заданного значения yзад и вырабатывает по определенному закону управляющий сигнал U с целью изменения регулирующего воздействия x для ликвидации этого отклонения.
Регулируемая величина у – это физическая величина объекта регулирования, которую необходимо регулировать, т.е. изменять, по какому-либо закону или поддерживать постоянной на заданном значении. Чаще всего это частота вращения вала двигателя, температура, давление и уровень среды и т.п.
Входное (регулирующее) воздействие Х – это рабочее вещество или энергия, посредством которых осуществляется изменение регулируемой величины У. В качестве этого параметра могут выступать охлаждающая вода в конденсатор, расход холодильного агента на испаритель и т.д.
Возмущающие воздействия F1...Fn – это внешние факторы, способные отклонить регулируемую величину у от заданного значения. За такие воздействия принимаются теплопритоки в холодильную камеру, расход пара из парового котла и т.п.
Пример. Рассмотрим автоматическую систему регулирования уровня воды в барабане парового котла. Технологическая схема такой системы приведена на рис.1.5.
Рис.1.5. Технологическая
схема регулирования уровня воды
в барабане парового котла
Объектом регулирования в данной системе является барабан парового котла.
Представим
обобщенную технологическую схему,
приведенную на рис. 1.5, в виде функциональной
схемы автоматической системы регулирования,
изображенной на рис.1.6.
Рисунок 1.6. Обобщенная функциональная схема АСР уровня воды
в барабане парового котла
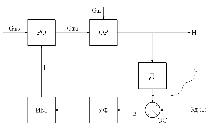
Регулируемой величиной является уровень воды Н в паровом котле, регулирующим воздействием – расход воды Gв в паровой котел и возмущающим воздействием – расход пара Gп отводимый от котла и оказывающий основное влияние на уровень воды (регулируемый параметр Н). Наиболее развернутая функциональная схема системы регулирования, с обозначением ее элементов, представлена на рис. 1.7.
Рисунок
1.7. Развернутая функциональная схема
системы регулирования
уровня воды в барабане парового котла
Автоматизированная система управления технологическим процессом (АСУТП) — это человеко-машинная система управления, обеспечивающая автоматизированный сбор и обработку информации, необходимой для оптимизации управления технологическим объектом в соответствии с принятым критерием.
За критерий управления АСУТП принимают соотношение, характеризующее качество функционирования технологического объекта управления (ТОУ) в целом и принимающее конкретные числовые значения в зависимости от используемых управляющих воздействий.
АСУТП классифицируют в основном по:
- уровню, занимаемому ТОУ и АСУТП в структуре предприятия
- по характеру протекания технологического процесса во времени;
- по показателю условной информационной мощности ТОУ;
- по уровню функциональной надежности АСУТП;
- по типу функционирования АСУТП.
По уровню, занимаемому ТОУ в структуре предприятия, АСУТП делят на три подкласса:
- АСУТП нижнего уровня (технологические агрегаты, установки, участки);
- АСУТП верхнего уровня (группы установок, цехи, производства);
- АСУТП многоуровневые (включают АСУТП нижнего уровня).

При централизованном принципе построения системы управления (СУ) имеются одно или несколько дублирующих друг друга устройств управления сетью (УУС). При этом УУС, анализирующие состояние на сети, передаёт параметры управления к каждому УУ каждого узла коммутации (УК). Эти параметры определяют режимы обслуживания абонентов различных категорий. Информация необходимая для узлов поступает по сети отображения.

Типовая структура централизованной СУ
Типовая структура централизованной СУ ТП (рис.3.3) включает в себя устройство связи с объектом (УСО) УПРАВЛЯЮЩАЯ СИСТЕМА ОБСЛУЖИВАНИЯ и УВМ, УПРАВЛЯЮЩАЯ ВЫЧИСЛИТЕЛЬНАЯ МАШИНА осуществляющую централизованное управление одним или несколькими технологическими процессами. Надежность всего комплекса определяется в этом случае надежностью УСО и УВМ, и при выходе их из строя нормальное функционирование технологического оборудования невозможно.
Технологический объект управления (ТОУ)
ручное управление (РУ)
датчики измеряемых переменных (Д)
исполнительные устройства (ИУ)
Наиболее важными свойствами такой системы являются прозрачность, открытость, масштабируемость и безопасность.
•Прозрачность (transparency).
Прозрачностью называется способность системы скрыть от пользователя физическое распределение ресурсов, а также аспекты их перераспределения и перемещения между различными машинами в ходе работы, репликацию (т.е. дублирование) ресурсов, трудности, возникающие при одновременной работе нескольких пользователей с одним ресурсом, ошибки при доступе к ресурсам и в работе самих ресурсов.
Открытость (openness).
Открытость системы определяется как полнота и ясность описания интерфейсов работы с ней и служб, которые она предоставляет через эти интерфейсы. Такое описание должно включать в себя все, что необходимо знать для того, чтобы пользоваться этими службами, независимо от реализации данной системы и платформы, на которой она развернута.
Масштабируемость (scalability).
Масштабируемость системы — это зависимость изменения ее характеристик от количества ее пользователей и подключенных ресурсов, а также от степени географической распределенности системы. В число значимых характеристик при этом попадают функциональность, производительность, стоимость, трудозатраты на разработку, на внесение изменений, на сопровождение, на администрирование, удобство работы с системой.