Материал: Захаров, Сайфутдинов - Вычислительная техника

Внимание! Если размещение файла нарушает Ваши авторские права, то обязательно сообщите нам

Источник тока на VT3 и эмиттерный повторитель на VT5 способствуют улучшению передаточной характеристики логического элемента. При отпирании транзистора VT2 потенциал коллектора VT5 начинает падать (рис. 2.17), и в отсутствии источника тока, вместо которого может быть включен резистор, в точке 1 передаточной характеристики произошел бы излом, продолжение которого показано пунктиром.

Uвых

 

 

 

U1вых

1

2

 

U0вых

 

3

 

 

U0вх. max

U1вх. min

Uвх

Рис. 2.17. Аппроксимированная передаточная характеристика логического элемента ТТЛ (заштрихованы области допустимых значений U0вх и U1вх в статическом режиме)

Положение точки излома определяется напряжением отпирания транзистора VT2, это максимально допустимое, т. е. пороговое напряжение логического нуля на входе U0вх.max 0,8 В. Однако источник тока на транзисторе VT3 проявляет свойства нелинейного сопротивления и в начальный период повышения Uвх ограничивает коллекторный ток транзистора VT2, сдерживая спад выходного напряжения U1вых. В то же время с повышением Uвx медленно повышается и потенциал эмиттера VT2 и в точке 2 транзистор VT5 отпирается. В результате происходит резкое снижение выходного напряжения до уровня U0вых, когда Uвх достигает значения минимально допустимого напряжения логической единицы U1вx.min 2,0 B (точка 3 на рис. 2.17), переходные процессы заканчиваются, т. к. транзистор VT5 оказывается насыщенным и дальнейшее повышение Uвх на потенциале коллектора практически не отражается.

Логические элементы серий 530, 531 явились результатом совершенствования микроэлектронной технологии, позволившей в начале 70-х годов начать изготовление в масштабах серийного производства выпрямляющих контактов металлполупроводник, известных как переходы Шоттки (рис. 2.18).

41

 

 

 

+

E

п

о

 

 

 

 

 

 

 

о

 

 

 

 

 

 

R1

R3

R5

 

 

 

 

 

 

 

 

VT1

 

VT4

 

 

 

 

 

 

 

 

 

 

 

 

 

 

 

 

 

Х1

 

VT2

VT5

 

 

 

 

 

 

 

 

 

 

 

 

 

 

 

 

 

Uвх Х2

 

 

VD4

 

 

 

 

 

 

 

Х3

R2

R4

оY

 

Х1

&

 

 

 

 

 

VT6

 

 

Y = X

1X2 X3

 

 

VT3

 

 

Х2

о

VD1 – VD3

 

Uвых

 

 

 

 

о

 

 

Х

3

 

 

 

 

 

 

 

 

 

 

 

 

 

 

а

 

 

 

 

 

б

 

 

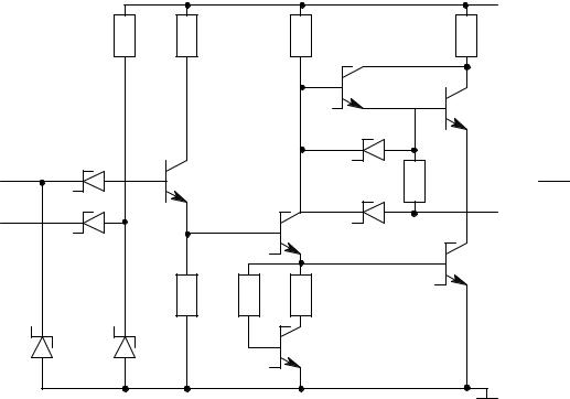
Рис. 2.18. Схема логического элемента И-НЕ серий 530, 531 ТТЛШ (а) и его функциональное обозначение (б)

Идея использования нелинейной отрицательной обратной связи для повышения быстродействия транзисторных ключей состоит в следующем. Известно, что время, затрачиваемое на формирование фронта выходного импульса, определяется рассасыванием инжектированных неосновных носителей, когда транзистор переходит из насыщения в область отсечки. Необходимо предотвратить вхождение транзистора в режим глубокого насыщения. Это может быть достигнуто путем приложения к участку база-коллектор запирающего напряжения.

Если между базой и коллектором включить диод Шоттки, подсоединив анодом к базе, то при отпирании транзистора на коллекторе в некоторый момент времени устанавливается потенциал, отпирающий диод Шоттки. Напряжение отпирания перехода Шоттки 0,4–0,5 В, т. е. меньше, чем падение на переходе база-коллектор и, следовательно, диод Шоттки откроется раньше, чем переход база-коллектор. Таким образом коллекторный переход оказывается запертым и режим насыщения исключается. Важным достоинством диодов Шоттки является то, что в них отсутствует инжекция неосновных носителей. В связи с этим при выключении не затрачивается время на рассасывание избыточного заряда и время их переключения составляет около 0,1 нс.

42

В серии ТТЛШ 1531, 1533 использованы транзисторы с диодом Шоттки с очень малым объемом коллекторной области, чем реализовано практически предельное быстродействие. На рис. 2.19 представлена схема ТТЛШ 1531 серии, реализующая операцию И-HE.

 

 

 

 

 

o

+Eп

 

R1

R2

 

R4

R5

 

 

 

 

 

VT2

VT3

 

 

 

 

 

VD5

 

VD1

 

 

 

 

 

 

 

 

 

 

 

Х1 o

 

VT1

 

VD6

R6

Y = Х1Х2

 

 

 

 

o

Х2 o

 

 

 

VT4

 

 

 

 

 

 

VD2

 

 

 

 

VT5

 

 

 

 

 

 

 

 

 

R3

R7

R8

 

 

VD3

VD4

 

 

VT6

 

 

 

 

 

 

 

Рис. 2.19. Принципиальная схема элемента ТТЛШ серии 1531

Чтобы сохранить значительную нагрузочную способность элемента, входной ток низкого уровня уменьшен примерно в 10 раз. Для этого в схему ЛЭ добавлен после логической диодной матрицы эмиттерный повторитель на транзисторе VT1. Резисторы R1 и R3 фиксируют пороговое напряжение на уровне 1,5 В, что повышает помехоустойчивость ЛЭ.

В таблице 2.10 приведены сравнительные характеристики различных серий ТТЛ-элементов по быстродействию и потребляемой мощности.

 

 

 

 

 

 

 

Таблица 2.10

 

 

 

 

 

 

 

 

Серия ТТЛ

К134

К155

К131

К555

К531

К1533

К1531

 

 

 

 

 

 

 

 

tз.ср., нс

33

9

6

9,5

3

4

3

 

 

 

 

 

 

 

 

Рном, мВт

1

10

22

2

19

1,2

4

 

 

 

 

43

 

 

 

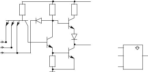
2.14. Логические элементы с тремя состояниями

Схема ЛЭ с тремя стабильными состояниями и ее функциональное изображение представлены на рис. 2.20.

 

 

 

o +Eп

 

 

 

R1

R2

R3

 

 

 

 

VT1

 

VT3

 

 

 

 

 

VD1

 

 

 

 

 

 

 

 

 

 

Х1

VT2

VD2

 

 

 

 

 

 

 

 

 

Х2

 

 

o Y

Х1

&

 

C

 

VT4

 

Y

 

 

Х2

o

 

R4

 

 

 

 

 

 

C

o

 

 

 

 

 

 

а

б

Рис. 2.20. Принципиальная схема (а)

и функциональное изображение ТТЛ-элемента с тремя состояниями (б)

Схемы с тремя состояниями имеют состояния по выходу: состояние логической единицы; состояние логического нуля; «обрыв». Они могут работать на общую шину, поэтому используются в качестве шинных формирователей. Схема работает следующим образом. Для управления транзисторами VT3 и VT4 введена дополнительная управляющая цепь, которая называется управлением (вход С). Этот вход через диод VD1 подключен к базе транзистора VT3, а также к эмиттеру транзистора VT1. Когда на вход С поступает напряжение, соответствующее уровню логического нуля, транзисторы VT3 и VT4 закрыты. Это соответствует третьему состоянию – «обрыв», т. е. логический элемент как бы отключается от выходной шины. Если на вход С подается высокий потенциал, то диод VD1 закрывается и транзистор VT3 будет работать как в обычной ТТЛ-схеме.

44

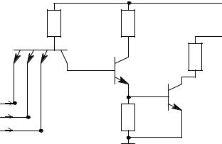
2.15. ТТЛ логические элементы с открытым коллектором

Схема ЛЭ с открытым коллектором приведена на рис. 2.21.

 

 

o +E1

R1

R2

o +E2

VT1

 

 

VT2

o Y

 

 

Х

 

VT3

Х21

R3

 

C

 

 

Рис. 2.21. Схема ТТЛ логического элемента с открытым коллектором

Эти элементы применяются в тех случаях, когда необходимо питать энергоемкую нагрузку. Выход с открытым коллектором позволяет иметь много параллельных выходов, что обеспечивает логическое сложение выходных функций схем при подаче напряжения питания Е на группу соединенных вместе выходов через резистор соответствующей величины сопротивления, которая зависит от числа соединенных выходов и числа подключенных к ним входов последующих элементов. Кроме того, выход с открытым коллектором дает возможность в качестве нагрузки использовать лампы накаливания, светодиоды, обмотки реле, индикаторы и т. д.

2.16. ЭСЛ логические элементы

Логические элементы эммитерно-связанной логики (ЭСЛ) обладают наиболее высоким быстродействием из всех существующих ЛЭ, что обусловлено следующими факторами: открытые транзисторы работают в активном режиме, благодаря чему отсутствует задержка, связанная с рассасыванием избыточного заряда в транзисторах; внутренняя симметрия ЛЭ обеспечивает практическое отсутствие изменения потребляемого тока при переключении и связанных с ним всплесков напряжения в цепях питания.

45