Материал: Захаров, Сайфутдинов - Вычислительная техника

Внимание! Если размещение файла нарушает Ваши авторские права, то обязательно сообщите нам

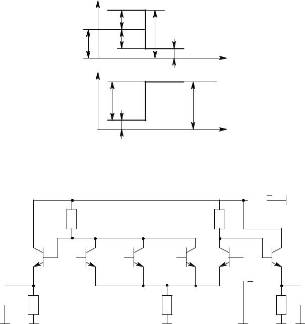
Логические элементы ЭСЛ выполняются на базе

переключателей тока

(рис. 2.22). На базу транзистора VT0 подано напряжение Е0.

Пусть Uвх1 = E0, при

этом оба транзистора работают в активном режиме. Ток через резистор Rэ равен: Iэ = |E0 Uбэо| Rэ. Транзисторы выбирают идентичными, поэтому i э1 = iэ0= Iэ/2.

+Eп

Ik1

 

Ik0

o

 

R k1

Rk0

 

 

o

o

 

 

o

Uk1

Uk0

o

+

VT1 o

o VT0

Uвх1 o

 

 

o

E0

Uбэ1

I э1

Iэ0

Uбэ0

 

Uэ

I э

Rэ

Рис. 2.22. Схема переключателя тока

Uk1 = Uk0 = Eп IэRk1/2 . Если входное управляющее напряжение Uвх1 > E0, то iэl, iк1 увеличиваются, напряжение Uk1 падает, а напряжение Uэ растет, что приводит к уменьшению Uбэ0 и, следовательно, к уменьшению ik0 и к увеличению Uk0. Дальнейшее увеличение Uвx приводит к полному запиранию транзистора VT0. При этом напряжение Uk0 = Eп (без учета неуправляемых тепловых токов), Uk1 = Eп IэRk. Ток Iэ I к1 течет только через транзистор VT1.

При уменьшении напряжения Uвх относительно Е0 уменьшается ток ik1, растет напряжение Uk1, растет ток ik0, уменьшается напряжение Uk0 . При некотором Uвx < U0 транзистор VT1 закрывается и ток Iэ течет только через транзистор VT0. В этом случае Uk0 = Eп - IэRk0: Uk1 = Еп. Таким образом, при изменении Uвх на некоторое значение 2 U симметрично относительно Е0, транзисторы переключаются (рис. 2.23).

Выходной перепад напряжения Umвых = IэRk. Отметим, что высокий входной уровень U1вх соответствует уровню логической единицы Е1, а низкий входной уровень U0вх – уровню логического нуля Е0. Обычно выбирают E0 = 0,5 (Е1 + Е0).

46

Схема ЭСЛ логического элемента представлена на рис. 2.24, в которой для реализации многовходовой переключательной функции входной транзистор заменяют группой параллельно соединенных транзисторов, а для согласования входных и выходных уровней логической единицы и нуля в схему включены эмиттерные повторители. При этом на выходе у формируется функция ИЛИ-НЕ, на выходе у2 – функция ИЛИ.

Uвх

 

 

 

U

1= U1вх

 

E

 

U

 

 

 

Е0

 

0

0

 

 

E = U вх

Uвых

 

 

t

 

 

 

(Uk1)

 

 

 

Umвых

 

 

Eп = U1вых = Uk1

 

 

 

U0вых = Eп IэRk

 

t

Рис. 2.23. Временная диаграмма состояния переключателя тока

 

 

 

 

+

 

 

 

 

 

 

 

о +E

о

 

 

 

Rk

 

Rk0

 

п

 

 

 

 

 

 

 

 

VT1

Х1 о VT2 Х2 о VT3

Х3 о VT4 VT0 о+

 

 

VT5

 

 

 

E

0

 

 

 

о

 

 

о

 

 

 

о

 

 

 

 

 

 

Y

R

R

э

 

R

 

Y

о1

1

 

 

 

2

о2

Рис. 2.24. Принципиальная схема ЭСЛ логического элемента

47

Имея высокое быстродействие, схемы ЭСЛ имеют и недостатки: низкая помехоустойчивость и большая потребляемая мощность, т. к. для достижения быстрого перезаряда паразитных емкостей в схеме используются резисторы с малым сопротивлением, через которые текут большие токи.

2.17. Логические элементы на МОП-транзисторах

Логические элементы на МОП-транзисторах изготавливаются по р-МОП, n- МОП, КМОП-технологиям. В первых используются р-канальные транзисторы, во вторых n-канальные транзисторы, а в третьих – используются комплементарные МОП-схемы, где в одной схеме применяются как р-канальные, так и n-канальные транзисторы. Схемы на МОП-транзисторах имеют меньшее быстродействие, чем схемы на биполярных транзисторах, что объясняется значительными емкостями между затвором, стоком, истоком и подложкой, на перезаряд которых требуется определенное время. Схемы на МОП-транзисторах потребляют малую мощность, имеют высокую нагрузочную способность и высокую помехоустойчивость, занимают малую площадь на поверхности кристалла, они технологичны и дешевы. Их применяют в тех случаях, где нужна большая степень интеграции и небольшое быстродействие. Особенность микросхем на МОП-структурах заключается в том, что в их схемах отсутствуют резисторы, а роль нелинейных резисторов выполняют соответствующим образом включенные транзисторы.

Логические элементы на р-канальных транзисторах. В основе всех логических схем на МОП-структурах лежит инвертор (рис. 2.25). При подаче на вход Х напряжения Е (логическая единица), транзистор VT2 открывается, его сопротивление становится малым и на выходе мы получаем напряжение близкое к нулю (логический нуль). При подаче на вход напряжения логического нуля транзистор VT2 закрывается и на выходе мы имеем напряжение –Е .

Для реализации функции И-НЕ ключевые транзисторы включают последовательно с нагрузочным транзистором VT1 (рис. 2.26). Если на каком-либо входе напряжение равно нулю (логический нуль), то соответствующий транзистор закрыт и напряжение на выходе равно –Е (логическая единица).

48

 

о

E

VT1

с

 

 

и

 

 

о

Y

VT2

с

 

Х о

и

 

Рис. 2.25. Инвертор на р-МОП-транзисторах

 

с

о

E

 

VT1

 

 

и

 

 

о

Y

 

с

 

VT2

 

Х1 о

и

 

 

 

 

с

VT3

 

Х2 о

и

 

 

 

Рис. 2.26. Схема ЛЭ И-НЕ

 

на р-МОП-транзисторах

Если на все входы подать напряжение, соответствующее логической единице (–Е), то транзисторы VT2 и VT3 будут открыты и иметь низкое сопротивление, выходное напряжение будет близко к нулю (логический нуль). Схема ИЛИ-НЕ образуется параллельным соединением переключательных транзисторов VT2 и VT3 и подсоединением их объединенных стоков к истоку нагрузочного транзистора VT1 (рис. 2.27).

 

 

о

E

 

 

VT1

 

 

 

 

оY

 

 

VT2

VT3

 

 

 

Х

1 о

Х

2 о

 

 

Рис. 2.27. Схема ЛЭ ИЛИ-НЕ на р-МОП-транзисторах

Если на любом из двух входов схемы напряжение соответствует логической единице (–Е), то соответствующий транзистор открыт и имеет низкое сопротивление. При этом на выходе будет напряжение близкое к нулю (логический нуль). Если на все входы поданы логические нули, то все транзисторы будут закрыты и на выходе будет напряжение –Е.

49

Логические схемы на КМОП-структурах. Преимущества ЛЭ на КМОП-

структурах: малая потребляемая мощность, высокая помехоустойчивость, высокое быстродействие. Высокое быстродействие таких схем реализуется за счет того, что в цепях заряда и разряда паразитных емкостей схемы включены малые сопротивления открытых транзисторов. Логические схемы И-НЕ, ИЛИ-НЕ образуются параллельнопоследовательным соединением ключевых транзисторов. На рис. 2.28 представлена схема, реализующая функцию ИЛИ-НЕ, использующая как р-канальные, так и n-канальные транзисторы.

 

 

 

 

и

о + E

 

 

 

VT1

 

 

 

 

 

c

 

 

 

 

 

 

 

 

Х2 о

 

 

VT2

и

 

 

 

 

 

c

 

 

 

 

 

 

о

Y

 

 

c

 

c

 

VT3

VT4

 

 

 

 

 

 

 

X1 о

 

и

 

и

 

 

Рис. 2.28. Схема ЛЭ ИЛИ-НЕ на КМОП-структуре

Схема работает следующим образом. При подаче высокого уровня напряжения (+Е) на вход х1 транзистор VT1 закрывается, а транзистор VT3 открывается, на выходе будет напряжение близкое к нулю (логический нуль). То же самое будет и при подаче напряжения (+Е) на вход х2. При подаче на входы х1 и х2 логического нуля транзисторы VT3 и VT4 будут закрыты, а транзисторы VT1 и VT2 открыты. На выходе будет высокий уровень напряжения (+Е) – логическая единица.

Логическая схема, реализующая функцию И-НЕ, представлена на рис. 2.29. Если на вход х1 подан уровень логического нуля (0 В), то транзистор VT1 будет

открыт, а транзистор VT4 – закрыт. На выходе будет высокое напряжение (+Е) – логическая единица. То же самое будет и при подаче нуля на вход х2. При подаче на входы х1 и х2 логической единицы, транзисторы VT1 и VТ2 будут закрыты, а транзисторы VT3, VT4 открыты – на выходе будет уровень логического нуля. В КМОП-логических схемах ток постоянно не протекает.

50