Таблица 3.
Определяем число витков первичной и
вторичной обмоток:
Определяем сечение и диаметр провода
первичной и вторичной обмоток:
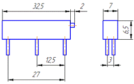
По полученным данным из справочника
выбираем трансформатор ТПП 89-40-400(см. приложение 1 п.5.)
Таблица 4.
3. РАСЧЕТ ТЕПЛООТВОДА
Определим размеры радиатора для транзистора 2Т903Б мощностью рассеяния P=11 Вт, работающего при температуре окружающей среды Tc= 60°Cв условиях естественной конвекции и нормальном давлении.
У данного транзистора температура перехода Tп=150 °C, тепловое сопротивление переход-корпус Rп.к.=3.33 K/Вт, Rк.р.= Rк.т.=0.4 К/Вт.
) Зададимся высотой пластины: D=0.1 м
) Определяем по графику коэффициент
неравномерности температуры радиатораg (рис.10):
Рис.10.
Для нашей длинны D=0.1 м соответствует g=0.99
) Определим допустимую среднюю
поверхностную температуру радиатора и его перегрев:
4) Для вертикально ориентированной
поверхности высотой D=0.1 м рассчитаем коэффициент
теплообмена при естественной конвекции:
Где ![]()
выбирается по таблице для средней
арифметической температуры:
Получим:
5) Вычислим коэффициент теплообмена
излучением:
) Определяем
суммарный коэффициент теплообмена:
7) Рассчитаем площадь теплоотдающей
поверхности радиатора:
8) На основе рекомендаций задаемся
толщиной пластины радиатора ![]()
и вычислим ширину пластины:
Получили радиаторразмерами: 100![]()
мм
На длинной стороне загнем ушки,
опираясь на рекомендации, примерно 15 мм, получим ребристый радиатор с
размерами основания 70![]()
мм.
Вид радиатора приведен ниже на
(рис.11).

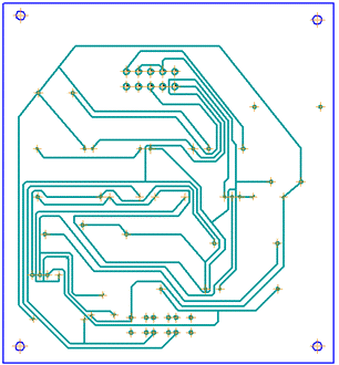
4. ПЕЧАТНАЯ ПЛАТА
В данном курсовом проекте разрабатывалась односторонняя печатная плата. Трассировка проводников производилась вручную с применением системы автоматизированного проектирования Компас-3D.
Основанием платы служит
стеклотекстолитнагревостойкий, облицованный с одной стороны медной
электролитической гальваностойкой фольгой толщиной 35 мкм: СФ![]()
1Н![]()
35Г![]()
2вс.
Изображение печатной
платы показано на (рис.12).
Рис.12. Односторонняя печатная
плата.
Таблица 5.
|
Параметры элементов платы |
Размеры, мм, не менее |
|
Ширина проводников |
1,0 |
|
Расстояние между двумя проводниками |
1,25 |
|
Расстояние между двумя контактными площадками |
5,0 |
ЗАКЛЮЧЕНИЕ
стабилизатор фильтр трансформатор плата
В данном курсовом проекте приводится расчет вторичного источника электропитания, который состоит из трансформатора, выпрямительной диодной схемы (в нашем случае двухполупериодной), фильтра и стабилизатора напряжения. По ходу расчета производился подбор элементов электрической схемы по полученным характеристикам. Для этого использовались справочники по радиоэлектронной аппаратуре.
Конструкторская документация состоит из трех листов формата А1, на которых показана: схема электрическая принципиальная, печатная плата и сборочный чертеж стабилизатора напряжения. В спецификации указаны элементы, требуемые для создания сборки. Все чертежи выполнены по ГОСТ с применением системы автоматизированного проектирования Компас-3D.
По выполненным расчетам можно сделать вывод, что стабилизатор напряжения на транзисторах имеет сравнительно небольшой КПД равный 53 %.Однако его выходное сопротивление не превышает 0.1 Ом, что позволяет отдавать в нагрузку большой ток (по нашим исходным данным максимальный ток в нагрузке равен 1 А). Несмотря на довольно низкий КПД, стабилизатор напряжения на биполярных транзисторах обеспечивает необходимую нам пульсацию напряжения.
Положительным аспектом является и то, что расчет источника вторичного электропитания производился под частоту питающей сети равной 1000Гц. Это позволило получить в итоге небольшие габаритные размеры и малый вес нашего преобразующего устройства (110×120 мм).
Учитывая ускорение темпов развития электроники в
России, разработка унифицированных источников вторичного электропитания типа
АС/DС и DC/DC
различной мощности, на основе прогрессивных технологий, в настоящее время
является одной из актуальных задач.
СПИСОК ИСПОЛЬЗУЕМОЙ ЛИТЕРАТУРЫ
1.Краус Л.А. Проектирование стабилизированных источников П 79 электропитания радиоэлектронной аппаратуры / Л.А. Краус, Г.В. Гейман, М.М.Лапиров-Скобло, В.И.Тихонов - М.: Энергия,1980. - 288 с, ил.
. Найвельт Г.С. Источники электропитания радиоэлектронной И 91 аппаратуры: Справочник / Г.С. Найвельт, К.Б. Мазель, Ч.И. Хусаинов и др.; под ред. Г.С. Найвельта.- М.: Радио и связь, 1985.- 576с, ил.
. Баюков А.В. Полупроводниковые приборы: Диоды, тиристоры, П 53 оптоэлектронные приборы.Справочник / А.В.Баюков, А.Б. Гитцевич, А.А. зайцев и др.; Под общ.ред. Н.Н. Горюнова.- М.: Энергоатомиздат,1983. - 744 с, ил.
. Горячева Г.А. Конденсаторы: Справочник / Г.А.Горячева, Е.Р. Добромыслов.- М.: Радио и связь, 1984.- 88 с, ил.-(Массовая радиобиблиотека.Вып. 1079).
. Сидоров И.Н. Малогабаритные трансформаторы и дроссели: C34 Справочник / И.Н. Сидоров, В.В. Мукосеев, А.А. Христинин.- М.: Радио и связь, 1985.- 416 с, ил.
. Дубровский В.В. Резисторы: Справочник /В.В. Дубровский, Р34 Д.М. Иванов, Н.Я. Пратусевич и др.; Под ред. И.И. Четверткова и В.М. Терехова.-2-е изд., перераб. и доп.- М.: Радио и связь, 1991.- 528 с,:ил.
. Лярский В.Ф. Электрические соединители: Справочник /В.Ф.Лярский, О.Б. Мурадян.- М.: Радио и связь, 1988.- 272 с.: ил.
. Горюнов Н.Н. Полупроводниковые приборы: транзисторы П53: Справочник /Н.Н. Горюнов, В.Л. Аронов и др.;Под общ.ред. Н.Н. Горюнова.- М.: Энергоатомиздат,1985. - 904 с, ил.
. ГОСТ 2.109-96. ЕСКД. Общие требования к чертежам // Сб. ГОСТов ЕСКД. Основные положения.- М.: Изд-во стандартов, 1995.- 370с.
. ГОСТ 2.702-75. ЕСКД. Правила выполнения электрических схем.- М.: Изд-во стандартов, 2000.- 22 с.
. ГОСТ 2.770-68. ЕСКД. Обозначения условные графические в схемах.- М.: Изд-во стандартов, 1997.- 480 с.
. ГОСТ 2.417-91. ЕСКД. Платы печатные. Правила выполнения чертежей.- М.: Изд-во стандартов, 1991.- 4 с.
. ГОСТ 29137-91. Формовка выводов и установка изделий электронной техники на печатные платы.- М.: Изд-во стандартов, 2004.- 48 с.
. ГОСТ 2.105-95. ЕСКД. Общие требования к текстовым документам // Сб. ГОСТов ЕСКД. Основные положения.- М.: Изд-во стандартов, 1995.- 370с.
.
ГОСТ 2.307-68. ЕСКД. Нанесение размеров и предельных отклонений.- М.: Изд-во
стандартов, 2000.- 23 с.
ПРИЛОЖЕНИЕ 1
Графические изображения подобранных элементов электрической схемы.
1. Конденсатор ![]()
2. Резисторы R1:
![]()
, R3 иR4:
![]()
R5: ![]()
6: ![]()
Переменный резистор RP:
![]()
3. Диоды
, VD3: ![]()
VD2, VD4: ![]()
Стабилитрон VD5:
![]()
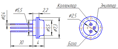
4. Транзисторы
: ![]()
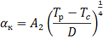
VT2:
![]()
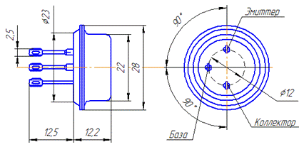
VT3:
![]()

VT5:
![]()
5.Трансформатор![]()