В эксплуатационной документации должен быть приведен перечень инструментов и приборов для обслуживания по ГОСТ 28983 и ГОСТ 27253. а также перечень приспособления для ремонтов по ГОСТ 27718.
Изготовитель должен гарантировать соответствие экскаваторов-погрузчиков обязательным требованиям настоящего стандарта и нормативного документа на Экскаваторы-погрузчики конкретных моделей при соблюдении условий эксплуатации, хранении и монтажу.
Гарантийный срок эксплуатации экскаваторов-погрузчиков - 12 мес. со дня ввода и эксплуатацию, но не более 15 мес со дня отгрузки предприятием-изготовителем.
Таблица 1.2 Навесное оборудование экскаваторов
Гидромолот для экскаваторов
<#"806679.files/image002.gif"> Гидробур для экскаваторов
<#"806679.files/image003.gif"> Цепной траншеекопатель для экскаваторов
<#"806679.files/image004.gif"> Быстросменный адаптер для экскаваторов
<#"806679.files/image005.gif"> Ковши для экскаваторов
<#"806679.files/image006.gif"> Грейферы для экскаваторов
<#"806679.files/image007.gif">
Тилт-ротатор для экскаваторов
Захват для блоков для экскаваторов Захват для блоков предназначен для перемещения бетонных блоков, захватывая их с двух сторон. Надежное перемещение бетонных элементов благодаря сильному прижимному усилию
Отвал поворотный для экскаваторов Поворотный отвал устанавливается на раму фронтального погрузчика экскаватора и применяется при планировочных работах, для засыпки траншей и ям, а также для уборки дорог и площадей от снега, мусора и грязи. Нож отвала поворачивается в левую и правую сторону, фиксируясь пальцем на раме.
Щетка уборочная для экскаваторов Предназначена для подметания дорог, улиц и площадей от пыли, грязи и прочего мусора. Дополнительно может комплектоваться баком для воды, чтобы подметаемая пыль предварительно смачивалась и не поднималась в воздух.
Щетка с бункером для экскаваторов Предназначена для подметания дорог, улиц и площадей от пыли, грязи и прочего мусора. Весь подметаемый мусор складывается в специальный бункер, а затем грузится в автотранспорт или специально предназначенную емкость.
Паллетные вилы для экскаваторов Применяются на строительных площадках для разгрузки/погрузки материалов, сложенные на поддоны. Вилы легко перемещаются по каретке и могут легко регулироваться по ширине. Сделаны из сверхпрочного материала, способного выдерживать грузы до 10 тонн.
Быстросменный адаптер для экскаваторов Быстросменный адаптер устанавливается на раму фронтального погрузчика экскаватора и используется для оперативной замены навесного оборудования. С помощью быстросменного адаптера машинист экономит массу времени, тем самым увеличивая производительность экскаватора.
Захват для круглого леса для экскаваторов Применяется при загрузке или разгрузке круглого леса и лесоматериалов. Захват для круглого леса просто незаменим в лесных хозяйствах, где ежедневно грузятся тысячи тонн круглого леса и прочих лесоматериалов.
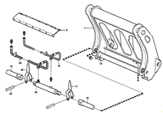
Это устройство необходимо для быстроты и упрощения замены рабочего органа, например, заменить ковш на стрелу или на вилы, что влияет на скорость проведения работ.
Это устройство представляет собой сварную металлическую конструкцию
, с ребрами жесткостями в центре, зафиксированная на стреле шарнирно
пальцами, с низу внутри защитного кожуха 13 установлен гидроцилиндр двух
стороннего действия 20, сверху гидроцилиндра установлен верхний защитный кожух
6, на штока гидроцилиндра устанавливаются пальцы 15,и вилки 17,30, с помощью
пальцев 22, подвод масла осуществляется по нагнетательным трубопроводам 18,29
из общей гидросистемы машины.
Рис.1.1. - Быстросъемное соединительное устройство замены рабочего оборудования
Принцип действия.
Управление устройством осуществляется с рабочего места оператора погрузчика - кабины. При включении гидрораспределителя с гидравлическим управлением 3 поток рабочей жидкости через гидрозамок 1 и клапан 2 поступает в рабочие полости гидроцилиндра 4. Тем самым штока задвигаются или выдвигаются. При выдвижении штоков гидроцилиндра 4 с помощью пальцев 15 (рис.2) входят в нижние проушины рабочего органа (например, ковша), тем самым происходит шарнирное фиксирование рабочего органа. В верхней плоскости рабочий орган фиксируется с помощью крюков, которые также находятся на рабочем органе. Эти крюки входят в зацепление в неразъемные верхние пальцы быстросъемного устройства.
Техническая характеристика устройства (БСУ).
Гидроцилиндр двух стороннего действия НL - С100х500.000 «Hidrolats»,
Ход штока - 170 мм.
Диаметр поршня и штока - 65 мм.,45 мм.
Диаметр рабочих пальцев 15 (рис.2) - 50 мм.
Вес конструкции - 320 кг.
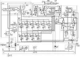
Рис. 1.2. Гидравлическая система управления экскаватора-погрузчика Volvo BL-71: Б - бак рабочей жидкости
Гидросистема состоит из двух параллельных насосов, гидрораспределителя погрузчика, исполнительных гидроцилиндров, гидрораспределителя экскаватора, бака, фильтра, обратных, предохранительных и перепускных клапанов, всасывающей и напорной магистралей.
Система является двухпоточной. Рабочая жидкость от двух насосов подается в две напорные гидролинии и нагнетается в гидрораспределитель 1 и 2, 3 и в зависимости от положения рычагов управления в гидроцилиндры механизмов или через фильтр на слив в бак. установлены следующие гидроцилиндры :гидроцилиндр подъема стрелы погрузчика, ковша погрузчика, поворота стрелы экскаватора, аутригера , рукояти и ковша экскаватора. Золотники гидрораспределителей после включения принудительно возвращаются в нейтральное положение.
Рис. 1.3 Схема рабочей зоны экскаватора-погрузчика VOLVO BL-71.
Габаритные размеры в рабочем положении
А Высота поворотной оси..........3485 ммУгол разгрузки............................... 45°
С Вылет при разгрузке................895 ммВысота разгрузки ..................2630 ммНаклон назад на грунте................. 40°Глубина выемки грунта.............159 ммВысота по верхней кромке ковша.....................................4434 мм
Макс. угол выемки при планировании грунта................ >120°
Размеры обратной лопаты со стандартной рукоятьюМакс. глубина выемки...........4300 мм
Глубина выемки с плоским дном 610 мм.........................4244 ммМакс. высота разгрузки........3980 ммВылет при разгрузке..............2220 ммМакс. высота по зубьям ковша.....................................5530 ммВылет от оси каретки..............5860 ммВылет от заднего моста.........7320 мм
Боковое смещение стрелы от оси машины.........................590 мм
Зазор при работе у стены.............190 мм
А Общая длина..........................5800 ммОбщая ширина.......................2470 мм
С Общая высота........................3730 ммКолесная база.......................2150 ммДорожный просвет по раме..... 340 ммВысота по ROPS (кабине).......2917 ммШирина по стабилизаторам .. 2335 мм
Размеры обратной лопаты с раздвижной рукоятью
Рукоять сложена....................4300 мм
Рукоять раздвинута...............5370 мм
Глубина выемки с плоским дном 610 мм
Рукоять сложена....................4244 мм
Рукоять раздвинута...............5314 ммМакс. высота разгрузки
Рукоять сложена....................4030 мм
Рукоять раздвинута...............4800 ммВылет при разгрузке
Рукоять сложена....................2220 мм
Рукоять раздвинута...............2540 ммМакс. высота по зубьям ковша
Рукоять сложена....................5830 мм
Рукоять раздвинута...............6650 ммВылет от оси поворота каретки
Рукоять сложена....................5910 мм
Рукоять раздвинута...............6880 ммВылет от заднего моста
Рукоять сложена....................7320 мм
Рукоять раздвинута...............8290 мм
Тип хода экскаватора погрузчика - пневмоколесный с осевыми формулами
![]()
![]()
Гидростатическая трансмиссия Привод на все колеса.
В зависимости от мощности и грузоподъемности погрузчиков, физико-механических свойств разрабатываемых грунтов ковш погрузчика можно наполнять раздельным, совмещенным, экскавационным и комбинированным способами.
При раздельном способе (рис.1.4., а) ковш устанавливают режущей кромкой горизонтально или под углом 3 - 5°. При движении со скоростью. 1,4 ... 1,8 км/ч ковш внедряют в грунт на глубину 0,85 ... 1 длины ковша. После внедрения ковша и остановки машины его запрокладывают до упора и поднимают стрелу в транспортное положение.
При высокой квалификации машиниста процесс подъема стрелы в транспортное
положение и движения к месту разгрузки можно совместить. Во избежание ударных
нагрузок на конструкции и большого износа шин не рекомендуется превышать
скорость движения свыше 4 км/ч. Кроме того, для погрузчиков грузоподъемностью
до 6 т нежелательно производить слишком глубокое внедрение ковша, так как
происходит перенапряжение гидросистемы подъема стрелы. Этот способ наиболее
широко применим при погрузке сыпучих стройматериалов

Рис.1.4 - Основные схемы разработки грунта погрузчиками а - раздельный; б
- совмещенный; в - экскавационный
При совмещенном способе (рис.1.4. б) внедрение ковша в грунт происходит на глубину 0,5 ... 0,6 длины ковша, при скорости 2,5 ... 5 км/ч ковш запрокидывают постепенно. Для наилучшего заполнения ковша необходимо, чтобы скорость движения погрузчика была близка к средней линейной скорости запрокидывания режущей кромки ковша. Тогда напорное усилие внедрения снижается в 2 - 3 раза по сравнению с раздельным способом. Данный способ копания наиболее эффективен для погрузчиков грузоподъемностью до 10 т при разработке грунтов I - II групп из целика и в разрыхленном состоянии, а также погрузке строительных материалов.
Экскавационный способ (рис.1.4. в) заключается в том, что ковш наклоняют
к основанию забоя на угол 3 - 5°. После внедрения ковша на глубину до 0,4 - 0,5
глубины ковша производят подъем стрелы. При выходе из забоя во избежание потерь
грунта ковш запрокидывают. При разработке тяжелых грунтов, когда не
обеспечивается необходимая глубина внедрения, следует производить
дополнительные внедрения. Этот способ целесообразен при разработке плотного и
связного грунта при высоте забоя 1,5 м и выше.
.8.2 Технологические схемы работы погрузчиков
Схема работы зависит от типа погрузчика. Для фронтальных погрузчиков на
пневмоколесном ходу (рис.1.5.) наиболее распространена схема с частичным
разворотом погрузчика на различные углы при отходе от забоя. Загружаемые
самосвалы при этом устанавливают параллельно или под нужным углом к фронту
забоя.
Рис.1.5. - Основные схемы работы погрузчиков в комплекте с автосамосвалами а, в, - с поворотом на 40 - 50°; б - челночным способом; г - с поворотом на 90°; д - при спаренной установке транспортных средств; е - челночным способом с разгрузкой в сторону 1.13. Определение параметров рабочего оборудования
Расчетная вместимость ковша подсчитывают по формуле:
м3
Где
- расчетный коэффициент наполнения ковша, равный
1,25.
Ковш
предназначен для работы с сыпучими материалами. Плотность материала
=1,6 т/м3
Номинальная
грузоподъемность равняется:
Н
- конструктивный вес погрузочного оборудования;т - продольная координата центра тяжести базового трактора;г и bo - горизонтальные координаты центров тяжести груза в ковше и оборудования соответственно.
Расстояние aг обычно составляет:
для гусеничных погрузчиков aг = (0,7...1,0)Lт,
для пневмоколесных погрузчиков aг = (0,6...0,95) Lт. ,
где Lд -база погрузчика .
Конструктивный
вес погрузочного оборудования определяют по весу базового трактора Gт:
Н
гдеko - безразмерный коэффициент, равный 0,25-0,35 (меньшие значения коэффициента принимают при использовании качественных сталей).
Рациональность
использования веса базовой машины и совершенство ходовой части определяют по
коэффициенту удельной грузоподъемности:
.
Рекомендуются следующие значения коэффициента удельной грузоподъемности:
для
гусеничных погрузчиков
равно 0,20...0.22;
для
колесных погрузчиков
равно 0,25...0,3.
Расчетная вместимость ковша подсчитывают по формуле:
м3
где
- расчетный коэффициент наполнения ковша, равный
1,25.
Конструктивный вес РО определяется по весу базовой машины
Н
где
ko - безразмерный коэффициент, равный 0,35-0,4
Рис.
1.6 Схема для определения конструктивного веса рабочего оборудования
Рациональность
использования веса базовой машины и совершенство ходовой части определяют по
коэффициенту удельной грузоподъемности:
.
Рекомендуются следующие значения коэффициента удельной грузоподъемности:
для
колесных экскаваторов
равно 0,24