Материал: ТКП-самостоятельная

Внимание! Если размещение файла нарушает Ваши авторские права, то обязательно сообщите нам

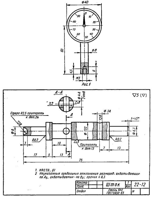
завальцовывают шарик 24. Затем шток вставляют шариком вниз в отверстие цилиндра 13. При этом отверстие штока 0 3 должно быть расположено против сквозной прорези цилиндра 13. В это отверстие забивают штифт 11, который ограничивает движение штока в цилиндре в пределах прорези. Собранные детали вставляют в корпус 1 снизу так, чтобы цилиндр 13 вошел в расточку Ø 22 до упора в заплечик, а прорези его расположились вдоль корпуса, причем нижняя несквозная должна быть справа. Шток 12 при этом устанавливают так, чтобы ребро призмы 19 расположилось на уровне оси отверстия Ø 3 вилки 7.

Цилиндр 13 закрепляют в корпусе винтом 18 и гайкой 14. Затем рычаг 6 коротким плечом вводят снизу наклонно в прорезь цилиндра под призму 19, а затем устанавливают в корпусе горизонтально. Через ушки вилки 7 и отверстие рычага 6 пропускают палец 26, удерживаемый от выпадения шплинтом 27.

К корпусу 1 снизу крепят тремя винтами 29 крышку 28. Снизу на цилиндр 13 навинчивают гайку 20. Ее положение по высоте на цилиндре 13 обусловлено положением шаровой опоры 23, о чем сказано ниже.

На конец штока 12 с шариком надевают пружину 25, а затем на цилиндр навинчивают до упора в гайку 20 обойму 21. В обойму помещают шаровую опору 23 1 большим диаметром конического отверстия вверх. Опора 23 удерживается от выпадения крышкой обоймы 22, навинчиваемой на обойму 21. Обойму 21 фиксируют гайкой 20 в таком положении, при котором торцовая плоскость шаровой опоры 23 оказывается ниже плоскости, касательной к шарику 24, а к моменту начала испытания (вдавливания шарика в образец) — касательной к шарику.

На чертеже изобразите момент начала испытания. При этом определится положение обоймы 21 и гайки 20 по высоте. Между гайкой 20 и крышкой 28 будет зазор —1,5 мм.

Слева к корпусу / винтами 17 крепят дополнительное плечо 15, на которое навинчивают противовес 16. Расточка Ø8 противовеса обращена к плечу 15.

В отверстие Ø10 корпуса 1 вставляют втулку 4. Через нее пропускают индикатор 5 с предварительно ввернутым в его гнездо удлинителем 2. Индикатор фиксируют в корпусе винтом 3 в положении, когда удлинитель 2 касается длинного плеча рычага 6.

При измерении твердости приставка перемещается вместе со штоком пресса (шток на чертеже не показан) вертикально по направлению к поверхности исследуемого образца. При соприкосновении с образцом шаровой опоры 23, выступающей из крышки обоймы 22, движение приставки прекращается. Наступает момент вдавливания шарика в образец под действием нагрузки, передаваемой через шток 12. Пружина 25 сжимается, штифт 11 скользит в пазу цилиндра 73, призма 19 нажимает на плечо рычага 6. Длинное плечо рычага толкает удлинитель 2 индикатора 5. Стрелка индикатора показывает глубину отпечатка шарика 24, в соответствии с которой по таблице рассчитывают твердость.

1 Опора23 изготовляетсяизстандартногошарика.

Негоризонтальность плоскости испытуемого образца компенсируется поворотом шаровой опоры 23 в пределах, предусмотренных конусностью ее отверстия.