Материал: ТКП-самостоятельная

Внимание! Если размещение файла нарушает Ваши авторские права, то обязательно сообщите нам

Задание № 20 Ленточная муфта

Выполнить сборочный чертеж муфты по рабочим чертежам ее деталей и описанию устройства. На главном виде сборочного чертежа зубчатое колесо 26 расположитьтак, чтобыегоосьбылагоризонтальна. Насборочном чертежемуфту изобразить в момент, когда фрикционная лента прижата к барабану. Масштаб сборочногочертежа1:2.

Прим еч ани е. Чертежи деталей 4, 15, 17, 18, 19, 20, 24, 25, 27 и 28 не даны: дет. 4 — фрикционная полоса из асбестовой тормозной ленты по ГОСТу 1198—69, 1396X75, толщиной 8; отверстиянамечаютсяподет.3; дет.15 — шплинтØ5X45,ГОСТ397—66*;дет.17 —болтМ12,ГОСТ 7798—70;дет. 18 — гайка М12, ГОСТ 5915—70;дет. 79—шайба пружинная 12, ГОСТ 6402-70;дет. 20

заклепкамедная(М3)5Х18—640, ГОСТ 10300—68*;дет.24 —шайбастопорная13, ГОСТ3693—52; дет. 25 —прокладкатолщиной 0,5мм по формеушкадет.23; материал—стальСт.3;16шт.;дет.27 — шпонка Б24Х 14X200, ГОСТ 8789—68; дет. 28 — масленка 1-А2, ГОСТ 1303—56*. Перечисленные детали (кроме дет. 4 и 25) надо найти по номеру ГОСТа в справочниках. Недостающие размеры стандартных деталей выбрать по таблицам ГОСТов, учитывая назначение этих деталей в сборочной единице; необходимое количество деталей установить самим. Обозначения стандартных деталей в спецификациисборочногочертежадолжныотвечатьусловнымобозначениям,принятымвГОСТах.

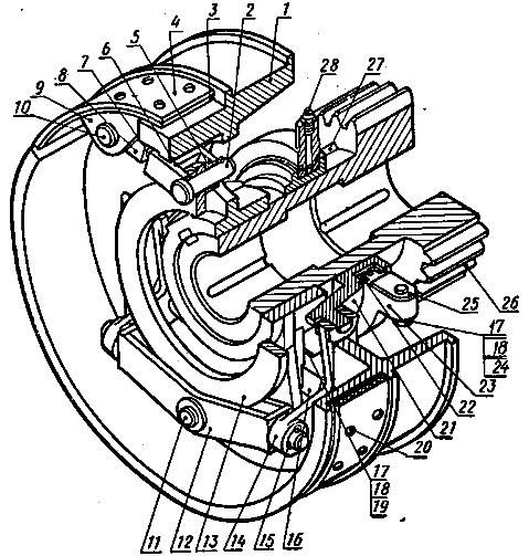
Устройство и работа муфты. Муфта служит для включения и отключения механизма хода бурового станка.

Зубчатое колесо 26 муфты насаживают на главный вал станка (чертеж вала не дается; на сборочном чертеже его следует показать как пограничную деталь).

На выступ Ø130Х3 зубчатого колеса надевают ползун 21 так, чтобы его цапфы 0 20Х4 были обращены в сторону, противоположную зубьям колеса. В кольцевой проточке ползуна Ø155Х3 помещают бронзовые вкладыши 22. Затем надевают два полухомута 23 и скрепляют болтами 17 с гайками 18 и шайбами 24, препятствующими самоотвинчиванию гаек. Между ушками полухомутов ставят прокладки 25 (по 8 шт. с каждой стороны). В отверстие полухомута ввертывают масленки 28.

На поверхность Ø125Н зубчатого колеса насаживают до упора барабан 7, обращенный фланцем Ø465 в сторону ползуна. Шпонка 27 предотвращает поворот барабана и ползуна относительно зубчатого колеса.

Ползун 21 системой рычагов, поводка и тяг связан с фрикционной лентой, проложенной в проточке Ø440 барабана 1. Лента сборная. Вдоль стальной ленты 3 с внутренней стороны на расстоянии 35 мм от конца ее в месте разъема по обе стороны приварены электросваркой по два ушка 9. Сварные швы типа Т1 имеют катеты 5 мм. Внутренний шов делается на половину длины в направлении от разъема ленты. Отверстия ушек обращены в стороны, противоположные разъему ленты. Каждая пара ушек по ширине ленты размещена симметрично с промежутком 32 мм. С наружной стороны к ленте 3 крепят заклепками 20 фрикционную полосу 4 из асбестовой ленты. Головки заклепок должны быть утоплены в полосе.

Собранную фрикционную ленту укладывают так, чтобы разъем ее оказался против выступа высотой 80 мм на барабане 1, а ушки ленты были прижаты к боковым стенкам выступа. В каждой паре ушек ленты на пальце 10 укрепляют шарнир 5, соединенный на резьбе с тягой 7. Другим концом одну тягу 7 соединяют резьбой с вилкой б, а вторую — с вилкой 5. При этом вилку 5 ушками вставляют в прорезь вилки 6. Между ушками вилки 5 помещают ушко поводка 13, и все эти детали соединяют пальцем 2. Другое ушко поводка 13 вставляют в коромысло 12 и соединяют с ним пальцем 11.

Двуплечие рычаги 14 пропускают сквозь окна на диске барабана 1. Вилкой 20А4 рычаг надевают на цапфы ползуна 21, а отверстием Ø20А4 на цапфы коромысла 12. На цапфы оси 16 поворота рычагов насаживают рычаги 14 отверстием Ø25А4. Ось 16 крепят к двум выступам на диске барабана, для чего на оси квадратного сечения выполнены два отверстия Ø13 на расстоянии 110 мм. Сквозь эти отверстия и соответствующие отверстия на диске барабана пропускают болты 17, крепят их гайками 18 с шайбами 19. Во всех осях рычажноповодковой системы предусмотрены отверстия для шплинтов 15.

Муфта работает следующим образом. Ползун 21 через хомут 23 связан с рычагом управления посредством вилки (чертежи на рычаг и вилку не даны) и может перемещаться вдоль зубчатого колеса 26. При этом рычаги 14, вращаясь вокруг оси 16, поднимают или опускают коромысло 12 вместе с поводком 13 и тягами 7, заставляя фрикционную ленту то прижиматься к барабану 1, то отжиматься от него. При отжатии от барабана лента прижимается к внутренней