Материал: Тестомесильная машина

Внимание! Если размещение файла нарушает Ваши авторские права, то обязательно сообщите нам

Выбор частоты вращения двигателя, рассчитав общее передаточное число. Рассчитаем общее передаточное число по формуле:

Uр = nдв./nл., (5.6)

где nдв. - частота вращения двигателя, об/мин;л. = 38 об/мин - частота вращения месильного органа;

Рассмотрим четыре варианта:

Частота вращения двигателя nдв.= 3000 об/мин:

р1= 3000/38 = 79

Частота вращения двигателя nдв.= 1500 об/мин

рI2= 1500/38 = 39

Частота вращения двигателя nдв.= 1000 об/мин

р3 = 1000/38 = 26

Частота вращения двигателя nдв.= 750 об/мин

р4 = 750/25 = 19

Передаточные отношения Uр. Удовлетворяют требованию, т.к. Up.≤ Uобщ. max. Т.к. тестомесильная машина ТМ-63М относится к тихоходным машинам, то мы выбираем двигатель с частотой вращения 1500 об/мин.

Расчетное общее передаточное отношение:

общ.= 39.

Определим передаточное число ременной передачи Uрем. если, Uобщ.= 39, при этом возьмем передаточное число зубчатой передачи Uз.= 3,15 [5, с.36], а цепной передачи Uц.= 4 [5, с.7].

рем.= Uобщ./Uз.· Uц.; (5.7)рем.= 39/3,15·4 = 3;

Примем стандартное значение Uрем.= 3,15 [5, c.7].

Определение номинальной частоты nном. и марки двигателя.

Мощность двигателя Nдв.= 5,5 кВт,

частота вращения двигателя nдв.= 1500 об/мин.

Марка двигателя [5, c.390, табл.П1]: асинхронный серии 4А112М4УЗ.

Скольжение S = 3,4% [5, c.390, табл.П1]

ном.= nдв.- S ·1%(от nдв.); (5.8)ном.= 1500-3,4·15 = 1449 (об/мин).

тестомесильный машина шпонка передача

Таблица 4.1 - Размеры электродвигателя серии 4А112М4

Габаритные размеры, мм

Установочные и присоединительные размеры, мм

L1

L2

D

d1

d2

l1

l2

l3

b

d

452

534

310

260

32

32

80

70

140

190

12


Рисунок 4.1 - Электродвигателя серии 4А112М4

Определение передаточного отношения передачи с учетом номинальной частоты вращения двигателя.

общ.= nном./nл.; (5.9)общ.= 1449/38 = 38.

Уточним передаточное число ременной передачи Uрем.:

рем.= Uобщ./Uц.· Uз., (5.10)

где Uц.= 4 - передаточное число цепной передачи;з. = 3,15 - передаточное число зубчатой передачи;

рем.= 38/4·3,15 = 3;

Примем стандартное значение Uрем.= 3,15 [5, c.7].

Определим общее передаточное число Uобщ. с учетом изменений:

общ. = Uрем.·Uц.·Uз.; (5.11)общ.= 3,15·4·3,15 = 40.

Определение частоты вращения и угловой скорости валов передачи по ступеням.

-ый вал:

= nном.=1449 об/мин;

ω1= π·n1/30;

ω1= 3,14·1449/30 = 152 (c-1).

где, n1- частота вращения первого вала;

ω1- угловая скорость первого вала.

-ой вал:

= n1/Uрем.; (5.12)= 1449/3,15 = 460 (об/мин).

ω2= ω1/Uрем.; (5.13)

ω2= 152/3,15 = 48 (c-1).

где, n2- частота вращения второго вала;

ω2- угловая скорость второго вала.

-тий вал:

= n2/ Uц;= 460/4 = 115 (об/мин).

ω3= ω2/ Uц.;

ω3= 48/4 =12 (c-1).

где, n3- частота вращения третьего вала;

ω3- угловая скорость третьего вала;

-ый вал:= n3/ Uз.;= 115/3,15 = 37 (об/мин).

ω4= ωIII/ Uз.;

ω4= 12/3,15 =3,8 (c-1).

Определение мощности на валах:

-ый вал:

N1= Nвх;= 5,1 (кВт).

-ой вал:

N2= NI ·ηрем.; (5.14)= 5,1·0,97 = 4,9 (кВт).

-ий вал:

N3= N2 · ηц.;= 4,9·0,93 = 4,6 (кВт).

-ый вал:

N4= N3 · ηз;= 4,6·0,95 = 4,3 (кВт).

Определение вращающего момента на валах.

-ый вал:

T1= PI/ω1; (5.15)= 5,1/152 = 0,033 (кН·м).

-ой вал:

T2= P2/ω2;

T2= 4,9/48 = 0,1 (кН·м).

3-ий вал:

T3= P3/ω3;

T3= 4,6/12 = 0,38 (кН·м).


T4= P4/ω4;

T4= 4,3/3,8 = 1,13 (кН·м).

Таблица 4.2 - Параметры передачи

№ вала

Частота вращения

Угловая скорость

Мощность

Вращающий


n (об/мин)

ω (с-1)

N (кВт)

момент Т (кН·м)

1

1449

152

5,1

0,033

2

460

48

4,9

0,1

3

115

12

4,6

0,38

4

37

3,8

4,3

1,13

5. РАСЧЕТ КЛИНОРЕМЕННОЙ ПЕРЕДАЧИ

5.1 Выбор сечения ремня

Зная мощность на входе Nвх.= 5,1 кВт (табл. 5.2) и номинальную частоту вращения на ведущем валу n1 = 1449 об/мин (табл. 5.2) выбираем тип ремня: А [5, c.134, рис.7.3]. Вращающий момент на ведущем шкиву Т1 =33 Н·м.

Определение диаметра первого шкива.

 (5.1.1)

(мм)

Принимаем по ГОСТу 17383-73 d1=125 мм [5, c.132, табл.7.8]

Определение диаметр второго шкива.

= d1·Uрем.·(1-ε), (5.1.2)

где ε = 0,01- 0,03 [5, с.120]- регулируемое натяжение ремня;рем.= 3,15- передаточное число ременной передачи;

= 125·3,15·(1-0,01) = 390 (мм).

Принимаем по ГОСТу 17383-73 d2= 400 мм [5, c.133, табл.7.8]

Уточняем передаточное отношение ременной передачи Uрем..

рем.= d2/d1·(1-ε); (5.1.3)рем.= 400/125·(1- 0,01) = 3,2.

Отклонение от нужного передаточного числа не должно превышать 4%

Вычислим отклонение:

ΔU= ((3,2-3,15)/3,2))·100% = 1,5%

Отклонение не превышает 4%, следовательно выбранные диаметры шкивов подходят.

Определение межосевого расстояния.

amin= 0,55·(d1 + d2) + To; (5.1.4)

amax= d1 + d2, (5.1.5)

где То= 8 - высота для ремня типа А [5, c.131, табл.7.7];

= 0,55·(125 + 400) + 8 = 298 (мм);= 125 + 400 = 525 (мм).

Примем a = 300 мм.

Определение длины ремня.

Lp = 2·a + 0,5·π·(d1 + d2) + (d2-d1)2/4·a; (5.1.6)= 2·300+0,5·3,14·(125+400)+((400-125)2/4·300)=1487,3 (мм).

Полученный результат округлим до стандартного значения: Lp=1500 мм [5, c.131, табл.7.7].

Уточнение межосевого расстояния по длине ремня.

, (5.1.7)

где

W= 0,5·π·(d1 + d2); (5.1.8)= (d2-d1)2; (5.1.9)= 0,5·3,14·(125+400) = 824,3;= (400-125)2 = 75625;

(мм).

Таблица 5.1 - Размеры клинового ремня с сечением А

lр, мм

W, мм

Tо, мм

Площадь поперечного сечения ремня, A, мм2

Длина ремня Lp, мм

13

8

81

560-4000


Рисунок 5.1 - Клиновой ремень с сечением А

Определение угла обхвата ведущего звена:

α1 = 180-57·(d2-d1)/a (5.1.10)

α1 = 180-57·((400-125)/722) = 158,3o

Определение числа ремней:

z = N·Cp/Po·Cl·Cα·Cz, (5.1.11)

где N = N вх.= 5,1 кВт - мощность на входе;

Ср= 1,2 [5, с.136, табл.7.10] - коэффициент режима работы;

Ро= 2,19 [5, с.132, табл.7,8] - мощность для передачи одним ремнем типа А;= 0,93 [5, с.135, табл.7.9] - коэффициент длины ремня;

Cα = 0,89 [5, с.135] - коэффициент угла обхвата;= 0,95 [5, с.135] - коэффициент учитывающий число ремней в передачи;

= 5,1·1,2/2,19·0,93·0,89·0,95 = 3,5

Округлим до целого значения: z = 4

Определение натяжения ветви ремня:

Fo= (850·P·Cp·CL/z·V·Cα)+Ø·V2, (5.1.12)

где Ø = 0,1 [5, с.136] - коэффициент учитывающий центробежную силу;- скорость ремня;

V = π·n1·d1/30·2, (5.1.13)

где nI= 1449 об/мин - частота вращения первого вала;=125 мм - диаметр меньшего шкива;

V = 3,14·1449·125·10-3/30·2 = 9,5 м/с;= (850·5,1·1,2·0,93/4·9,5·0,89)+0,1·9,52 = 152 (Н).

Определение силы действующей на вал:

FB= z·2·Fo·sin(α1/2), (5.1.14)

где α1 =158,3о - угол обхвата ведущего звена;= 4 - число ремней;= 152 (Н) - натяжение ветви ремня;

= 4·2·152·sin(158,3/2) = 1194 (Н).

Размеры шкива:

Определение ширины шкива.

= (z-1)·e+2·f, (5.1.15)

где z = 4 - число ремней;,f - размеры канавок в зависимости от типа ремня А, представленные в таблице 5.1.2;

= (4-1)·15+2·10 = 65 мм

Таблица 5.2 - Размеры канавки шкивов клиноременной передачи для ремня с сечением А

lр, мм

h, мм

f, мм

e, мм

11.0

13

8

81


Рисунок 5.2 - Канавки шкивов клиноременной передачи

5.2 Расчет цепной передачи

Цепная передача расположена между ременной передачей и зубчатой передачей. Мощность на втором валу N2 = 4,9 кВт (табл. 5.2), частота вращения ведущей звездочки n2 = 460 об/мин (табл. 5.2), ведомой n3= 115 об/мин (табл. 5.2), Т2 = 100·103 Н·мм (табл. 5.2).

Выбираем цепь приводную, одноступенчатую, роликовую и определяем шаг цепи по формуле:

t = 2,8 · , (5.2.1)

где Кэ - коэффициент эксплуатации

Кэ = Кд· Ка· Кн · Кр· К см· Кп;; (5.2.2)

Кд = 1,25 [5, с.152] - коэффициент, зависящий от характера нагрузки (при умеренной ударной нагрузке);

Ка = 1 [5, с.152] - коэффициент, учитывающий влияние межосевого расстояния;

Кн = 1 [5, с.152] - коэффициент, учитывающий наклон цепи;

Кр = 1,25 [5, с.152] - коэффициент натяжения цепи при периодическом натяжении;

Ксм = 1,5 [5, с.152] - коэффициент смазки (при периодической смазке);

Кр = 1,2 [5, с.152] - коэффициент, учитывающий сменность работы (при работе в две смены);

Кэ=1,25· 1· 1· 1,25· 1,5· 1,2 = 2,81

- число зубьев ведущей звездочки

= 31 - 2U, (5.2.3)

где U = 4 (п. 5) - передаточное число цепной передачи;

=31 - 2 · 4=23= z1 · U (5.2.4)= 23 · 4 = 92

[N] - допускаемое давление, принимаем ориентировочно [5, c.150, табл.7.18] в зависимости от частоты вращения ведущей звездочки nII. [N] = 23 МПа;= 1- число рядов в цепи;

=мм;

Выбираем ближайшее стандартное значение шага t = 25,4 мм [5, с.147, табл.7,15].

В зависимости от шага принимаем параметры цепи, указанные в таблице 5.3.

Таблица 5.3 - Параметры цепной передачи

t, мм

Bвн, мм

d, мм

d1, мм

h, мм

Q, кН

q, кг/м

Аоп, мм2

25,4

15,88

7,95

15,88

24,2

39

60,0

2,6

179,7


где Аоп - проекции опорной поверхности шарнира;- разрешающая нагрузка;- интенсивность нагрузки;

Проверка цепи по двум показателям:

а) по частоте вращения [5, с.149, табл.7.17]: шаг t = 25,4 мм, [n] = 800 об/мин.

Условие надежной работы:  (25,4 < 800) - выполняется;

б) по давлению в шарнирах [5, с.150, табл.7.18]: шаг t = 25,4, n = 460 об/мин, [р]= 18 МПа. Если z1 ≠ 17, то вносим поправку и рассчитываем:

 (5.2.5)

[р]пров= = 19,08 МПа.

Определение действительного давления в шарнирах:

р =, (5.2.6)

где Ft - окружная сила;= (5.2.7)= (5.2.8)=4,5 м/с= = 1178 Н

р = = 18,4 МПа

Условие надежной работы: р ≤ [р] (18,4 < 19,08) - выполняется.

Определение числа звеньев в цепи:

=2· at + 0,5· z∑+, (5.2.9)

где at - число шагов межосевого расстояния;

=  (5.2.10)

а =40t=40

∑ - суммарное число зубьев звездочек;

∑ = z1+ z2 (5.2.11)

z∑ = 23 + 92 = 115

Поправка:

Δ=  (5.2.12)

Δ = = 11= 2· 40 + 0,5· 115 +  = 143,5.

Округляем до целого числа в большую сторону L = 144.

Уточнение межосевого расстояния:

а =  (5.2.13)

а = мм.

Для свободного провисания цепи предусматриваем уменьшение межосевого расстояния на 0,04%, т.е. 1062 · 0,0004 = 0,4 мм.

Определение диаметров делительных окружностей звездочек:

д1 =  (5.2.14)д2 =  ммд2 =

dд2 = (мм)

Определение диаметров наружных окружностей звездочек:

=  (5.2.15)

- диаметр ролика цепи (Табл. 5.2.1);

De1 = (мм)= (5.2.16)=(мм)

Определение сил, действующих на цепь:

центробежная сила Fv:

= q · V2 (5.2.17)= 2,6 · 4,52 = 52,7 (Н)

сила от провисания цепи Ff:

= 9,8 · Kf · q · a, (5.2.18)

где Kf = 1,5 - коэффициент, учитывающий расположение цепи (для наклонной цепи);
= 9,8· 1,5· 2,6 · 1,062 = 40,5 (Н)

расчетная нагрузка на валы Fb:

= 2· Ff + Ft; (5.2.19)= 2· 40,5 + 1178 = 1259 Н.

Рисунок 5.3 - Схема цепной передачи

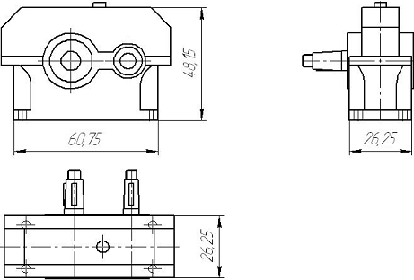
6. ВЫБОР РЕДУКТОРА

По кинематической схеме имеем зубчатую передачу в качестве, которой выбираем одноступенчатый вертикальный редуктор с цилиндрическими колесами.

Передаточное число которого Uз.= 3,15 (из п.5). Вращающий момент на выходе редуктора Т4= 1,13 кН·м (табл. 5.2). В зависимости от вращающего момента на тихоходном валу и передаточного числа выбираем редуктор марки ЦУ - 160 - 3,15 - У [2, с.634, табл.9], где расстояние между зубчатыми колесами а = 160 мм. Данный редуктор представлен на рисунке 6.1.

Рисунок 6.1 - Одноступенчатый вертикальный редуктор с цилиндрическими колесами марки ЦУ - 160 - 3,15 - У

7. ПРОЧНОСТНОЙ РАСЧЕТ ШПОНКИ

Для соединения вала с деталями, передающими вращение, часто применяют призматические шпонки. При проектировании тестомесильной машины ТМ-63М призматическую шпонку можно использовать для соединения тестомесильной лопасти и вала.