Материал: Тестомесильная машина

Внимание! Если размещение файла нарушает Ваши авторские права, то обязательно сообщите нам

Тестомесильная машина

ВВЕДЕНИЕ

Оборудование для смешивания пищевых сред - ведущее в технологических линиях производства пищевых продуктов путем сборки из компонентов сельскохозяйственного сырья. Процессы в этом оборудовании во многом определяют эффективность последующих процессов и формируют качество готового продукта.

Смешивание - это механический процесс равномерного распределения частиц отдельных компонентов во всем объеме смеси под действием внешних сил.

Оборудование для смешивания предназначено для получения однородных смесей двух или нескольких компонентов, обеспечения однородной консистенции при хранении, а также ускорения тепло- и массообмена в процессе производства продуктов.

Смешивание осуществляется сжатым воздухом или паром; во вращающемся резервуаре смесителя; быстро вращающимися рабочими органами (лопасти, винты, ножи, шнеки); пропусканием массы под давлением через сопла и щели; ультразвуком или гидродинамическим эффектом и др.

Для смесителя конфигурацию и форму лопастей выбирают, учитывая состояние перемешиваемой массы, ее объем, толщину слоя, производительность, соотношение смешиваемых компонентов, степень однородности, способ загрузки и выгрузки продукта, требования технологии.

Эффективность смешивания оценивают таким показателем, как однородность полученной смеси, а для количественной оценки используют коэффициент неоднородности. Практически однородной считается смесь, в которой содержание компонентов в любом ее объеме не отличается от заданного содержания для всей смеси.

На эффективность смешивания влияют плотность исходных компонентов, гранулометрический состав (форма, размеры, дисперсионное распределение по степени крупности для неоднородных компонентов) частиц компонентов смеси, влажность компонентов, состояние поверхности частиц, силы трения и адгезии поверхностей частиц и т.д.

В различных отраслях пищевой промышленности возникает необходимость в перемешивании жидких продуктов: для смешивания двух или нескольких жидкостей, сохранения определенного технологического состояния эмульсий и суспензий, растворения или равномерного распределения твердых продуктов в жидкости, интенсификации тепловых процессов или химических реакций, получения или поддержания определенной температуры или консистенции жидкостей и т. д.

Смешивание пищевых продуктов осуществляется в смесителях следующих типов: шнековых, лопастных, барабанных, пневматических (сжатым воздухом) и комбинированных.

Перемешивающие аппараты классифицируются:

по назначению: для смешивания, растворения, темперирования и т.д.;

по расположению аппарата: вертикальные, горизонтальные, наклонные, специальные,

по характеру обработки рабочей среды: смешивание одновременно во всем объеме, в части объема и пленочное смешивание;

по характеру движения жидкости в аппарате: радиальное, осевое, тангенциальное и смешанное;

по принципу действия: механические, пневматические, эжекторные, циркуляционные и специальные;

по отношению к тепловым процессам: со стеночной поверхностью теплообмена, с погружной поверхностью теплообмена и без использования тепловых процессов.

Для тонкого измельчения и перемешивания мясного сырья используют куттер-мешалку. Кусковые вязкие и вязкопластичные продукты (муку, мясо, мясной фарш, творожно - сырковую массу) перемешивают шнеками, лопастями в барабанных и других смесителях. Жидкие продукты (молоко, сливки, сметана и др.) перемешивают в емкостях лопастными, пропеллерными и турбинными мешалками.

Для замеса теста применяются различные тестомесильные машины. Каждая тестомесильная машина состоит из трех основных элементов: емкости для замеса теста, месильного органа и его привода. В данной курсовой работе рассмотрим тестомесильную машину ТМ-63М.

1. АНАЛИЗ СОВРЕМЕННОГО СОСТОЯНИЯ СМЕСИТЕЛЬНЫХ МАШИН

Тестомесильные машины разделяют на машины периодического и непрерывного действия.[1, с.598]

Рисунок 1.1 - Схемы тестомесильных машин периодического действия с подкатными дежами: а - машины с наклонной осью месильной лопасти и поступательным круговым движением ее; б - машины с наклонной осью вращения месильной лопасти, выполненной в виде трубы с пространственной конфигурацией; в - машины с месильной лопастью, рабочий конец которой совершает криволинейное плоское движение по замкнутой кривой; г - машины с месильной лопастью, совершающей криволинейное пространственное движение по замкнутой кривой в виде эллипса; д - машины со спиралеобразной месильной лопастью, вращающейся вокруг вертикальной оси; е - машины с четырехпалой месильной лопастью, вращающейся вокруг вертикальной оси, и одной неподвижной вертикальной лопастью; ж - машины с горизонтальной цилиндрической или плоской лопастью, вращающейся вокруг вертикальной оси; з - машины с горизонтальной лопастью, вращающейся вокруг вертикальной оси и наклонной осью дежи

Машины периодического действия бывают с месильными емкостями (дежами)- стационарными (рис. 1.2) и сменными (подкатными) (рис. 1.1), а дежи - неподвижными, со свободными и принудительным вращением.

Рисунок 1.2 - Схемы тестомесильных машин периодического действия со стационарными емкостями: а - машины с горизонтальными и наклонными цилиндрическими месильными валами; 6 - машины со спаренными z-образными лопастями, вращающимися в разные стороны вокруг горизонтальной оси; в - машины с шарнирной z-образной месильной лопастью; г - машины с многоугольным ротором и витком шнека на дне емкости

По интенсивности воздействия рабочего органа на тесто тестомесильные машины разделяются на три группы:

обычные тихоходные (рабочий процесс не сопровождается нагревом теста);

быстроходные (рабочий процесс сопровождается нагревом теста на 5...7 °С);

супербыстроходные (замес сопровождается нагревом теста на 10.. .20 °С и требуется специальное водяное охлаждение корпуса камеры).

По характеру движения месильного органа различают машины с круговым, вращательным, планетарным и сложным плоским и пространственным движением месильного органа.

Тестомесильные машины непрерывного действия (рис. 1.3) разделяют на следующие группы:

однокамерные с горизонтальным валом и Т-образными месильными лопастями (рис. 1.3, а.);

одновальные с горизонтальным валом, на котором в начале месильной емкости размещены трапецеидальные плоские лопасти, а в конце - винтовой шнек, заключенный в цилиндрический корпус (рис. 1.3, б.);

одновальные с горизонтальным валом, на котором вначале размещен смесительный шнек, а затем радиальные цилиндрические лопатки (рис. 1.3, в.);

одновальные с горизонтальным валом, вначале которого закреплен пт тем дисковая диафрагма и четырехлопастный пластификатор (рис. 1.3. г.);

одновальные с горизонтальной осью вращения, на которой в цилиндрической камере смешения размещен шнековый барабан с независимым приводом, в конической камере на валу закреплены месильные прямоугольные лопатки, а на ее стенках неподвижные лопатки (рис. 1.3, д);

двухвальные с горизонтальными валами, на которых закреплены Т-образные месильные лопасти (рис. 1.3, е);

двухвальные с горизонтальными валами, вращающимися в разные стороны и закрепленными на них ленточными лопастями (рис. 1.3, ж).


Рисунок 1.3 - Схемы тестомесильных машин непрерывного действия

двухкамерные двухвальные, на валах которых закреплены винтообразные лопасти, образующие зоны смешения и замеса, а зона пластификации оборудована двумя четырехугольными звездочками, (рис. 1.3, з);

двухкамерные двухвальные, у которых имеется отдельная смесильная камера с приводом, а месильная камера с регулируемым приводом включает две зоны замеса: месильную, снабженную шнеками, и зону пластификации, рабочим органом которой являются кулаки (рис. 1.3, и);

с трехлопастным ротором, например тестомесильная машина системы Прокопенко (рис. 1.3, к);

с вертикальным цилиндрическим ротором, (рис. 1.3, л);

с дисковым ротором, на котором размещены кольцевые выступы, а в щели между ними входят с небольшим зазором кольцевые выступы корпуса (рис. 1.3, м).

2. ТЕХНИЧЕСКОЕ ОБОСНОВАНИЕ ВЫБОРА ТЕМЫ

В данной работе рассматривается одна из важнейших составляющих технологической линии любого хлебопекарного и кондитерского предприятия - тестомесильные машины.

Качество теста зависит от замеса, который осуществляется на тестомесильных машинах с различными техническими характеристиками и параметрами.

Правильность расчета этих параметров и правильность выбора машины с определенными техническими характеристиками для конкретного вида изделия определяют его качество.

Для замеса определенного вида теста необходимо выбирать машины с определенной частотой вращения лопасти из класса тихоходных, либо быстроходных машин. Частота вращения лопасти полностью зависит от расчета привода. В курсовом проекте рассмотрим тестомесильную машину ТМ-63М, предназначенную для замеса крутого теста. Данное оборудование относится к тихоходным машинам.

Также производительность линии зависит от производительности тестомесильной машины, входящей в ее состав, что определяет важность подбора тестомесильной машины с необходимой производительностью.

Выбор данного вида технологического оборудования обосновывается важностью места, занимаемого в составе технологической линии и влиянием параметров машины на качество готовой продукции.

3. ОПИСАНИЕ ТЕХНОЛОГИЧЕСКОГО ПРОЦЕССА И УСТРОЙСТВА ТЕСТОМЕСИЛЬНОЙ МАШИНЫ ТМ-63М

Тестомесильная машина ТМ-63М предназначена для замеса специального крутого теста для бараночных и некоторых мучных кондитерских изделий. Относится к тихоходным машинам (частота вращения месильного органа 38 об/мин) с двумя z-образными лопастями, которые при замесе периодически подвергают усиленному механическому воздействию отдельные порции теста.

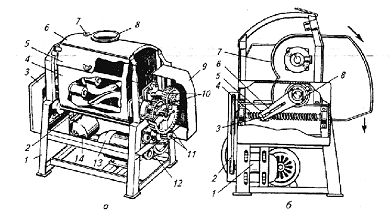
Месильная машина ТМ-63М с z-образными лопастями. Машина (рис. 3.1 а) состоит из станины 1, месильного корыта 4, двух z-образных месильных органов 2, крышки 6, привода месильных органов и приводного механизма для опрокидывания и возврата месильного корыта. Приводной механизм месильных органов состоит из электродвигателя 13, передающего через клиноременную передачу 12 и две пары цилиндрических косозубых шестерен 10 и 11 движение месильным органам, вращающимся с одинаковой частотой.

Технологический процесс происходит следующим образом. В крышке 6 находятся отверстия 7 и 8, служащие для загрузки жидких и сыпучих компонентов. Компоненты можно также загружать, подняв откидную плиту 5. Открывая ее, можно осуществлять контроль за процессом смешивания. Движущиеся части машины закрыты ограждениями 3 и 9. Электродвигатель 14 служит для привода поворотного механизма.

По окончании процесса смешивания корыто 7 (рис. 3.1, б) поворачивается на 90° вокруг оси 8 переднего месильного органа. Это происходит следующим образом. От электродвигателя 1 через ременную передачу 2 приводится в движение горизонтальный винт 4, на котором расположена гайка 5, снабженная пальцем 3. Палец входит в прорезь рычага 6, жестко соединенного с корытом 7. Горизонтальное перемещение пальца 3 вызывает вращательное движение рычага 7, а следовательно, и поворот корыта. Масса выгружается при открытии отключенных месильных органах.

Рисунок 3.1 - Месильная машина ТМ-63М с z-образными лопастями: а - общий вид; б - механизм выгрузки

Рабочий процесс характеризуется однотипностью воздействия на всех трех стадиях замеса. По этой причине хуже всего обстоит дело с организацией смешивания, т. е. первой стадии замеса, которая накладывается по времени на вторую стадию и удлиняет замес. Не совсем удобна выгрузка теста и зачистка от него месильной емкости. В конструктивном отношении применение открытых цепных и зубчатых передач на тестомесильной машине также нельзя признать удачным.[1, стр. 612]

Технические характеристики:

Производительность, кг/ч 900,

Продолжительность замеса, мин. 10-12,

Установленная мощность электродвигателя, кВт. - 5,1,

Частота вращения месильного органа, мин-1 38,

Масса одного замеса, кг. - 150,

Плотность перемешиваемого теста, кг/м3 - 1061,

Габаритные размеры, мм - 1520х850х1550,

Масса, кг. - 800.


Тестомесильная машина ТМ-63М является машиной периодического действия. Производительность определяется по формуле:

, (кг/с), (4.1)

где λ = 1 - коэффициент использования объема месильной камеры (т. е. месильная камера заполняется на весь объем - на 100%); τ з = 0,2 ч - время, необходимое для замеса крутого теста; τ в = 0,03 ч - время, необходимое для совершения вспомогательных операций; V - вместительность месильной камеры; ρ - плотность теста, кг/м3

Вместительность месильной камеры, рассчитывается по чертежу (Приложение 1), как:

= a b h, (4.2)

где a, b, h - длина, ширина, высота тестомесильной камеры, соответственно;

= 0,76 м;= 0,56 м;= 0,4 м;= 0,76 0,56 0,4 = 0 (4.3)

ρ = 1100 кг/м3 - плотность теста, кг/м3;

(кг/ч). (4.4)

По полученным данным, анализируя производительность тестомесильной машины Р3-ХТИ-3 - 950 кг/ч [1, с.613], можно судить о достаточно высокой производительности тестомесильной машины ТМ-63М. На фоне ряда недостатков рассматриваемой машины данный показатель является ее достоинством.

4. КИНЕМАТИЧЕСКИЙ РАСЧЕТ ПРИВОДНОГО МЕХАНИЗМА

а) Выбор электродвигателя

Определение к.п.д. передачи:

ηобщ.= ηрем. · ηц · ηз.., (5.1)

где ηрем.- к.п.д. ременной передачи;

ηц. - к.п.д. цепной передачи;

ηз. - к.п.д. зубчатой передачи;

ηобщ.- общий к.п.д. передачи;

ηрем.= 0,97 [5, с.5, табл.1.1]

ηц.= 0,93 [5, с.5, табл.1.1]

ηз.= 0,95 [5, c.5, табл.1.1]

ηобщ.= 0,97·0,93·0,95 = 0,86

Определение необходимой мощности двигателя:

вх.= N1/ηобщ., (5.2)

где N1- мощность, необходимая для вращения месильного органа при замесе теста, определяемая по формуле [1, с.614]:

N1 = 0,004·λ∙V·ρ·R·ω·g (5.3)

где V = 0,17 - вместительность месильной камеры, м3;

ρ = 1100 - плотность теста, кг/м3;= 0,1 - радиус вращения центра лопасти, м;

ω - угловая скорость месильного органа, рад/с, определяемая как:

ω = π·n / 30, (5.4)

где n = 38 об/мин- частота вращения месильного органа, выбранная из условия, что машина относится к классу тихоходных машин;

ω = 3,14·38 / 30 = 4 (с-1)= 0,004· 1 ∙0,17·1100·0,1·4·9,8 = 4,4 кВтвх.= 2,9 / 0,86 = 5,1 кВт

Подбор двигателя по требуемой мощности.

При мощности Nвх= 5,1 кВт подбираем двигатель трехфазный асинхронный серии 4А. Мощность двигателя Nдв.= 5,5 кВт [5, с.390, табл.П1]

Подбор частоты вращения двигателя.

Определение общего максимального передаточного отношения:

общ. max.= Uрем.·Uц.·Uз., (5.5)

где Uрем. - передаточное число ременной передачи;ц. - передаточное число цепной передачи;з. - передаточное число зубчатой передачи;

рем.= 2÷4 [5, c.7]

Uц.= 3÷6 [5, с.7]з.= 2÷6 [5, с.7]общ. max.= 4·6·6 =144