Материал: самара

Внимание! Если размещение файла нарушает Ваши авторские права, то обязательно сообщите нам

Проверяем подшипники (табл. 3.4) по наиболее нагруженной опоре (где эквивалентная нагрузка РЭ больше). Эквивалентные нагрузки подшипников, Н:

PЭС=(XVF+YF)kT∙kб;

PЭD=(XVFrD+YFaD) kT∙kб,

где V=1; X иY определяем по табл. П40; kб=1,3; kT =1. Расчетная долговечность подшипника, ч,

А-А

b

t1

y

z

x

 

 

Сr

 

3

10

6

 

 

 

 

L .

 

 

 

 

Lh=

 

 

 

 

 

P

 

 

60п

 

hTp

 

 

Э2

 

 

 

2

 

 

 

А

 

К

 

Л

 

Б

 

 

 

 

 

 

 

 

 

А

 

К

 

Л

 

Б

 

 

 

 

 

 

 

 

 

l2

l2

 

 

l3

 

Fв

RyC

 

Ft2

 

 

 

 

 

 

 

 

 

 

 

 

/2

 

 

 

D

 

Fвy

 

C

Fa2

 

 

 

F

2

 

 

 

 

 

d

 

 

 

 

 

 

вx

 

 

 

 

 

 

 

 

 

Fr2

RxD

 

 

RyD

 

 

 

RxC

 

 

 

 

 

 

 

 

 

 

 

 

 

My

Mx

Б-Б

b

t1

T2

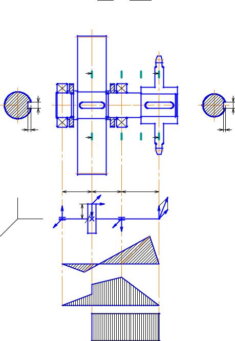
Р и с. 3.8. Расчетная схема тихоходного вала

40

3.7. КОНСТРУКТИВНАЯ КОМПОНОВКА ПРИВОДА

Цель конструктивной компоновки – конструктивное оформление деталей и узлов редуктора открытой передачи и рамы.

Конструктивная компоновка редуктора (рис. 3.9) выполняется на миллиметровой бумаге формата А1 карандашом в контурных линиях, желательно в масштабе 1:1. Шестерню чаще всего выполняют заодно с валом (вал – шестерня ). Конструктивные размеры колеса (рис. 3.10) приведены в табл. 3.5. Колеса небольших размеров (da<160 мм) изготовляют обычно из штампованных заготовок без углублений и отверстий. Шевронные колеса (рис. 3.11) отличаются от других цилиндрических колес увеличенной шириной. Для выхода зуборезной фрезы служит канавка шириной а (табл. 3.7).

Толщина диска C=(0,3…0,35)∙(b+a); длина ступицы lст=b+a.

 

3

 

l

1

2

l

l

1

2

l

l

o

 

l

aw

 

 

Р и с. 3.9. Пример конструктивной компоновки

 

цилиндрического редуктора

41

b

n•45

о

 

 

 

отв

 

 

 

 

 

 

 

d

 

C

 

 

 

 

 

 

 

 

 

 

 

 

 

 

 

 

 

 

 

 

 

 

 

 

 

 

 

 

 

 

 

 

 

 

 

 

 

 

 

 

 

 

 

a1

 

 

 

 

 

 

o

 

 

 

 

 

 

D

d

отв

l

 

 

 

ст

 

D

ст

 

 

 

d

 

 

 

в

 

 

 

 

 

 

 

d

 

 

 

 

 

Р и с. 3.10. Конструкция цилиндрического зубчатого колеса

Таблица 3.5

Конструктивные размеры колеса

 

 

Формулы

 

 

 

Параметр

Штампованная

 

 

Литье

Величина,

 

заготовка

 

 

 

 

 

 

мм

 

 

 

 

 

 

 

 

Диаметр вершин

da 500мм

 

 

 

da

500мм

 

зубьев

 

 

 

 

 

 

 

 

 

 

 

 

 

 

 

Диаметр ступицы

dст 1,6dв

 

 

 

стальных колес

 

 

 

 

 

 

 

 

 

 

 

 

 

Длина ступицы

lст 1...1,5 dв

 

 

Толщина обода

o 2,5...4 m, o

8мм

 

Толщина диска

С (0,2 0,3)b

 

 

C 0,2b

 

 

 

 

 

 

 

 

Диаметр центровой

Dотв

0,5(Do dст )

 

окружности

 

 

 

 

 

 

 

 

 

 

 

 

 

 

 

Диаметр отверстий

 

D

d

 

 

 

dотв

 

 

0

 

 

 

 

 

 

4

 

 

 

 

 

 

 

 

 

Фаска

n 0,5mс округлением до стандартного

 

 

значения (табл. 3.6)

 

 

 

 

 

 

Радиусы закруглений

R 6 мм, 7°

 

R 10мм, 7°

 

и уклоны

 

 

 

 

 

 

 

 

 

 

 

 

 

 

 

 

 

42

Таблица 3.6

Размеры фаски в зависимости от диаметра ступицы или обода

Диаметр

Свыше

Свыше

Свыше

Свыше

Свыше

Свыше

Свыше

Свыше

ступицы

20 до

30 до

40 до

50 до

80 до

120

до

150

до

250 до

или обода,

30

40

50

80

120

150

 

250

 

500

мм

 

 

 

 

 

 

 

 

 

 

 

 

 

 

 

 

 

 

 

 

 

Стандартный

 

 

 

 

 

 

 

 

 

 

размер фаски

1

1,2

1,6

2

2,5

3

 

4

 

5

n, мм

 

 

 

 

 

 

 

 

 

 

 

 

 

 

 

 

 

 

 

 

 

b +a

a

0.25m

С b/3

lст

Р и с. 3.11. Конструкция шевронного колеса

Таблица 3.7

Размеры канавки для выхода зуборезной фрезы в зависимости от модуля

m,

2

2,5

3

3,5

4

5

6

7

8

10

мм

 

 

 

 

 

 

 

 

 

 

a,

32

37

42

47

52

58

67

75

82

100

мм

 

 

 

 

 

 

 

 

 

 

Конструктивные размеры корпуса редуктора (рис. 3.12) приведены в табл. 3.8. При конструировании корпуса редуктора придерживаются установленных литейных уклонов (табл. 3.9), размеров элементов сопряжений (табл. 3.10) и фланцев (табл. 3.11). Для заливки масла и осмотра в крышкекорпусаделаютокно,закрываемоекрышкой(табл.3.12).

43

 

 

А

 

 

 

 

 

 

 

 

 

 

d1

 

1

d

 

 

 

 

d

 

.4

 

 

 

 

0

 

 

2

R

 

 

 

 

 

 

d5

 

m1

 

1

 

 

 

 

 

 

 

 

 

 

 

 

q

 

 

 

 

 

 

 

 

К2

 

 

 

б

 

С3

 

 

 

 

 

 

 

 

h

 

 

 

 

 

 

 

1

 

 

 

 

 

b

b

 

 

 

 

d3

 

 

 

 

 

 

 

d2

d1

 

 

H

 

aw

 

 

 

 

 

 

 

 

m

 

 

 

p

 

 

 

 

 

 

 

L

 

 

 

 

 

А

 

 

 

 

 

e

 

 

 

B

 

E

 

 

 

 

 

2

 

 

 

 

 

C

 

 

 

 

 

 

 

Rб

 

А-А

l

 

X

 

 

Y

Ro

 

 

к

 

D

 

1

 

D

 

4

К1

d

 

С1

 

D

h

Р и с. 3.12. Конструктивные элементы корпуса из чугуна (СЧ15, СЧ18)

В основании корпуса делаются отверстия под выбранный маслоуказатель (рис. 3.13) и сливную пробку (табл. 3.13).

Подшипники закрываются чугунными (СЧ15) глухими (табл. 3.14) и сквозными привертными крышками. В сквозных крышках делаются отверстия под манжетные уплотнения (табл. П42) и для прохода выходного конца вала (dв+1…2 мм). Для регулирования зазоров в подшипниках под фланец крышек устанавливается набор стальных прокладок (толщиной ≈ 1 мм).

44