Материал: самара

Внимание! Если размещение файла нарушает Ваши авторские права, то обязательно сообщите нам

Р и с. П11. Пример сборочного чертежа одноступенчатого цилиндрического редуктора типа ЦВ (вид сбоку с разрезом по осям валов)

230

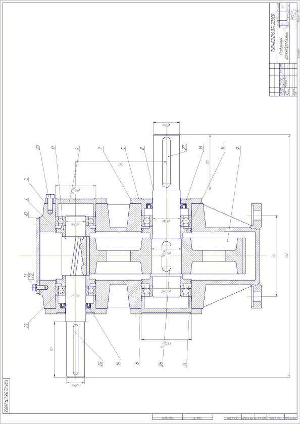
Р и с. П12. Пример сборочного чертежа одноступенчатого цилиндрического шевронного редуктора типа Ц

(вид сверху без крышки)

231

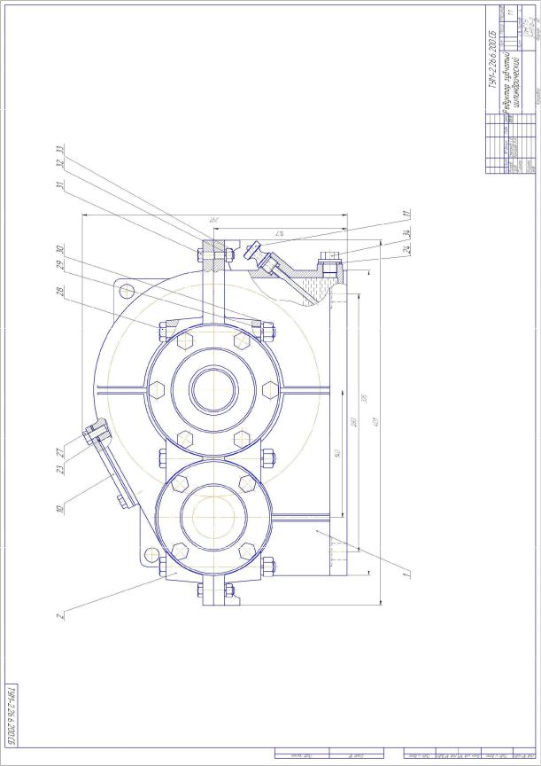
Р и с. П13. Пример сборочного чертежа одноступенчатого цилиндрического шевронного редуктора типа Ц (главный вид)

232

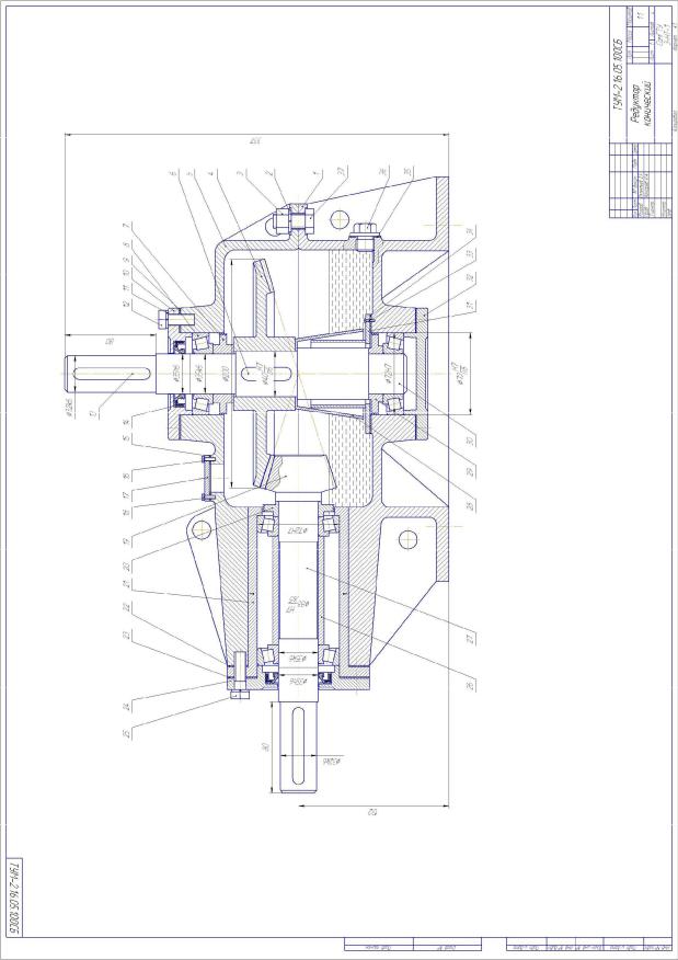
Р и с. П14. Пример сборочного чертежа одноступенчатого конического редуктора типа КТ (главный вид с разрезом по осям валов)

233

Р и с. П15. Пример сборочного чертежа одноступенчатого конического редуктора типа КТ (вид сверху)

234