Материал: самара

Внимание! Если размещение файла нарушает Ваши авторские права, то обязательно сообщите нам

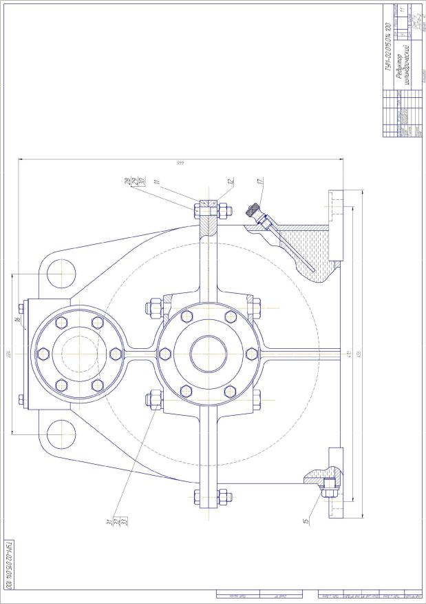
Р и с. П6. Пример сборочного чертежа одноступенчатого редуктора типа Ц (вид сверху без крышки)

225

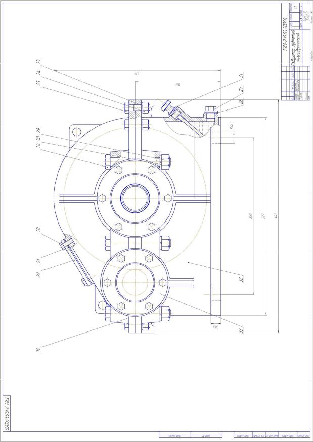
Р и с. П7. Пример сборочного чертежа одноступенчатого редуктора типа Ц (главный вид)

226

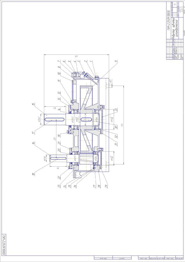
Р и с. П8. Пример сборочного чертежа одноступенчатого цилиндрического редуктора типа ЦБ (главный вид с разрезом по осям валов)

227

Р и с. П9. Пример сборочного чертежа одноступенчатого цилиндрического редуктора типа ЦБ (вид сверху)

228

Р и с. П10. Пример сборочного чертежа одноступенчатого цилиндрического редуктора типа ЦВ (главный вид)

229