Материал: Разработка схемы устройства для контроля цепи в действующей схеме энергоснабжения

Внимание! Если размещение файла нарушает Ваши авторские права, то обязательно сообщите нам

Разработка схемы устройства для контроля цепи в действующей схеме энергоснабжения

Содержание

Введение

. Общая часть

.1 Назначение устройства

1.2 Технические характеристики

1.3 Сравнение с аналогами

. Расчетно-конструкторская часть

2.1 Разработка структурной схемы

2.2 Выбор элементной базы

2.3 Разработка схемы электрической принципиальной. Принцип действия

2.4 Предварительный расчет надежности устройства. Полный расчет элемента схемы

3. Технологическая часть

3.1 Проектирование технологического процесса сборки

.2 Исходные данные

.3 Последовательность разработки

.4 Разработка системы контроля

.5 Назначение регулировки и организация рабочего места регулировщика

.6 Типизация технологических процессов (ТПП)

.7 Анализ технологичности конструкции

.8 Расчет норм времени

.9 Расчет расхода материала

.10 Расчет комплекта запасных элементов

.11 Расчет проведения профилактических работ

.12 Маршрут изготовления изделия

. Экономическая часть

. Пожарная безопасность и техника безопасности

.1 Характеристика вредных и опасных факторов на основных операциях

.1.1 Характеристика выделенных газов

.1.2 Характеристика тепловыделений и параметров микроклимата

.1.3 Характеристика шума

.1.4 Характеристика электрооборудования

.1.5 Характеристика условий зрительной работы

.2 Требования безопасности к рабочему месту

.2.1 Характеристика работ, выполняемых при изготовлении изделия

.2.2 Организация рабочего места

.3 Пожарная безопасность

.3.1 Возможные причины пожаров, взрывов

.3.2 Противопожарные мероприятия

Заключение

Список используемой литературы

Приложения

Введение

Вычислительная техника в наши дни достигла такого уровня развития, когда важнейшие общественные, административные и хозяйственные функции находятся в полной от нее зависимости.

Вообще широкое развитие систем автоматического управления и вычислительной техники связано с их большим практическим значением.

В космонавтике, ядерной физике, вычислительной техники, кибернетике и во многих других отраслях широко применяют средства радиоэлектроники. Рост масштабов и сложность задач, постоянное функциональное усложнение радиоаппаратуры потребовали снижения трудоемкости в производстве, повышения производительности труда.

Последние достижения в области физики и технологии полупроводников привели к внедрению новой элементной базы, печатного монтажа, развитию микроэлектроники. За короткий исторический срок современная микроэлектроника стала одним из важнейших направлений развития приборостроения, так как позволяет создавать электронные устройства, системы с малыми размерами и массами, с меньшей потребляемой мощностью, большей надежностью и возможностью внедрения автоматизации в процессе их изготовления.

Электроника стала основой электронно-вычислительных машин, которые оказывают неоценимую помощь в решении многих современных научных и технологических проблем.

Дальнейшее развитие радиоаппаратуры обусловлено совершенствованием элементной базы и разработанной на ее основе ЭВМ пятого поколения, быстродействие которых уже достигло 10 млрд. операций в секунду.

Внедрение средств вычислительной техники во все отрасли народного хозяйства требует большого числа высококвалифицированных специалистов различных профилей. Подготовка таких специалистов приобретает особо важное значение, ведь в решении указанных задач большое место принадлежит работникам приборостроительных специальностей, в том числе и техникам-электроникам.

Серьезная роль в деле подготовки квалифицированных специалистов в области производства и эксплуатации вычислительных машин принадлежит средне-специальным учебным заведениям.

В данном дипломном проекте разрабатывается «схема устройства для контроля цепи в действующей схеме энергоснабжения»

В первом разделе представлены технические условия (характеристики), сравнение с аналогами, назначение устройства.

Во втором разделе разработаны: конструкторская документация, произведен предварительный расчет надежности, электрический расчет выходного каскада на транзисторе VT1.

В третьем разделе разработан комплект технологической документации, произведены расчеты норм времени и расхода материалов, и другие расчеты.

В четвертом и пятом разделах представлены экономическая часть и техника безопасности.

1.  
Общая часть

.1   Назначение устройства

Устройство для контроля в действующей схеме энергоснабжения состоит из двух основных блоков: генератора одиночных импульсов (ГОИ) и индикатора прохождения тока (ИПТ).

ГОИ и ИПТ позволяют, не отключая сеть, разобраться в схеме электроснабжения.

Методика контроля сети очень проста. Подключив генератор к нулевому и фазному проводу, его включают. В проводах возникают мощные импульсы тока, которые легко наблюдаются индикатором (ИПТ) по вспыхиванию светодиода. Перемещая индикатор по схеме электрической проводки, можно легко определить нужную цепь автоматов, предохранителей и т.д.

.2   Технические характеристики

1)   Напряжение питания микросхем - 5 В;

2)      Напряжение питания транзистора - 24 В;

)        Частота генератора одиночных импульсов - 10 Гц или 1 Гц.

.3 Сравнение с аналогами

В качестве сравнения с аналогами можно взять клещи токоизмерительные КТ-1.

Цифровые токоизмерительные клещи КТ-1 предназначены для кратковременного измерения силы переменного тока синусоидальной формы частотой 50 Гц без разрыва токовой цепи с номинальным напряжением до 650 В.

Размер окна магнитопровода обеспечивает охват проводника с наружным диаметром не более 35 мм или шины размерами не более 20х50 мм.

В качестве отсчетного устройства в приборе применен светодиодный индикатор с низким токопотреблением. Яркое свечение и высокая контрастность индикатора (высота цифр 14 мм) обеспечивают качественное отображение измеряемой величины в условиях с недостаточной внешней освещенностью.

В данной модели реализована функция удержания показаний, позволяющая производить измерения в труднодоступном месте, когда не возможно непосредственно считать показания прибора в момент измерения. Расположение органов управления обеспечивает переключение необходимых режимов одной рукой. Питание прибора осуществляется от четырех элементов типа А316.

Технические характеристики прибора приведены в таблице 1.1.

Таблица 1.1 - Технические характеристики клещей токоизмерительных КТ-1

Диапазон измерения переменного тока

1-500 А

Пределы измерения

200 А, 500 А

Основная погрешность

2,5 %

Ток потребления от элементов питания

не более 30 мА

Диапазон рабочих температур

- 10 - + 40 °С

Масса (без элементов питания)

0,5 кг

Габаритные размеры

256х110х44 мм


Внешний вид клещей токоизмерительных КТ-1 представлен на рисунке 1.1.

Рисунок 1.1 - Клещи токоизмерительные КТ-1.

2. Расчетно-конструкторская часть

контроль энергоснабжение устройство

2.1 Разработка структурной схемы

Рисунок 2.1 - Схема электрическая структурная.

Назначение блоков:

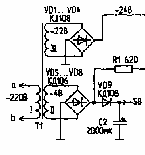
Блок питания - обеспечивает стабилизированным напряжением электрическую схему.

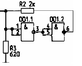
Формирователь импульсов f=100 Гц - предназначен для формирования импульсов частотой 100 Гц.

Делитель частоты на 10 Гц - используется для деления частоты на 10 Гц.

Делитель частоты на 100 Гц - используется для деления частоты на 100 Гц.

Переключатель частоты 10 Гц или 1 Гц - используется для переключения частоты с 10 Гц на 100 Гц, и наоборот.

Коммутатор импульсов - предназначен для выработки импульсов.

Обмотки трансформатора - используется для подачи тока управления на симмистор.

Симмисторный ключ - предназначен для включения импульсов частотой 1 Гц или 100 Гц.

Индикатор частоты импульсов - предназначен для отображения частоты импульсов.

.2 Выбор элементной базы

1) Блок питания реализуем на элементах диод серии КД108, диод серии КД106А, резистор серии МЛТ, трансформатор ТП154-3-1, конденсатор серии К50-68.

Рисунок 2.2 - Составные элементы блока питания

Характеристики элементов:

a) Диод серии КД108.

Электрические параметры:

Iпр.=0,3 А;

Uпр.=1 В;

Uобр.=100 В;

Iобр.=0,005 А.

б) Диод серии КД106А.

Диод кремниевый, диффузионный. Выпускается в пластмассовом корпусе с гибкими выводами. Тип диода и схема соединения электродов с выводами приводятся на корпусе.

Масса диода не более 1 г.

Рисунок 2.3 - Размеры диода серии КД106А

Таблица 2.1 - Электрические параметры диода серии КД106А

Постоянное прямое напряжение при Iпр.=300 мА, не более:

Т= +250С и Тмакс

Т= -600С

1,5 В

Постоянный обратный ток при Uобр.=100 В, не более:

Т= -60…+250С

10 мкА

Т=Тмакс

100мкА

Время обратного восстановления, не более

0,45 мкс

типового значения

0,385 мкс

Предельные эксплутационные данные:

Постоянное и импульсное обратное напряжение

100 В

Постоянный прямой или средний выпрямленный ток:

при Т= -60…+700С

300 мА

при Т= Тмакс

100 мА

Импульсный прямой ток при tи≤500 мкс, f≤200 Гц:

Т= -60…+700С

3 А

Т=Тмакс

1 А

tи≤100 мс, Q>1000

3 А

Средняя рассеиваемая мощность:

при Т= -60…+700С

750 мВт

при Т=Тмакс

100 мВт

Частота без снижения электрических режимов:

синусоидального напряжения

30 кГц

меандра с tф≥ 1 мкс

10 кГц

Тепловое сопротивление переход - среда

1400С/Вт

Температура окружающей среды

60…+850С


Диод допускает разовые перегрузки импульсами обратного тока не свыше 3 А, длительностью не более 50 мкс.

Допускается применение диода в режиме меандра с длительностью фронта переключения не менее 1 мкс на частотах 50 кГц.

Допускается параллельное соединение диодов при условии обеспечения отсутствия перегрузки диодов по прямому току, а также последовательное соединение при условии, что обратное напряжение на каждом диоде не превысит допустимого значения.

в) Резистор МЛТ.

Номинальная мощность = 0,5 Вт.

Диапазон номинальных сопротивлений = 1,0*5,1*106

Диапазон номинальных сопротивлений до 10*106 Ом:

от - 60 до + 10 ±1200;

от + 20 до + 125 ±600.

Уровень собственных шумов мкВ/В = 5Дб.

R1 - 620 Ом.

Предельные эксплуатационные данные:

Температура окружающей среды ,ºС от - 60 до + 70.

Минимальная наработка ,ч = 25000.

Срок сохраняемости , лет = 15.

г) Трансформатор ТП154-3-1.

Рисунок 2.4 - Внешний вид трансформатора ТП154-3-1

Таблица 2.2 - Параметры трансформатора ТП154-3-1

Типоразмер

1008

Размеры, мм

2.5 x 2 x 1.6

Конструкция

Проволочные, намотка на ферритовом сердечнике, изолированные, для поверхностного монтажа

Диапазон номинальных значений, мкГн

0.01 - 100

Ряд номинальных значений

Е6

Диапазон рабочих частот, МГц

7 - 680

Диапазон рабочих токов, мА

45 - 450

Диапазон рабочих температур, оС

-40 ... +100


д) Конденсатор серии К50-68.

Конденсатор серии К50-68 является алюминиевым оксидно-электролитическим, радиального типа.

Рисунок 2.5 - Внешний вид конденсатора серии К50-68

D, мм

А, мм

d, мм

5 ... 8

2.5

0.6

10

5

0.6

12 ... 14

5

0.8

16 ... 21

7.5

0.8

25 ... 32

12.5

0.8


Рисунок 2.6 - Размеры конденсатора серии К50-68.

Конденсатор серии К50-68 предназначен для работы в цепях постоянного, пульсирующего тока и в импульсном режиме. Изготавливается во все-климатическом исполнении (В) и исполнении для умеренного и холодного климата.

Технические характеристики:

Диапазон номин. значений напряжений: 6.3 - 450 В

Диапазон номин. значений емкостей: 1 - 15000 мкФ

Точность (при 50 Гц, 20оС): -10 ... +50%, +/-20%

Ток утечки, I: при Cном.Vном <1000 мкКл 0.03 Cном.Vном

при Сном.Vном >= 1000 мкКл 0.02 Cном.Vном

Срок сохраняемости: 15 лет

Минимальная наработка:

до +85оС и Uном 1 000 ч

до +70оС и Uном 7 500 ч

до +55оС и Uном 10 000 ч

до +55оС и 0.8 Uном 15 000 ч

Диапазон раб. температур: -40 ... +85оС

) Формирователь импульсов f=100 Гц реализуем на элементах микросхема серии К155ЛА3, резисторах серии МЛТ.

Рисунок 2.7 - Составные элементы формирователя импульсов частотой 100 Гц.

Характеристики элементов: