Материал: Разработка единого технологического процесса обработки детали типа втулка

Внимание! Если размещение файла нарушает Ваши авторские права, то обязательно сообщите нам

Кv4 = 1 /2. стр 75 по карте 12/

Кv5 = 1.2 /2. стр 75 по карте 12/

V = 130*1.09*1*1*0.9*1*1.2=153 м/мин

Обработка поверхности 1

Назначаем частоту вращения шпинделя

 об/мин

Определяем мощность на резание /2. стр 76 по карте 12/

Nт=3.7 кВт

Время на обработку поверхности 4.

L = 2 + 20+ 2 = 24 мм

To1 = 24 ´ 1 / (0.48 ´ 696) = 0.07 мин

Точение поверхности 2 черновое и подрезка торца 3.

Инструмент: Инструмент: проходной упорный резец PTTR2020К6 ТУ 2-035-892-82 с механическим креплением пластины из твердого сплава Т15К6. Геометрия режущей части резца: j=90°; g=0°; l=0°; x=80°; r=1 мм. Сечение державки резца 25х25; блок инструментальный:АД.382.000.ТУ2.

Припуск на черновое точение 2.8 мм на диаметр, следовательно глубина резания будет равна t = 1.4 мм.

i = 1 проход

Назначаем подачу

Sт определяем подачу /2. стр 58 по карте 12/

Sт = 0.8 мм/об

 = Sт × Кs0× Кs1× Кs2× Кs3 × Кs4 × Кs5 × Кs6 /2. стр. 19/

Поправочные коэффициенты

Кs0 = 0.9 /2. стр 59 по карте 12/

Кs1 = 1.0 /2. стр 70 по карте 12/

Кs2 = 1 /2. стр 71 по карте 12/

Кs3 = 0.9 /2. стр 71 по карте 12/

Кs4 = 1.05 /2. стр 72 по карте 12/

Кs5 = 1 /2. стр 72 по карте 12/

Кs6 = 1 /2. стр 73 по карте 12/

So = 0.8*0.9*1.0*1.0*0.9*1.05*1*1=0.68 мм/об

При подрезании поверхностей по /2. стр 62 по карте 12/ коэффициент

Кv0×1.25 = 1.09 × 1.25 = 1.36

V = 130*1.36*1*1*0.9*1*1.2=191 м/мин

 об/мин

L = 2 + 115+ 2 = 119 мм

To1 = 119 ´ 1 / (0.68 ´ 870) = 0.15 мин

Точение поверхности 2 чистовое.

Назначаем подачу

Sт определяем подачу /2. стр 58 по карте 12/

Sт = 0.2 мм/об

 = Sт × Кs0× Кs1× Кs2× Кs3 × Кs4 × Кs5 × Кs6 /2. стр. 19/

Поправочные коэффициенты

Кs0 = 0.9 /2. стр 59 по карте 12/

Кs1 = 1.0 /2. стр 70 по карте 12/

Кs2 = 1 /2. стр 71 по карте 12/

Кs3 = 0.9 /2. стр 71 по карте 12/

Кs4 = 1.05 /2. стр 72 по карте 12/

Кs5 = 1 /2. стр 72 по карте 12/

Кs6 = 1 /2. стр 73 по карте 12/

So = 0.2*0.9*1.0*1.0*0.9*1.05*1*1=0.17 мм/об

Назначаем скорость резания

 = Vт*Кv1*Kv2*Kv3*Kv4*Kv5 /2. стр. 19/

По карте 12 /2. стр 62/ V = 210 м/мин

Кv0 - обрабатываемый материал

Кv1 - марка инструментального материала

Кv2 - главный угол в плане

Кv3 - способ получения заготовки

Кv4 - жесткость детали

Кv5 - наличие СОЖ

Кv0 = 1.09 /2. стр 62 по карте 12/

Кv1 = 1 /2. стр 73 по карте 12/

Кv2 = 1 /2. стр 74 по карте 12/

Кv3 = 0.9 /2. стр 75 по карте 12/

Кv4 = 1 /2. стр 75 по карте 12/

Кv5 = 1.2 /2. стр 75 по карте 12/

V = 210*1.09*1*1*0.9*1*1.2=247 м/мин

Назначаем частоту вращения шпинделя

 об/мин

Определяем мощность на резание /2. стр 76 по карте 12/

Nт=3.7 кВт

Время на обработку поверхности 4.

L = 2 + 85+ 2 = 89 мм

To1 = 89 ´ 1 / (0.17 ´ 1124) = 0.47 мин

Переход 3.

Растачивание поверхности 4 черновое. Снятие фаски 23.

Растачивание поверхности 5 черновое. Снятие фаски 23.

Растачивание поверхности 6, 7 черновое и чистовое, снятие фаски 22, 21, 28.

Тонкое растачивание поверхности 7

Инструмент: Инструмент: резец расточной с механическим креплением пластин из твердого сплава Т15К6 К.01.4982.000-11. Геометрия режущей части резца: j=95°; g=0°; l=0°; Сечение державки резца 25х25

Штангенциркуль ШЦ-II-0,1-250;

Припуск на черновое точение 2.8 мм на диаметр, следовательно глубина резания будет равна t = 1.4 мм.

i = 1 проход

Назначаем подачу

Sт определяем подачу /2. стр 58 по карте 12/

Sт = 0.2 мм/об

 = Sт × Кs0× Кs1× Кs2× Кs3 × Кs4 × Кs5 × Кs6 /2. стр. 19/

Поправочные коэффициенты

Кs0 = 0.9 /2. стр 59 по карте 12/

Кs1 = 1.0 /2. стр 70 по карте 12/

Кs2 = 1 /2. стр 71 по карте 12/

Кs3 = 0.9 /2. стр 71 по карте 12/

Кs4 = 1.05 /2. стр 72 по карте 12/

Кs5 = 1 /2. стр 72 по карте 12/

Кs6 = 1 /2. стр 73 по карте 12/

So = 0.8*0.9*1.0*1.0*0.9*1.05*1*1=0.17 мм/об

Назначаем скорость резания

 = Vт*Кv1*Kv2*Kv3*Kv4*Kv5 /2. стр. 19/

По карте 12 /2. стр 62/ V = 130 м/мин

Кv0 - обрабатываемый материал

Кv1 - марка инструментального материала

Кv2 - главный угол в плане

Кv3 - способ получения заготовки

Кv4 - жесткость детали

Кv5 - наличие СОЖ

Кv0 = 1.09 /2. стр 62 по карте 12/

Кv1 = 1 /2. стр 73 по карте 12/

Кv2 = 1 /2. стр 74 по карте 12/

Кv3 = 0.9 /2. стр 75 по карте 12/

Кv4 = 1 /2. стр 75 по карте 12/

Кv5 = 1.2 /2. стр 75 по карте 12/

V = 130*1.09*1*1*0.9*1*1.2=153 м/мин

Обработка поверхности 4

Назначаем частоту вращения шпинделя

 об/мин

Определяем мощность на резание /2. стр 76 по карте 12/

Nт=3.7 кВт

Время на обработку поверхности 4.

L = 2 + 55+ 2 = 59 мм

To1 = 59 ´ 1 / (0.17 ´ 1476) = 0.24 мин

Обработка поверхности 5

Назначаем частоту вращения шпинделя

 об/мин

Время на обработку поверхности 5.

L = 2 + 40+ 2 = 44 мм

To1 = 44 ´ 1 / (0.17 ´ 1282) = 0.2 мин

Обработка поверхности 6

Назначаем частоту вращения шпинделя

 об/мин

Время на обработку поверхности 5.

L = 2 + 10+ 2 = 14 мм

To1 = 14 ´ 2 / (0.17 ´ 1059) = 0.16 мин

Обработка поверхности 7

Назначаем частоту вращения шпинделя

 об/мин

Время на обработку поверхности 5.

L = 2 + 20+ 2 = 24 мм

To1 = 28 ´ 2 / (0.17 ´ 1015) = 0.32 мин

Чистовое точение

Припуск на черновое точение 1 мм на диаметр, следовательно

Глубина резания будет равна t = 0.5 мм.

i = 1 проход

Назначаем подачу

Sт определяем подачу /2. стр 111 по карте 17/

Sт = 0.1 мм/об

 = Sт × Кs0× Кs1× Кs2× Кs3 × Кs4 × Кs5 × Кs6 /2. стр. 19/

Поправочные коэффициенты

Кs0 = 0.9 /2. стр 59 по карте 17/

Кs1 = 1.1 /2. стр 70 по карте 12/

Кs2 = 1.25 /2. стр 71 по карте 12/

Кs3 = 1.0 /2. стр 71 по карте 12/

Кs4 = 1.0 /2. стр 72 по карте 12/

Кs5 = 1 /2. стр 72 по карте 12/

Кs6 = 1 /2. стр 73 по карте 12/

So = 0.1*0.9*1.1*1.25*1.0*1.0*1*1=0.12 мм/об

Назначаем скорость резания

 = Vт*Кv1*Kv2*Kv3*Kv4*Kv5 /2. стр. 19/

По карте 17 /2. стр 112/ V = 200 м/мин

Кv0 = 0.7 /2. стр 113 по карте 17/

Кv1 = 1 /2. стр 73 по карте 12/

Кv2 = 1 /2. стр 74 по карте 12/

Кv3 = 0.9 /2. стр 75 по карте 12/

Кv4 = 1 /2. стр 75 по карте 12/

Кv5 = 1.2 /2. стр 75 по карте 12/

V = 200*1*1*1*0.9*1*1.2=216 м/мин

Обработка поверхности 6

Назначаем частоту вращения шпинделя

 об/мин

Время на обработку поверхности 5.

L = 2 + 10+ 2 = 14 мм

To1 = 14 ´ 1 / (0.12 ´ 1495) = 0.08 мин

Обработка поверхности 7

Назначаем частоту вращения шпинделя

 об/мин

Время на обработку поверхности

L = 2 + 20+ 2 = 24 мм

To1 = 28 ´ 1 / (0.12 ´ 1433) = 0.16 мин

Тонкое точение поверхности 7

Припуск на черновое точение 1 мм на диаметр, следовательно

Глубина резания будет равна t = 0.5 мм.

i = 1 проход

Назначаем подачу

Sт определяем подачу /2. стр 111 по карте 17/

Sт = 0.08 мм/об

 = Sт × Кs0× Кs1× Кs2× Кs3 × Кs4 × Кs5 × Кs6 /2. стр. 19/

Поправочные коэффициенты

Кs0 = 0.9 /2. стр 59 по карте 17/

Кs1 = 1.1 /2. стр 70 по карте 12/

Кs2 = 1.25 /2. стр 71 по карте 12/

Кs3 = 1.0 /2. стр 71 по карте 12/

Кs4 = 1.0 /2. стр 72 по карте 12/

Кs5 = 1 /2. стр 72 по карте 12/

Кs6 = 1 /2. стр 73 по карте 12/

So = 0.08*0.9*1.1*1.25*1.0*1.0*1*1=0.1 мм/об

Назначаем скорость резания

 = Vт*Кv1*Kv2*Kv3*Kv4*Kv5 /2. стр. 19/

По карте 17 /2. стр 112/ V = 200 м/мин

Кv0 = 0.7 /2. стр 113 по карте 17/

Кv1 = 1 /2. стр 73 по карте 12/

Кv2 = 1 /2. стр 74 по карте 12/

Кv3 = 0.9 /2. стр 75 по карте 12/

Кv4 = 1 /2. стр 75 по карте 12/

Кv5 = 1.2 /2. стр 75 по карте 12/

V = 200*1*1*1*0.9*1*1.2=216 м/мин

Время на обработку поверхности 5.

L = 2 + 20+ 2 = 24 мм

To1 = 28 ´ 1 / (0.1 ´ 1433) = 0.20 мин

Переход 4.

Нарезание резьбы на поверхности 4.

Инструмент: Инструмент: токарный резьбовой резец с пластинами из твердого сплава ГОСТ 18885 - 73 2666-0023. Геометрия режущей части резца: j=30°; g=0°; l=0°; x=80°; r=1 мм. Сечение державки резца 25х25; блок инструментальный:АД.382.000.ТУ2.

i = 1 проход

Назначаем подачу

Sт определяем подачу /2. стр 58 по карте 12/

Sт = 0.4 мм/об

 = Sт × Кs0× Кs1× Кs2× Кs3 × Кs4 × Кs5 × Кs6 /2. стр. 19/

Поправочные коэффициенты

Кs0 = 0.9 /2. стр 59 по карте 17/

Кs1 = 1.1 /2. стр 70 по карте 12/

Кs2 = 1.25 /2. стр 71 по карте 12/

Кs3 = 1.0 /2. стр 71 по карте 12/

Кs4 = 1.0 /2. стр 72 по карте 12/

Кs5 = 1 /2. стр 72 по карте 12/

Кs6 = 1 /2. стр 73 по карте 12/

So = 0.4*0.9*1.1*1.25*1.0*1.0*1*1=0.5 мм/об

Назначаем скорость резания

 = Vт*Кv1*Kv2*Kv3*Kv4*Kv5 /2. стр. 19/

По карте 17 /2. стр 112/ V = 120 м/мин

Кv0 = 0.7 /2. стр 113 по карте 17/

Кv1 = 1 /2. стр 73 по карте 12/

Кv2 = 1 /2. стр 74 по карте 12/

Кv3 = 0.9 /2. стр 75 по карте 12/

Кv4 = 1 /2. стр 75 по карте 12/

Кv5 = 1.2 /2. стр 75 по карте 12/

V = 120*1*1*1*0.9*1*1.2=130 м/мин

Обработка поверхности 7

Назначаем частоту вращения шпинделя

 об/мин

Время на обработку поверхности .

L = 2 + 12+ 2 = 14 мм

To1 = 14 ´ 2 / (0.5 ´ 1254) = 0.04 мин

Общее время на токарную операцию.

Т общ = 2.09 мин

4. Нормирование операций

Расчет нормы времени по всем операциям. /10 прилож.5 стр 197/

Минимальный размер партии n = 47 (из предыдущих расчетов).

Токарная операция

Расчет технической нормы времени

При массе заготовки меньше 12 кг это время на установку детали в патроне с креплением ключом составляет tуст = 0.43 мин

Определение вспомогательного ручного времени

включить станок, выключить - 0,04 мин

открыть заградительный щиток - 0,03 мин

t в.оп = 0.04+0.03=0.07 мин

Вспомогательное ручное время на контрольные измерения.

tизм = 0.05 мин

Таким образом ручное вспомогательное время.

t в.р. = 0.43+0.7+0.05=0.55 мин

Расчет вспомогательного времени определяем по формуле

Tв = t в.р. * K tв=0.55*1=0.55

Расчет оперативного времени

Топ = To + Tв = 1.98 + 0.55=2.52 мин

Подготовительно заключительное время (карта 47)

Время на наладку станка 14 мин

Время на получение и сдачу инструмента 8 мин

Штучно - калькуляционное время

 мин

010 Токарная операция

Расчет технической нормы времени

При массе заготовки меньше 12 кг это время на установку детали ватроне с креплением ключом составляет tуст = 0.43 мин

Определение вспомогательного ручного времени

включить станок, выключить - 0,04 мин

открыть заградительный щиток - 0,03 мин

t в.оп = 0.04+0.03=0.07 мин

Вспомогательное ручное время на контрольные измерения.

tизм = 0.05 мин

Таким образом ручное вспомогательное время.

t в.р. = 0.43+0.7+0.05=0.55 мин

Расчет вспомогательного времени определяем по формуле

в = t в.р. * K tв=0.55*1=0.55

Расчет оперативного времени

Топ = To + Tв = 2.09+0.55=2.25 мин

Подготовительно заключительное время (карта 47)

Время на наладку станка 14 мин

Время на получение и сдачу инструмента 8 мин

Штучно - калькуляционное время

 мин

Шлифовальная операция

При массе заготовки меньше 8 кг это время составляет

tуст = 0.28 мин

Определение вспомогательного ручного времени

включить станок, выключить - 0,04 мин

открыть заградительный щиток - 0,03 мин

·   включить пульт лентопротяжного

·   механизма - 0.04 мин

t в.оп = 0.04+0.03+0.04=0.11 мин

Вспомогательное ручное время на контрольные измерения.

tизм = 0.05 мин

Таким образом ручное вспомогательное время.

t в.р. = 0.28+0.11+0.05=0.44 мин

Расчет вспомогательного времени определяем по формуле

в = t в.р. * K tв=(0.28+0.11+0.05)*1=0.44

Расчет оперативного времени

Топ = To + Tв = 2.07+0.44=2.51 мин

Расчет штучного времени

мин

Штучно - калькуляционное время

 мин

Фрезерная операция

Расчет технической нормы времени

При массе заготовки меньше 12 кг это время на установку детали в приспособлении составляет

tуст = 0.43 мин

Определение вспомогательного ручного времени

включить станок, выключить - 0,04 мин

открыть заградительный щиток - 0,03 мин

t в.оп = 0.04+0.03=0.07 мин

Вспомогательное ручное время на контрольные измерения.

tизм = 0.05 мин

Таким образом ручное вспомогательное время.

t в.р. = 0.43+0.7+0.05=0.55 мин

Расчет вспомогательного времени определяем по формуле

в = t в.р. * K tв=0.55*1=0.55

Расчет оперативного времени

Топ = To + Tв = 0.4+0.55=0.95 мин

Подготовительно заключительное время (карта 47)

Время на наладку станка 14 мин

Время на получение и сдачу инструмента 8 мин

Штучно - калькуляционное время

 мин

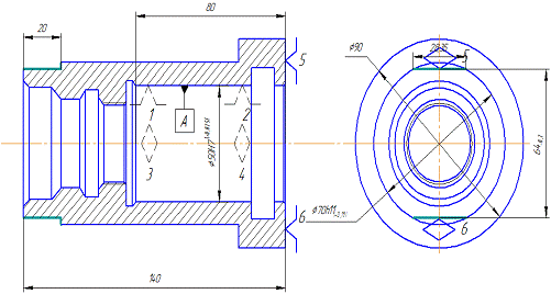
5. Разработка технического задания на проектирование приспособления для обработки поверхности:

.1 Расчёт погрешности установки детали в приспособление

Рис. 3. Базирование детали

Расчёт станочного приспособления в направлении размера . (расстояние между лысками).

Операционная точность размера: Т(64) = 0,2 мм

Погрешность базирования: ξБ(50)=0,025 мм, так как деталь насаживается на гофрированную втулку базовой поверхностью А Ø  мм с допуском изготовления 0.025 мм.

При закреплении обрабатываемой детали в приспособлении возникает погрешность, которая зависит от варианта базирования, погрешности приспособления для закрепления заготовки, точности станка, инструмента.

Расчёт на точность построен на обеспечении технологического точностного баланса.

Здесь: Т- точность операционного размера;

ξб- погрешность базирования (точность расстояния между технологической и измерительной базой в направлении получаемого размера; измерительная база - необрабатываемая граница размера);

ξз- погрешность закрепления;

ξи- погрешность износа приспособления;

ξп.с.- погрешность положения приспособления;

ξпр- погрешность изготовления приспособления (точность расстояния между технологической и основной конструкторской базой приспособления в направлении получаемого размера; после определения показывается на чертеже приспособления);

ξп.у.- погрешность положения установа (точность расстояния между технологической базой и рабочей поверхностью установа в направлении получаемого размера; после определения показывается на чертеже приспособления).

К=0,7- коэффициент, учитывающий погрешности, обусловленные точностью положения заготовки и её закреплением;

ω- статистическая точность обработки.

Определение допустимой погрешности базирования, [ξБ], можно выполнить из выражения: Т = ω + [ξБ], где Т - точность (допуск) получаемого на операции размера; ω - статистическая точность метода обработки. Фактическая погрешность базирования, безусловно, должна быть меньше или равна допустимой погрешности, и определяется она по схеме базирования, как точность расстояния между технологической и измерительной базой.