Материал: Разработка единого технологического процесса обработки детали типа втулка

Внимание! Если размещение файла нарушает Ваши авторские права, то обязательно сообщите нам

Разработка единого технологического процесса обработки детали типа втулка

Министерство образования и науки Российской Федерации

Национальный исследовательский

ИРКУТСКИЙ ГОСУДАРСТВЕННЫЙ ТЕХНИЧЕСКИЙ УНИВЕРСИТЕТ

Кафедра технологии машиностроения








Курсовой проект

по дисциплине «Технология машиностроения»

Тема курсового проекта

Разработка единого технологического процесса обработки детали типа втулка

Исходные данные:

Чертёж детали

Годовая программа: N =1500 шт.

Материал: Сталь 40

Твердость - HRC32…37

1. Выбор метода обработки элементарных поверхностей деталей

Назначение детали

Деталь “ Втулка” предназначена для соединения деталей .

Анализ технических требований

Деталь “ Втулка” . Деталь является технологичной. Наиболее трудоемкой операцией будет - токарная. Перепад размеров небольшой.

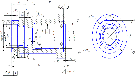
Основные размеры детали:

длина L = 140 мм

максимальный диаметр d = 90 мм

Рис.1 Обозначение поверхностей

Разработка маршрута изготовления детали

Заготовительная.

Штамповка заготовки

005 Токарная.

Переход 1.

Подрезка торца 25 черновое.

Точение поверхности 10 черновое.

Переход 2.

Растачивание поверхности 12 черновое и чистовое. Снятие фаски 16.

Растачивание поверхности 13 черновое, снятие фаски 19.

Переход 3.

Растачивание поверхности 11 черновое и чистовое.

Оборудование - токарный станок с ЧПУ 16К20ФЗС32, базирование в трекулачковом патроне по внешней поверхности 2 и по торцовой поверхности 1.

010 Токарная.

Переход 1.

Подрезка торца 1 черновое.

Переход 2.

Подрезка торца 3 черновое.

Точение поверхности 2 черновое, затем чистовое.

Переход 3.

Растачивание поверхности 4 черновое. Снятие фаски 23.

Растачивание поверхности 5 черновое. Снятие фаски 23.

Растачивание поверхности 6, 7 черновое и чистовое, снятие фаски 22, 21, 28.

Тонкое растачивание поверхности 7

Переход 4.

Нарезание резьбы на поверхности 4.

Оборудование - токарный станок с ЧПУ 16К20ФЗС32, базирование на оправке по внутренней базовой поверхности А.

Шлифовальная.

Шлифование базовой поверхности А под окончательный размер.

Оборудование - Круглошлифовальный станок MА1420А-500. Базирование по внешней поверхности 2 и по торцовой поверхности 1.

020 Фрезерная.

Производится фрезерование двух лысок на внешней поверхности с одновременно.

Оборудование - горизонтально - фрезерный станок модели 6П80Г.

025 Контрольная.

Выполняется технический контроль- соответствие детали техническим требованиям чертежа в отношении точности изготовления, механических свойств, формы и взаимного расположения указанных поверхностей

Материал детали - сталь 40 ГОСТ 1050 - 88

заготовка зажим токарный деталь

Химический состав стали 40

Углерод

Кремний

Марганец

Хром

Никель

Сера

Фосфор

0.36 - 0.44

0.17 - 0.37

0.50 - 0.80

0.8 - 1.1

0.3

0.035

0.035


Механические свойства стали 40X.

Твердость по Бринеллю НВ

Предел прочности при растяжении МПА

Предел текучести МПА

Относительное удлинение после разрыва %

Относительное сужение после разрыва %

217

980

785

20

45


Область применения стали 40.

В моторостроении - коленчатые валы, фрикционные диски, зубчатые колеса, неазотируемые гильзы цилиндров, впускные клапаны тихоходных дизелей, шатунные болты и гайки, силовые шпильки, коромысла клапанов и другие улучшаемые детали, закаливаемые в масле. В турбостроении - турбинные диски, валы зубчатых передач, детали соединительных муфт турбин, роторы турбокомпрессоров. В нефтеперерабатывающем машиностроении - высокопрочные трубы; баллоны большой емкости, работающие под давлением до 40 МПА (сталь 38ХА), и др.

Выбор вида заготовки и её конструирование.

В машиностроении основными видами заготовок для деталей являются стальные и чугунные отливки, штамповки и всевозможные профили проката.

При выборе вида заготовки необходимо учитывать не только эксплуатационные условия работы детали, ее размеры и форму, но и экономичность ее производства.

Масса детали - 2.67 кг.

Чтобы рассчитать массу заготовки, необходимо найти объем заготовки, затем объем умножить на плотность материала.

Предварительно принимаем изготовление заготовки из проката.

Масса заготовки из проката. Принимаем круглый прокат по ГОСТ 2590 - 71 диаметром 152 м и длиной 104 мм. Так как наибольший диаметр детали 139 мм, длина 64 мм.


Коэффициент использования материала.


Слишком большая потеря материала, поэтому заготовка из проката не подходит.

Учитывая свойства материала детали, ее массу, форму и размеры, и тип производства - среднесерийный, целесообразно применить штамповку.

Расчёт и определение промежуточных припусков табличным методом.

Расчет межоперационных припусков табличным методом

Маршрут обработки поверхностей, с указанием точности полученной на каждой операции

Припуски, Мм

Расчет промежуточных размеров

Промежуточные размеры с отклонениями, мм

Диаметральные размеры Поверхность Ø 70h11 Черновое точение Чистовое точение Поверхность Ø 90 h14 Черновое точение Поверхность Ø 50H7 Черновое точение Чистовое точение Шлифование Поверхность Ø 50H7 Черновое точение Чистовое точение Линейные размеры Длина детали 140 js14 Точение черновое Толщина выступа 25 js14 Черновое точение  Припуск на диаметр  2.3 1.4  2.5  2.0 1.4 0.5  2.0 1.4  Припуск на сторону 2 2     71.4+2.3=73.7 70+1.4=71.4  90+2.5=92.5  48.2 - 2.0=46.2 49.6 - 1.4 = 48.2 50-0.4 = 49.6  31.6 - 2.0=29.6 33 - 1.4 = 31.6   140+2+2 = 144  25+2+2=29            Ø

Ø

Ø

Ø

Ø

Ø

Ø

Ø


Обоснование типа производства.

Учитывая объем производства 1500 шт выпуска и массу детали m = 2.67 кг по таблице 2.1/11.стр 27/ принимаем мелкосерийный тип производства.

Серийное производство характеризуется номенклатурой изделий, изготовляемых периодически повторяющимися партиями, и сравнительно большим объемом выпуска, чем в единичном типе производства. При серийном типе производства используются универсальные станки оснащенные как специальными так и универсальными, универсально - сборочными приспособлениями, что позволяет снизить трудоемкость и себестоимость изготовления изделия.

В серийном производстве техпроцесс изготовления изделия преимущественно дифференцирован, т.е. расчленен на отдельные самостоятельные операции, выполняемые на определенных станках. При серийном производстве обычно используются универсальные, специализированные, агрегатные и др. металлорежущие станки. При выборе технологического оборудования специального или специализированного , дорогостоящего приспособления или вспомогательного приспособления и инструмента необходимо производить расчеты затрат и сроков окупаемости, а также ожидаемый экономический эффект от использования оборудования и технологического оснащения.

Для серийного производства определяем операционную партию деталей по формуле 4.

=N×t/ Фу, (4)

где N- годовой объём выпуска, шт,

t - количество дней, в течение которых необходимо иметь запас заготовок на склад Для мелких и средних деталей t=8 дней, для крупных t=5... 7 дней.

Фу=253 дня - условный годовой фонд рабочего времени.

=N×t/ Фу = 1500 × 8/253 = 47 шт

2. Выбор оборудования

Для выполнения токарных операций выбираем станок с ЧПУ 16К20Ф3

Токарно - винторезный станок с ЧПУ 16К20Ф3

Наибольший диаметр обрабатываемой заготовки

над станиной 400 мм

над суппортом 220 мм

Наибольший диаметр прутка, проходящего через отверстие

шпинделя 55 мм

Наибольшая длина обрабатываемой заготовки 1000 мм

Шаг нарезаемой резьбы

метрической до 20

Частота врашения шпинделя 12.5 - 2000 об/мин

Число скоростей шпинделя 22

Наибольшее перемещение суппорта

продольное 900 мм

поперечное 250 мм

Подача суппорта

продольное 3-1200 мм/об

поперечное 1.5-600 мм/об

Скорость быстрого перемещения суппорта

продольное 4800 мм/об

поперечное 2400 мм/об

Мощность электродвигателя 10 кВт

Габаритные размеры

длина 3360 мм

ширина 1710 мм

высота 1750 мм

Масса 4000 кг

Для фрезерной операции обработки втулки будем использовать горизонтально - фрезерный станок модели 6П80Г.

Горизонтально - фрезерный станок модели 6П80Г.

Общая характеристика станка

Назначение станка. Станок предназначен для фрезерования различных деталей из стали, чугуна и цветных металлов сравнительно небольших размеров. Обработка деталей осуществляется цилиндрическими, дисковыми, фасонными, угловыми, модульными и торцовыми фрезами как встречным, так и попутным фрезерованием. Станок используется в условиях индивидуального и серийного производства. При наличии делительной головки можно фрезеровать прямозубые шестерни, рейки, канавки и т. п.

Достаточная мощность приводов и широкий диапазон скоростей и подач позволяют успешно работать на станке, как быстрорежущими фрезами, так и фрезами, оснащенными пластинками твердого сплава.

Техническая характеристика станка

Рабочая поверхность стола в мм......... 200X800

Число скоростей вращения шпинделя ....... 12

Пределы чисел оборотов шпинделя в минуту..... 50-2240

Количество скоростей подач стола ......... 12

Пределы скоростей подач стола в мм/мин:

продольных . . ........... 22,4-1000

поперечных ....... .... 16-710

вертикальных............. 8-355

Скорость быстрого перемещения стола в мм/мин:

продольного ........... 2400

поперечного............. 1710

вертикального ...... ....... 855

Мощность главного электродвигателя в кВт ..... 5,8

Основные узлы станка (рис. 1). А - станина с коробкой скоростей и шпиндельным узлом; Б - хобот с подвеской; В - стол; Г - дополнительная связь консоли с хоботом; Д - поперечные салазки; Е - консоль с коробкой подач; Ж - основание станка.

Органы управления. 1 - рукоятка для. переключения коробки скоростей; 2 - рукоятка для переключения перебора шпинделя; 3 - маховичок ручного продольного перемещения стола; 4 - рукоятка включения продольной подачи стола; 5 - маховичок ручного поперечного перемещения стола; 6 - рукоятка ручного вертикального перемещения. консоли; 7 - маховичок для переключения коробки подач; 8 - рукоятка переключения перебора коробки подач; 9 - рукоятка для включения и реверсирования поперечной и вертикальной подач стола.

Движения в станке. Движение резания - вращение шпинделя с фрезой. Подачами являются перемещения стола с обрабатываемой деталью в продольном, поперечном и вертикальном направлениях. Вспомогательные движения - быстрые перемещения стола в тех же направлениях.

Принцип работы. Обрабатываемые детали устанавливают непосредственно на столе, в тисках или специальных приспособлениях. Для обработки деталей в нескольких позициях широко используется универсальная делительная головка, которая позволяет производить делительные повороты детали на требуемое количество равных частей. Насадные фрезы, цилиндрические, дисковые и др., устанавливают на шпиндельных оправках, хвостовые - непосредственно в шпинделе или в цанговом патроне.

При установке фрез на оправках последние одним концом вставляют в конус шпинделя, а другим - в отверстие подвески.

Торцовые фрезерные головки закрепляют на торце шпинделя. Настройка станка в соответствии с конфигурацией и размерами обрабатываемой детали производится перемещением стола В, поперечных салазок Д и консоли Е.

Конструктивные особенности. Станок имеет разделенный привод движения резания, т. е. коробка скоростей смонтирована в станине в виде отдельного узла, а вращение шпинделю передается клиновыми ремнями. Это обеспечивает безвибрационную работу станка даже на самых высоких числах оборотов шпинделя.

Шпиндель смонтирован на прецизионных двойных роликовых подшипниках серии 3182100 высокой жесткости. Шпиндель разгружен от изгибающих усилий со стороны ременной передачи, так как приводной шкив установлен на независимых подшипниках. Для более равномерного вращения шпинделя его приводная шестерня сделана массивной, поэтому она одновременно выполняет роль маховика. Быстрая остановка вращения шпинделя обеспечивается наличием тормоза с электромагнитным приводом.

Станок имеет две подвески хобота: одну на подшипниках качения, предназначенную для скоростных работ; другую на подшипниках скольжения, обеспечивающую работу с фрезами диаметром менее 75 мм. Для повышения жесткости системы хобот Б может быть соединен с консолью Е дополнительной связью Г.

В приводе подач имеется шариковая предохранительная муфта, исключающая возможность поломки элементов привода при чрезмерном увеличении нагрузки.

Для фрезерования попутным методом в приводе продольной подачи стола предусмотрен механизм для периодического устранения зазора между ходовым винтом и гайками.

Рис. 2 Общий вид горизонтально - фрезерного станка 6П80Г

Круглошлифовальный станок MА1420А-500

Универсальные круглошлифовальные станки MА1420А/500, MА1420А/750 предназначены для наружного и внутреннего шлифования цилиндрических, конических и торцевых поверхностей на деталях типа вал, втулка, ось, фланец, крышка и т. п. Подачи осуществляются гидроприводом или вручную.

Этот ряд машин подходит для предприятий со средним и маленьким серийным производством, для инструментальных мастерских, для предприятий обслуживания.