Введение
Шпиндельный узел является одним из наиболее ответственных узлов станка, оказывающих определяющие внешние на качество обработки по шероховатости и форме.
Шпинделя современных станков имеют сложную форму и общем случае подвержены воздействию изгибающих моментов, сжимающих и растягивающих сил.
Для обеспечения работоспособности и необходимой точности станка в пределах требуемого срока службы шпиндели должны обладать необходимой прочностью, виброустойчивостью и достаточной жесткостью. Поэтому расчёт шпиндельного узла металорежущего станка включает в себя следующие этапы:
· силовой расчёт шпиндельного узла
· прочностной расчёт
· расчёт шпиндельного узла на жёсткость
· расчёт шпиндельного узла на виброустойчивость
1. Силовой расчёт заключается в определении величины внешних сил и моментов действующих на шпиндель. Внешними силами являются: составляющие сил резания, силы, возникающие в приводном элементе и реакции опор.
2. Прочностной расчёт заключается в определении из условия прочности диаметра шпинделя в опасном сечении и определении коэффициента запаса прочности по касательным и нормальным напряжениям в опасных сечениях. В этом же разделе составляется конструктивная схема шпиндельного узла с выбором подшипников или опор.
. Расчёт шпиндельного узла на жёсткость. Суть этого расчёта заключается в определении перемещения и угла поворота переднего конца шпинделя и сравнения их с допустимыми значениями.
. Расчёт шпиндельного узла на
виброустойчевость. Суть этого расчёта заключается в определении частоты
собственных изгибающих колебаний шпиндельного узла и сравнении их с частотой
возмущающих сил
Исходные данные
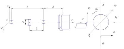
Исходные данные для расчёта шпинделя токарного
станка схема которого показана на рисунке 1 приведены в табл. 1
|
Номер зачётной книжки |
l, мм |
а, мм |
b, мм |
d, мм |
D, мм |
n, об/мин |
S, мм/об |
t, мм |
Мате-риал |
Gn, Н |
Точно-сть |
|
41095 |
1400 |
300 |
550 |
270 |
500 |
1500 |
0,6 |
5 |
Сталь 45 |
250 |
Н |
Методика расчёта шпинделя на прочность
Расчёт шпинделя на прочность включает в себя следующие этапы: силовой расчёт, расчёт на статическую прочность расчёт на сопротивление усталости.
Силовой расчёт сводится к определению внешних сил реакций и моментов, действующих на шпиндель, а так же внутрених сил и моментов возникающих в его поперечных сечениях. Расчёт производится в следующей последовательности:
Рассчитываются составляющие сил резания.
При точении на шпиндель действуют три
составляющие силы резания: тангенциальная
,
радиальная
, осевая
.
Приближённое значение этих сил с учётом обрабатываемого материала, глубины
резания t, мм и величины подачи S, мм/об определяется по методике изложенной в
теории резания материалов
или по
эмперическим формулам
= 5 мм, S =0,6
мм/об, Сталь 45.
Принимаем для обработки резец проходной упорный. материал режущей части Т15К6
Скорость резания определяется по формуле
коэффициент,
учитывающий предел прочности обрабатываемого материала., x, y - коэффициент,
характеризующий вид обработки материала
глубина резания
стойкость
инструмента Т = 60мин
величина подачи
обобщенный
коэффициент поправки на скорость резания
коэффициент,
учитывающий влияние материала заготовки
коэффициент
учитывающий материал инструмента
показатель степени
коэффициент
учитывающий состояние поверхности
коэффициент
учитывающий материал инструмента
Определим составляющие силы резания
![]()
глубина резания
величина подачи
поправочный
коэффициент, учитывающий влияниекачества обрабатываемого материала на силовые
зависимости
поправочные
коэффициенты учитывающие влияние геометрических параметров режущей части
инструмента на составляющие сил резания при обработке стали и чугуна
Все данные, необходимые для вычисления
составляющих сил резания для удобства вычислений заносим в таблицу
|
|
Cp |
x |
y |
n |
|
|
|
|
|
|
|
|
339 |
1.0 |
0.5 |
-0.4 |
0.87 |
1.17 |
0.85 |
1 |
1 |
0.865 |
|
|
243 |
0.9 |
0.6 |
-0.3 |
0.82 |
0.5 |
1.85 |
1 |
1 |
0.5125 |
|
|
300 |
1.0 |
0.75 |
-0.15 |
0.898 |
0.89 |
1 |
1 |
1 |
0.799 |
Вычисляется крутящий момент на шпинделе Мк,
обусловленный тангенциальной составляющей силой резания
.
диаметр заготовки
Определяются силы, действующие на шпиндель со стороны зубчатого колеса.
В установившемся режиме работы станка при
равномерном вращении шпинделя крутящий момент от сил резания Мк и сил трения в
кинематических парах уравновешивается моментом сил Мк1 приложенных к
зубчатому колесу шпинделя. Пренебрегая моментом сил трения в опорах шпинделя,
можно приравнять моменты Мк и Мк1, а затем, предложив что зубчастая
пара( приводная шестерня - зубчатое колесо шпинделя) - цилиндрическая и
прямозубая. Определяются тангенциальная (окружная)
и
радиальная
составляющие сил,
возникающих в зубчатом зацеплении.
момент на приводном
колесе
делительний диаметр
приводного колеса
Выбирается рациональная схема расположения приводной шестерни шпинделя.
На величину упругих деформаций шпинделя и
реакции в опорах оказывает влияние положения оси вращения приводной шестерни
щеплённой с зубчатым колесом шпинделя.
Конструктивная схема шпиндельного узла
Составляется расчётная схема шпинделя в виде балки на двух опорах, причём типы опор выбираются в зависимости от типов подшипников. Для обеспечения высокой осевой жёсткости при минимальной осевой тепловой деформации передняя опора шпинделя выполняется подвижной, а заняя опора выполненная плавающей и в ней устанавливается подшипник, воспринимающий только радиальную нагрузку. в этом случае переднюю опору рассматривают как шарнирно неподвижную, а заднюю - шарнирно-подвижную. Учитывая что в общем случае силы, действующие на шпиндель лежат в радиальных плоскостях, их следует привести к двум взаимно перпендикулярным плоскостям горизонтальной и вертикальной
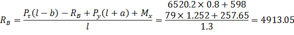
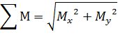
Определяются опорные реакции подшипников в
вертикальной и горизонтальной плоскостях. Для этого составим уравнение
равновесия шпинделя в вертикальной горизонтальной плоскостях

Конструктивная схема шпиндельного узла
Строятся эпюры изгибающих моментов в вертикальной и горизонтальной плоскостях. Для вычисления этих моментов пользуются методом сечений из курса сопротивления материалов.
Строится эпюра полного изгибающего момента.
Для этого определ. величина данного момента в
характерных сечениях шпинделя.
Строим эпюру крутящего так же, как при чистом кручении.
Расчёт шпинделя на статическую прочность
Этот расчёт заключается в предварительном определении диаметра шпинделя из условия прочности на кручение и последующего основного расчёта на прочность по эквивалентному напряжении в соответсвии с гипотезой небольших касательных напряжений.
Выбирается материал шпинделя в зависимости от
его назначения и характера работы. Малонагруженые шпиндели токарных станков
небольшого сечения и простотой конструкции, работающие в подшипниках качения.
изготавливаются из стали 45 с термообработкой до НВ 180
240.
Предварительно определяется диаметр шпинделя из
условия прочности на кручение в сечении. где действует наибольший крутящий
момент.
максимальный
крутящий момент, Н
м
отношениевнутренего
диаметра шпинделя
к наружному
;С
= 0,8
допускаемое
напряжение на кручение, МПа