Материал: Расчет надежности локальных систем без учета восстановления

Внимание! Если размещение файла нарушает Ваши авторские права, то обязательно сообщите нам

Расчет надежности локальных систем без учета восстановления















Расчет надежности локальных систем без учета восстановления

1. Основные этапы расчета надежности

Задачей расчета надежности локальных систем регулирования, контроля, защиты и дистанционного управления является определение показателей, характеризующих их безотказность и ремонтопригодность. Расчет складывается из следующих этапов: а) определение критериев и видов отказа системы и состава рассчитываемых показателей надежности; б) составление структурной (логической) схемы, основанной на анализе функционирования системы, учете резервирования, восстановления, контроля исправности элементов и др.; в) выбор метода расчета надежности с учетом принятых моделей описания процессов функционирования и восстановления; г) получение в общем виде математической модели, связывающей определяемые показатели надежности с характеристиками элементов; д) подбор данных по показателям надежности элементов; е) выполнение расчета и анализ полученных результатов.

Содержание перечисленных этапов в значительной мере зависит от выбранных критериев отказа и рассчитываемых показателей надежности, рассмотренных ранее. К наиболее характерным показателям надежности локальных систем относятся средняя наработка до отказа системы, вероятность ее безотказной работы за заданное время, коэффициент готовности, коэффициент оперативной готовности, параметр потока отказов.

Близкие по характеру показатели распространяются и на элементы системы - технические средства, с помощью которых реализуются локальные системы. Количество рассматриваемых показателей расширяется, если анализируется вероятность работы систем с ухудшенными показателями качества функционирования, т. е. при учете постепенных (метрологических) отказов элементов.

Рассмотренные показатели применяются как при создании систем, так и при их эксплуатации.

Составление структурной схемы, являющейся логической схемой для расчета надежности как системы, так и отдельного технического средства, включает некоторые моменты, на которых необходимо остановиться более подробно. Структурная схема для расчета надежности в общем случае существенно отличается от функциональной схемы. Структурной схемой для расчета надежности называется графическое отображение элементов системы, позволяющее однозначно определить состояние системы (работоспособное или неработоспособное) по состоянию (работоспособное или неработоспособное) ее элементов.

Для многофункциональных систем, например АСУ ТП, такие структурные схемы составляют по каждой функции; их обычно называют надежностными схемами функции или надежностно-функциональными схемами.

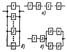
При составлении схемы элементы системы могут соединяться последовательно (рис. 1, а) или параллельно (рис. 1, б) в зависимости от их влияния на работоспособное состояние системы. Если отказ элемента независимо от его назначения вызывает отказ системы, то элемент соединяют последовательно. Если отказ системы возникает при отказе всех или части однотипных элементов, то такие элементы соединяют параллельно. Последовательное соединение элементов называют также основным, а параллельное - резервным. Для иллюстрации принципов составления структурной схемы на рис. 2 представлены упрощенная функциональная и структурные схемы трехимпульсного регулятора уровня в барабане котла. Расходомеры питательной воды FВ, пара FЛ, уровнемер уровня в барабане котла L и задатчик уровня 3д на структурной схеме включены последовательно, поскольку отказ любого из устройств, как и отказ регулирующего прибора Р, приводит к отказу регулятора уровня. Регулирующие органы РО с исполнительными механизмами ИМ могут находиться в основ ном (рис. 2, б) или резервном (рис. 2, в) соединении в зависимости от того, способна ли функционировать система с одним регулирующим органом или нет. Если для поддержания постоянства уровня в барабане котла достаточно регулирования подачи питательной воды только по одной нитке, что обычно имеет место, то исполнительные механизмы с регулирующими органами соединяются на структурной схеме параллельно, как показано на рис. 2, в, в противном случае их включают последовательно (рис. 2, б).

Рис. 1 Соединение элементов системы: а - последовательное (основное); б - параллельное (резервное); в - смешанное

Для одних и тех же локальных систем могут быть составлены различные структурные схемы в зависимости от анализируемой функции системы, если она является многофункциональной, и вида отказа. Так, для улучшения качества регулирования во многих локальных системах вводятся сигналы по производной от регулируемой величины или динамические связи между параметрами. Естественно, что отказ элементов, участвующих в формировании этих сигналов, приведет к ухудшению качества регулирования, но, как правило, не вызовет отключения системы регулирования. В связи с этим структурные схемы систем, составленные по внезапным и параметрическим отказам, могут существенно отличаться. Аналогичные структурные схемы составляют при расчете надежности технических средств, входящих в состав системы.

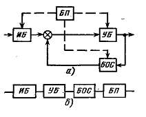
В качестве их элементов выступают блоки: измерительные, усиления, питания, регистрации, индикации и др. с входящими в их состав механическими (редукторы, рычажные передачи), электромеханическими (реле, двигатели, трансформаторы), радиоэлектронными (резисторы, интегральные схемы, конденсаторы) и другими элементами, имеющими индивидуальные показатели надежности. На рис. 3, а и б представлены функциональная и структурная схемы нормирующего преобразователя температуры, включающего блоки: измерительный ИБ, усилительный УБ, отрицательной обратной связи БОС и питания БП.

Рис. 2 Функциональная (а) и структурные схемы (б, в) трехимпульсного регулятора уровня в барабане котла

Рис. 3 Функциональная (а) и структурная (б) схемы нормирующего преобразователя

В настоящее время существует ряд руководящих технических материалов, регламентирующих аналитические методы расчета надежности комплекса технических средств АСУ ТП на этапе проектирования. Но при всем многообразии существующих методов расчета надежности систем последние можно разбить на три группы, относящихся к системам:

с простой структурой, сводящейся к последовательно-параллельному соединению элементов без учета их восстановления (оценка показателей безотказности);

со сложной структурой, не сводящейся к последовательно-параллельному соединению элементов, элементы системы не восстанавливаются (оценка показателей безотказности);

с восстанавливаемыми элементами как при нулевом, так и при конечном времени замены (восстановления) отказавшего элемента исправным (оценка показателей безотказности, ремонтопригодности и комплексных показателей).

Разновидности методов первых двух групп оперируют с количественными показателями безотказности при любых законах распределения наработки до отказа элементов. К числу этих методов относятся классический метод, базирующийся на основных понятиях и теоремах теории вероятности, и логико-вероятностный. Разновидности методов третьей группы определяются видом законов распределения наработки до отказа и восстановления, сложностью системы. К основным из них относятся методы переходных вероятностей и интенсивностей, использующие аппарат марковских процессов с дискретным и непрерывным временем, и метод, использующий аппарат полумарковских процессов. При анализе надежности локальных систем и функций АСУ ТП будут рассмотрены перечисленные выше методы расчета надежности.

С помощью выбранного метода, исходя из структурной схемы системы, определяют аналитические модели, связывающие ее показатели надежности с характеристиками элементов и процессов их обслуживания. Аналитические модели в виде формульных зависимостей, связывающих перечисленные величины и являющихся удобными для выполнения анализа надежности, удается получить для сравнительно простых систем при введении целого ряда упрощающих допущений в математическом описании характеристик систем и процессов. Для сложных восстанавливаемых систем, к числу которых относятся подсистемы АСУ ТП, показатели надежности часто определяются с использованием статистического (имитационного) моделирования.

Подбор характеристик надежности элементов структурной схемы систем сопряжен с трудностями, определяемыми рядом факторов. К их числу относится зависимость показателей надежности от условий эксплуатации, которые могут существенно различаться на разнородных видах производств, поэтому паспортные данные по надежности могут не соответствовать их фактическим значениям. По некоторым элементам, входящим в состав системы, эти показатели могут отсутствовать, например, по запорной арматуре, проводным и трубным линиям связи и др. По показателям ремонтопригодности устройств данные зачастую отсутствуют. В связи с этим при подборе показателей надежности элементов систем приходится пользоваться данными по надежности других устройств, близких к ним по конструкции.

Используя показатели надежности элементов, по полученным математическим моделям производят расчет показателей надежности систем, который может быть выполнен вручную или на ЭВМ с использованием соответствующих пакетов прикладных программ.

2. Методы расчета надежности невосстанавливаемых систем


При расчете вероятности безотказной работы, средней наработки до возникновения первого отказа элементы системы рассматриваются как невосстанавливаемые. В этом случае, если структура системы сводится к основному или резервному соединению элементов, при условии, что работа одного из параллельно соединенных элементов обеспечивает работоспособное состояние системы, показатели безотказности последней определяются по показателям безотказности элементов с использованием классического метода расчета надежности.

Поскольку при основном соединении элементов (см. рис. 1,а) работоспособное состояние системы имеет место при совпадении работоспособных состояний всех элементов, то вероятность этого состояния системы определяется произведением вероятностей работоспособных состояний всех элементов [16]. Если система состоит из п последовательно включенных элементов, то при вероятности безотказной работы каждого из элементов рi(t) вероятность безотказной работы системы

.         (1)

При параллельном соединении элементов и при условии, что для работы системы достаточно работы одного из включенных параллельно элементов, отказ системы является совместным событием, имеющим место при отказе всех параллельно включенных элементов. Если параллельно включены т элементов (см. рис. 1,б) и вероятность отказа каждого qj(t) = 1 - pj(t), то вероятность отказа этой системы

.                  (2)

Если структурная схема надежности системы состоит из последовательно и параллельно соединенных элементов, то расчет ее надежности может быть произведен с использованием (1), (2). Так, для системы, структурная схема надежности которой представлена на рис. 1,в, вероятность безотказной работы:

.

локальный резервирование невосстанавливаемый

Чтобы определить значение средней наработки системы до отказа и другие показатели надежности, требуется знать законы распределения времени безотказной работы элементов (наработки до отказа) системы. Поскольку на участке нормальной эксплуатации с удовлетворительной точностью в качестве закона распределения времени безотказной работы элементов может быть принят экспоненциальный, то при основном соединении элементов, если  выражение (1) примет следующий вид:

,

где .

Таким образом, при основном соединении элементов, имеющих экспоненциальный закон распределения времени безотказной работы, закон распределения времени безотказной работы системы также будет экспоненциальным, в соответствии с этим имеем

; ; ;    ( 4)

При резервном соединении т элементов, имеющих экспоненциальный закон распределения времени безотказной работы, вероятность отказа группы параллельно включенных элементов

.  (5)

Если все элементы равнонадежны и , то

; .

Таким образом, при резервном соединении элементов экспоненциальный закон распределения времени безотказной работы не сохраняется.

Рассмотренный метод расчета широко применяют для оценки надежности локальных систем и элементов, входящих в их состав. На стадии проектирования при известных интенсивностях отказов элементов оценивают вероятность безотказной работы системы и предусматривают мероприятия, направленные на ее повышение и заключающиеся в резервировании наименее надежных и наиболее ответственных элементов, облегчении условий эксплуатации, снижении уровня нагрузки и др.

Анализируют надежность на стадии проектирования обычно в несколько этапов. На первом этапе, проводимом на стадии составления технического задания на локальную систему или отдельное техническое средство, когда их структуры еще не определены, производится прикидочная оценка надежности. Она исходит из априорной информации о надежности близких по характеру систем и элементов, с помощью которых они могут быть реализованы. На втором этапе проводится ориентировочная оценка надежности. При этом известны структура системы и входящие в ее состав элементы, их показатели надежности, заданные при нормальных (номинальных) условиях эксплуатации.

Окончательный расчет надежности технических средств, иногда называемый коэффициентным, проводится на стадии завершения технического проекта, когда проведена эксплуатация опытных образцов устройства и известны условия эксплуатации всех элементов. Последние определяются уровнем нагрузок, характером изменения таких влияющих величин, как температура окружающей и регулируемой среды, уровень вибрации, колебания напряжения питания и частоты, колебания влажности и др. Учет этих величин позволяет произвести коррекцию значений интенсивностей отказов элементов. Так, их работа при пониженных нагрузках приводит к снижению интенсивностей отказов.

Влияние отклонения этих величин на интенсивность отказов учитывают путем использования поправочных коэффициентов ki

,

где  - номинальное значение интенсивности отказов, соответствующее нормальным условиям эксплуатации; k1, k2 ,..., kn - поправочные коэффициенты, учитывающие отклонения влияющих величин от нормальных значений.

Следует отметить, что достоверные данные по поправочным коэффициентам известны только для радиоэлектронных элементов, что позволяет производить окончательный расчет структурной надежности устройств, включающих эти элементы. По общепромышленным средствам АСУ ТП эти данные в подавляющем большинстве случаев отсутствуют. Последнее в значительной мере определяется разнообразием условий эксплуатации устройств в различных отраслях промышленности и сложностью получения этих данных.

Во многих случаях рассмотренный выше способ расчета надежности не может быть использован, так как не всегда схема надежности содержит последовательно-параллельное соединение элементов.

Существуют несколько разновидностей классического метода расчета надежности систем со сложной структурой, часть из которых будет рассмотрена на практических занятиях.

3. Виды резервирования


Резервированием называют способ обеспечения надёжности системы за счёт использования дополнительных средств и возможностей, избыточных по отношению к минимально необходимым при выполнении требуемых функций. Резервирование может использоваться не только для повышения надёжности, но и для повышения точности, устойчивости, достоверности и др. Иногда вместо термина «резервирование» используется словосочетание «введение избыточности». Между этими понятиями есть много общего, но есть и различия, поэтому их нельзя воспринимать как синонимы. Под избыточностью понимают превышение веса, габаритов, производительности, стоимости и других технико-экономических показателях изделия над минимально необходимыми. Ясно, что введение избыточности не означает автоматического улучшения показателей надёжности, достоверности и др. Чтобы улучшение произошло, необходимо соответствующим образом управлять избыточными ресурсами, создать определённые условия и правила их использования, а в некоторых случаях и предусмотреть специальные технические и программные средства актуализации этих ресурсов. Если это выполнено, то введение избыточности становится резервированием, и тогда оба понятия можно рассматривать как синонимы.