· Для вспомогательного П-регулятора: 
.
Т.к. переходной процесс получился
неудовлетворительным по времени затухания, скорректируем настройки основного
регулятора. Изменим настройку ![]()
так, чтобы интегральный критерий
качества принимал минимальное значение. При 
![]()
.
Оценим качество переходного процесса в основном канале регулирования по возмущению при найденных оптимальных настройках регуляторов и при заданной структуре каскадной АСР.
· Интегральный критерий качества: ![]()
.
· Время переходного процесса: ![]()
· Перерегулирование: ![]()
Оценим качество переходного процесса во вспомогательном канале регулирования по возмущению при найденных оптимальных настройках регуляторов и при заданной структуре каскадной АСР.
· Интегральный критерий качества: ![]()
.
· Время переходного процесса: ![]()
· Перерегулирование: ![]()
![]()
Структурная схема каскадной АСР ПИ-ПИ структуры.
Определим оптимальные настройки регуляторов методом итераций.
1 шаг: отключим основной ПИ-регулятор и рассмотрим одноконтурную АСР со вспомогательным ПИ-регулятором. Методом Циглера-Никольса определим настройки вспомогательного ПИ-регулятора. Незатухающие колебания в системе возникают при значении настроечного параметра вспомогательного ПИ-регулятора. Оптимальные настройки:

; 
;
![]()
;
.
шаг: определим настройки основного ПИ-регулятора. Ранее найденные настройки для вспомогательного ПИ-регулятора подставим в эквивалентный объект относительно основного ПИ-регулятора и определим настройки методом Циглера-Никольса.
![]()
;
![]()
;
![]()
;
.
3шаг: определим настройки
вспомогательного ПИ-регулятора. Найденные на 2ом шаге настройки основного
ПИ-регулятора подставим в эквивалентный объект относительно вспомогательного
регулятора. Методом Циглера-Никольса определим опт. настройки вспомогательного
ПИ-регулятора. 
; 
;
![]()
;
.
шаг: определим настройки основного
ПИ-регулятора.![]()
;
![]()
;
![]()
;
.
шаг: определим настройки вспомогательного
ПИ-регулятора.

; 
;
![]()
;
.
6 шаг: определим настройки основного
ПИ-регулятора.![]()
;
![]()
;
![]()
;
.
Т.к. настройки регуляторов, найденные на смежных шагах не отличаются, более чем на 10%, то принимаем следующие настройки:
· Для основного ПИ-регулятора:
;
.
· Для вспомогательного ПИ-регулятора:

![]()
.
При корректировке настроек основного ПИ-регулятора, с целью уменьшения времени затухания переходного процесса, качество переходного процесса резко ухудшается - возрастает перерегулирование и интегральный критерий качества.
Оценим качество переходного процесса в основном канале регулирования по возмущению при найденных оптимальных настройках регуляторов и при заданной структуре каскадной АСР.
· Интегральный критерий качества: ![]()
.
· Время переходного процесса: ![]()
· Перерегулирование:
![]()
Оценим качество переходного процесса во вспомогательном канале регулирования по возмущению при найденных оптимальных настройках регуляторов и при заданной структуре каскадной АСР.
· Интегральный критерий качества: ![]()
.
· Время переходного процесса: ![]()
· Перерегулирование: ![]()
3. Расчет каскадной АСР с П-ПИД структурой (П-закон регулирования по вспомогательному каналу, ПИД-закон - по основному).
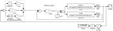
Структурная схема каскадной АСР П-ПИД структуры.
Определим оптимальные настройки регуляторов методом итераций.
1шаг: сделаем допущение, что
основной регулятор отключен, и рассмотрим одноконтурную АСР со вспомогательным
регулятором. Рассчитаем оптимальную настройку вспомогательного П-регулятора
метом Циглера-Никольса. 
.
2 шаг: определим настройки основного
ПИД-регулятора.
![]()
; ![]()
;
![]()
;
;![]()
;
![]()
.
шаг: определим настройки
вспомогательного П-регулятора.

.
шаг: определим настройки основного
ПИД-регулятора.![]()
;
![]()
;
![]()
;
;![]()
;
![]()
.
шаг: определим настройки вспомогательного П-регулятора.

.
шаг: определим настройки основного
ПИД-регулятора.![]()
;
![]()
;
![]()
;
;![]()
;
![]()
.
шаг: определим настройки
вспомогательного П-регулятора.

.
шаг: определим настройки основного
ПИД-регулятора.![]()
;
![]()
;
![]()
;
;![]()
;
![]()
.
шаг: определим настройки
вспомогательного П-регулятора.

.
шаг: определим настройки основного
ПИД-регулятора.![]()
;
![]()
;
;![]()
;
![]()
.
шаг: определим настройки
вспомогательного П-регулятора.

.
шаг: определим настройки основного
ПИД-регулятора.
;
![]()
;
![]()
;
;![]()
;
![]()
.