Введение
гидроочистка гидрогенизат колонна
Установка гидроочистки У-1.732 предназначена для очистки фракции НК-350°С от сернистых соединений методом гидрирования в среде водородсодержащего газа (ВСГ) на алюмокобальтмолибденовом катализаторе при температуре до 395°С и давлении 34÷37 атм с получением:
· стабильного гидрогенизата с содержанием серы 0,15%;
· сероводорода;
· углеводородного газа.
В состав установки входят объекты У -1.732 (ГО) и У -1.733 - промпарк установки гидроочистки (3 резервуара по 2 тыс. м3 каждый). Производительность - 2070 тыс. тн/год сырья (фракция НК-350ºС).
На установке гидроочистки дизельных топлив функционирует АСУ ТП «АСТРА-3.2». Данная система включает в себя подсистемы:
· сбора и отображения информации;
· автоматического регулирования;
· дискретно-логического управления;
· противоаварийных защит и блокировок.
В системе реализованы функции:
. Информационные функции:
· Измерение и контроль параметров;
· Регистрация и сигнализация отклонений параметров от установленных границ;
· Ручной ввод данных;
· Формирование и выдача оперативных данных;
· Архивирование данных;
· Анализ срабатывания блокировок и защит.
. Управляющие функции:
· Реализация контроллером режима непосредственного цифрового регулирования аналоговыми регуляторами;
· Выдача со станции машиниста сигналов задания регуляторам и сигналов управления аналоговыми ИМ на контроллер;
· Выдача дискретных управляющих сигналов на контроллер.
. Функции диагностики:
· Контроль состояния связи с контроллерами;
· Диагностика состояния узлов и плат ввода/вывода контроллеров;
· Диагностика состояния уровней входных сигналов поступающих с первичных преобразователей;
· Диагностика состояния связи с абонентами верхнего уровня управления;
· Диагностика связи и состояние резервируемых серверов баз данных.
Целью данного курсового проекта является разработка и расчет каскадной АСР регулирования температуры куба стабилизационной колонны К-201установки гидроочистки с коррекцией по концентрации общей серы в стабильном гидрогенизате (конечный продукт установки гидроочистки).
Описание технологического объекта управления.
Стабилизацию гидроочищенной фракции НК-3500С проводится в стабилизационной колонне К-201 с целью отгона из нее легких продуктов крекинга и углеводородного газ, воды и сероводорода.
Снизу колонны отбирается стабильная гидроочищенная фракция НК-3500С, сверху уходят пары бензина, воды, углеводородный газ, сероводород.
Температурный режим стабилизационной колонны поддерживается с помощью "горячей струи" рециркулята.
Для устранения сероводородной коррозии в колонну К-201 подается ингибитор коррозии.
Описание технологического процесса
Нестабильный гидрогенизат из С-202 нагревается в Т-205 потоком парогазовой смеси, смешивается с нестабильным гидрогенизатом из С-201 и с температурой до 1700С и давлением 1,1 МПа направляется на 14 тарелку стабилизационной колонны К-201, где из него выделяются бензин, сероводород, вода, углеводородный газ. Уровень в колонне К-201 регулируется прибором LIC-94.
Снизу колонны насосом Н-221/1,2 забирается часть стабильного гидрогенизата и направляется через регулятор расхода FRC-518 в печь П-202, где нагревается до температуры 2400С и подается вниз колонны для поддержания нужного температурного режима.
Балансовое количество стабильного гидрогенизата отдает свое тепло в теплообменниках Т-202/1,2, воздушном холодильнике Х-204 и выводится с установки с температурой 500С. Температура стабильного гидрогенизата на выходе с установки регулируется прибором TIC-86.
С верха К-201 уходят пары бензина, воды и углеводородный газ с сероводородом. После охлаждения в воздушном конденсаторе-холодильнике ХК-201 и в водяных холодильниках Х-209/1,2 до температуры 400С, которая регулируется прибором TIC-85, смесь поступает в сепаратор С-205, где происходит отделение углеводородного газа от жидкой фазы. Уровень углеводородной жидкой фазы регулируется прибором LRC-96. Уровень воды регулируется прибором LdRC-97.
Углеводородная жидкая часть из сепаратора забирается насосом Н-203/1,2 и подается через регулятор расхода FRC-89 на орошение в К-201.
Балансовый избыток бензина через регулятор расхода FRC-91 c коррекцией по уровню в C-205 (прибор LRC -96) возвращается в колонну К-201, либо выводится в линию некондиции. Водяной конденсат из С-205 вместе с сероводородной водой с установки риформинга поступает в деаэратор Е-215 для отдува сероводорода водяным паром. Уровень в деаэраторе регулируется прибором LIC-162.
Отдуваемый сероводород сбрасывается в факельную емкость Е-214, а затем на сероводородный факел, а конденсат - в промканализацию, через холодильник Х- 213, с температурой 400С.
Газ из сепаратора С-205 с газом установки каталитического риформинга поступает в нижнюю часть абсорбера К-203 на очистку от сероводорода 10%-ным раствором амина, который подается насосом Н-205/1,2 в верхнюю часть абсорбера через регулятор расхода FRC-148 с коррекцией по уровню в Е-201 прибора LRC- 121.
На выходе с установки прибором FQ-92 измеряется суммарный расход стабильного гидрогенизата, прибором AR-193 - температура вспышки, прибором AR-194 - концентрация общей серы, прибором AR-195 -плотность.
Обоснование выбора типа АСР.
Для регулирования концентрации общей серы в стабильном гидрогенизате была выбрана каскадная АСР, так как основной канал регулирования обладает значительной инерционностью, связанной, прежде всего с запаздыванием, вызванным анализом потока стабильного гидрогенизата на общую серу. При этом удалось выделить вспомогательный канал регулирования, по которому можно воздействовать на регулируемую величину с меньшей инерционностью, благодаря чему предполагается получить более качественной регулирование.
Анализ стабилизационной колонны К-201 как
объекта управления.
1. Регулирующие воздействия:
· Расход топливного газа (печь П-202);
· Расход орошения;
· Расход отводимого стабильного гидрогенизата.
. Регулируемые параметры:
· Уровень в кубе колонны;
· Температура в кубе колонны;
· Температура верха колонны;
· Концентрация общей серы в стабильном гидрогенизате.
. Контролируемые возмущающие воздействия:
· Расход нестабильного гидрогенизата (![]()
);
· Температура нестабильного гидрогенизата (![]()
);
· Температура орошения (![]()
).
4. Неконтролируемые возмущающие воздействия:
· Состав нестабильного гидрогенизата (![]()
);
· Теплопотери в окружающую среду (![]()
).
Получение аппроксимирующих передаточных функций по основному и вспомогательному каналам регулирования.
. Определение аппроксимирующей передаточной функции по вспомогательному каналу регулирования с помощью метода интегральных площадей (метод Симою).
Из эксперимента, при скачкообразном
увеличении расхода топливного газа на 60,26 (![]()
), была получена кривая разгона по температуре
в кубе К-201. Она была аппроксимированная передаточной ф-цией 3его порядка с
запаздыванием методом интегральных площадей в программе TAU20.
В ходе расчетов была получена аппроксимирующая передаточная ф-ция вспомогательного канала:
2. Определение аппроксимирующей
передаточной функции по основному каналу регулирования с помощью метода
интегральных площадей (метод Симою)
Из эксперимента, при скачкообразном
увеличении расхода топливного газа на 60,26 (![]()
), была получена кривая разгона по
конц. общ. серы в стабильном гидрогенизате. Она была аппроксимированная
передаточной ф-цией 3его порядка с запаздыванием методом интегральных площадей
в программе TAU20.
В ходе расчетов была получена аппроксимирующая передаточная ф-ция вспомогательного канала:
Построение частотных характеристик основного и вспомогательного каналов регулирования.
1. Расчет частотных характеристик по
вспомогательному каналу:
АЧХ
ФЧХ
АФХ
Расчет частотных характеристик по основному каналу:
АЧХ
ФЧХ
АФХ
Определение оптимальной структуры каскадной АСР и оптимальных настроечных параметров основного и вспомогательного регуляторов.
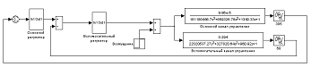
Общая структурная схема каскадной АСР.
В качестве возмущающего воздействия
принимаем изменение расхода топливного газа на 10% от максимального значения,
т.е. на 23 (![]()
).
Эквивалентный объект относительно основного регулятора.
Эквивалентный объект относительно вспомогательного регулятора.
1. Расчет каскадной АСР с П-ПИ структурой (П-закон регулирования по вспомогательному каналу, ПИ-закон - по основному).
Структурная схема каскадной АСР П-ПИ структуры.
Определим оптимальные настройки регуляторов методом итераций.
1 шаг: сделаем допущение, что
основной регулятор отключен, и рассмотрим одноконтурную АСР со вспомогательным
регулятором. Рассчитаем оптимальную настройку вспомогательного П-регулятора
метом Циглера-Никольса: методом подбора определяем критическую настройку
П-регулятора : 

.
шаг: определим настройки основного
регулятора. В эквивалентный объект относительно основного регулятора
подставляем ранее найденное оптимальное значение настройки для вспомогательного
регулятора. Методом Циглера-Никольса определяем оптимальные настройки основного
ПИ-регулятора: ![]()
;
![]()
;
![]()
;

.
шаг: определим настройки
вспомогательного регулятора. В эквивалентный объект относительно
вспомогательного регулятора подставляем, найденные на 2ом шаге оптимальные
настройки основного регулятора. Методом Циглера-Никольса находим оптимальные
настройки вспомогательного П-регулятора:

.
шаг: определяем настройки основного
ПИ-регулятора. Повторяем действия, описанные на 2ом шаге. ![]()
;
![]()
;
![]()
;
.
шаг: определим настройки
вспомогательного П-регулятора. Повторяем действия, описанные на 3ем шаге.



.
шаг: определим настройки основного ПИ-регулятора.
![]()
;
![]()
;
![]()
;
.
7 шаг: определим настройки вспомогательного
П-регулятора.

.
Т.к. настройки регуляторов, найденные на смежных шагах не отличаются, более чем на 10%, то принимаем следующие настройки:
· Для основного ПИ-регулятора:![]()
;![]()
.