Рисунок 3.5.1 Схема для исследования фильтра сосредоточенной селекции
Расчет и подбор параметров элементов фильтра сосредоточенной селекции c учетом варианта задания
Одной из важнейших характеристик данных устройств является коэффициент
связи К=
, где К1, К2 коэффициенты связи для
первого и второго контуров.
К1=Co/(C2+Co);
К2=Co/(C1+Co);
Для упрощения расчетов я возьму удобные мне значения элементов, я делаю
это для того, чтобы коэффициент связи был постоянен.
С3=С5=С7=С9=1 пФ
С2=С4=С6=С8=2 пФ=R2=R3=R4=R5=0,3 Ом
Используя эти упрощения, можно посчитать К1=K2=…=Kn
Коэффициент связи служит для количественной оценки взаимного влияния контуров и в практических конструкциях составляет величину менее 1.
Измерение частотных характеристик фильтра сосредоточенной селекции
В этом пункте мне нужно измерить частотную характеристику фильтра.
Максимум АЧХ должен находиться на промежуточной частоте 15500кГц. Результат
анализа представлен на рисунке 3.5.2.
Рисунок 3.5.2 АЧХ фильтра сосредоточенной селекции
Статистический анализ влияния производственных допусков элементов ФСС на его АЧХ с применением функции Monte Carlo
В этом пункте мне нужно посмотреть, как будет изменяться АЧХ с увеличением допуска элементов. Результаты приведены на рисунке 3.5.3 и в таблице 3.5.1 Из этих данных можно сделать вывод, что допуск в 5% сильно будет ухудшать избирательность фильтра, поэтому мне нужно использовать элементы с меньшими допусками.
Рисунок 3.5.3 Результат анализа Монте-Карло
Таблица 3.5.1
Разработанный ФСС обладает всеми необходимыми параметрами для стабильной работы: устойчивостью, стабильностью работы.
Максимум его АЧХ находится на нужной мне частоте.
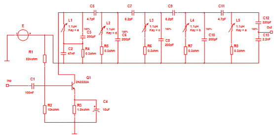
3.6 Усилитель промежуточной частоты
Выбор схемы усилителя промежуточной частоты и его обоснование
Измерение АЧХ усилителя с применением функции AC Analysis
Определение оптимальной величины напряжения источника питания Е с применением функции Parameter Sweep
Определение режимов элементов схемы по постоянному току с применением функции DC Operating Point
Анализ влияния температуры окружающей среды в диапазоне от -20° до +60° на АЧХ усилителя с применением функции Temperature Sweep
Статистический анализ влияния производственных допусков элементов усилителя на его АЧХ с применением функции Monte Carlo
Анализ устойчивости усилителя с применением функции Pole-Zero
Выбор схемы усилителя промежуточной частоты и его обоснование
УПЧ в отличие от УРЧ имеют фиксированную настройку и усиливают сигналы, поступающие от преобразователя частоты до уровня, необходимого для нормальной работы детектора. Именно этими устройствами в основном определяется частотная избирательность приемника.
Тракт усилителей ПЧ строится с использованием каскадов с одиночными настроенными в резонанс контурами, с двухконтурными полосовыми фильтрами или с фильтрами сосредоточенной селекции.
Я выберу УПЧ для УКВ диапазона, т.к. именно в этом диапазоне я и работаю.
Схема для исследования представлена на рисунке 3.6.1.
Рисунок 3.6.1 Схема усилителя промежуточной частоты
Измерение АЧХ усилителя с применением функции AC Analysis
Экспериментально я подобрал такие параметры элементов, чтобы АЧХ УПЧ был
настроен на промежуточную частоту. Результаты измерения АЧХ представлены на
рисунке 3.6.2.
Рисунок 3.6.2 АЧХ усилителя промежуточной частоты
Определение оптимальной величины напряжения источника питания Е с применением функции Parameter Sweep
В данном пункте я определю оптимальное значение величины источника
напряжения питания Е. Результаты моделирования представлены на рисунке 3.6.3 и
в таблице 3.6.1.
Рисунок 3.6.3 Зависимость АЧХ от напряжения источника питания Е
Таблица 3.6.1
Из анализа этих данных видно, что наилучшая форма АЧХ достигается при напряжении источника питания Е=20 В. Именно это значении я возьму для своей схемы.
Определение режимов элементов схемы по постоянному току с применением функции DC Operating Point
Результаты анализа схемы по постоянному току представлены в таблице
3.6.2.
Таблица 3.6.2
Анализ влияния температуры окружающей среды в диапазоне от -20°до+60° на АЧХ усилителя с применением функции Temperature Sweep
В этом пункте мне нужно будет проанализировать влияние температуры
окружающей среды на АЧХ усилителя. Результаты представлены на рисунке 3.6.4 и в
таблице 3.6.3.
Рисунок 3.6.4 Зависимость АЧХ усилителя от температуры
Таблица 3.6.3
Как видно из графика наилучшая стабильность достигается при температуре -200.
Однако характеристики усилителя вполне стабильны вплоть до температуры +300.
Это говорит о том, что его можно эксплуатировать в нормальных условиях.
Статистический анализ влияния производственных допусков элементов усилителя на его АЧХ с применением функции Monte Carlo
В данном пункте я проведу статистический анализ влияния производственных погрешностей на АЧХ УПЧ.
Я установил величину допустимых погрешностей для всех элементов 5%.
Результаты анализа представлены на рисунке 3.6.5 и в таблице 3.6.4.
Рисунок 3.6.5 Анализ Монте-Карло усилителя промежуточной частоты
Таблица 3.6.4
Как видно из графиков, допуск в 5% недопустим, т.к. это приводит к нарушению стабильности усилителя. Следовательно, мне нужно будет использовать элементы с меньшими допусками.
Анализ устойчивости усилителя с применением функции Pole-Zero
В этом пункте мне нужно будет посмотреть нули полюса передаточной функции
усилителя. Результаты представлены в таблице 3.6.5.
Таблица 3.6.5
Как видно из таблицы, все полюса имеют отрицательную вещественную часть, следовательно, система является устойчивой.
Спроектированный усилитель промежуточной частоты УКВ диапазона отвечает
требованиям по устойчивости и по зависимости от стабильности напряжения
питания, но имеет отклонения по зависимости от климатических условий и по
зависимости от производственных допусков элементов.
3.7 Детектор
План выполнения работы по этапу:
Выбор схемы детектора и его обоснование
Расчет и подбор элементов детектора c учетом варианта задания
Измерение частотных характеристик детектора
Анализ нелинейных искажений с применением функции Distortion Analysis
Анализ спектра внутренних шумов с применением функции Noise Analysis
Статистический анализ влияния производственных допусков элементов детектора на АЧХ с применением функции Monte Carlo
Измерение коэффициента фильтрации
Выбор схемы детектора и его обоснование
Детектор - каскад радиоприемника, в котором осуществляется преобразование (детектирование) входных модулированных колебаний в колебания модулирующего сигнала. В зависимости от вида модуляции в приемнике осуществляется амплитудное, частотное или фазовое детектирование.
Детекторы широко используются в приемниках различного назначения, в средствах автоматической регулировки усиления и автоматической подстройки частоты гетеродинов и других электронных устройствах. Для детектирования применяются транзисторы (биполярные, полевые) и полупроводниковые диоды.
Электрические свойства детектора оцениваются следующими качественными показателями:
формой детекторной характеристики;
коэффициентами передачи напряжения, гармоник, частотных искажений и фильтрации;
входным сопротивлением.
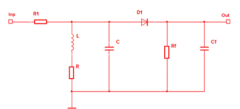
Мне необходим частотный детектор. Для реализации частотного детектора я
выбираю схему с одиночным расстроенным контуром, так как эта схема наиболее
проста и не требует использования трансформаторов (что значительно уменьшит
габариты и стоимость всего приемника). Схема для исследования представлена на
рисунке 3.7.1.

Расчет и подбор элементов детектора c учетом варианта задания
Частотный детектор должен быть так, что моя несущая частота 15,5 МГц, была на линейном участке АЧХ. Экспериментально я подобрал номиналы элементов схемы.= 6 мкГн= 15 пФ
Сf = 5 пФ=R2= 10 кОм
Измерение частотных характеристик детектора
Частотные характеристики частотного детектора представлены на рисунках
3.7.2 и 3.7.3.
Рисунок 3.7.2 АЧХ детектора
Рисунок 3.7.3 ФЧХ детектора
Как видно из рисунков, линейная часть характеристики детектора лежит в области 15,5 МГц. Такая характеристика позволит детектировать сигнал без искажений.
Анализ нелинейных искажений с применением функции Distortion Analysis
В этом пункте я должен посмотреть, присутствуют ли нелинейные искажения в
детекторе. Результаты представлены на рисунке 3.7.4.
Рисунок 3.7.4 Анализ нелинейных искажений
Как видно из рисунка, нелинейные искажения отсутствуют.
Анализ спектра внутренних шумов с применением функции Noise Analysis
Результаты приведены в таблице 3.7.1 Внутренние шумы незначительны и не
повлияют на работу устройства.
Таблица 3.7.1
Статистический анализ влияния производственных допусков элементов детектора на АЧХ с применением функции Monte Carlo
В этом пункте я проведу анализ влияния производственных допусков на АЧХ
детектора. Я взял допуски в 5%. Результаты представлены на рисунках 3.7.5,
3.7.6 и таблице 3.7.2.
Рисунок 3.7.5 Влияние допусков на АЧХ
Рисунок 3.7.6 Влияние допусков на ФЧХ
Таблица 3.7.2
Измерение коэффициента фильтрации
В этом разделе я проведу измерение коэффициента фильтрации.
Коэффициент фильтрации - это отношение напряжения высокой частоты на выходе к напряжению той же частоты на входе.
Значение Кф должно быть минимальным. Достаточным считается Кф £ 0,01
Результат моделирования приведен на рисунке 3.7.7.
Рисунок 3.7.7 Входной и выходной сигнал детектора
Таким образом, данная схема отвечает заданным параметрам.
В данном разделе мною был разработан детектор. Разработанный детектор
обладает всеми необходимыми параметрами для стабильной работы: устойчивостью,
стабильностью работы. Кроме того данная схема обеспечивает очень низкий
коэффициент фильтрации.
Заключение
В результате проведённых расчётов и моделирования радиоприёмного устройства супергетеродинного типа был разработан приёмник сигнала УКВ диапазона частот 120 - 145 МГц.
Использован необходимый вид модуляции и частотный диапазон.
В данной курсовой работе приведены смоделированные элементы радиоприёмного устройства: их схемы, расчёт параметров, проанализирована устойчивость работы в разных температурных условиях. В схеме предусмотрена подстройка частоты, с помощью изменяемых ёмкостей.
Выбор элементов устройства объясняется такими принципами, как:
простота реализации элемента, его габариты, стоимость;
широким спектром применения рассматриваемого элемента;
удовлетворение необходимым параметрам и характеристикам, заданным в соответствующем варианте задания.
Практически каждый из моделированных элементов удовлетворяет всем необходимым требованиям по пропускной способности, сохранения своих параметров в пределах изменения температуры, использовать необходимый вид модуляции и частотный диапазон.
Кроме того, были получены навыки использования программы Multisim,
которая позволяет производить моделирование схем, проводить нужные расчеты.
Список используемой литературы
1. Н.Н. Буга Радиоприемные устройства. Радио и связь, 2014
. Румянцев К.Е. Приём и обработка сигналов. - М.: Академия, 2009
. Карлащук В.И. Электронная лаборатория на IBM PC. Программа Electronics Workbench и её применение. - М.: Солон-Р, 2012.
. Конспект лекций по курсу "Теория электрической связи", 6 семестр.
. Internet.
. Теоретические
материалы по курсовой работе.