Vобр.з.бульд
= Vупл.ка = Vобр.з - Vобр.з.руч, м³
Vобр.з.бульд =54 220,49-3 997,2=50 223,29м
фундамент земляной арматурный бетонирование
1. Определение объема работ укрупнительной сборки опалубки. Площадь укрупнённых панелей равна всей площади опалубки фундаментов:
укр.сб=Sоп· Nфунд=33,34·154 = 5134,36 м²
где, Sоп - площадь щитов опалубки 1 фундамента, м;
Длина схваток для нижней ступени фундамента:
Lсхниж= Вф+0,1 м = 4,5+0,1=4,6 м
Lсхниж= L ф+0,1 м = 5+0,1=5,1 м
где, Вф - ширина нижней ступени фундамента, м;
L ф - длина нижней ступени фундамента, м.
Длина остальных схваток для фундамента
Lсх= Вфi+(Вфi-1- Вфi/2) + 0,1 м
Lсх = Lфi +(Lфi-1- Lф /2) + 0,1 м
где, Вфi - ширина ступени или подколонника фундамента, м;
Lфi - длина ступени или подколонника фундамента, м;
Вфi-1 - ширина нижележащей ступени фундамента, м;
Lфi-1- длина нижележащей ступени фундамента, м.
Lсх1= 3,6+(4,5-3,6)/2+0,1= 4,15 м
Lсх2= 2,7+(3,6-2,7)/2+0,1= 3,25 м
Lсх3= 1,8+(2,7-1,8)/2+0,1= 2,35 м
Lсхверх= 1+0,1= 1,1 м
Lсх1 = 4+(5-4)/2+0,1= 4,6 м
Lсх2= 3+(4-3)/2+0,1= 3,6 м
Lсх3= 2+(3-2)/2+0,1= 2,6 м
Lсхверх= 0,9+0,1= 1м
Рис.7. Схема раскладки опалубочных щитов фундамента
Таблица №1 Спецификация элементов опалубки
|
Поз. |
Марка |
Размеры щита, м |
Кол-во, шт. |
Площадь щитов, м² |
Масса, кг |
Всего |
||||
|
|
|
Длина |
Ширина |
|
1 щита |
на 1 фунд. |
единицы |
на 1 фунд. |
Кол-во, шт. |
Масса, т |
|
1 |
ЩМ 1х 0,3 |
1 |
0,3 |
8 |
0,3 |
2,4 |
15 |
120 |
1232 |
18,48 |
|
2 |
ЩМ 1,5х 0,3 |
1,5 |
0,3 |
14 |
0,45 |
6,3 |
22,5 |
315 |
2156 |
48,51 |
|
3 |
ЩМ 2,0х 0,3 |
2 |
0,3 |
8 |
0,6 |
4,8 |
30 |
240 |
1232 |
36,96 |
|
4 |
ЩМ 2,5х 0,3 |
2,5 |
0,3 |
8 |
0,75 |
6 |
37,5 |
300 |
1232 |
46,20 |
|
5 |
ЩМ 0,9х 0,3 |
0,9 |
0,3 |
12 |
0,27 |
3,24 |
13,5 |
162 |
1848 |
24,96 |
|
6 |
ЩМ 1,35х 0,3 |
1,35 |
0,3 |
8 |
0,41 |
3,28 |
20,5 |
164 |
1232 |
25,26 |
|
7 |
ЩМ 1,8х 0,3 |
1,8 |
0,3 |
8 |
0,54 |
4,32 |
27 |
216 |
1232 |
33,26 |
|
8 |
ЩМ 0,5х 1,5 |
0,5 |
1,5 |
4 |
0,75 |
3 |
37,5 |
150 |
616 |
23,10 |
|
Итого: |
|
|
|
Sоп=33,34 |
|
1667 |
Мщ=256,73 |
|||
|
Схватки. |
||||||||||
|
1 |
Сх-4,5 |
4,6 |
|
4 |
|
|
32,2 |
128,8 |
616 |
19,84 |
|
2 |
Сх-5,1 |
5,1 |
|
2 |
|
|
35,7 |
308 |
11 |
|
|
3 |
Сх-4,15 |
4,15 |
|
2 |
|
|
29,05 |
58,1 |
308 |
8,95 |
|
4 |
Сх-3,25 |
3,25 |
|
2 |
|
|
22,75 |
45,4 |
308 |
6,99 |
|
5 |
Сх-3,6 |
3,6 |
|
2 |
|
|
25,2 |
50,4 |
308 |
7,76 |
|
6 |
Сх-2,35 |
2,35 |
|
2 |
|
|
16,45 |
32,9 |
308 |
5,07 |
|
7 |
Сх-2,6 |
2,6 |
|
2 |
|
|
18,2 |
36,4 |
308 |
5,61 |
|
8 |
Сх-1,1 |
1,1 |
|
8 |
|
|
7,7 |
61,6 |
1232 |
9,49 |
|
9 |
Сх-1 |
1 |
|
8 |
|
|
7 |
56 |
1232 |
8,62 |
|
|
Итого |
|
|
|
|
|
|
541 |
Мсх=83,33 |
|
|
|
Всего: |
|
|
|
|
|
|
|
Моп=340,06 |
|
|
Кронштейн. |
||||||||||
|
1 |
Кр |
|
|
1 |
|
|
96,5 |
96,5 |
154 |
14,86 |
Вес квадратного метра опалубки - 50кг/м², масса одного погонного метра схватки - 7кг/м;
2. Определение объема работ по монтажу опалубки. В блок собираем
элементы опалубки ступеней и подколонника. Для определения объёма работ по
монтажу опалубки - краном или вручную - необходимо рассчитать максимальную
массу блока:
Mбл = ∑M1щi·nщi + ∑M1схj·nсхj, кг,
где, M1щi - масса "i" щита опалубки блока;
nщi - количество "i" щитов опалубки в блоке;
M1схj - масса "j" схватки блока;
nсхj - количество "j" схваток блока.
Опалубка нижней ступени включает: 8 щитов(поз.4) массой 37,5 кг, 8 щитов(поз.7) массой 37 кг, 2 схватки марки Сх-5,1 массой 35,7 кг и 2 схватки марки Сх-4,6 массой 32,2 кг, масса блока:
Mбл1 = 8·37,5+8·37+2·35,7+2·32,2 = 300+296+71,4+64,4=731,8 кг.
Опалубка второй ступени включает: : 8 щитов(поз.3) массой 30 кг, 8 щитов(поз.6) массой 20,5 кг, 2 схватки марки Сх-4,6 массой 32,2 кг и 2 схватки марки Сх-4,15 массой 29,05 кг, масса блока:
Mбл2 = 8·30+8·20,5+2·32,2+2·29,05 = 240+164+64,4+58,1=526,5 кг.
Опалубка третей ступени включает: 8 щитов(поз.2) массой 22,5 кг, 8 щитов(поз.5) массой 13,5 кг, 2 схватки марки Сх-3,6 массой 25,2 кг и 2 схватки марки Сх-3,25 массой 22,75 кг, масса блока:
Mбл 3 = 8·22,5+8·13,5+2·25,2+2·22,75 = 180+108+50,4+45,5=383,9 кг.
Опалубка четвёрой ступени включает: 8 щитов(поз.1) массой 15 кг, 4 щита(поз.5) массой 13,5 кг, 2 схватки марки Сх-2,6 массой 18,2 кг и 2 схватки марки Сх-2,35 массой 16,45 кг, масса блока:
Mбл 4 = 8·15+4·13,5+2·18,2+2·16,45 = 120+54+36,4+32,9=243,3 кг.
Опалубка подколонника включает: 4 щита (поз.9) массой 37,5 кг, 6 щитов (поз.2) массой 22,5 кг, 4 схватки марки Сх-1,1 массой 7,7 кг и 4 схватки марки Сх-1 массой 7 кг, масса блока:
Mбл5 = 4·37,5+6·22,5+4·7,7+4·7 = 150+135+30,8+28=343,8 кг.
Таким образом, масса всех блоков превышает 50 кг и монтаж этих конструкций производится краном.
. Определение площади опалубки подготовки:
Sпод= Sоп.под ·Nфунд = 1,98·154 = 304,92 м²
Таблица №2 Спецификация элементов опалубки на бетонную подготовку
|
Поз. |
Марка |
Размеры щита, м |
Кол-во, шт. |
Площадь щитов, м² |
Масса, кг |
Всего |
||||
|
|
|
Длина |
Ширина |
|
1 щита |
на 1 подг. |
Единицы |
на 1 подг. |
Кол-во, шт. |
Масса, т |
|
1 |
2 |
3 |
4 |
5 |
6 |
7 |
8 |
9 |
10 |
11 |
|
Щиты |
||||||||||
|
1 |
ЩМ 5,2×0,3 |
5,2 |
0,1 |
2 |
0,52 |
1,04 |
26 |
52 |
308 |
8,32 |
|
2 |
ЩМ 4,7×0,3 |
4,7 |
0,1 |
2 |
0,47 |
0,94 |
23,5 |
47 |
308 |
7,24 |
|
3 |
Сх-5,2 |
5,2 |
|
2 |
|
|
36,4 |
72,8 |
308 |
11,21 |
|
4 |
Сх-4,9 |
4,9 |
|
2 |
|
|
34,3 |
68,6 |
308 |
10,56 |
|
|
ИТОГО: |
|
|
|
Sоп.под=1,98 |
|
240,4 |
Мпод=37,33 |
||
Монтаж производим краном, так как масса блока: 52+47+72,8+68,6 = 240,4 кг - более 50 кг.
Общая потребность опалубки для устройства фундаментов и бетонных подготовок:
Общая площадь опалубки:
оп+Sпод=5 134,36+304,92 =5439,3 м²
Общая масса опалубки:
Моп+Мпод=340,06+37,33=377,4 т.
Таблица №3 Спецификация арматурных сеток и стержней фундаментов
|
Марка |
Диаметр арматуры, мм |
Шаг стержней, мм |
Длина стержня |
Количество стержней |
Масса 1п.м, кг |
Масса одной сетки, стержня, кг |
Количество сеток |
Всего на 1 фундамент, кг |
Всего |
|
|
|
|
|
|
|
|
|
|
|
Количество, шт. |
Масса, т |
|
1 |
2 |
3 |
4 |
5 |
6 |
7 |
8 |
9 |
10 |
11 |
|
С1 |
20 |
200 |
4,45 |
24 |
2,47 |
581,7 |
2 |
1163,4 |
308 |
358,3 |
|
|
|
|
4,95 |
26 |
|
|
|
|
|
|
|
С2 |
20 |
200 |
3,95 |
21 |
2,47 |
371,5 |
2 |
743 |
308 |
228,8 |
|
|
|
|
3,55 |
19 |
|
|
|
|
|
|
|
С3 |
20 |
200 |
2,95 |
16 |
2,47 |
214,8 |
2 |
429,6 |
308 |
132,3 |
|
|
|
|
2,65 |
15 |
|
|
|
|
|
|
|
С4 |
20 |
200 |
1,95 |
11 |
2,47 |
96,2 |
2 |
192,4 |
308 |
59,3 |
|
|
|
|
1,75 |
10 |
|
|
|
|
|
|
|
С5 |
12 |
200 |
0,95 |
6 |
0,888 |
9,6 |
2 |
19,2 |
308 |
5,9 |
|
|
|
|
0,85 |
6 |
|
|
|
|
|
|
|
Итого: |
mарм=2547,6 |
mарм.сет=784,6 |
||||||||
|
Арматурные стержни |
||||||||||
|
А1 |
18 |
100 |
2,625 |
66 |
2,0 |
5,25 |
- |
346,5 |
10164 |
53,36 |
|
Всего: |
|
mарм=837,96 |
||||||||
1. Определение объёма работ по сортировке конструкций.
Для ручных работ подъем тяжести ограничен до 50 кг. Для сортировки вручную принимаем сетку С 5 с массой 9,6 кг и арматурные стержни А 1, масса каждого стержня составляет 5,25 кг. Определим процентное соотношение сеток, сортируемых краном и вручную.
1.1 Определение количества сеток сортируемых краном весом более 50 кг:
Мсорт.кран=ΣМарм.сет
=784,6
=778,8 т
где, ΣМарм.сет - масса всех сеток фундаментов, т;
Σmi - масса всех сеток одного фундамента весом более 50 кг;
Σmарм - сумма масс всех сеток одного фундамента, т
Определение количества сеток сортируемых вручную весом до 50 кг:
Мсорт.руч=
ΣМарм.сет
=784,6
=5,9 т
где, Σmj - масса всех сеток одного фундамента весом до 50 кг
2. Определение объема работ по установке арматурных сеток. Сетки С 1, С 2, С 3, С 4 массой свыше 50 кг устанавливаем в проектное положение краном, сетки марки С 5 - вручную. Тогда: (308+308+308+308) = 1232 сеток монтируем краном, и 308 сеток марки С 5 монтируем вручную.
3.Определение объёма работ по установке и вязке отдельных арматурных стержней. Масса стержней составляет 53,36 т.
2. Объём арматурных работ:
Марм=Марм.сет + Марм.ст = 784,6+53,36=
837,96 т



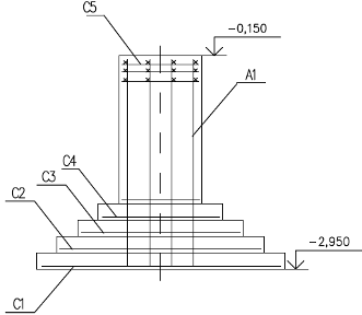
Рис.8. Схема армирования фундамента.
1.
Определение
объема работ по приему и укладке бетонной смеси на фундаменты и бетонную
подготовку:
Vприём бет.подг= Vподг = 376,376 м³
Vприём бет.фунд = Vфунд = 2 453,22 м³
2.
Определение
объема работ по подаче бетонной смеси на фундаменты и бетонную подготовку:
Vпод.бет.подг.= Vприём бет.подг. · К= 376,376 ·1,02=383 м³
Vпод бет.фунд.= Vприём
бет.фунд. · К=
2453,22 ·1,02=2502,3 м³
где, К - коэффициент, учитывающий потери бетонной смеси при подаче к месту укладки, К= 1,02.
При бетонировании фундаментов производительность работ определяется числом рабочих-бетонщиков. Состав звена по Е 4-1-49, табл.1 включает бетонщиков 4р-2 чел., 2р-2 чел. Итого: 4 чел.
Производительность бетонщиков в смену при укладке
смеси:
Псм=
=
=123м³ /см
где, n-кол-во рабочих в бригаде;
Hвр=0,26 чел х час, норма времени;
kз=1,0, коэффициент, учитывающий условия работы.
При общем объеме бетонных работ Vфунд =2502,3 м³ максимальное количество захваток должно быть не более:
max=
=
=21 захватка
Разбиваем весь объем работ на 21 захватку.
Для выполнения планировочных работ при перемещении грунта до 70-80м
принимаем бульдозер средней мощности ДЗ-8 на базе трактора Т-100.
Таблица №6 Технологическая характеристика бульдозера ДЗ-8.
|
№ |
Показатель |
Значение |
|
1 |
Высота отвала h, м |
1,2 |
|
2 |
Длина отвала l, м |
3,2 |
|
3 |
Габаритные размеры, м: длина/ширина/высота |
|
|
4 |
Технические характеристики бульдозера: Скорость резания грунта V3, км/ч Скорость при перемещении грунта Vпер, км/ч Скорость при обратном ходе Vобх, км/ч |
2,9 5,8 7,9 |
. Расчет производительности выбранного типа бульдозера ДЗ-8 в смену:
Пб
= 8ч·q·Кв·Кт·
=
.=
=1,65
- объем грунта перед отвалом
где,
Кп - коэффициент, учитывающий потери грунта при перемещении;
Кп=1-0,005·lпер=1-0,005·27,5=0,86
где, lпер - длина перемещения грунта при полном цикле работы
lпер
=0,25· Взд +5м=0,25·90+5=27,5
Кр -коэффицент первичного разрыхления грунта, для мягкого лесса Кр=1,8;
tц - время полного цикла работы бульдозера
ц =tз +tп+tобх+tпер=0,0011+0,0047+0,0035+0,005=0,014ч
з - затраты времени на резание грунта;
з=
=
=0,0011 ч
lз - длина пути резания грунта;
з=
=
=3,1 м
п- затраты времени на перемещение и разравнивание грунта;
п =
=
=0,0047 ч
обх - затраты времени на обратный ход;
Vобх - скорость при обратном ходе, равная 7,9 км/ч.
обх=
=
=0,0035ч