КУРСОВОЙ ПРОЕКТ
по дисциплине "Технология строительных процессов"
Производство земляных и бетонных работ при устройстве монолитных фундаментов промышленных и гражданских зданий
Содержание
1. Исходные данные
. Определение вида земляных работ для устройства фундамента
. Подсчет объемов земляных работ
. Подсчет объемов опалубочных работ
. Подсчет объемов арматурных работ
. Подсчет объёмов бетонных работ
. Определение числа захваток при бетонировании
. Выбор машин и механизмов для земляных и монтажных работ
.1 Выбор бульдозера для планировки
.2 Выбор экскаватора для разработки грунта
.3 Расчет автотранспорта для перевозки грунта в отвал (резерв)
.4 Выбор крана для монтажных работ
.5 Выбор самоходных катков
.6 Выбор автобетоносмесителя
.7 Выбор автобетононасоса
.8 Выбор вибраторов
. Ведомость объемов работ по устройству монолитных фундаментов
. Расчет калькуляции трудовых затрат и машинного времени
. Разработка графика производства работ
. Организация и технология строительного процесса
. Составление ведомости материально-технических ресурсов
.1 Потребность в строительных машинах, механизмах, организационно-технической оснастке, инструменте
.2 Потребность основных материалов и конструкций
. Контроль качества и приемка работ
. Техника безопасности при производстве работ
Библиографический список
1. Назначение здания - промышленное, отапливаемое с металлическим каркасом, бесподвальное.
2. Длина здания в осях Lзд =210 м
3. Ширина здания в осях Взд=90 м
4. Ширина пролета в осях Впр=15м
5. Шаг колонн в осях Вш=10 м
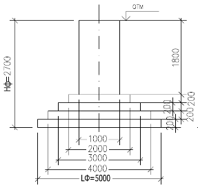
6. Высота подколонной части фундамента hi=1,5 м
7. Количество ступеней фундамента nст=4
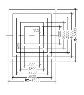
8. Габариты подколонной части фундамента
Lф i=1,0 м
В ф i =0,9 м
9. Высота ступени h1(2,3)=0,3м
10. Габариты ступени фундамента
l1(2,3,4)=0,5 м
b1(2,3,4)=0,45 м
11. Размеры подошвы фундамента
Lф=5,0м
Вф=4,5м
12. Высота фундамента Нф=2,7м
13. Материал фундамента: класс бетона В 15, марка цемента ШПЦ 300
14. Бетон подготовки класса В 5
15. Температура выдерживания бетона tвб= ±0оС
16. Темп-ура наружного воздуха tн.в=(N1/5)-10-(N2/3)=(4/5)-10-(9/3)= - 12,2оС
17. Растительный слой грунта - с примесью щебня, гравия или строительного мусора
18. Грунт - Лесс мягкий без примесей; средняя плотность в естественном состоянии - 1600 кг/м³
Армирование фундамента. Армирование ступеней.
19. Диаметр арматурных стержней в сетке ступней dsс=20мм
20. Шаг стержней в сетке ступеней ас=200мм
21. Количество сеток в одной ступени nсс=2
Армирование подколонной части. Сетки подколонной части.
22. Диаметр арматурных стержней в сетке поддколонника dsc=12 мм
23. Шаг стержней в сетке подколонной части ас=200мм
24. Количество сеток в подколонной части n сc=2
25. Величина защитного слоя бетона взс=25мм
Вертикальное армирование подколонной части фундамента.
26. Диаметр арматурных стержней периодического профиля для вертикального армирования dsn=18 мм
27. Шаг стержней в каркасе вертикального армирования аc=100мм
28. Величина защитного слоя бетона для вертикального армирования взс=30мм
29. Длина стержней вертикального армирования 2,64м
30. Расстояние транспортировки грунта на вывоз L= 7км
31. Расстояние транспортировки бетонной смеси l=18 км
32. Срок планировочных работ - 2-3 дня
33. Срок выполнения работ Nдн -40 суток
Nфунд.=154шт
Согласно заданию принимаем металлический каркас здания, фундаменты монолитные железобетонные. Всего Nфунд.=154 фундаментов (определено по плану несущих конструкций).
Согласно табл.42 СП* "Стальные конструкции" наибольшее расстояние между температурными швами по длине блока (L) для отапливаемого здания с металлическим каркасом составляет 160 м, по ширине блока (В) -110м. Размеры здания в осях 210 (Lзд.)×90 (Взд.) м, поэтому здание не делится на температурные блоки. Отметка заложения обреза фундамента -0,150м. Тогда отметка дна котлована
Fдн= Нф+ Fобр+ hнед= 2,7+0,15+0,1=2,95 м
где, HФ - высота фундамента (принять по заданию);обр
- отметка обреза фундамента, м;нед - высота слоя грунта при
подчистке вручную (недобор), мдн=2,6+0,15+0,1=2,85м

Рис.1. Фундамент монолитный
. Определение высоты котлована:
Нк=Fдн - hср - hнед=2,95-0,15-0,1=2,7
м
где, hср - высота срезаемого слоя при планировке грунта.
Рис.2. Схема определения высоты котлована
. Определение горизонтального заложения откоса:
d=m·Hк=0,5·2,7=1,35м
где, m=0,5 - коэффициент откоса, для лесс
. Определение расстояния между выемками в поперечном направлении здания
(по ширине пролета):
L max=Впр-LФ-2·0,6-2·m·Hк,
где, Впр - ширина пролёта здания (минимальная) или расстояние между осями в поперечном направлении здания, м;
LФ - длина подошвы фундамента, м.
L max=15-5-2·0,6-2·0,5·2,7=6,1 м
. Определение расстояния между выемками в продольном направлении здания
(по ширине шага):
Lmin = Bш - BФ - 2·0,6 - 2· m·Hк =10-4,5-2·0,6-2·0,5·2,7=1,6м
где, Bш - шаг несущих конструкций (колонн) или расстояние между осями в продольном направлении здания, м;
BФ -ширина подошвы фундамента, м;
,1 - расстояние от основания откоса выемки до ближайшей грани фундамента из условий безопасности производства работ.
. Назначение вида сооружения по результатам
При L max=0,1м< 8,0 м - устраиваем общий котлован под все здание с устройством въездной траншеи.
Расчетная схема котлована. При расчете расстояние от основания откоса котлована до фундамента 0,6 м. Недобор грунта производиться вручную на высоту 0,10 м.
. Определение площади срезки растительного слоя грунта бульдозером:
=(Bзд+20) · (Lзд+20)=(90+20) · (210+20)=25300 м²
. Определение объема работ по перемещению срезанного грунта в отвал при
расстоянии перемещения:
Vпер.ср.=S·hср=25300·0,15=3795м³
lср.пер=
=
=105м
lср.пер - расстояние перемещения срезанного грунта бульдозером в отвал,
hср- высота срезанного грунта при планировке, hср =0,15 м.
3. Определение объёма котлована:
Определение длины котлована по дну с учетом привязки крайних колонн
температурного блока 0,5м:
а=Lзд-0,5·2+ BФ+0,6·2=210-1+4,5+1,2=214,7 м;
где, 0,5 - привязка крайних колонн температурного блока, м.
Определение ширины котлована по дну:
= Bзд +LФ+0,6·2=90+5+1,2=96,2 м;
Определение длины котлована по верху, А:
А=а+2·d=214,7+2·1,35=217,4м;
Определение ширины котлована по верху, В:
В=b+2·d=96,2+2·1,35=98,9м;
. Определение объема котлована:
Vк.=Hк·(a·b+A·B+(a+A) ·(b+B)) / 6 = 2.7 ·
(214,7·96,2 + 217,4·98,9 + (214,7 + 217,4) ·(96,2 + 98,9)) / 6 = 2,7·(20654,14
+ 21500,86 + (432,1·194,8)) / 6 = 2,7·(20654,14 + 21500,86 + (84173,08) / 6 =
2,7·(126328,08/6) = 56847,64м³
5. Определение объёма съезда. Принимаем
Vсъезда
=
· (3·bсъезда + 2·m· Hк
·(m'-m) =
·(3·6 +
+2·0,5·2,7
·(8--0.5)=187,04 м³
. Определение объемов земляных работ:
зем.раб.= Vк + Vсъезд
=56847,64 + 187,04=57034,68 м³
где, Vк - объем котлованасъезда- объем съезда.
Определение объема фундаментов
фунд=(∑Vступ+Vподк)·Nфунд;
где, ∑Vступ - объём ступеней одного фундамента, м³
∑Vступ=∑(ВФ·LФ·h1+ВФ
1·LФ 1·h2+ВФ 2·LФ 2·h3+ВФ
3·LФ 3·h4)
∑Vступ =∑(4,5·5,0·0,3+3,6·4,0·0,3+2,7·3,0·0,3+1,8·2,0·0,3)=14,58 м³ подк - объём подколонника (стакана) одного фундамента, м³
подк= ВФi·LФi·hi=0,9·1·1,5=1,35 м³
фунд=(14,58+1,35)·154=2453,22 м³
6. Определение объемов бетонной подготовки:
Определение размеров бетонной подготовки для фундамента:
Впод=ВФ+0,2=4,5+0,2=4,7 мпод=LФ+0,2=5,0+0,2=5,2
м
Определение объема бетонной подготовки:
бет.под.= Впод ·Lпод·hпод·Nфунд=4,7∙5,2∙0,1∙154=376,376
м³
где, hпод - высота бетонной подготовки hпод = 0,1.
Впод- ширина бетонной подготовки.
Рис.3. Продольный разрез
Рис.4. Поперечный разрез
Рис.5. Фрагмент плана фундамента
Определение объема ручных работ
1. Определение объема работ при подчистке грунта под фундаментами вручную (объем недобора грунта):
нед.руч = (Впод+0,1)·(Lпод+0,1)·hнед · Nфунд
нед.руч =(4,7+0,1)·(5,2+0,1)·0,1·154=391,78 м³
где, hнед - высота слоя грунта при подчистке вручную (недобор), м.
Грунт вблизи поверхностей фундамента для исключения повреждения конструкции засыпается и уплотняется вручную. Оставшийся объем грунта уплотняется с помощью специальных машин (катков).
2. Определение площади поверхности одного фундамента, соприкасающейся с грунтом:
Ф = (ВФ·h1 + LФ·h1)·2 + (ВФ1·h2
+ LФ1·h2)·2 + (ВФ2·h3 + LФ3·h3)·2
+ (ВФ3·h4 + LФ3·h4)·2 + (ВФ3·h4
+ LФ3·h4)·2 + (ВФ·LФ - ВФi·LФi)
= (4,5·0,3 + 5,0·0,3)·2 + (3,6·0,3 + 4,0·0,3)·2 + (2,7·0,3 + 3,0·0,3)·2 +
(1,8·0,3 + 2,0·0,3) + (1,0·1,5·2 + 0,9 ·1,5·2) + (4,5·5,0 - 1,0·0,9) = 43,26 м²
3. Определение объема работ при обратной засыпке пазух котлована вручную. Засыпка вручную поверхности фундамента производиться на толщину 0,6 м, тогда:
обр.з.руч=SФ · tупл · Nфунд=
43,26·0,6·154=3997,2 м³
где, tупл - толщина слоя грунта (от поверхности фундамента), уплотняемого вручную, tупл = 0,6 м.
4. Определение объёма работ при уплотнении грунта обратной засыпки электротрамбовками вручную:
Определение площади уплотнения грунта у подошвы фундамента:
Sпод=4·(t2упл-b2cт+ Bфi(tупл+ bcт)), м²
где, tупл - толщина слоя уплотняемого грунта, tупл=0,6 м;
bcт =0, при расчёте площади уплотнения у подошвы фундамента.
Sпод=2·(0,62+4,5·0,6)+ 2·(0,62+5,0·0,6) =6,12+6,72=12,84 м²
Определение площади уплотнения грунта вблизи фундамента в уровне первой,
второй, третьей и четвертой ступеней:
Sст
1,2,3,4=4·(t2упл - b2cт + Bфi(tупл
+ bcт)), м²
где, bcт - ширина нижележащей ступени фундамента, м;
tупл - толщина слоя уплотняемого грунта, tупл=0,6 м.
Sст1 = 2·(0,620,32 + 4,5(0,6 + 0,3)) + 2·(0,62·0,32 + 5,0(0,6 + 0,3)) = 2·(0,27 + +4,05) + 2·(0,27 + 4,5) = 8,64 + 9,54 = 18,18 м²
Sст2 = 2·(0,62 - 0,32 + 3,6(0,6 + 0,3)) + 2·(0,62 - 0,32 + 4(0,6 + 0,3)) = 2·(0,27 + 3,24) + 2·(0,27 + 3,6) = 7,02 + 7,74 = 14,76 м²
Sст3 = 2·(0,62 - 0,32 + 2,7(0,6 + 0,3)) + 2·(0,62 - 0,32 + 3(0,6 + 0,3)) = =2·(0,27 + 2,43) + 2·(0,27 + 2,7) = 5,4 + 5,94 = 11,34м²
Sст4 = 2·(0,62 - 0,32 + 1,8(0,6 + 0,3)) + 2·(0,62 - 0,32 + 2(0,6 + 0,3)) = =2·(0,27 + 1,62) + 2·(0,27 + 1,8) = 3,78 + 4,14 = 7,92 м²
Sст общ= 7,92 + 11,34 + 14,76 + 18,18 = 52,2 м²
Определение площади уплотняемой поверхности грунта вблизи подколонной
части фундамента:
Sподк = (4·
) · (t2упл + Bфi · tупл) = ((2 ·
) · (0,62
+ 1,0·0,6) + ((2·
)·(0,62 + 0,9·0,6)=27 м²
где, h i - высота подколонной части фундамента, м;
tcл - мощность (высота) уплотняемого слоя, tcл =0,3-0,4 м;
tупл - толщина слоя уплотняемого грунта, tупл=0,6 м.
Определение площади уплотняемой поверхности фундамента:
Sфунд=∑Sст + Sпод, м²
где, ∑Sст - сумма площадей уплотняемой поверхности грунта у подошвы фундамента и в уровне каждой ступени;
Sпод - площадь уплотняемой поверхности грунта вблизи подколонной части фундамента.
Sфунд=12,84+52,2+27=92,04 м²
Определение объёма работ при уплотнении грунта обратной засыпки всех
фундаментов электротрамбовками вручную:
Sупл.руч=Sфунд·Nфунд=92,04·154= 14 174,16 м²
где, S - площадь уплотняемой поверхности, м².
Определение объема механизированных работ
1. Определение объёма обратной засыпки:
Vобр.з
= Vзем.раб - Vфунд - Vбет.под
± (Vнед.руч - Vбет.под), м³
Vобр.з= 57 034,68-2 453,22-376,376+(391,78-376,376)=54 220,49 м³
2. Определение объёма работ при разработке грунта в транспорт:
Vвывоз
= Vфунд + Vбет.под ± (Vнед.руч - Vбет.под), м³
Vвывоз = 2 453,22+376,376+(391,78-376,376)=2 845 м³
*Знак "+" следует учитывать, если грунт подчистки остается в котловане, то есть грунт подчистки используется при обратной засыпке сразу после устройства бетонной подготовки.
. Определение объёма при разработке грунта навымет (в отвал) Vотв, и перемещение грунта в отвал, Vпер. Грунт обратной засыпки храниться на
складе, тот же объем грунта перемещается до отвала:
Vотв
= Vпер = Vобр.з= 54 220,49 м³
. Определение объёма работ при обратной засыпке котлована бульдозером, Vобр.з.бульд, и уплотнение катками, Vупл.кат. Засыпка грунта производится, как
правило, бульдозером, уплотнение грунта - катками послойно. Толщина
уплотняемого слоя зависит от типа грунта и массы уплотняющей машины. Объем
грунта вычисляется без учета объема грунта ручной засыпки: