Материал: Проектирование вертикальной планировки территории микрорайона

Внимание! Если размещение файла нарушает Ваши авторские права, то обязательно сообщите нам

Проектирование вертикальной планировки территории микрорайона

МИНИСТЕРСТВО ОБРАЗОВАНИЯ И НАУКИ РОССИЙСКОЙ ФЕДЕРАЦИИ

Федеративное государственное бюджетное образовательное учреждение высшего профессионального образования

«Ростовский государственный строительный университет»

Институт ДТИ

Кафедра ВГ и Ф






РАСЧЕТНО-ПОЯСНИТЕЛЬНАЯ ЗАПИСКА КУРСОВОГО ПРОЕКТА

По дисциплине: технология строительства

Тема: проектирование вертикальной планировки территории микрорайона










Ростов-на-Дону

г.

Ростовский государственный строительный университет

«Утверждаю» Институт ДТИ

Зав. Кафедрой Кафедра ВГ и Ф









ЗАДАНИЕ

ПО КУРСАВОМУ ПРОЕКТУ

по дисциплине: Технология строительства

Студенту группы

. Тема проекта: проектирование вертикальной планировки территории микрорайона

. Срок сдачи проекта:

3. Исходные данные к курсовому проекту: планировка и застройка квартала - копия генерального плана города, поперечные профили улиц, ограничивающих квартал, отметки центров перекрёстков, проектные уклоны осей улиц.

. Содержание расчетно-пояснительной записки: Проектирование вертикальной планировки микрорайона, вычисление объемов земляных работ

. Перечень графического материала: План вертикальной планировки микрорайона, картограмма земляных работ, продольный профиль автомобильной дороги.

Дата выдачи задания: 10.02.14

Руководитель курсового проекта:

Задание получил: обучающийся

СОДЕРЖАНИЕ

Раздел 1

. Проектирование вертикальной планировки территории микрорайона

.1 Исходные данные к выполнению курсового проекта

.2 Вычисление отметок характерных точек и уклонов на перекрестках

.3 Определения положения проектных горизонталей на перекрестке

1.4 Определение положения горизонталей на участках улиц вне пределов размостки

.5 Определение положения горизонталей на въезде в микрорайон

.6 Вычисление отметок точек пересечения осей внутриквартальных проездов с красными линиями

1.7 Определение положения проектных горизонталей на внутриквартальных проездов

.8 Определение положения горизонталей на отмостке зданий

.9 Проектирование рельефа на не застроенной территории

Раздел 2

.1 Определение объемов земляных работ для территории микрорайона

.2 Вычисление объёмов земляных работ для участка улицы

2.3 Вычисление объёма земляных работ при возведении земляного полотна участка автомобильной дороги

Приложение 1

Приложение 2

РАЗДЕЛ 1. Проектирование вертикальной планировки территории микрорайона

Несомненно, главным мероприятием по инженерной подготовке территории является вертикальная планировка, представляющая собой совокупность мероприятий по изменению рельефа с целью обеспечения беспрепятственного стока с территории поверхностных вод, создания комфортных условий для движения транспорта и пешеходов, размещения зданий и сооружений.

Объем и виды работ по вертикальной планировке зависят от целого ряда факторов: функционального назначения территории, ее размеров, характера и плотности застройки, категории улиц и дорог, типа грунтов, слагающих территорию и др.

При проектировании вертикальной планировки проектные отметки территории населенного пункта или его планировочного элемента следуют назначить исходя из условий максимального сохранения естественного рельефа, почвенного покрова и существующих древесных насаждений, минимизации объема земляных работ.

1.1 Исходные данные

Для выполнения курсового проекта приводятся следующие исходные данные:

1.      Поперечные профили улиц (рисунок 1);

2.      Схема планировки микрорайона (рисунок 2);

3.      Продольные уклоны осей ул. Федеративная, ул. Мира, ул. 1-го Мая:

i1-2пр= - 0,009, i2-3пр= 0,012, i1-4пр= 0,012;

4.      Проектная отметка на перекрестке № 1 (пересечение ул. Федеративная и ул. 1-го Мая):

Н1= 342,11 м.

Также, для дальнейшего выполнения вертикальной планировки были найдены проектные отметки остальных трех перекрестков и продольный уклон по ул. Спортивной:

Н2 = Н1 + i1-2 *d1-2=342,11 - (0,009 * 205) = 340,26 м;

Н3 = Н2 + i2-3* d2-3= 340,26 + (0,012 * 105) = 341,52 м;

Н4 = Н1 + i1-4* d1-4= 342,11 + (0,012 * 105) = 343,37 м;

i3-4 =  =

Рисунок 1 - Поперечные профили улиц.

Рисунок 2 - Схема планировки и застройки квартала

1.2 Вычисление отметок характерных точек и уклонов (продольных и поперечных), характерных направлений на пересечениях улиц

перекресток улица горизонталь микрорайон

Проектирование рельефа на перекрестках городских улиц и дорог несколько усложняется вследствие необходимости устройства размостки улиц для обеспечения пропуска через перекресток поверхностных вод с более высоких территорий к расположенному ниже рельефу.

Размосткой улицы называется переход от двускатного поперечного профиля к односкатному на участке улицы, непосредственно прилегающем к перекрестку. Размостка выполняется постепенным поворотом одной половины проезжей части вокруг оси улицы до совмещения с плоскостью второй половины проезжей части или постепенным смещением гребня проезжей части от ее оси к верхнему лотку. Гребень размостки располагают на размащиваемой улице, начало его на оси улицы, а конец - в пересечении верхнего лотка с пересекающейся улицей.

Длина участка улицы, в пределах которого осуществляется размостка, вычисляется по следующим формулам:

              (1)

,            (2)

где В - ширина проезжей части размащиваемой улицы;

 - поперечный уклон размащиваемой улицы в конце размостки.

- продольный уклон размащиваемой улицы.

При этом, формула (2) используются в том случае, когда продольный уклон размащиваемой улицы менее 0,020. Когда продольный уклон больше 0,020, используют формулу (1).

Для определения положения проектных горизонталей на перекрестке предварительно назначают улицы, для которых будет запроектирована размостка, затем вычисляют отметки характерных точек рельефа на перекрестке и прилегающих к нему участках улиц (центры перекрестков, точки на пересечении продленных красных линий застройки между собой, с тротуарами, газонами, лотками и осями улиц, на пересечении лотков, начало размостки и на поперечниках на ней).

Расчет характерных точек рельефа приведен далее на примере первого и второго перекрестков:

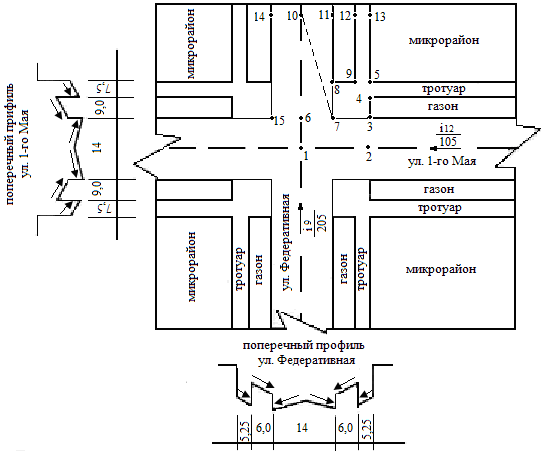
. Перекресток № 1. Пересечение ул. Федеративная и ул. 1-го Мая.

Длина размостки:


Длина гребня проезжей части по ул. Федеративная в пределах размостки:


Далее, необходимо провести последовательный расчет отметок характерных точек рельефа:


Далее, для вычисления отметок восьмой и девятой точки необходимо вычислить уклон лотка (7-11):


Вычисленные через поперечные профили двух пересекающихся улиц два значения  и  высоты угла квартала не совпадают и поэтому по двум полученным значениям необходимо назначить одну окончательную отметку. Добиться совпадения отметок  и  можно изменением поперечных уклонов тротуаров у перекрестка.

Найдем разницу между  и :


После изменения поперечных уклонов, необходимо вычислить их заново:


Рисунок 3 - Схема расположения характерных точек рельефа на перекрестке ул. Федеративная и ул. 1-го Мая

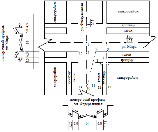
. Перекресток № 2. Пересечение ул. Мира и ул. Федеративная:

Длина размостки:

Длина гребня проезжей части по ул. Федеративная в пределах размостки:


Далее, необходимо провести последовательный расчет отметок характерных точек рельефа:


Далее, для вычисления отметок восьмой и девятой точки необходимо вычислить уклон лотка (7-11):


Вычисленные через поперечные профили двух пересекающихся улиц два значения  и  высоты угла квартала не совпадают и поэтому по двум полученным значениям необходимо назначить одну окончательную отметку. Добиться совпадения отметок  и  можно изменением поперечных уклонов тротуаров у перекрестка.

Найдем разницу между  и :


После изменения поперечных уклонов, необходимо вычислить их заново:


Рисунок 4 - Схема расположения характерных точек рельефа на перекрестке ул. Федеративная и ул. Мира.

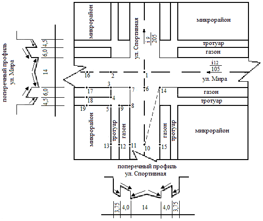
3. Перекресток № 3. Пересечение ул. Мира и ул. Спортивная:

Длина размостки:

Длина гребня проезжей части по ул. Спортивная в пределах размостки:


Далее, необходимо провести последовательный расчет отметок характерных точек рельефа:


Для вычисления отметок точек 8 и 9 предварительно необходимо определить уклон лотка (7-11):


Вычисленные через поперечные профили двух пересекающихся улиц два значения  и  высоты угла квартала не совпадают и поэтому по двум полученным значениям необходимо назначить одну окончательную отметку. Добиться совпадения отметок  и  можно изменением поперечных уклонов тротуаров у перекрестка.

Найдем разницу между  и :


Так как поперечный уклон был изменен по улице Мира, то необходимо узнать докуда будет измененный уклон. Для этого мы задаем расстояние и находим характерные точки рельефа:


После изменения поперечных уклонов, необходимо вычислить их заново:

Рисунок 5 - Схема расположения характерных точек рельефа на перекрестке ул. Спортивная и ул. Мира.

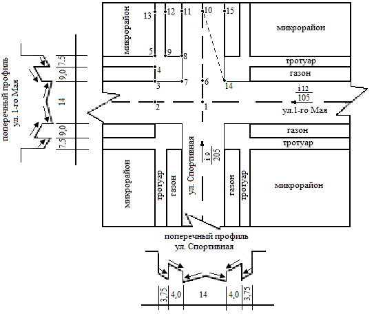
4. Перекресток № 4. Пересечение ул. 1-го Мая и ул. Спортивная:

Длина размостки:


Длина гребня проезжей части по ул. Спортивная в пределах размостки:


Далее, необходимо провести последовательный расчет отметок характерных точек рельефа:


Для вычисления отметок точек 8 и 9 предварительно необходимо определить уклон лотка (7-11):


Вычисленные через поперечные профили двух пересекающихся улиц два значения  и  высоты угла квартала не совпадают и поэтому по двум полученным значениям необходимо назначить одну окончательную отметку. Добиться совпадения отметок  и  можно изменением поперечных уклонов тротуаров у перекрестка.

Найдем разницу между  и :


После изменения поперечных уклонов, необходимо вычислить их заново.


Рисунок 6 - Схема расположения характерных точек рельефа на перекрестке ул. Спортивная и ул. 1-Мая.

1.3 Определения положения проектных горизонталей на перекрестке