(9)
Из
уравнений (8) и (9) определяются проекции вектора течения
через составляющие
:
Тогда модуль и направление вектора течения:
.
Аналогично
можно определить вектор течения в системе координат
, соответствующей
, и в
системе координат
, соответствующей
:
для
первого курса
для
второго курса
где
- направления течения для курсов судна
и
соответственно.
Направление течения в этом случае в географической системе координат можно
рассчитать по формулам
или
.
В
зависимости от расположения измерительного проводника (угла
) возможны различные конструктивные модификации
измерителей, позволяющие получить и различную информацию о скорости перемещения
судна.
В случае, когда используется измерительный проводник с жестко
закрепленными на корпусе судна электродами, размещение его возможно вдоль
диаметральной плоскости судна и перпендикулярно к ней.
Рисунок 3.6 - Измерение скорости с помощью проводника с жестко
закрепленными на корпусе судна электродами.
При
расположении проводника вдоль ДП (рисунок 3.6), то есть при
, ЭДС
индукции
в соответствии с (7) равна
,
то
есть ЭДС пропорциональна поперечной составляющей
. При
отсутствии дрейфа (
):
.
Таким
образом, при отсутствии дрейфа при применении жестко закрепленного на судне
измерительного проводника измеряется величина поперечной составляющей вектора
течения
.
Для
получения полного вектора течения необходимо измерить его составляющие на двух
различных курсах, а затем вычислить величину и направление вектора
.
При
расположении измерительного проводника перпендикулярно к ДП (
) можно определить продольную составляющую скорости
перемещения судна относительно грунта. Индуцируемая в проводнике ЭДС в этом
случае равна
.
,
то есть будет пропорциональна скорости судна относительно воды и продольной составляющей скорости течения.
Применение
двух взаимно перпендикулярных измерительных проводников (продольного и
поперечного измерителей) позволяет определить полный вектор скорости
и суммарный снос
.
Исходными
данными для расчета базового расстояния
геоэлектромагнитного
измерителя являются: чувствительность измерительного прибора
; требуемая точность измерения скорости
; напряженность вертикальной составляющей магнитного
поля Земли
(определяется по известной широте местоположения
судна
).
Базовое
расстояние между измерительными проводниками
.
Корреляционный лаг
Принцип действия корреляционных лагов заключается в измерении времени сдвига между двумя акустическими сигналами, излучаемыми с движущегося судна, отраженными от морского дна и принятыми размещенными в направление судна антеннами.
Отраженные сигналы из-за микронеровностей судна - спектр лучей с различной временной задержкой случайного характера.
Измерение задержки - определяется максимальным взаимодействием
корреляционной функции двух эхолотов Rxy.
Рисунок 3.7 - Принцип действия корреляционного лага
На рисунке показаны три расположенные в диаметральной плоскости антенны с одинаковыми дистанциями направленности, которые перекрывают друг друга. Излучающая антенна 3 находиться между приемными 1 и 2. В момент t1 на приемнике 1 будет принят эхосигнал излучателя 3, отраженный от дна в контрольной точке, т.е. зависящий от характера и структуры грунта и от проходимости ими в воде расстояния. Амплитуда и фаза принятого сигнала определяется траекторией лучей R3 и R1(рис. а). Рельеф дна воспроизведенный в антенне 1, как непрерывный профиль, рассмотрим как реализацию случайной функции Rx(график), т.е. корреляционную функцию этого сигнала.
Через t судно переместиться на расстояние L( рисунок б). Антенна 3 займет
положение антенны 1, а 2-3 R’3 и R2 повторяет предыдущую траекторию, но
в противоположном направлении. Но изменение направления сигнала не меняет его
амплитуды и фазы и реализация случайной функции Rу близка к Rх ,
т.е. в этой точке сильная корреляция слоев. Поэтому взаимная корреляционная функция
равна:
в данной точке максимальная.
Это справедливо для любой точки морского дна, которая находится в зоне,
перекрываемыми диаграммами направленности, запаздывание равно отношению
пройденного расстояния к скорости судна:
не зависит от скорости волны, что является важным преимуществом перед доплеровским лагами.
То есть измерение скорости состоит в нахождение времени сдвига сигналов, принятыми антеннами 1 и 2. Это осуществляется путем корреляционный обработки принтых сигналов. Поэтому в канал 1-го сигнала вводят временную задержку t3 и изменяют ее, пока не наступит max Rxy, t3=t1.
Кроме независимости от скорости звука, к достоинствам относятся широкие пределы использования по углам качки за счет широких диаграмм направленности антенн. Лаг в импульсном режиме восполняет функции эхолота.
В качестве такого лага в данном ИВК используется лаг SAL - 840(Швеция) с диапазоном измеряемых скоростей от 0 до +30 узлов. Погрешность измерения по скорости 0,1 узла, по расстоянию 1 %, рабочая глубина до 300 м, fраб=180кГц; ширина диапазона направленности 30, расстояние между преобразователями 2L=3см; одновременное измерение глубин до 200 м с точностью ±1%; общая масса 40 кг.
В комплект приборов лага SAL-840 входят:
· гидроакустический преобразователь (Transducer), установленный в клинкете (Sea-valve);
· электронный блок (Electronics unit);
· распределительная коробка (Distribution box);
· цифровой указатель скорости и расстояния (Digital speed/ distance display);
· аналоговый указатель скорости и расстояния (Analogue speed distance display);
· указатель глубины (Depth display).
Гидроакустический преобразователь (трансдьюсер) содержит
пьезоэлектрические элементы, размещенные в едином корпусе диаметром 92 мм.
Трансдьюсер установлен в клинкете заподлицо с днищем судна. Акустические волны
излучаются вертикально вниз. В режиме WT используется частота 4 MГц (импульсный
вариант). Звук отражается от частиц в воде с глубины 12 см, при этом измеряется
относительная скорость судна. В режиме ВТ
применяется частота 150 кГц. Звук
отражатся от грунта.
Вычисление скорости V производится в компьютерном блоке (на основе корреляционной функции) по формуле:
,
где S - расстояние между носовым и кормовым элементами транса, Т - время задержки сигнала, определяемое электронным коррелятором.
Число
приемников КЛ и их размещение зависит от решаемых задач. Для измерения
продольной составляющей скорости судна достаточно иметь два приемника,
разнесенных в диаметральной плоскости судна. Наличие неучтенного угла сноса
приводит к относительной погрешности измерителей.
где l - угол сноса, =0,5°; V=0.4%
Полный
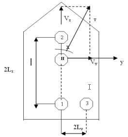
вектор скорости с учетом угла скоса определяется с помощью 3х приемных антенн.
Варианты размещения которых показаны на рисунке а) и б)

![]()
;
; ![]()
;
Где 1 и 2 - антенны, 3 - угол сноса, И - излучатель
Рисунок 3.8 - Варианты размещения антенн на судне
;
,
где
g - размах измерительной базы.
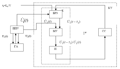
Рисунок 3.9 - Устройство корреляционного лага
ГА - гидроакустическая антенна;
ППУ - приемо-передающее устройство;
КУ - корреляционное устройство;
БРЗ - блок регулировки задержки;
МУ - множительное устройство;
И - интегратор;
К - коррелятор;
СС - схема смещения.
ГА и ГПУ обеспечивают излучение и прием сигналов.
Отраженные от грунта колебания с помощью разнесенных акустических
преобразователей преобразуются в идентичные, но сдвинутые во времени
электрические сигналы, которые после обработки в ППУ поступают на вход
автоматического КУ в виде центрированных величин:
В
тракт сигнала
вводится регулируемая задержка 3. При этом на
выходе коррелятора К, который состоит из БРЗ, МУ, И формируется сигнал,
пропорциональный Rxy, который выводится на СС и дополнительная схема
регулирует 3 так, чтобы Rxy=max. При этом введенная задержка равна 1(транспортному
запаздыванию) по которому и определяется скорость судна.
Гироскопический курсоуказатель "ГКУ-1М"
Гироскопический курсоуказатель "ГКУ-1М" обеспечивает непрерывное определение положения меридиана в режиме гирокомпаса "ГК" и хранение заданного направления в режиме гироазимута "ГА".
Курсоуказатель этого типа предназначен для установки на крупных кораблях и судах морского флота, совершающих плавания вплоть до широты 90°. В зависимости от комплектации, он может вырабатывать курс объекта как в плоскости палубы, так и в плоскости горизонта.
Для увеличения точности определения мгновенных координат местоположения судна в состав измерительно-вычислительного комплекса введена система коррекции координат Glonass.
Навигационные датчики, по индикации которых определяется положение судна в пространстве, определяются позиционными средствами измерения. Основными средствами при решении задач навигации судов на современном этапе являются спутниковые навигационные системы GPS (США) и Glonass (Россия). Обе системы заявлены в 1996 году, одобрены IMO с точностными характеристиками 100 м GPS и 45 м Glonass.
Приемоиндикаторы среднеорбитальной спутниковой системы Glonass включены в состав обязательной судовой аппаратуры, предусмотрены главой 5 конвенции «Solas».
Glonass - глобальная всепогодная навигационная система: 24 ИСЗ, наземный командный измерительный комплекс и аппаратура потребителей. Обеспечивает изображение в трехмерном околоземном, в двухмерном наземном пространстве. Спутники расположены на трех средневысоких орбитах 19100 км, по 8 спутников на каждой. Период обращения 11 часов 15 минут. Плоскости орбит расположены через 120 градусов и наклонены к экватору под углом 64,8 градусов.
Каждый спутник излучает информацию о своей точной позиции и позиции других спутников на 2 частотах: f1и f2, но, в отличие от GPS, их значения лежат в диапазонах f1 = 1602,6-1615,5 МГц, f2=1246,4-1256,5 МГц. Частоты всех спутников отличаются на 0,4375 МГц (частотное разделение информации).
Навигационные сигналы представляют р-код, излучаемый на f1 и f2, и общедоступный с/а код (на f1). Аппаратура потребителей сигналов включает 24 частотных каналов, средняя точность определения местоположения судна - 8 м.
Если GPS имеет наименьшую точность в средних широтах, то Glonass - в высоких широтах, т.е. системы могут выгодно дополнять друг друга и использоваться совместно под названием GNSS. Это позволяет повысить и надежность за счет увеличения числа необходимых спутников.
Принцип коррекции координат судна поясняется схемой, приведенной на
рисунке 3.10 .
Рисунок 3.10 - Коррекция координат судна
Геоцентрические
координаты искусственных спутников Земли
,
,
, где n = 1…4. Расчёт этих координат осуществляется с
точностью до единиц метров по параметрам орбиты спутника, передаваемых в
навигационных сообщениях.
ИСЗ
передают сигналы в строго определённые моменты времени. Для чего на каждом
спутнике есть точные часы с относительной точностью 10-13. На судне также
должны быть точные часы, в результате чего можно измерять время прохождения
сигнала от ИСЗ до судна Т.
,
где с - скорость распространения электромагнитных волн.
Уравнение
связи:
.
При
использовании нескольких ИСЗ это уравнение примет вид:
![]()
,
где
i =1…4 - номер спутника,
,
,
-рассчитываемые геоцентрические координаты по
счисленным географическим координатам
,
.