Материал: Проектирование системы теплоснабжения жилого района от ЦТП

Внимание! Если размещение файла нарушает Ваши авторские права, то обязательно сообщите нам

надежная конструкция: использование коррозиестойких сплавов для пластин и термоустойчивой резины для прокладок;

легкость обслуживания: возможность оперативной промывки и замены отработанных уплотнителей и поврежденных пластин;

возможность увеличить мощность пластинчатого теплообменника, добавив нужное количество пластин.

.5.2 Подбор насосного оборудования

Циркуляционные насосы сетевого контура

Эти насосы служат для циркуляции воды в тепловой сети. Их выбирают по расходу сетевой воды из расчёта тепловой схемы. 0С

Сетевые насосы устанавливаются на обратной линии тепловой сети, где температура сетевой воды не превышает 70 0С.с.н. = 183,6 т/ч

Согласно правилам Госгортехнадзора РФ, в котельной должно быть установлено не менее 2-х сетевых насосов.

Напор, развиваемый сетевым насосом, выбирается в зависимости от требуемого напора у потребителя и сопротивлением сети.

Определим объёмную подачу воды насосом:

 ,

где G - расход сетевой воды в районе, кг/ч;

ρ - плотность воды при расчётной температуре τ2 = 70 0С (на входе в насос), кг/м3 .

Подставив в формулу плотность воды, равную ρ=977,8 кг/м3 получим:

 м3/ч

Установим два сетевых насоса марки GRUNDFOS TP 65 - 410/2F (рис. 2.1), запитанные от разных источников электроэнергии, один из которых резервный.

Рис. 2.5. Насос TP 65 - 410/2F

Техническая характеристика насоса:

производительность: 90..116 м3/ч;

напор: 32 м. вод. ст.;

Электродвигатель:

мощность: 11 кВт,

частота: 2900 об/мин;

Габаритные размеры: 144х180х360 мм;

Масса: 85 кг.

Подпиточные насосы

Предназначены для восполнения утечки воды из системы теплоснабжения, количество воды необходимое для покрытия утечек определяется в расчёте тепловой схемы.

Производительность подпиточных насосов равна:

Gподп = 4,6 т/ч

Определим объёмную подачу воды насосом:

 , (2.25)

где G- расход сетевой воды в районе, кг/ч;

ρ - плотность воды при расчётной температуре τ2 = 70 0С (на входе в насос), кг/м3 .

Подставив в формулу плотность воды, равную ρ = 977,8 кг/м3 получим:

 м3/ч

Необходимый напор подпиточных насосов определяется давлением воды в обратной магистрали и сопротивлением трубопроводов и арматуры на линии подпитки, число подпиточных насосов должно быть не менее 2-х, один из которых резервный.

Принимаем к установке 2 подпиточных насоса марки GRUNDFOS CR 5-4 (рис. 2.2) (один - рабочий, один - резервный).

Рис. 2.6. Насос UPS серии 100

Техническая характеристика насоса:

производительность: 6 м3/ч;

напор: 19,4 м. вод. ст.;

Электродвигатель:

мощность: 0,55 кВт,

частота: 2900 об/мин;

Масса: 27,4 кг.

.5.3 Конструктивные элементы тепловой сети

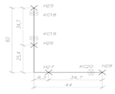
Расчёт угла поворота трассы на самокомпенсацию

Определим изгибающее напряжение от термических деформаций на участке 11 , dу =108х4 мм у неподвижной опоры, при расчетной температуре теплоносителя t = 115 0С и температуре окружающей среды tо= -32 оС.

Модуль продольной упругости стали Е = 2∙105 МПа, коэффициент линейного расширения a = 1,25∙10-5 1/оC.

Сравним с допускаемым напряжением dдоп= 80 МПа

Определим линейное удлинение DL1 короткого плеча L1

DL = a ×L× (t - to) = 1,25∙10-5× 25,4 × (115 + 32) = 0,048 м

Рис. 2.7. Расчётная схема участка квартальной тепловой сети

Для угла поворота 900 и n = l1/ l2 = 25,4/9,3=2,73, находим изгибающее напряжение у опоры Н21 по формуле:

 (2.26)


Полученное изгибающее напряжение не превышает допустимое sдоп= 80 МПа. Следовательно, данный угол поворота может быть использован для самокомпенсации.

Определим силу упругой деформации угла поворота Pх по формуле:

 (2.27)

где B - коэффициент, принимаемый по номограмме 10.26 /7/, A=12.

 = 0,425 кгс*м2/град для диаметра dн = 108 мм согласно /4/ таб.10.21.

Δt - расчётная разность температур между максимальной температурой теплоносителя t и расчётной для проектирования отопления температурой наружного воздуха tо., оС;м - длины прямых отрезков трубопроводов, м.

8,7 кгс= 87 Н

Расчёт усилий на подвижную и неподвижную опоры

Исходные данные:нxS = 108x4 мм=4 м= 87 Нк = 34138 Н

Рис. 2.8. Расчётная схема участка с неподвижными опорами

Подвижная опора:

Вертикальную нормативную нагрузку на подвижную опору Fv, Н, следует определять по формуле:

= Gh·L, (2.28)

где Gh - вес одного метра трубопровода в рабочем состоянии, включающий вес трубы, теплоизоляционной конструкции и воды, Н/м;- пролет между подвижными опорами, равный 4 м.

Величина Gh для труб с наружным диаметром 108 мм равна 283 Н/м.= 283·4 = 1132 Н

Горизонтальные нормативные осевые нагрузки на подвижные опоры от трения Fhx, Н, определяются по формуле:

Fhx = μx·Gh·L (2.29)

где μx - коэффициент трения в опорах, который для скользящих опор при трении стали о сталь принимают равным 0,3= 0,3·283·4 = 339,6 Н/м

Принята опора скользящая 108 Т13.07 согласно серии 4-903-10 выпуск 5.

Неподвижная опора

Неподвижные опоры рассчитываются на наибольшую горизонтальную нагрузку при различных режимах работы трубопроводов начало и конец охлаждения и нагревания при открытых задвижках.

Расчёт ведётся для опоры B. Усилия на неподвижную опору определяются по формулам:

При нагреве:

(2.30)

При охлаждении:

(2.31)

Принята неподвижная щитовая опора 108х4-І Т8.01 согласно серии 4.903-10 выпуск 4.

.6 Технологическая часть

Технологическая карта разработана на строительство подземного трубопровода.

Рассматриваемый участок протяженностью 150 м;

Назначение - тепловая сеть;

Продолжительность рабочей недели - 5 дней;

Продолжительность рабочей смены - 8 часов;

Количество смен - 1;

Работы выполняются в летний период времени;

Время начала строительства - 01.07.2017 г.

Время окончания строительства - 21.07.2017 г.

Расчет геометрических характеристик траншеи

Рассчитываем отметку верха трубы в конце траншеи:

, м (2.32)

где - отметка верха трубы в конце траншеи, м;

- отметка верха трубы в начале траншеи, м;

- длина траншеи, м;

 - уклон трубопровода

, м

Рассчитаем отметки низа трубы в начале и в конце траншеи:

Согласно [14] толщина стенки трубопровода составляет 11 мм, поэтому наружный диаметр труб составляет 0,672 м.

, м (2.33)

где - отметка дна траншеи в начале трубопровода, м;

- отметка верха трубы в начале трубопровода, м;

Dн - наружный диаметр трубы, м;

,1 - высота искусственного основания (песчаной подготовки), м.

 м

Отметки дна траншеи в конце трубопровода:

 м (2.34)

где  - отметка дна в конце траншеи, м;

отметка верха трубы в конце трубопровода, м

 м

Поперечный разрез траншеи показан на рисунке 2.1.

Рис. 2.8. Поперечный разрез траншеи

Ширина траншеи по дну рассчитывается в зависимости от стыкового соединения и способа их монтажа. Принимаем монтаж трубопровода отдельными трубами, вид соединения - раструбное.

, м (2.35)

где bТ - ширина траншеи по дну, м

, м

Ширина по дну остается постоянной по всей длине траншеи.

При вычислении отметки поверхности земли в промежуточном колодце учитываем:

средний геометрический уклон земли вдоль трассы трубопровода равен i = 0,0067;

расстояние между поперечными осями смотровых колодцев.

При вычислении отметок дна траншеи в промежуточном сечении учитываем:

уклон заложения трубопровода i = 0,008;

расстояние между поперечными осями смотровых колодцев.

Срезка растительного слоя

Для того чтобы не повредить растительный слой в процессе строительства, предусматривается его срезка с помощью бульдозера и хранение грунта за пределами строительной площадки с тем, чтобы по окончании строительства вернуть его на место. Отвал бульдозера заглубляется в растительный слой на 15 см. Нож отвала срезает и сразу же удаляет кустарник. Так как толщина растительного слоя 20 см, следовательно, этот этап необходимо производить в два потока. Для данного вида работ выбираем бульдозер ДЗ-18.

Таблица 2.9

Характеристики бульдозера

Наименование характеристики

Данные

1

2

Марка базового трактора

Т-100МГС

Марка бульдозера

Д3-18

Мощность двигателя

80 л.с.

Привод

Гидравлический

Длина отвала

3,97 м

Высота отвала

1,0 м

Тип отвала

Поворотный

Вес навесного оборудования

1,86 т


Разработка грунта механическим способом

Для разработки траншеи подбирается одноковшовый экскаватор «обратная лопата» с гидравлическим приводом марки ЭО-3322. Его технические характеристики приведены в таблице ниже.

Таблица 2.10

Характеристики одноковшового экскаватора

Наименование характеристики

Данные

1

2

Вместимость ковша

0,4 м3

Мощность двигателя

75 кВт

Наибольшая глубина копания

5,0 м

Наибольший радиус копания на уровне стоянки

8,2 м

Наибольшая высота выгрузки в транспорт

5,1 м

Ширина ковша

0,8 м


Для совместной работы с экскаватором при разработке грунта (с погрузкой в транспортное средство) принимаем самосвал МАЗ-5549 грузоподъёмностью 8 тонн.

Таблица 2.11

Характеристики самосвала

Наименование характеристики

Данные

1

2

Мощность двигателя

132,4 кВт

Вместимость кузова

5,1 м3

Направление нагрузки

Продольное назад

Продолжительность разгрузки

15 сек

Масса

6,22 тонн

Ширина автомобиля

2500 мм


Таблица 2.12

Калькуляция трудовых затрат

Наименование технологических процессов

Ед. измерения

\Объём работ

Обоснование (ЕниР)

Норма времени

Затраты труда





рабочих, чел-час

машиниста, маш-час

рабочих, чел-час

машиниста, маш-час

1

2

3

4

5

6

7

8

Снятие растительного слоя бульдозером ДЗ-18. Грунт II группы.

1000 м2 очищенной поверхности

1,7

ЕниР § Е2-1-5 т. 1, п. 2б

-

1,5

-

1,05

Разработка и перемещение грунта бульдозером Д3-18 на 50м. Грунт II группы.

100 м3 грунта

1,7

ЕниР § Е2-1-22 т. 2, п. 3б, 3д.

-

2,19

-

1,53

Разработка грунта экскаватором «обратная лопата» ЭО3322 в транспортные средства (автомобили-самосвалы МАЗ-5549). Грунт II группы

100 м3 грунта

0,08

ЕниР § Е2-1-11 т. 4, п. 3б.

-

4,5

-

0,3

Тоже в отвал

100 м3 грунта.

6,31

ЕниР § Е2-1-11 т. 4, п. 3в.

-

3,6

-

5,15

Зачистка дна траншеи и котлованов, разработанных экскаваторами (толщина ручной доработки - 0,1 м).

1 м3 грунта.

16,3

ЕниР § Е2-1-47 т. 1, п. 3е.

1,9

-

17,75

-

Отрывка приямков для заделки стыков труб (глубина до 0,4 м; рыхление грунта - вручную).

1 яма.

36

ЕниР § Е2-1-52 т. 1, п. 1б.

0,27

-

8,91

-

Устройство песчаного основания под трубопровод и плиты днищ колодцев (толщина 100 мм).

1 м3 основания

18,7

ЕниР Е9-2-32 п.1

0,9

-

4,86

-

Монтаж трубопровода и герметизация стыков.

1 м трубопровода

150,0

ЕниР § Е9-2-4 т. 2, п. 2а.

-

0,13

-

9,1

Устройство типовых колодцев из сборного железобетона (Dк = 1000 мм)

1 колодец.

3

ЕниР § Е9-2-29 п. 2а

-

7,6

-

22,8