Материал: Проектирование городских систем газа снабжение, Колпакова

Внимание! Если размещение файла нарушает Ваши авторские права, то обязательно сообщите нам

Приложение 8

Схема наружного газопровода (М 1 : 500)

65

66

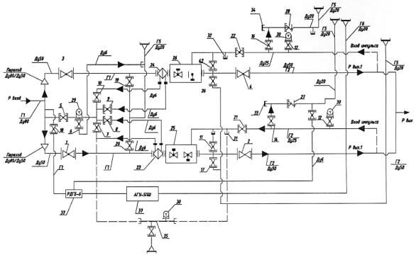
Приложение 9

Типовая схема ГРПШ 13-2НУ1

 

 

Окончание прил. 9

 

Условные обозначения

 

 

 

Обозначения

 

Наименования

 

 

 

1, 2, 3, 4

 

Кран шаровой dу50

5, 6, 7, 8, 9, 10, 11, 12, 42

 

Кран шаровой dу15

14, 15, 16, 17, 18, 19, 20

 

Кран шаровой dу20

21, 22

 

Кран шаровой dу25

23, 24

 

Фильтр ФГВ-50/6

 

 

 

25,26

 

Регулятор РДГ-50Н

 

 

 

27

 

Клапан предохранительный сбросной

 

 

ПСК-50Н

 

 

 

28

 

Предохранительный запорный клапан

 

 

КПЗ-50С

 

 

 

29

 

Манометр входного давления

 

 

 

30

 

Манометр выходного давления

 

 

 

31, 32, 33, 34

 

Штуцер для подключения приспособления для

 

 

настройки и контроля регулятора, КПЗ, ПСК

 

 

(РП 4 × 1)

 

 

 

35

 

Приспособление для настройки и контроля

 

 

регулятора, КПЗ, ПСК

 

 

 

36

 

Автоматическое газогорелочное устройство

 

 

АГУ-5ГШ

 

 

 

37

 

Регулятор РДГБ-6

 

 

 

Г1

 

Газопровод высокого давления, р = 0,6 МПа

 

 

 

Г2

 

Газопровод среднего давления, р = 0,04 МПа

 

 

 

Г3

 

Газопровод низкого давления, р = 0,004 МПа

 

 

 

Г5

 

Продувочный газопровод

 

 

 

Г6

 

Дымоход

 

 

 

Учебное издание

Колпакова Наталья Владимировна

ПРОЕКТИРОВАНИЕ ГОРОДСКИХ СИСТЕМ ГАЗОСНАБЖЕНИЯ

Учебно-методическое пособие

Заведующий редакцией М. А. Овечкина

Редактор С. Г. Галинова Корректор С. Г. Галинова

Компьютерная верстка Н. Ю. Михайлов

План выпуска 2017 г. Подписано в печать 01.11.2017. Формат 60 × 84 1/16. Бумага офсетная. Гарнитура Times. Уч.-изд. л. 3,2. Усл. печ. л. 3,96. Тираж 50 экз. Заказ № 299.

Издательство Уральского университета 620000, Екатеринбург-83, ул. Тургенева, 4

Отпечатано в Издательско-полиграфическом центре УрФУ 620000, Екатеринбург-83, ул. Тургенева, 4

Тел.: +7 (343) 350-56-64, 358-93-22 Факс: +7 (343) 358-93-06 E-mail: press-urfu@mail.ru

http://print.urfu.ru