Материал: Проект технологического производства двутавровой балки 35Ш3

Внимание! Если размещение файла нарушает Ваши авторские права, то обязательно сообщите нам

На первом этапе моделировался захват металла валками, на втором - установившийся процесс прокатки двутавровой заготовки из стали 09Г2 для трех вариантов, указанных в табл. 3.

Модуль упругости (Е) определяли по зависимости

Е = -4,566-105 +160T +

где T-температура металла

В соответствии с принятыми исходными данными рассчитаны зависимости сопротивления пластической деформации для стенки, полки и зоны сопряжения стенки с полкой заготовки для рассматриваемых проходов и принятых температур. Коэффициент трения во всех калибрах принят равным 0,49.

Таблица 3- Параметры балки и калибров, принятые в расчете

Вариант

Размер заготовки перед входом в калибр, мм

Размеры калибра, мм


В

R

h

H

b

а

В

R

h

H

b

а

1

336*

90*

65*

275*

85*

99*

336

90

40

255

60

99

2

336

90

40

255

61

99

348

75

30

236

52

77

3

348

75

30

236

59

77

362

60

23

227

49

65


Здесь В, R, h, H, а - ширина, радиус внутреннего закругления, ширина стенки, высота полки, толщина основания фланца.

В исходном состоянии, чтобы смоделировать процесс захвата, передний торец балки размещался на некотором расстоянии от плоскости, проходящей через ось валка перпендикулярно оси прокатки, согласно рисунку5.

Балку представляли твердотельной объемной моделью, а калибр моделировали недеформируемой твердой поверхностью. Конечно-элементную модель балки формировали из трехмерных 20-ти узловых твердотельных элементов SOLID186. В окончательной, принятой для расчета сетке конечных элементов, размер элемента в поперечных сечениях был равен 2,5 мм, а в направлении прокатки - 5 мм. Для более наглядного представления результатов расчета весь очаг деформации разбили на три очага деформации. Расчет показал, что в процессе захвата балки калибром обжатия для всех вариантов начинаются в первую очередь с зоны полки в направлении оси ОХ. При этом во всех случаях стенка по всей толщине испытывает напряжения растяжения в направлении оси ОХ .

Принято следующее правило знаков: величины, относящиеся к растяжению, являются положительными, к сжатию - отрицательными. Значения максимальных (контактных) нормальных и касательных напряжений (МПа) в очагах деформации при прокатке балки 35Ш в калибрах 1 и 3что величина растягивающих нормальных напряжений, возникающих в стенке, в направлении оси ОХ (а ) не превышает 52 МПа. В очагах деформации полки и зоне радиуса сопряжения полки со стенкой нормальные контактные напряжения сжимающие, что свидетельствует о благоприятной с позиции качества балки схемы напряженного состояния с преобладанием высоких сжимающих напряжений.

Определив величину и характер изменения контактных нормальных и касательных напряжений по мере захвата двутавровой заготовки валками, переходим к расчету динамических нагрузок в линии привода обжимной клети 1300.

Известно что основной причиной высоких динамических перегрузок в линии привода реверсивных обжимных прокатных станов являются зазоры в шпиндельных соединениях. В связи с этим важно оценить уровень динамических нагрузок, определить скорость соударения масс в зазоре в зависимости от технологических и скоростных параметров процесса прокатки, которая и определяет величину динамических нагрузок, и принять ряд мер для снижения уровня динамических нагрузок. Основными причинами раскрытия зазоров в шпиндельных соединениях обжимных станов являются задача раската в валки со скоростью, превышающей скорость валков, и захват раската валками при замедлении приводного электродвигателя.

Выводы. В результате теоретического исследования определено напряженно-деформированное состояние металла в очагах деформации при захвате двутавровой заготовки калиброванными валками обжимной клети 1300 универсально-балочного стана. Разработана инженерная методика расчета максимальных динамических нагрузок в линии привода обжимной клети 1300 с учетом зазоров в шпиндельных соединениях.

Рисунок 5. Процесс захвата балки

2. СПЕЦИАЛЬНАЯ ЧАСТЬ

2.1 Расчет калибровки валков при прокатке двутавровой балки 35Ш3

Таблица 4 - Исходные данные

Наименование профиля

Размеры профиля, мм


контролируемые

справочные


h

b

s

t

R

hw

bw

35Ш3

347

252

11

17,5

20

312

121


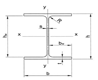
Рисунок 6. Готовый профиль

Условные обозначения:- высота двутавра;- ширина полки;- толщина стенки;- толщина полки;- радиус сопряжения;- высота стенки двутавра

(в свету между полками),- свес полки.

Определение основных размеров профиля и валков

Чистовая универсальная клеть.

Расчёт ведётся против хода прокатки.

Толщина стенки в горячем состоянии:

                                                                                          (1)

где d-диаметр, мм

K1-коэффициент линейного расширения; Кt= 1,015г=11*1,015=11,17 (мм)

Толщина фланцев в горячем состоянии:

                                                                                            (2)

где t- толщина фланца, мм

(мм)

Ширина полки в горячем состоянии:

                                                                                          (3)

где b-ширина полки, мм

 (мм)

Высота двутавра в горячем состоянии:

                                                                                          (4)

 (мм)

Ширина фланца в горячем состоянии:


 (мм)

Ширина стенки в горячем состоянии:

                                                                             (5)

312(мм)

где S-плюсовой допуск на высоту балки, S=3 мм.

Ширина раската в горячем состоянии равна высоте профиля:

                                                                               (6)

Угол наклона фланцев в промежуточной клети (универсальной) рекомендуется 6° -8°, а a=7°

Ширина горизонтальных валков предчистовой универсальной клети определяется исходя из условий тугого захода предчистового профиля в валки чистовой клети, т.к. в противном случае возможно получение складок на стенке профиля или его несимметричности.

                                                                     (7)

где Вгв- ширина горизонтальных валков предыдущей части клети, мм

(мм)

Уменьшение ширины горизонтальных валков предчистовой универсальной клети для двутавров с номинальными радиусами до 260 мм - 2,5 мм; 300/400 мм-3 мм; 500/600 мм - 3,5 м.

Вспомогательная клеть.

Угол наклона фланцев во вспомогательной клети равен углу наклона фланцев в универсальной клети. Ширина валков ВК равна ширине валков ГУК.

В'вк=Вгк=344ммК=ВГК=344мм;

где hк- глубина калибра по ребордам.

       (8)

где bфг- минимальная ширина фланцев на горячем профиле;

 - плюсовой на ширину фланца;

 - зазор между спинкой профиля и валков последнего прохода, принимается в пределах мм.'к= 133,22-6-3=124,2 (мм)

Черновая группа клетей

Универсальная клеть

Угол наклона фланцев в черновой универсальной клети определяется аналогично промежуточной группе, рекомендуется 9-12%

Ширина горизонтальных валков (аналогично промежуточной) :

В"гв= В'гв (мм)

Вспомогательная клеть

Глубина калибра по ребордам

h"к=,                             (9)

где bГ - ширина фланцев после последнего прохода в черновой клети."к=133,2-6=127,2 (мм)

Ширина валков равна ширине горизонтальных валков универсальной клети:

В"Г.B=Вг.в =307 (мм)

Методика расчёта калибровки для универсальной вспомогательной клети

Линейная константа обжатия:

                                                                                            (10)

где - суммарное обжатие по толщине стенки, мм

 - суммарное обжатие по толщине фланца, мм

Задавшись обжатием по стенке , определяем обжатие по фланцам

Основные размеры профиля перед проходом

                                    (11)

Толщина стенки


Толщина полки

                                                                                            (13)

Ширина полки перед проходом в чистовой клети

                                                                                  (14)

где - уширение фланцев при обжатии в УК перед проходом в пред- чистовой и чистовой группах

- в направлении В - У

                                                                                      (15)

в направлении У - В

                                                                     (16)

где  - вынужденное уширение фланцев при обжатии стенок.

Ширина раската:

                                                                                        (17)

Площадь поперечного сечения


Расчёт калибровки для универсальной и вспомогательной клети

Линейная константа обжатия:

 (мм)

 (мм)

7 пропуск (Чистовая клеть)

Принимаем d7= 0,2 мм

(мм)=11,2+0,2= 11,4 (мм)=17,8+0,8= 18,6 (мм)=277-0,44*0,8=273,3 (мм)= bcг+2t9= +2*17,5= 347 (мм)= d9* bcг+2* bг* tг= 11*+2*17,5*251=13414,8 (мм2)

пропуск

Принимаем d6=l,1 мм

(мм)=11,4 + 1,1 = 12,5(мм)=18,6+ 2,2=20,8 (мм)=278+1,1+2,7+0,44*2,2=282 (мм)= bcг+2t8= +2*18,6=349,2 (мм)= d8* bcг+2* bг* tг = 11,2*+2*18,6*279=13922,5 (мм2)

пропуск

Принимаем d5=l,2 мм

(мм)=12,5 + 2,7= 15,2(мм)=20,8+ 5,2= 26 (мм)

Принимаем b6=250 мм= bcг+2t7=+2*20,8= 353,6 (мм)= d7* bcг+2* b7* t7 = 12,5*+2*20,8*279= 15532,8(мм2)

Остальные пропуски рассчитываются аналогично, результаты сводятся в таблицу 5.

Таблица №5.

№ пр.

Размеры профиля, мм

Обжатие, мм

Площадь, мм2


d

t

b

Δd

Δt


0

29

60,5

291

410




1

25,4

51

283

416,11

3,6

9,5

36844

2

21,5

40,2

281

394,51

3,9

10,8

29346

3

18,2

32,4

280

378,91

3,3

7,8

23861

4

15,2

26

280

366,11

3,0

6,4

19334

5

12,5

20,8

279

353,6

2,7

5,2

15506

6

11,4

18,6

278

349,2

1,1

2,2

13898

7

11,2

17,8

277

347

0,2

0,8

13349