Где d - диаметр горловины впускного
клапана (d=40 мм).
Примем
Коэффициент,
учитывающий неравномерность распределения напряжений по поперечному сечению
пружины ![]()
[1,1…1,2],
принимаем 1,1
Тогда
диаметр проволоки пружины равен:
Где τдоп - допускаемые касательные напряжения(τдоп < τ-1, τдоп =400 МПа)
Число
рабочих витков пружины:
Где G - модуль сдвига(G = 84000 МПа)
Полное
число витков пружины:
Жёсткость
пружины:
Шаг витка пружины:
-
минимально допустимый зазор между витками пружины при её полной деформации;
Принимаем
.
Минимальная высота пружины:
.
Максимальная
высота пружины:
.
Расчёт пружины на резонанс.
Условие
не возникновения резонанса:
,
где
- частота собственных колебаний пружины;
- частота вращения распределительного вала
Циклическая
частота собственных колебаний:
,
где
- жёсткость пружины;
- масса
рабочих витков.
Если
выразить циклическую частоту через число колебаний в минуту, а жёсткость и
массу пружины - через её размеры, то получим
g - ускорение свободного падения,
-
плотность материала пружины,
=7800кг/м
.
G-модуль сдвига.
Частота
вращения распределительного вала:
.
,
условие не возникновения резонанса соблюдается.
Расчёт пружины на усталостную прочность.
Максимальное
касательное напряжение:
Минимальное
касательное напряжение:
Амплитудное
напряжение:
.
Среднее напряжение:
.
Запас
усталостной прочности:
- предел
выносливости материала пружины при пульсирующем цикле нагружения при кручении;
-
коэффициент, учитывающий влияние постоянной составляющей цикла напряжений на
сопротивление усталости при кручении; [1]
(упрочнение
пружины дробеструйной обработкой) [1],
где,
- эффективный коэффициент концентрации напряжений при
кручении;
- масштабный коэффициент, учитывающий влияние
абсолютных размеров детали на предел выносливости при кручении.
-
коэффициент поверхностной чувствительности
Запас
усталостной прочности:
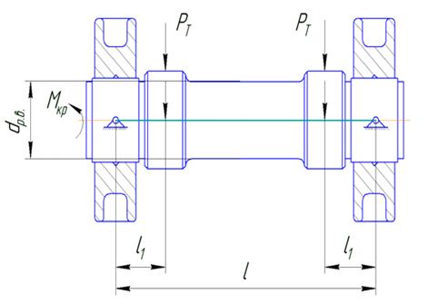
7.4 Расчёт распределительного вала
Материал
распределительного вала - высокопрочный чугун с шаровидным графитом,
модифицированный магнием ВЧ 40-10. Расчётная схема представлена на рис. 21.
Рис. 21. Расчётная схема распределительного вала
Масса элементов газораспределительного механизма при нижнем расположении распределительного вала
mМГР=0,377 кг.
Нагрузки, действующие на распределительный вал:
сила инерции
-
максимальное положительное ускорение толкателя (приложение );
сила
упругости пружины (сила сжатия пружины)
По результатам теплового расчёта (приложение 1):
-
давление газов в цилиндре в момент открытия выпускного клапана;
-
давление в выпускном трубопроводе;

-
диаметр тарелки выпускного клапана.
Следовательно,
Расчёт
прогиба распределительного вала:
-
расстояние от опоры до точки действия силы
;
-
расстояние между опорами;
-
диаметр распределительного вала;
- модуль
упругости материала распределительного вала;
Напряжение
смятия на поверхности толкателя:
- ширина
кулачка;
- радиус
начальной окружности кулачка;
- радиус
кривизны кулачка в момент действия
;
Количество тепла, отводимого маслом от двигателя:
Qм =
0,03×Q0 = 0,03×195,2 = 5,9 кДж/с,
Где Q0 = Hu×Gт / 3600 = 42440 × 16,56 / 3600 = 195,2 кДж/с - количество тепла, выделяемого топливом за 1 секунду.
Циркуляционный расход масла:
Vц = Qм /(rм×см×DТм) = 5,9 / (900×2,094×15) =
0,00021 м3/с,
где rм = 900 кг/м3 - плотность масла;
см = 2,094 кДж/(кг×К) - теплоёмкость масла;
DТм = 15 К - температура нагрева масла в двигателе.
Циркуляционный расход с учётом стабилизации давления масла в системе:
V¢ = 2Vц = 2×0,00021 = 0,00042 м3/с.
Расчётная производительность насоса:
Vр = V¢ / hн = 0,00042 / 0,8 = 0,000525 м3/с,
где hн = 0,8 - объёмный коэффициент подачи насоса.
Модуль зацепления зуба m = 4,5 мм = 0,0045 м.
Высота зуба h = 2m = 2×4,5 = 9 мм = 0,009м.
Число зубьев шестерён z = 6.
Диаметр начальной окружности шестерни:
D0 = z×m = 6×4,5 = 27 мм = 0,027 м.
Диаметр внешней окружности шестерни:
D = m×(z + 2) = 4,5×(6 + 2) = 36 мм = 0,036 м.
Частота вращения шестерни (насоса):
nн = uн×60 / (p×D) =
6,36×60 / (3,14×0,0405) = 2900 мин-1,
где uн = 5,46 м/с - окружная скорость на внешнем диаметре шестерни.
Длина зуба шестерни:
0,014 м.
Мощность, затрачиваемая на привод масляного насоса:
где р = 50×104 Па - рабочее давление масла в системе;
hмн = 0,87 - механический КПД масляного насоса.
Количество тепла, отводимого от двигателя системой охлаждения:
Qохл =
0,3×Q0 = 0,3×195,2 = 58,6 кДж/с,
где Q0 = Hu×Gт / 3600 = 42440 × 16,56 / 3600 = 195,2 кДж/с - количество тепла, выделяемого топливом за 1 секунду.
Циркуляционный расход охлаждающей жидкости:
G¢ц = Qохл /(rож×сож×DТож) = 58,6 / (1120×3,750×10) =
0,0014 м3/с,
где rм = 1120 кг/м3 - плотность охлаждающей жидкости;
см = 3,750 кДж/(кг×К) - теплоёмкость охлаждающей жидкости ТОСОЛ А40М;
DТм = 10 К - температурный перепад в радиаторе.
Расчётная производительность насоса:
Gр = G¢ц / hн = 0,0014 / 0,85 = 0,0016 м3/с,
где hн = 0,85 - коэффициент подачи насоса.
Радиус входного отверстия рабочего колеса насоса:
0,020 м,
где с1 = 1,8 м/с - скорость воды на входе в насос;
r0 = 0,01 м - радиус ступицы крыльчатки.
Окружная скорость потока охлаждающей жидкости на выходе из колеса:
м/с,
где hh = 0,65 - гидравлический КПД насоса;
рж = 120000Па - принимаемый напор, создаваемый насосом;
a2 = 10°, b2 = 45°.
Радиус
рабочего колеса на выходе:
r2 = 30u2 /
(p×nвн)
= 30×13,9 / (3,14×3500) = 0,038
м,
где nвн = 3500 мин-1 - частота вращения насоса.
Окружная
скорость входа потока:
u1 = u2 × r1 / r2 = 13,9 × 0,020 / 0,038 = 7,3 м/с.
Ширина
лопатки на входе:
0,015 м,
где z = 4 - число лопаток на крыльчатке насоса;
d1 = 0,004 м - толщина лопаток на входе;
b1 = arctg(c1/u1) = arctg(1,8/7,3) = 14°42¢.
Радиальная
скорость потока на выходе из колеса:
2,1 м/с.
Ширина лопатки на выходе:
0,08 м,
где d2 = 0,004 м - толщина лопаток на выходе.
Мощность,
потребляемая насосом:
Nвн = Gp×рж /
(1000×hм) = 0,0016×120000 / 1000×0,82 = 0,3 кВт,
где hм = 0,82 - механический КПД насоса.
Количество воздуха, проходящего через радиатор:
G¢возд = Qохл /(свозд×DТвозд) = 58,6 ×103 / (1000×30) = 1,95 кг/с,
где свозд = 1000 Дж/(кг×К) - средняя теплоёмкость воздуха;
DТвозд = 30 К - температурный перепад воздуха в решётке радиатора.
Массовый расход охлаждающей жидкости через радиатор:
G¢ж = Gр×rж = 0,0016×1120 = 1,79 кг/с.
Средняя температура охлаждающего воздуха, проходящего через радиатор:
328,0 К,
где Твозд.вх = 313 К - расчётная температура воздуха перед радиатором.
Средняя температура охлаждающей жидкости в радиаторе:
358,0 К,
где Тож.вх = 363 К - расчётная температура охлаждающей жидкости перед радиатором.
Поверхность
охлаждения радиатора:
19,53 м2,
где К = 100 Вт /(м2×К) - коэффициент теплопередачи для радиаторов грузовых автомобилей.
Плотность воздуха при средней его температуре в радиаторе:
rвозд = р0×106 /(Rв×Тср.возд) = 0,1×106 /(287×328) = 1,06 кг/м3.
Производительность вентилятора:
Gвозд
= G¢возд / rвозд = 1,95 / 1,06 = 2,07 кг/с.
Фронтовая поверхность радиатора:
Fфр.рад
= Gвозд / wвозд = 2,07 / 25 = 0,083 м2,
где wвозд = 25 м/с - скорость воздуха перед фронтом радиатора без учёта скорости движения автомобиля.
Диаметр вентилятора:
0,325 м.
Окружная
скорость вентилятора:
68,7 м/с,
где fл = 2,5 - безразмерный коэффициент для криволинейных лопастей;
Dртр = 800 Па - принимаемый напор, создаваемый вентилятором.
Частота
вращения вентилятора:
nвент = 60×u /(p×Dвент)
= 60×68,7 / (3,14×0,325) = 4040
мин-1.
Мощность,
затрачиваемая на привод осевого вентилятора:
Nвент = Gвозд×Dртр / (1000×hвент) = 2,07×800 / 1000×0,65 = 2,55
кВт,
где hвент = 0,65 - КПД литого вентилятора.
8. Описание двигателя Д-245
Дизель Д-245 представляет собой 4-хтактный поршневой четырехцилиндровый двигатель внутреннего сгорания с рядным вертикальным расположение цилиндров, непосредственным впрыском дизельного топлива и воспламенением от сжатия, с турбрнаддувом. Порядок работы цилиндров 1-3-4-2.
Основные узлы дизеля.
Картер отлит из алюминиевого сплава и состоит из двух половин: верхней, называемой верхним картером, и нижней, называемой нижним картером.
Плоскость разъема верхнего картера с нижним расположена ниже оси коленчатого вала. Нижний картер фиксируется на верхнем картере двумя установочными штифтами и крепится к нему болтами. Верхний картер является основной несущей части дизеля. пять двойных поперечных перегородок придают ему необходимую, жесткость и служат опорами для коренных шеек коленчатого вала. Каждая перегородка имеет паз, в который с натягом устанавливается подвеска. Подвески являются нижними половиками опор и в соединении с верхним картером образуют гнезда под коренные вкладыши, состоящие из двух половин: нижней и верхней. Гнезда под коренные вкладыши в картере и подвесках обрабатываются совместно и для всех опор одновременно. Каждая подвеска крепится к картеру двумя шпильками. Шпильки крепления подвесок имеют центрирующие пояски для фиксации подвесок от продольного перемещения в пазу картера. Внутри картера монтируется нагнетающая масляная магистраль, имеющая семь припаянных к ней маслопроводящих трубок, по которым масло подводится к штуцерам подвесок и по сверлениям в подвесках к коренным вкладышам. Нагнетающая магистраль устанавливается с левой стороны картера и соединяется с отверстием, идущим из левого маслораспределительного канала. Отверстие, идущее из другого маслораспределительного канала, к которому не присоединяется масляная магистраль, глушится заглушкой. Для замера давления масла в нагнетающей магистрали дизеля в перегородке седьмой опоры картера просверлено отверстие, выходящее на поверхность гнезда под коренной вкладыш. Отверстие сверху имеет резьбу с ввернутым в нее штуцером, предназначенным для крепления приемника манометра. К штуцеру крепится трубка слива масла из регулятора. Вкладыши коренных шеек коленчатого вала изготовлены из стали. Внутренние поверхности вкладышей залиты свинцовистой бронзой. Все вкладыши разъемные состоят из двух половин; нижней половины и верхней половины. В гнезда, образованные верхним картером и подвесками, вкладыши устанавливаются с натягом и фиксируются от проворачивания и осевого смещения. Окончательная расточка внутренней поверхности вкладышей выполнена по гиперболе, что способствует более равномерному распределению напряжений по длине вкладышей при работе дизеля. Для лучшей приработке вкладышей к коренным шейкам азотированного коленчатого вела рабочая поверхность вкладышей покрывается мягким сплавом, состоящим из свинца и олова. На наружной поверхности вкладышей проточены кольцевые канавки с радиально просверленными в них отверстиями, выходящими на поверхность вкладыша, залитую свинцовистой бронзой. Через эти отверстия масло, поступающее из нагнетающей магистрали по сверлениям в подвесках и заполняющее кольцевые канавки, выходит на рабочую поверхность вкладышей.