Материал: Применение контроллеров частоты при нефтедобыче

Внимание! Если размещение файла нарушает Ваши авторские права, то обязательно сообщите нам

СПБГУАП группа 4736 https://new.guap.ru/i03/contacts

Момент статической нагрузки Мс=26,7 Н·м соответствует номинальному моменту двигателя, который определятся:

M

 

 

Р

ном.

 

 

 

 

 

 

ном.

 

 

 

Р

ном.

 

 

 

4000

26,69 Н м

 

 

 

 

 

 

 

 

 

 

(1 s

 

1500

 

 

ном.

 

0

ном.

)

(1

0,046)

 

 

 

 

 

 

 

 

 

 

 

 

 

 

 

 

 

 

 

 

 

 

 

 

 

9,55

 

 

 

(2.33)

Рис. 2.4 Переходная характеристика по задающему воздействию

Переходная характеристика характеризует силовую часть электропривода как апериодическое звено с коэффициентом усиления

K=21,9.Время переходного процесса в системе равно tпп.зад=0,415 с.

СПБГУАП группа 4736 https://new.guap.ru/i03/contacts

Рис. 2.5 Частотные характеристики по задающему воздействию Частотные характеристики показывают, что система является

статической, так как наклон низкочастотной части ЛАХЧ нулевой.

Система:

обладает достаточным быстродействием, частота среза ср=190

рад/с;

устойчива с запасом по фазе 59,8 и запасом по амплитуде 16,8 дБ.

Исследование влияния возмущения – статической нагрузки на силовую часть системы ПЧ – АД осуществляется в соответствии со схемой,

изображенной на рисунке 2.4.6. Отличие от схемы, изображенной на рисунке

2.4.3состоит в местах расположения контрольных точек Input и Output .

Результаты исследования системы представлены на рисунках 2.7 и 2.8.

СПБГУАП группа 4736 https://new.guap.ru/i03/contacts

Рис. 2.6 Схема исследования по возмущающему воздействию

Рис. 2.7 Переходная характеристика по возмущающему воздействию

Система ПЧ-АД обладает низким быстродействием (время переходного процесса tпп.возм=0,412 с). Время переходного процесса скорости при единичном скачке задающего сигнала (tпп.зад=0,415 с) почти не отличается от времени переходного процесса при наличии возмущения. Причем низкое быстродействие системы связано с достаточно большим моментом инерции.

Поэтому и коэффициент усиления в системе низкий.

СПБГУАП группа 4736 https://new.guap.ru/i03/contacts

K

 

 

1

 

1

10

усил. в

J

0,1

 

 

 

 

 

 

 

 

 

(2.34)

Рис. 2.8 Частотные характеристики по возмущающему воздействию

СПБГУАП группа 4736 https://new.guap.ru/i03/contacts

3. Специальная часть проекта

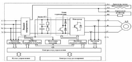
3.1 Особенности ПЧ основанных на IGBT-транзисторах

Преобразователь построен по принципу двухзвенного преобразования энергии с промежуточным звеном постоянного тока и автономным инвертором напряжения. Функциональная схема преобразователя представлен на рисунке 3.1.

Рис. 3.1 Функциональная схема преобразователя

Силовая часть преобразователя включает в себя трехфазный мостовой выпрямитель (входной выпрямитель), звено постоянного тока (звено ПТ),

трехфазный мостовой инвертор (инвертор) и блок торможения. Входной выпрямитель включает в себя цепь предварительного заряда емкостей звена постоянного тока, обеспечивающую ограничение тока заряда и плавное нарастание напряжения на конденсаторах. В преобразователях мощностью

5,5-37кВт входной выпрямитель является неуправляемым, при этом отключение звена постоянного тока преобразователя осуществляется с помощью встроенного электромагнитного реле. В преобразователях мощностью 45-90кВт входной выпрямитель является полууправляемым и выполняет функцию отключения звена постоянного тока преобразователя.