Материал: Построение ФСА в пакете Компас-3D и AutoCAD

Внимание! Если размещение файла нарушает Ваши авторские права, то обязательно сообщите нам

Для установки условного обозначения стрелки воспользуйтесь командой Копирование и скопируйте ранее построенную стрелку. Выберите команду Поворот () в выпадающем меню Редактор, предварительно выделев стрелку. На запрос системы Укажите точку центра поворота или введите ее координаты щелкните курсором на начало стрелки, используя привязку Ближайшая точка. В строке параметров в поле Угол введите значение 1800 и щелкните ЛК (рисунок 1.44). Завершите работу.

Рисунок 1.44 - Поворот стрелки

Теперь постройте линии связи от условных обозначений приборов для верхнего и нижнего трубопровода. Воспользуйтесь командой Перпендикулярный отрезок из расширенной панели кнопки ввода отрезков. Стиль линии Тонкая. На запрос системы Укажите кривую для построения перпендикулярного отрезка щелкните по нижнему отрезку условного обозначения верхнего трубопровода. С помощью привязки Точка на кривой постройте перпендикулярный отрезок. Аналогичным образом постройте второй отрезок для нижнего трубопровода. Завершите работу. Войдите в режим работы с текстом, нажав на команду Ввод текста на странице Обозначения. Введите номера линий связи. Завершите работу. Удалите все вспомогательные прямые кроме прямой n3. Обновите изображение.

С помощью команды Отрезок постройте ломаную в левой части чертежа. Завершите работу. Удалите вспомогательную прямую n3. Обновите изображение (рисунок 1.45).

Рисунок 1.45- Геометрические построения

.9 Построение условного обозначения расширителя утечек

Для построения дуги над отрезком 1-2 постройте сначала отрезок 5-6, используя привязку Пересечение. Активизируйте команду Дуга на инструментальной панели Геометрия. На запрос системы Укажите точку центра дуги или введите ее координаты с помощью привязки Середина щелкните по середине отрезка 5-6. В сроке параметров в поле Направление дуги щелкните по кнопке Построение по часовой стрелке, в поле Стиль основной.

На запрос системы Укажите начальную точку дуги или введите ее координаты укажите на точку 1, используя привязку Пересечение. На запрос системы Укажите конечную точку дуги или введите ее координаты укажите на точку 2. Создайте объект. Завершите работу (рисунок 1.46).

Рисунок 1.46 - Построение дуги

С помощью команды Отрезок постройте отрезок, проходящий через середину отрезка 1-2, используйте привязку Середина и Пересечение для указания начальной и конечной точек отрезка соответственно. Стиль линии Тонкая. Удалите отрезок 5-6 с помощью команды Усечь кривую на странице Редактирование. Завершите работу. Удалите все вспомогательные прямые. Обновите изображение. Результат построения показан на рисунке 1.47.

С помощью команды Перпендикулярный отрезок постройте отрезок 7-8. Стиль линии Основная.

Постройте вспомогательные вертикальные n1, n2, n3 и горизонтальные n4, n5 прямые. Условно отметьте точки пересечения прямых (рисунок 1.48).

Рисунок 1.47 - Геометрические построения

Рисунок 1.48 - Ввод вспомогательных прямых

С помощью команды Прямоугольник постройте прямоугольник с вершинами в точках 1, 2, 3, 4, используйте локальную привязку Пересечение. Завершите работу. Удалите лишний отрезок внутри прямоугольника, активизируя команду Усечь кривую на странице Редактирование. Завершите работу (рисунок 1.49).

Переключитесь в режим работы с текстом, нажав на команду Ввод текста на странице Обозначения. Наберите текст Расширитель утечек. В поле Высота символов укажите 2.5, в поле Шаг строк введите 4.0 (рисунок 1.50). Создайте объект. Завершите работу.

Рисунок 1.49 - Геометрические построения

Рисунок 1.50 - Ввод текста

Активизируйте команду Отрезок и постройте отрезок, исходящий из середины отрезка 1-4, используйте привязку Середина. Стиль линии Тонкая. На запрос системы указать конечную точку укажите точку на прямой n1 с помощью привязки Нормаль. Команда в активном состоянии. Постройте отрезок, перпендикулярный этому. Завершите работу.

Так как условного обозначения сигнализатора утечек нефти LS в библиотеке условных обозначений приборов не имеется, то скопируйте условное обозначение любого прибора вышеописанным способом. Допустим, это будет условное обозначение первичного преобразователя для измерения температуры. Зафиксируйте его на отрезке (рисунок 1.51).

Рисунок 1.51 - Копирование объекта

Удалите отрезок внутри окружности с помощью команды Усечь кривую. Введите условное обозначение прибора, позиционное обозначение, а также номер линий связи (рисунок 1.52). Высота букв для ввода позиции 2.5. Вспомогательные прямые больше не понадобятся, поэтому удалите их и обновите изображение.

Рисунок 1.52- Ввод текста

1.10 Построение условного обозначения линии подачи масла


Построение условного обозначения линии подачи масла осуществляется с помощью ранее описанных способов построения отрезков, скруглений и ввода условных обозначений первичных преобразователей. Результат данных действий изображен на рисунке 1.53.

Рисунок 1.53 - Геометрические построения

Построение условного обозначения клапана

Так как условное обозначение клапана имеет форму, симметричную относительно оси ох и оси оy, то построим только четверть условного обозначения.

Рисунок 1.54 - Геометрические построения

С помощью функции симметрии дважды отображаем зеркально вновь полученный объект. Итог изображен на рисунке 1.55.

Рисунок 1.55 - Условное обозначение клапана

Вставка условных обозначений на линии подачи масла

Постройте отрезки 1-2 и 3-4 с помощью команды Перпендикулярный отрезок. Стиль линии Тонкая (рисунок 1.56). Завершите работу.

Вставьте условное обозначение первичного преобразователя для измерения температуры TE. В папке Устройства активизируйте условное обозначение преобразователя. Способ вставки Взять в документ.

Зафиксируйте обозначение преобразователя на отрезке 3-4 (рисунок 1.57). Завершите работу команды.

Рисунок 1.56 - Геометрические построения

Рисунок 1.57 - Вставка условных обозначений

Проставим позиционные обозначения и номера лини связи с помощью команды Ввод текста. Высота символов 2.5, не курсив. Стиль линии Тонкая. Удалите лишние отрезки внутри условных обозначений приборов с помощью команды Усечь кривую (рисунок 1.58). Обновите изображение.

Рисунок 1.58- Вставка условных обозначений

С помощью команды Отрезок постройте отрезок 1-2 (рисунок 1.58).

Рисунок 1.58 - Геометрические построения

Скопируйте любое условное обозначение прибора вышеописанным способом. Активизируйте команду Ввод текста. Введите условное обозначение сигнализатора загазованности QE, а также позиционное обозначение прибора и номер линии связи (рисунок 1.59).

Рисунок 1.59 - Вставка условных обозначений

С помощью команды Непрерывный ввод объектов постройте ломаную 1-2-3 (рисунок 1.60). Стиль линии Тонкая.

Рисунок 1.60 - Геометрические построения

Вставьте условное обозначение первичного преобразователя для измерения температуры TE. В папке Устройства активизируйте условное обозначение преобразователя. Способ вставки Взять в документ. Зафиксируйте обозначение преобразователя на отрезке 1-2. Удалите отрезок внутри условного обозначения. Обновите изображение. Введите условное обозначение прибора и номер линии связи. (рисунок 1.61). Завершите работу команды.

Рисунок 1.61 - Вставка условных обозначений

Постройте прямоугольник тонкой линией (рисунок 1.62).

Введите вспомогательные горизонтальные n1, n2 и вертикальные n3, n4 прямые. Условно отметьте точки пересечения прямых (рисунок 1.63)

Рисунок 1.62 - Ввод прямоугольника

Постройте отрезки 1-2 и 3-4. Также постройте горизонтальные отрезки, находящиеся на прямых n1 и n2 и соединяющие две стороны прямоугольника. Стиль линий Тонкая. Удалите лишние отрезки с помощью команды Усечь кривую на инструментальной панели Редактирование (рисунок 1.64). Удалите вспомогательные прямые. Обновите изображение.

Рисунок 1.63 - Ввод вспомогательных прямых

Рисунок 1.64 - Геометрические построения

Нажмите команду Ввод текста на странице Размеры и технологические обозначения. Вам необходимо ввести надпись под углом 900. Для этого, не указывая точку привязки, в строке параметров в поле Угол наклона введите значение 900 и нажмите клавишу Enter. Высота символов 2,5, Не Курсив. Несмотря на то, что вы задали угол наклона строки, текст по-прежнему вводится в горизонтальной ориентации. Система делает это специально для удобства работы оператора. Щелчком на кнопке Создать объект завершите ввод текста (рисунок 1.65).

Введите вспомогательные вертикальные n1, n2 и горизонтальные n3, n4, n5 прямые. Постройте отрезок о1 (рисунок 1.66). Стиль линии Тонкая.

Объедините отрезок о1 в макроэлемент. Воспользуйтесь командой Копирование и скопируйте его пять раз (рисунок 1.67). Обозначьте их условно отрезками о2, о3, о4, о5, о6.

Постройте один отрезок, находящийся между прямой n3 и отрезком о4. Постройте второй отрезок, находящийся между точкой пересечения прямых n5 и n2, и отрезком о5. Согласно образцу точки пересечения отметьте с помощью команды Точка на странице Геометрия (рисунок 1.68).

Рисунок 1.65 - Ввод текста

Рисунок 1.66 - Ввод вспомогательных прямых

Рисунок 1.67 - Копирование объекта

Рисунок 1.68 - Геометрические построения

Постройте отрезок, находящийся на прямой n5.

Вставьте условное обозначение прибора для измерения давления РI. Для этого в папку Приборы двойным нажатием левой кнопки мыши активизируйте условное обозначение прибора. Способ вставки Взять в документ. На запрос системы указать положение базовой точки зафиксируйте ее на прямой n4.

Из той же папки вставьте условное обозначение преобразователя избыточного давления РТ. Способ вставки Взять в документ. На запрос системы указать положение базовой точки зафиксируйте ее на прямой n4. С помощью команды Ввод текста введите необходимые надписи. Удалите лишние отрезки с помощью команды Усечь кривую (рисунок 1.69).

Постройте остальные отрезки, используя команду Отрезок. Завершите работу. Результат построения показан на рисунке 1.70.

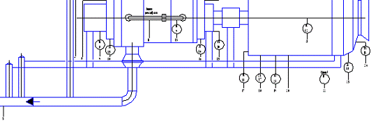
Вышеуказанными способами выполните построение остальных условных обозначений как показано на рисунках 1.71 и 1.72

Рисунок 1.69 - Построение условных обозначений

Рисунок 1.70 -Построение условных обозначений

Рисунок 1.71 - Построение условных обозначений

Рисунок 1.72 - Построение условных обозначений

Выполните построение таблицы для спецификации на приборы. Для этого на панели инструментов выберите Обозначение - Ввод таблицы. Укажите курсором в правой части чертежа (место привязки). Перед вами появится диалоговое окно Создать таблицу. Число столбцов укажите равным 4, число строк 7, высота строки равна 10.

нажатием клавиши мыши по таблице выделите ее и сместите ее так, чтобы правая сторона касалась рамки. Отредактируйте ширину столбцов. Для этого двойным нажатием клавиши мыши активизируйте таблицу. Поместите курсор в первой ячейке, нажмите левую клавишу мыши, в панели свойств выберете вкладку Таблица (под экраном), в появившемся окне выберите Формат ячейки. В появившемся окне установите ширину столбца равной 25. для второго столбца ширина равна 110, для третьего - 13, для четвертого - 37.

С помощью панели инструментов Таблица и Границы, измените стиль линий на Тонкая.

Активизируйте таблицу двойным нажатием мыши и заполните ее согласно таблице 1.

Таблица 1 - Перечень обозначений к ФСА


2 Построние ФСА (Auto CAD)

.1 Построение условного обозначения вентиля

Активируем команду Рисование - Отрезок, строим 2 горизонтальные линии длиной 10 мм, затем 2 вертикальных длиной 5 мм. Получился прямоугольник. Далее соединяем противоположные углы и удаляем 2 горизонтальные линии. В результате у нас построен вентиль.

Рисунок 2.1 - Условное обозначение вентиля.

.2 Построение условного обозначения приборов

Построим окружность радиусом 5 мм. Вкладка Аннотации - однострочный текст. Настроим текст как показано на рисунке 2.3 а. Щелкаем мышкой внутри круга, введем обозначение (ТЕ), далее вводим порядковый номер 26 (рисунок 2.3. б.) на схеме.

 

а)                                                                               б)

Рисунок 2.2 - Построение условного обозначения приборов

Теперь установим обозначение на его место в схеме. Предварительно его можно сгруппировать. Для этого выделите обозначение целиком, нажмите правую кнопку и выберем пункт Группа. Используем это обозначение и для остальных приборов, предварительно скопировав и заменив текстовое обозначение и порядковый номер.

Также можно вставить готовый блок с обозначением прибора из библиотеки. Для этого выберите Вставить во вкладке Блоки и ссылки. В появившемся окне выберите нужный блок и нажмите ОК.