Материал: part2

Внимание! Если размещение файла нарушает Ваши авторские права, то обязательно сообщите нам

Компьютер

Принтер

МЗБ

Параллельная

МЗБ

передача

 

 

 

1

 

 

0

 

 

1

 

 

0

 

 

0

 

 

1

 

 

1

 

 

0

 

 

а)

 

Компьютер

 

Принтер

 

 

 

 

 

Последовательная

 

 

 

 

 

 

передача

 

 

 

 

Выход

 

 

 

 

 

Вход

 

Выход

 

 

 

 

 

 

 

 

 

1

 

1

 

 

1

1

 

 

0

 

 

0

0

 

0

 

1

2

3

4

5

6

7

8

t

МЗБ

 

 

 

 

 

 

 

 

 

 

 

б)

 

 

 

 

Ðèñ. 1.9. à)

Параллельная

передача

использует по

одной

линии связи на каждый бит, при этом все биты переда-

ются одновременно; б) последовательная передача исполь-

зует только одну линию связи, так что каждый бит пе-

редается последовательно (по одному за единицу времени)

Íà ðèñ. 1.9, à показано, как передается с компьютера на принтер двоичное число 10100110 при использовании параллельной передачи. Каждый бит двоичного числа представлен в виде одного из выходных сигналов компьютера и присоединен к соответствующему входу принтера, так что все восемь бит передаются одновременно (параллельно).

Íà ðèñ. 1.9, á показано, что при использовании последовательной передачи между компьютером и принтером существует только одна линия связи. С выхода компь-

46

Глава 1

ютера поступает цифровой сигнал, уровень напряжения которого изменяется через разные промежутки времени соответственно передаваемому двоичному числу. Иными словами, за единицу времени на вход принтера передается только один бит (последовательно). Сопроводительная временнàя диаграмма объясняет, как изменяется уровень сигнала во времени. Обратите внимание, что сначала передается младший значащий бит — это типично для последовательной передачи.

Зачастую требуется найти компромисс между параллельной и последовательной передачей — между скоростью и простотой схемы. Передача двоичных данных из одной части цифровой схемы в другую осуществляется быстрее с помощью параллельной передачи, так как все биты передаются одновременно, тогда как при последовательной передаче только по одному за единицу времени. Однако с другой стороны, параллельная передача требует больше линий связи между передатчиком и приемником двоичных данных. Другими словами, параллельная передача быстрее, а последовательная требует меньшего количества линий связи. В дальнейшем мы еще не раз затронем вопрос сравнения параллельного и последовательного методов передачи двоичной информации.

Контрольные вопросы

1.Опишите преимущества параллельного и последовательного методов передачи двоичной информации.

1.7. Память

В большинстве устройств или схем сигнал на выходе при подаче входного сигнала изменяется в зависимости от входного, а когда входной сигнал прекращается — выходной возвращается к первоначальному состоянию. Такие схемы не демонстрируют свойства памяти, поскольку их выходные сигналы возвращаются в нормальное состояние. Однако в цифровой схемотехнике определенные типы устройств и схем обладают памятью. Когда на такую схему поступает входной сигнал, выходной сигнал также меняется, но при этом он остается в новом состоянии даже после прекращения входного сигнала. Это свойство сохранять отклик на кратковременное входное возмущение называется памятью. На рис. 1.10 показана работа схемы с памятью и без нее.

Схема с памятью

Схема без памяти

Рис. 1.10. Сравнение работы схем с памятью и без нее

Устройства и схемы памяти играют важную роль в цифровых системах, потому что они являются средством хранения двоичных чисел, как временного, так и постоянного, а также способны изменять хранящуюся информацию в любое время. О разнообразных элементах памяти, магнитных и оптических, а также использующих электронные схемы-защелки (регистры-защелки и триггеры), читатель узнает позже.

Введение в предмет

47

1.8. Цифровые компьютеры

Цифровая техника внедрилась в бессчетное количество технологий, но область автоматических цифровых компьютеров является, безусловно, наиболее заметной и расширяющейся. Несмотря на то, что цифровые компьютеры оказывают влияние на все стороны нашей жизни, большинство людей вряд ли точно знают обо всех возможностях компьютера. Проще говоря, компьютер — это система аппаратного обеспечения, осуществляющая арифметические операции, обрабатывающая данные (обычно в двоичной форме) и принимающая решение.

В основном человек может выполнять все то, что делает компьютер, но компьютеры работают с гораздо бîльшими скоростями и точностью. И это несмотря на тот факт, что они осуществляют все операции по одному шагу за единицу времени (такт). Если, например, человек может, взяв список из 10 чисел, найти их сумму сразу, располагая числа одно за другим и складывая их поразрядно, то компьютер будет складывать числа только по два, так что на ту же самую операцию ему потребуется девять шагов. Однако тот факт, что компьютеру требуется только несколько наносекунд на каждый шаг, легко компенсирует этот недостаток.

Компьютер работает быстрее и точнее человека, но, в отличие от нас, он требует полного набора инструкций (команд), которые бы указывали точно, что делать на каждом шагу. Этот набор инструкций называется программой и подготавливается одним или несколькими операторами для любой работы, выполняемой компьютером. Программы размещаются в запоминающем устройстве компьютера в виде двоичного кода, где каждая команда имеет свой уникальный код. Компьютер считывает коды команд из памяти по одному за такт и осуществляет действие, вызываемое кодом.

Основные элементы компьютера

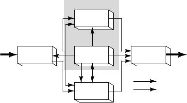
Существует несколько типов компьютерных систем, причем отдельно взятый тип можно разбить на несколько функциональных устройств. Каждое из них осуществляет специфические операции, и при выполнении инструкций, заданных программой, все они функционируют вместе. На рис. 1.11 изображены пять главных функциональных элементов цифрового компьютера и их взаимодействие. Сплошными линиями показан поток данных и информации. Пунктирными линиями поток управляющих и синхронизирующих сигналов.

 

 

Центральный процессор

 

 

 

 

Арифметико

 

 

 

 

логическое

 

 

 

 

устройство

 

 

Данные,

Устройство

Устройство

Устройство

Данные,

информация

ввода

управления

вывода

информация

 

 

 

Сигналы управления

 

 

Память

Данные или информация

Рис. 1.11. Функциональная схема цифрового компьютера

48

Глава 1

Основные функции каждого из компонентов описаны ниже.

1.Устройство ввода. Через это устройство в компьютерную систему и запоминающее устройство подаются полный набор команд и данные для их хранения. Информация обычно поступает в устройство ввода с клавиатуры или диска.

2.Запоминающее устройство. Память хранит команды и данные, полученные от устройства ввода. Она также хранит результаты арифметических операций, полученные от арифметического устройства. Запоминающее устройство снабжает информацией устройство вывода.

3.Устройство управления. Это устройство извлекает команды из запоминающего устройства по одному за такт и расшифровывает их, а затем отсылает соответствующие сигналы во все другие устройства для выполнения конкретной команды.

4.Арифметико-логическое устройство. Все арифметические расчеты и логические операции осуществляются именно в этом устройстве, которое затем отсылает результаты в запоминающее устройство для хранения.

5.Устройство вывода. Это устройство извлекает данные из запоминающего устройства и распечатывает, отображает или каким-то другим способом представляет информацию оператору (либо руководит процессом в случае вычислительной машины для управления технологическими процессами).

Центральное процессорное устройство

На схеме (рис. 1.11) показано устройство управления и арифметико-логическое устройство, которые часто рассматриваются как одно целое и называются центральным процессором (ЦП). ЦП содержит весь набор схем для вызова, а также интерпретации команд, управления и осуществления различных операций, вызванных командами.

Типы компьютеров

Все компьютеры состоят из основных частей, описанных выше, но могут разли- чаться как размерами, быстродействием, емкостью памяти, вычислительной мощностью, так и другими характеристиками. Компьютеры часто классифицируют по физическому размеру, что обычно, хотя и не всегда, является показателем их относительных способностей. Три основных группы, от самых маленьких до самых больших, составляют: микрокомпьютеры, миникомпьютеры (рабочие станции) и большие ЭВМ. Микрокомпьютеры становятся все более и более мощными, поэтому грань между ними и миникомпьютерами стала довольно размытой и уже различают теперь только два типа компьютеров: маленькие, которые стоят в офисе, на столе или располагаются просто на коленях, и большие, размер которых не позволяет разместить их подобным образом. В этой книге мы будем иметь дело преимущественно с микрокомпьютерами.

Микрокомпьютер — самая маленькая разновидность компьютеров. Обычно микрокомпьютер состоит из нескольких плат ИС и включает микропроцессор, память, платы интерфейса ввода-вывода для совмещения с устройствами ввода-вывода: клавиатурой, видеодисплеем, принтером и дисковыми накопителями. Микрокомпьютеры появились как результат огромного прогресса в технологии изготовления ИС, позволившего размещать все больше и больше цифровых схем на маленьком чипе. Чип с микропроцессором, например, содержит как минимум все те схемы, которые составляют в компьютере центральный процессор — устройство управления и арифме- тико-логическое устройство. Другими словами, микропроцессор — это “ЦП на одном чипе”.

Большинство из нас знакомы с микрокомпьютерами общего назначения, такими как IBM PC и его клоны, или Apple Macintosh, используемыми дома и в офисах. Эти микрокомпьютеры могут работать с широким спектром задач в зависимости от уста-

Введение в предмет

49

новленного на них программного обеспечения. Существует более узкоспециализированный тип микрокомпьютеров, который называется микроконтроллером и не является компьютером общего назначения. Скорее он спроектирован для использования в специализированном или встроенном контроллере, помогающем отслеживать и контролировать действия машины, оборудования или процесса. Микроконтроллеры — это микрокомпьютеры, потому что они, как и ЦП, используют микропроцессор, но микроконтроллеры намного меньше микрокомпьютеров общего назначения, поскольку они взаимодействуют с намного меньшими устройствами ввода-вывода. Фактически, некоторые из этих устройств ввода-вывода (как и память) располагаются на том же чипе, что и микропроцессор. Такие однокристальные микроконтроллеры задействованы в огромном количестве задач: управляющих приборах, металлообрабатывающих машинах, видеомагнитофонах, банкоматах, фотокопировальных аппаратах, автомобильных системах зажигания, антиблокировочных тормозных системах, медицинском оборудовании и многих других областях.

Даже если у вас нет персонального компьютера и вы используете его только на работе или в школе, ваша жизнь ежедневно связана с микрокомпьютерами, потому что невероятно много современных потребительских электронных устройств, приборов, офисного оборудования и т.п. основаны именно на встроенных микроконтроллерах.

Контрольные вопросы

1.Объясните, в чем отличие цифровых схем с памятью и цифровых схем без памяти.

2.Назовите пять основных функциональных частей компьютера.

3.Из каких двух частей состоит ЦП?

4.Чип ИС, содержащий центральный процессор, называется __________.

Резюме

1.Существует два основных способа представления числового значения физических величин: аналоговый (непрерывный) и цифровой (дискретный).

2.Áîльшая часть реальных величин — аналоговые, но цифровая техника превосходит аналоговую, и многочисленные прогнозируемые достижения произойдут именно в области цифровой техники.

3.Двоичная система (0 и 1) является базовой для цифровой технологии.

4.Цифровые, или логические, схемы работают с напряжениями в определенных диапазонах, представляющих двоичный 0 или двоичную 1.

5.Существует два основных способа передачи цифровой информации: параллельный (все биты одновременно) и последовательный (по одному биту за единицу времени).

6.Главные составные части компьютера — это устройство ввода, управляющее устройство, запоминающее устройство, арифметико-логическое устройство, устройство вывода.

7.Комбинация арифметико-логического устройства и управляющего устройства называется центральным процессором (ЦП).

8.Микрокомпьютер обычно имеет однокристальный центральный процессор, который еще называется микропроцессором.

9.Микроконтроллер — это микрокомпьютер, спроектированный для узкоспециализированного (в отличие от устройств общего назначения) применения.

50

Глава 1