Материал: Москатов Электроника 2010

Внимание! Если размещение файла нарушает Ваши авторские права, то обязательно сообщите нам

161Москатов Е. А. Электронная техника. Начало. http://moskatov.narod.ru

пряжения, чрезмерная амплитуда которого может вызвать, например, выход из строя транзистора. Кроме того, возникнет затухающий колебательный процесс, который зачастую нужно оперативно погасить. Чтобы уменьшить амплитуду импульса, снижают скорость нарастания напряжения на выводах первичной обмотки, шунтируя еѐ RC-цепью, или включив параллельно ей transil или иной поглотитель выбросов.

Достоинство: каскад довольно прост, и для его построения используют всего один транзистор.

Недостатки: обычно весьма низкий КПД каскада, магнитные свойства сердечника использованы плохо, магнитопровод трансформатора подвергнут постоянному подмагничиванию, что вынуждает вводить в сердечник немагнитный зазор. Трансформатор приводит к частотным искажениям и снижению коэффициента усиления на низких частотах.

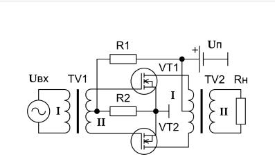
11.4.2. Двухтактный трансформаторный каскад

Принципиальная схема двухтактного усилительного каскада с трансформаторами и полевыми МДП-транзисторами n-типа, включѐнными по схеме с общим истоком, дана на рис. 11.6.

162Москатов Е. А. Электронная техника. Начало. http://moskatov.narod.ru

Рис. 11.6. Двухтактный трансформаторный каскад Резисторы делителя напряжения R1 и R2, обеспечивающие смещение, нужны для уменьшения искажений выходного сигнала. Для обеспечения некоторой стабильности в диапазоне температур иногда один из резисторов делителя напряжения заменяют подходящим терморезистором. Благодаря согласующему трансформатору TV1, который имеет вторичную обмотку с отводом от середины, между затворами и истоками транзисторов VT1 и VT2 приложены противофазные напряжения, амплитуды которых обладают практически одной и той же величиной. Если к затвору транзистора VT1 приложено положительное напряжение, а к затвору транзистора VT2 – отрицательное напряжение относительно истоков этих транзисторов, то компонент VT1 открыт, а VT2 – закрыт. Если, наоборот, к затвору транзистора VT1 будет приложено отрицательное напряжение, а к затвору транзистора VT2 – положительное напряжение относительно соответствующих истоков транзисторов, то прибор VT1 будет закрыт, а VT2 – открыт. В любом случае ток течѐт по цепи от плюса источника питания, через полуобмотку I выходного трансформатора TV2, по выводам сток-исток открытого в данный момент транзистора, к отрицательному полюсу источника питания. Токи

163Москатов Е. А. Электронная техника. Начало. http://moskatov.narod.ru

стоков транзисторов, протекая по первичной обмотке выходного трансформатора TV2, инициируют наведение ЭДС на вторичную обмотку, переменное напряжение с которой подводят к нагрузке. Так как токи стоков МДП транзисторов VT1 и VT2 протекают по первичной полуобмотке выходного трансформатора TV2 в противоположных направлениях, то ток, протекающий по нагрузке, пропорционален разности токов стоков транзисторов. Двухтактные трансформаторные каскады целесообразны для работы с мощными нагрузками.

Достоинства: каскад может обладать высоким КПД; в магнитопроводах трансформаторов отсутствуют длительные подмагничивания сердечников постоянным током, что позволяет расширить используемый диапазон магнитной индукции по сравнению с трансформаторами, функционирующими с постоянным подмагничиванием. Пульсации напряжения источника питания не оказывают существенного воздействия на работу каскада, так как происходят взаимные компенсации вызванных ими колебаний токов, протекающих по первичной обмотке выходного трансформатора.

Недостатки: большая масса и габариты трансформаторов, частотные искажения сигнала и завал амплитудно-частотной характеристики на низких частотах, обусловленные не идеальными свойствами трансформаторов. В рассмотренном выше каскаде при коротком замыкании в нагрузке транзисторы очень быстро выйдут из строя, что вынуждает использовать систему защиты по току. Напряжение, подаваемое на транзисторы VT1 и VT2, должно быть подано в противофазе, что в случае отказа от использования согласующего трансформатора TV1 должен обеспечивать специальный каскад – фазоинвертор. Задача фазоинвертора состоит в разделении поданного на его вход сигнала на два выходных сигнала, сдвинутых на 180° по фазе. Фазоинвертором может выступать каскад на одном биполярном транзисторе, включѐнном по схеме с общим эмиттером, к коллектору и эмиттеру которого подключены резисторы одинако-

164Москатов Е. А. Электронная техника. Начало. http://moskatov.narod.ru

вого номинального сопротивления. Сигнал в фазе снимают с эмиттера, а в противофазе – с коллектора транзистора. Сопротивления этих резисторов должно быть близки для того, чтобы амплитуды выходных синфазных и противофазных напряжений были почти одинаковы. Также фазоинвертор может быть выполнен на одном полевом транзисторе, или в качестве фазоинвертора может быть задействован дифференциальный каскад [168, с. 171, 172].

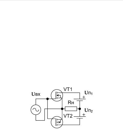
11.4.3. Двухтактный бестрансформаторный каскад

Принципиальная схема двухтактного бестрансформаторного усилительного каскада с полевыми МДП-транзисторами разных типов проводимостей отражена на рис. 11.7.

Рис. 11.7. Двухтактный бестрансформаторный каскад МДП-транзистор VT1 обладает n-типом проводимости, а транзистор VT2 – p-типом. Если между затворами и истоками транзисторов будет подано напряжение положительной полярности, то транзистор VT2 будет закрыт, а транзистор VT1 будет открыт, и ток потечѐт по цепи от плюса источника питания Uп1, сток-исток транзистора VT1, по нагрузке, к отрицательному полюсу источника питания Uп1. А если будет подано напряжение затвор-исток отрицательной полярности, то транзистор VT1 будет закрыт, а транзистор VT2 бу-

165Москатов Е. А. Электронная техника. Начало. http://moskatov.narod.ru

дет открыт, и ток потечѐт по цепи от плюса источника питания Uп2, по нагрузке, исток-сток транзистора VT2, к отрицательному полюсу источника питания Uп2. Поступление на вход сигнала с напряжением то положительной, то отрицательной полярностей приводит то к запиранию одного транзистора и отпиранию другого, то наоборот. Другими словами, транзисторы функционируют в противофазе. Транзисторы VT1 и VT2 выбирают так, чтобы их параметры и характеристики в рабочей области были как можно более близкими.

Достоинства: возможно получение высокого КПД, при правильном выборе транзисторов нелинейные искажения малы. Каскад развивает большую максимальную выходную мощность, по сравнению с однотактным каскадом с таким же транзистором. Из-за отсутствия трансформаторов нет жѐстких ограничений на частотный диапазон усиливаемых сигналов. Кроме того, без громоздких и тяжѐлых трансформаторов получают малые массу, габариты и низкую стоимость устройства.

Недостатки: необходимость тщательного выбора транзисторов и стремительное их разрушение при перегрузке выходного каскада, в случае, если в нѐм не предусмотрена система защиты по току.

11.5. Основные сведения о режимах работы усилителей

11.5.1. Проходная динамическая характеристика и общие сведения о классах усиления

Проходной динамической характеристикой именуют зависимость силы тока, протекающего по выходной цепи каскада, от величины напряжения, подведѐнного к его входу. Иногда еѐ называют сквозной динамической характеристикой. Если МДП-транзистор вклю-