Материал: Москатов Электроника 2010

Внимание! Если размещение файла нарушает Ваши авторские права, то обязательно сообщите нам

156Москатов Е. А. Электронная техника. Начало. http://moskatov.narod.ru

напряжений можно оперировать среднеквадратическими напряжениями. Амплитудная характеристика усилителя показана на рис. 11.1.

Рис. 11.1. Амплитудная характеристика Зная амплитудную характеристику, можно найти динамический

диапазон усилителя. Он равен двадцати логарифмам отношения максимального входного напряжения к минимальному входному напряжению, при условии, что эти напряжения соответствуют линейному участку амплитудной характеристики:

D = 20 lg (Uвх.макс / Uвх.мин), (дБ).

Амплитудно-частотной характеристикой, которую получают при фиксированном входном напряжении, именуют зависимость напряжения, снимаемого с выхода аппарата, от частоты сигнала, что отражено на рис. 11.2.

157Москатов Е. А. Электронная техника. Начало. http://moskatov.narod.ru

Рис. 11.2. Амплитудно-частотная характеристика Располагая амплитудно-частотной характеристикой, можно установить полосу пропускания усилителя. Бывает, что удобно использовать зависимость коэффициента усиления устройства от частоты сигнала, получаемую при неизменном входном напряжении. Часто для удобства график АЧХ строят в логарифмическом масштабе.

Фазовой характеристикой называют зависимость от частоты фазового сдвига, возникающего между сигналом, поступающим на вход, и сигналом, получаемым на выходе. Фазовая характеристика усилителя для области низких частот дана на рис. 11.3.

Рис. 11.3. Фазовая характеристика

158Москатов Е. А. Электронная техника. Начало. http://moskatov.narod.ru

Обладая фазовой характеристикой, можно установить, возникнет или нет на определѐнной частоте самовозбуждение в усилителе.

11.3. Работа простейшего усилителя на различных частотах

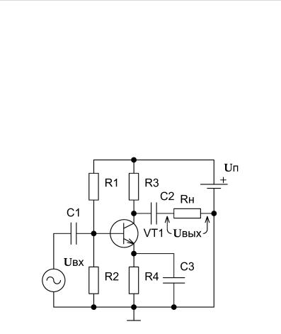
Принципиальная схема простейшего усилительного каскада с рези- сторно-ѐмкостными связями, выполненного на одном биполярном n-p-n транзисторе, приведена на рис. 11.4.

Рис. 11.4. Схема усилительного каскада

Резисторы R1 и R2 образуют делитель постоянного напряжения, подводимого к базе транзистора VT1. Компонент Rн – это нагрузка каскада, обладающая сопротивлением, а также паразитными параметрами: индуктивностью и ѐмкостью. Паразитная ѐмкость нагрузки включает ѐмкость монтажа и входную ѐмкость очередного кас-

159Москатов Е. А. Электронная техника. Начало. http://moskatov.narod.ru

када, подсоединѐнного к рассматриваемому каскаду. Конденсаторы C1 и C2 необходимы для обеспечения протекания переменного тока, но преграждения пути протекания постоянного тока.

Если на вход каскада подан сигнал низкой частоты, то паразитное ѐмкостное сопротивление нагрузки велико и нет его существенного влияния на работу устройства. Включѐнные последовательно с источником сигналов конденсаторы C1 и C2 обладают высокими ѐмкостными сопротивлениями, и на них падает существенная часть сигнала, что объясняет снижение усилительных свойств устройства на низкой частоте.

При поступлении на вход каскада сигналов со средними частотами, ѐмкостные сопротивления конденсаторов C1 и C2 низки, и они не оказывают значительного воздействия на функционирование устройства. Паразитное ѐмкостное сопротивление нагрузки на средних частотах меньше, чем на низких частотах, но не настолько мало, чтобы играть существенную роль в работе каскада. В результате на средних частотах усиление сигнала устройством наиболее велико.

Если на вход каскада попадает сигнал высокой частоты, то конденсаторы C1 и C2 обладают очень низкими ѐмкостными сопротивлениями, и они практически не препятствуют сигналу. Однако паразитное ѐмкостное сопротивление нагрузки весьма мало и оно значительно шунтирует выход каскада, что вызывает снижение усилительных свойств на высокой частоте.

11.4. Выходные усилительные каскады

11.4.1. Однотактный трансформаторный каскад

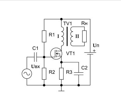
Упрощѐнная принципиальная схема простейшего однотактного усилительного каскада с МДП-транзистором n-типа, включѐнным по схеме с общим истоком, приведена на рис. 11.5.

160Москатов Е. А. Электронная техника. Начало. http://moskatov.narod.ru

Рис. 11.5. Однотактный усилительный каскад

Как видно из рисунка, первичная обмотка трансформатора TV1 подключена к стоку транзистора VT1, а с вторичной обмотки сигнал подают на нагрузку. Трансформатор даѐт возможность получить наилучшее согласование каскада с нагрузкой, а также обеспечить их гальваническую развязку. Транзистор VT1 перейдѐт в открытое состояние, если между его затвором и истоком приложить напряжение таким образом, чтобы напряжение положительной полярности было подано на затвор. Ток течѐт по цепи от плюса источника питания, по обмотке трансформатора TV1, через канал транзистора, к отрицательному полюсу источника питания. Однотактные трансформаторные каскады в основном предназначены для работы с маломощной нагрузкой.

При резком прекращении протекания тока по первичной обмотке трансформатора, на еѐ выводах возникает импульс обратного на-