Материал: Москатов Электроника 2010

Внимание! Если размещение файла нарушает Ваши авторские права, то обязательно сообщите нам

86 Москатов Е. А. Электронная техника. Начало. http://moskatov.narod.ru

5.4. Режимы работы полевых транзисторов

5.4.1. Динамический режим работы транзистора

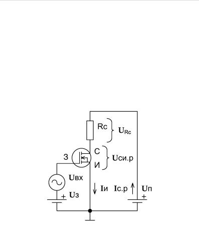
Динамическим режимом работы называют такой режим, в котором к транзистору, который усиливает входной сигнал, подключена нагрузка. Такой нагрузкой может служить резистор Rс, подсоединѐнный последовательно со стоком полевого транзистора, включѐнного по схеме с общим истоком, что показано на рис. 5.10.

Рис. 5.10. Транзистор в динамическом режиме работы Постоянное напряжение питания каскада Uп составляет сумму падений напряжений на выводах сток-исток транзистора и на резисторе Rс, то есть Uп = U+ Uси.р. В тоже время, согласно закону Ома, падение напряжения на нагрузочном резисторе Rс равно произведению протекающего по нему тока Iс.р на его сопротивление: U= Iс.р · Rс. Согласно сказанному, напряжение питания

87 Москатов Е. А. Электронная техника. Начало. http://moskatov.narod.ru

каскада составляет: Uп = Uси.р + Iс.р · Rс. Последнее выражение можно переписать относительно напряжения сток-исток транзистора, и в этом случае получим линейную формулу для выходной цепи Uси.р = Uп – Iс.р · Rс, которую именуют уравнением динамического режима.

На выходных статических характеристиках транзистора для получения представления о режимах работы каскада строят динамическую характеристику, имеющую форму линии. Рассмотрим рисунок 5.11, на котором изображена такая динамическая характеристика усилительного каскада.

Рис. 5.11. Динамическая характеристика Чтобы провести эту линию, которую ещѐ называют нагрузочной

прямой, необходимо знать две координаты точек, соответствующих напряжению питания каскада и току стока в режиме насыщения. Эта нагрузочная прямая пересекает семейство выходных статических характеристик, а точка пересечения, которую называют рабочей, соответствует определѐнному напряжению затвор-исток. Зная положение рабочей точки, можно вычислить некоторые ранее не известные токи и напряжения в конкретном устройстве.

88 Москатов Е. А. Электронная техника. Начало. http://moskatov.narod.ru

5.4.2. Ключевой режим работы транзистора

Ключевым называют такой режим работы транзистора, при котором он может быть либо полностью открыт, либо полностью закрыт, а промежуточное состояние, при котором компонент частично открыт, в идеале отсутствует. Мощность, которая выделяется в транзисторе, в статическом режиме равна произведению тока, протекающего через выводы сток-исток, и напряжения, приложенного между этими выводами.

Видеальном случае, когда транзистор открыт, т.е. в режиме насыщения, его сопротивление межу выводами сток-исток стремится

кнулю. Мощность потерь в открытом состоянии представляет произведение равного нулю напряжения на определѐнную величину тока. Таким образом, рассеиваемая мощность равна нулю.

Видеале, когда транзистор закрыт, т.е. в режиме отсечки, его сопротивление между выводами сток-исток стремится к бесконечности. Мощность потерь в закрытом состоянии есть произведение определѐнной величины напряжения на равное нулю значение тока. Следовательно, мощность потерь равна нулю.

Выходит, что в ключевом режиме, в идеальном случае, мощность потерь транзистора равна нулю. На практике, естественно, когда транзистор открыт, присутствует некоторое небольшое сопротивление сток-исток, а падение постоянного напряжения между этими выводами называют напряжением насыщения. Когда транзистор закрыт, по выводам сток-исток протекает ток небольшой величины. Таким образом, мощность потерь в транзисторе в статическом режиме мала. Однако в динамическом режиме, когда транзистор открывается или закрывается, его рабочая точка форсирует линейную область, в которой ток через транзистор может условно составлять половину максимального тока стока, а напряжение стокисток может достигать половины от максимальной величины. Таким образом, в динамическом режиме в транзисторе выделяется огромная мощность потерь, которая свела бы на нет все замечатель-

89 Москатов Е. А. Электронная техника. Начало. http://moskatov.narod.ru

ные качества ключевого режима, но к счастью длительность нахождения транзистора в динамическом режиме много меньше длительности пребывания в статическом режиме. В результате этого КПД реального транзисторного каскада, работающего в ключевом режиме, может быть очень высок и составлять до 93% – 98%.

Работающие в ключевом режиме транзисторы широко применяют в силовых преобразовательных установках, импульсных источниках электропитания, в выходных каскадах некоторых передатчиков и пр.

90Москатов Е. А. Электронная техника. Начало. http://moskatov.narod.ru

6.Биполярные транзисторы с изолированными затворами

6.1. Общие сведения о БТИЗ

Биполярный транзистор с изолированным затвором (БТИЗ) – по-

английски «insulated gate bipolar transistor» или сокращѐнно IGBT –

это компонент, управление которым, как полевым транзистором, осуществляют напряжением, а протекание тока по силовым выводам коллектора и эмиттера обусловлено, как у биполярного транзистора, движением носителей зарядов обоих типов. В едином технологическом цикле в полупроводнике организуют структуры мощного биполярного p-n-p транзистора, которым управляет МОПтранзистор малой мощности, имеющий n-канал. Выводы БТИЗ носят названия затвора, коллектора и эмиттера.

Достоинства: возможность коммутации токов в тысячи ампер и допустимость прикладывания постоянного напряжения коллекторэмиттер в несколько киловольт к запертому транзистору. Если напряжение коллектор-эмиттер запертого БТИЗ превышает приблизительно 600В, то падающее на выводах коллектор-эмиттер открытого БТИЗ напряжение насыщения обычно меньше по сравнению с полевыми транзисторами той же ценовой группы.

Недостатки: даже наименее инерционные БТИЗ предназначены для функционирования на много более низкой частоте, нежели полевые транзисторы, причѐм чем выше частота, тем ниже максимально допустимая амплитуда тока коллектора транзистора. При этом БТИЗ по частотным свойствам подразделяют на группы. При изготовлении БТИЗ помимо необходимого биполярного p-n-p транзистора возникает ещѐ и паразитный биполярный n-p-n транзистор,