Материал: Модернизация роторного механического пресса за счет замены копиров и пуансонодержателей с роликами на гидроцилиндры

Внимание! Если размещение файла нарушает Ваши авторские права, то обязательно сообщите нам

Модернизация роторного механического пресса за счет замены копиров и пуансонодержателей с роликами на гидроцилиндры

Содержание

Введение

. Литературный обзор. Роторные машины и автоматические линии

.1 Классификация технологических машин и свойства машин различных классов

.2 Рабочие роторы

.2.1 Роторы с механическим приводом рабочих органов

.2.2 Рабочие роторы с гидравлическим и гидромеханическим приводами исполнительных органов

. Конструкторская часть. Разработка конструкции роторного гидравлического пресса

.1 Исходные данные

.2 Циклограмма работы пресса

.3 Расчет и выбор исполнительного гидродвигателя

.4 Составление принципиальной схемы гидропривода

.5 Расчет и выбор насосной установки

.6 Расчет и выбор гидроаппаратуры и трубопроводов

.7 Расчет предохранительного клапана

.8 Разработка конструкции пресса

.8.1 Разработка конструкции гидропривода пресса

.8.2 Разработка конструкции торцового распределителя

.8.3 Компоновка деталей и узлов пресса

.8.4 Расчет шлицевой гайки на прочность

. Технологическая часть. Разработка технологического процесса изготовления плиты гидрошкафа

.1 Назначение и конструкция детали

.2 Выбор типа производства

.3 Расчет количества деталей в партии

.4 Сопоставление и выбор варианта технологического процесса при различных способах получения заготовки

.5 Выбор варианта технологического маршрута по минимуму приведенных затрат

.6 Расчет припусков на обработку

.7 Маршрут обработки детали

.8 Расчет режимов резания

.9 Расчет норм времени

.10 Управляющая программа для обработки детали на станке с ЧПУ

. Исследовательская часть. исследование твердости абразивных кругов после прессования

.1 Методика контроля твердости абразивных кругов методом вдавливания шарика

.1.1 Аппаратура

.1.2 Проведение измерений

.2 Проведение эксперимента и статистическая обработка результатов измерений

Заключение

Список использованных источников

Введение

В настоящее время в абразивной промышленности для производства абразивных кругов находят широкое применение роторные механические прессы вследствие их высокой производительности. Однако механические прессы, на ряду с преимуществами, имеют ряд существенных недостатков, таких как:

низкая надежность при эксплуатации,

невозможность обеспечения заданной точности прессуемых абразивных кругов.

Эти недостатки обусловлены большим износом взаимодействующих между собой наиболее ответственных деталей пресса. В механическом прессе большому износу подвержены копиры и ролики пуансонодержателей, так как они воспринимают основное усилие прессования.

Целью данной выпускной квалификационной работы является модернизация роторного механического пресса за счет замены копиров и пуансонодержателей с роликами на гидроцилиндры. Данное решение позволит при неизменной производительности повысить точность прессуемых абразивных кругов за счет устранения износа выше перечисленных деталей пресса.

1. Литературный обзор. Роторные машины и автоматические линии

Еще в 50-х годах началась интенсивная разработка роторных машин и автоматических линий, заменивших в ряде производств существовавшее ранее оборудование и обеспечивших сокращение производственных площадей и рабочей силы в 4-5 раз, а продолжительность производственного цикла и объема незавершенного производства - в сотни раз.

Были созданы и обеспечили высокую эффективность роторные линии для изготовления пластмассовых деталей прессованием и литьем, деталей приводных цепей и их сборки, для химических источников тока, узлов полупроводниковых приборов, деталей подшипников качения и т.д.

В последние годы был сделан исключительно важный вывод о том, что роторные машины при всей их эффективности представляют собой лишь начальную стадию развития машин, характеризуемых непрерывным движением предметов обработки, и что их развитой формой являются так называемые роторно-конвейерные машины, отличие которых состоит в отделении инструмента от исполнительных органов машин.

.1 Классификация технологических машин и свойства машин различных классов

В зависимости от тех или иных технологических процессов роторные машины подразделяются на 4 класса.

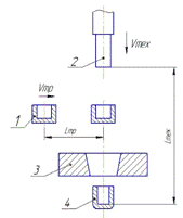
Наиболее широко распространен способ выполнения технологических процессов, характеризуемый прямым противоречием между транспортными и технологическими движениями. Это противоречие выражается в том, что транспортное и технологическое движения прерывают друг друга, т.е. обработка предмета совершается только во время прекращения его транспортирования - при остановке предмета обработки у инструмента, а транспортирование совершается только во время прекращения обработки в соответствии с рисунком 1.1.

Рисунок 1.1 - Первый способ выполнения технологических процессов:

- предмет обработки; 2 и 3 - инструмент; 4 - деталь; Vтр и Vтех - соответственно транспортная и технологическая скорости; Lтр и Lтех - величины соответственно транспортного и технологического перемещений.

Этот способ выполнения технологических процессов применяют в самых различных машинах - токарных станках и автоматах [7].

Второй вид отношения между транспортированием и обработкой характеризуется совпадением или единством транспортного и технологического движений. Транспортное и технологическое движение представляют собой одно и то же движение. Обработка осуществляется посредством самого транспортного движения - во время транспортного перемещения предмета мимо инструмента в соответствии с рисунком 1.2.

Такое отношение между транспортированием и обработкой имеет место, например, в прокатных станах, в непрерывных станках накатки и т.д.

Рисунок 1.2 - Второй способ выполнения технологических процессов:

- инструмент; 2 - предмет обработки; 3 - транспортирующий орган; h - шаг между предметами; d - размер предмета; Ln - длинна рабочей зоны машины.

Третий вид отношения характеризуется независимостью между транспортными и технологическими движениями. Транспортное и технологическое движения представляют собой самостоятельные, но не прерывающие одно другого движения, имеющие возможность производить одновременно. Независимость транспортного и технологического движения имеет место, когда технологическое движение осуществляется в процессе совместного транспортного движения предмета обработки и инструмента.

Существует четвертый способ выполнения технологических процессов, отличающийся тем, что соотношение между транспортированием и обработкой характеризуется не только независимостью скорости транспортного движения от движений технологических, но и независимостью от них других параметров потока, именно независимостью порядка транспортирования, т.е. положения предметов обработки в потоке, плотности, и в некоторой степени, поперечного сечения потока от технологических параметров. Такое соотношение между транспортированием и обработкой существует, когда обработка производится в процессе непрерывного массового транспортирования предметов обработки в произвольном положении, например, химических или термических агрегатах. Различие в характере отношения между транспортирования и обработкой определяют собой различия всех основных свойств технологических машин и позволяют разделить их на четыре качественно различных класса [9].

Для машин первого класса технологические и транспортные действия могут происходить только последовательно; технологический цикл обработки предмета, т.е. время от начала обработки одного предмета до начала обработки второго, определяется суммой времени  и , необходимой для обработки и для транспортирования предмета

Вследствие того, что обработка следующего предмета данным инструментом не может начаться прежде чем закончится обработка и транспортное движение первого, очевидно, что и операционный цикл инструмента  равен .

Итак, для технологических машин первого класса характерно следующее соотношение между технологическим циклом обработки предмета и операционным циклом инструмента.

Для машин первого класса экономически необходимая производительность, и, следовательно, окупаемость соединения операционных машин возможна лишь для процессов с достаточно малой длительностью технологического цикла обработки, т.е. в частных случаях. Проблема экономической окупаемости не получает общего решения на базе машин первого класса. По одной этой причине на данной базе невозможно осуществить в широких масштабах объединение операционных машин в автоматические линии.

Для машин первого класса, характеризуемых противоречием между транспортным и технологическим движениями условие, необходимое для осуществления реагирования на изменения состояния инструмента, и условие, необходимое для получения высокой производительности, несовместимы. Следует, кроме того, отметить, что в машинах первого класса, поскольку рабочие и транспортные движения прерывают друг друга, скорости этих движений в течении каждого цикла проходят через нулевые значения, вследствие чего величины этих скоростей ограничиваются также и значениями допустимых ускорений.

При втором способе выполнение технологических процессов, т.е. для машин второго класса, как это видно из рисунка 1.2, технологический цикл обработки предмета  равен времени прохождения предметов обработки рабочей зоны машины, т.е. участку пути  от места поступления предмета до его выхода из машины.

Рабочий цикл машины - время, через которое происходит выпуск очередного предмета, равен также времени прохождения участка h, т.е. шагу между предметами в потоке.

Это означает, что увеличение технологического цикла обработки не влечет за собой снижения производительности и, следовательно, при любой производительности возможны в принципе любые длительности обработки.

Существенным отличием рабочих машин второго класса является также и то, что вследствие совмещения транспортного и технологического движения эти движения не прерывают одно другого и могут происходить непрерывно с постоянной скоростью. Величина технологической, и, следовательно, транспортной скорости не ограничивается предельной величиной допустимого (из динамических условий) ускорения. Производительность лимитируется лишь допустимой величиной технологической или транспортной скорости и сопряжена с осуществлением высокой транспортной и рабочей скорости. Поэтому высокая производительность сопряжена с жестким технологическим скоростным режимом, но в отличие от машины первого класса высокая производительность уже не сопряжена с высокими ускорениями, и, следовательно, совместима с оптимальными динамическими условиями работы.

В этом состоит второе важное преимущество машин второго класса, существенное с точки зрения износостойкости, и, следовательно, коэффициента использования.

Однако машины второго класса не обеспечивают возможности реагирования на изменения состояния инструмента, т.е. осуществления его автоматической смены в процессе работы машины. Такое реагирование требует, чтобы в операционном цикле инструмента могло быть выделено время , в течении которого инструмент не находится во взаимодействии ни с одним предметом обработки. Способ выполнения технологических процессов, характеризуемый единством транспортного и технологического движения, не обеспечивает, таким образом, всех условий, необходимых для осуществления автоматической системы машин в ее полном развитии.

Третий способ выполнения технологических процессов характеризуется независимостью между транспортным и технологическим движением. Машины третьего класса, характеризуемые этим способом выполнения технологических процессов, отличаются тем, что технологические воздействия осуществляются в процессе совместного транспортирования предмета обработки и инструмента. Рабочие инструменты в машинах этого класса находятся в непрерывном транспортном движении по какой-либо замкнутой траектории, в процессе которого каждый инструмент совершает по определенному закону все необходимые для данной операции технологические движения.

Технологический цикл обработки  представляет собой время транспортирования предмета обработки на участке пути, где совершаются технологические движения инструментов, а также действия необходимые для выполнения операции. Операционный цикл инструмента равен времени прохождения инструментом пути , и, наконец, рабочий цикл машины  определяется временем прохождения шагового расстояния h между двумя смежными инструментами или предметами обработки.

Проблема окупаемости для машин третьего класса получает общее решение. Естественно, что производительности для машин третьего класса всегда могут быть одинаковыми на различных операциях для данного предмета обработки, т.е.

Таким образом, для машин третьего класса в общем случае обеспечивается как условие окупаемости - важнейшее условие, необходимое для осуществления перехода к автоматическим системам машин, так и условие одинаковости производительности, обеспечивающее саму возможность объединения однооперационных автоматических машин в единую автоматическую систему с общим потоком предметов обработки.

Для машин третьего класса в общем случае обеспечивается и условие, необходимое для осуществления реагирования на изменения состояния инструмента. Следовательно, машины третьего класса позволяют реализовать содержащиеся в процессах третьего класса возможности осуществления автоматической замены рабочих инструментов. Проблема сохранения коэффициента использования при выполнении процессов третьего класса посредством машин третьего класса получает общее решение.

Существенное отличие машин третьего класса, имеющее важное значение при переходе к автоматической системе машин, имеет место также в характере соотношения между производительностью и динамическими и технологическими режимами работы машины.

Если в машинах первого класса высокая производительность не совместима с оптимальными технологическими и динамическими режимами, а в машинах второго класса с оптимальными технологическими режимами, то в машинах третьего класса существует, очевидно, в общем случае возможность достижения высокой производительности не только без применения высоких ускорений, но и без использования высоких скоростей рабочих движений. Иначе говоря, как бы не была велика заданная производительность, она может быть доступна в результате увеличения транспортной скорости при сохранении любых скоростей рабочих движений. Следовательно, высокая производительность в машинах третьего класса совместима с оптимальными технологическими и динамическими режимами. Производительность рабочих машин третьего класса, ввиду ее независимости как от значений рабочих скоростей, так и от значений ускорений рабочих и транспортных движений, представляет собой величину, определяемую в конечном итоге лишь значением допустимой транспортной скорости.