Материал: Модернизация конструкции и технология изготовления, механизма смены увеличения визира оптического устройства

Внимание! Если размещение файла нарушает Ваши авторские права, то обязательно сообщите нам

Рисунок 30 - Менеджер документа

Так же присутствует техническое требование для выполнения операций (рисунок 31) [4].

Рисунок 31 - Техническое требование

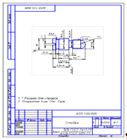
На окончательно оформленном чертеже детали «Стойка» представлен вид спереди (рисунок 32). Проставлены все необходимые размеры, шероховатости, отклонения, заполнена основная рамка [4].

Рисунок 32 - Готовый чертеж детали «Стойка»

Конструкторская документация, представлена в ПРИЛОЖЕНИИ 1.

2.3 Разработка каталога и разнесённой сборки

На начальном этапе, когда механизм полностью собран, отсоединению от корпуса подлежит Винт (АЛ6,328,194СБ) (рисунок 33). При отвинчивании винтов используется отвертка 0,8×5,5 (Т1) и выколотка (Т2) для удаления штифтов.

Рисунок 33 - Отсоединение винта

На следующем этапе происходит отсоединение вилки (рисунок 34).

Рисунок 34 - Отсоединение винта (АЛ6.328.196СБ)

На третьем этапе происходит отделение кольца от корпуса пластины. Все действия выполняются вручную при помощи стандартной отвертки с прямым шлицем. На рисунке 35 показана процедура отсоединения объектива (АЛ5.920.205СБ).

Рисунок 35 - Отсоединение объектива от корпуса

На четвертой стадии также происходит отсоединение объектива (АЛ5.920.201). Данная операция изображена на рисунке 36.

Рисунок 36 - Отсоединение объектива

В конечном итоге механизм должен быть полностью разобран на отдельные сборки или на отдельные компоненты. Разнесенная сборка механизма представлена на рисунке 37 [5].

Рисунок 37 - Разнесенная сборка механизма

После того как механизм полностью разнесен на детали, создается его каркасное изображение для каталога (рисунок 38).

Рисунок 38 - Каркасное изображение механизма

2.4 Автоматизированный инженерный анализ стойки методом конечных элементов

Анализ напряженно - деформированного состояния будем производить для детали «Стойка».

Точное аналитическое решение возможно только для очень ограниченного круга задач теории упругости. Поэтому для инженерной практики огромное значение имеют приближенные методы. Важность этих методов особенно возрастает в связи с активным внедрением в теорию и практику проектирования вычислительной техники и новейших информационных технологий [4].

В данной главе мы рассмотрим метод конечных элементов (МКЭ), имеющий наибольшее применение для решения прикладных инженерных задач.

Характерной особенностью метода конечных элементов, относящегося к так называемым прямым методам, является то, что процедуры для отыскания числовых полей неизвестных функций в теле (таких как перемещения, напряжения, силы), строятся на основе вариационных принципов механики упругого тела, без непосредственного использования дифференциальных уравнений. Заметим, что в настоящее время метод конечных элементов считается самым эффективным прямым методом приближенного решения прикладных задач механики [13].

В основе метода конечных элементов лежит представление объекта исследования в виде набора некоторых простых с геометрической точки зрения фигур, называемых конечными элементами, взаимодействующими между собой только в узлах. Расположенные определенным образом (в зависимости от конструкции объекта) и закрепленные в соответствии с граничными условиями конечные элементы, форма которых определяется особенностями моделируемого объекта, позволяют описать все многообразие механически конструкций и деталей.

Например, плоскую форменную конструкцию можно смоделировать набором плоских стержневых фигур, рамную - набором объемных стержневых элементов, различного рода пластины и оболочки - множеством плоских треугольников или прямоугольников. Геометрически объемные тела удобно представлять в виде совокупности элементарных пирамид, параллелепипедов и призм, и другие.

Рамные конструкции, как правило, моделируются набором стержневых конечных элементов. Различного рода пластины и оболочки удобно моделировать набором плоских треугольных, либо прямоугольных элементов, а в отдельных случаях и набором более сложных элементов. Геометрически объемные тела удобно представлять в виде совокупности элементарных пирамид, параллелепипедов и призм [13].

Такое представление рассматриваемого объекта позволяет решать задачи расчета напряженного и деформированного состояний тела, устойчивости и динамики, нахождения частот и амплитуд собственных и вынужденных колебаний. Кроме того, МКЭ можно с успехом использовать для решения задач стационарной и нестационарной теплопроводности, расчета полей статического электричества и скоростей безвихревого течения жидкости, и другие.

Практическое использование этого метода во многом зависит от уровня развития компьютерной техники и качества программного обеспечения, реализующего этот метод. Программное обеспечение для решения задач методом МКЭ должно включать в себя следующие элементы: редактор разбивки на конечные элементы, ядро, непосредственно обеспечивающее решение, и визуализатор для демонстрации полученных результатов.

Следует отметить, что метод конечного элемента - это достаточно самостоятельный раздел механики сплошной среды, который динамично развивается и совершенствуется. Для подробного ознакомления с ним можно воспользоваться специальной литературой. Здесь же будут рассмотрены лишь физические основы этого метода на примере решения плоской задачи теории упругости - расчета напряженного состояния тонкой пластины произвольной формы. В качестве конечного элемента примем плоский элемент треугольной геометрической формы [13].

2.5 Использование трёхмерной модели для расчёта изделия методами имитационного моделирования

Имитационное моделирование-создание электронной модели проектируемого объекта и экспериментирование с ней при заданных ограничениях. Цель таких экспериментов-это определение оптимальных параметров модели [13].

Различают два метода имитации [13]:

1. Кинематическая-имитация процесса движения элемента объекта с целью определения столкновений (коллизий).

2.      Динамическая-имитация процесса исследования поведения объекта при изменении действующих нагрузок и температур. В этом случае определяется теплонапряжённое состояние объекта, а также определение напряжённо-деформированного состояния объекта.

Последняя задача была решена давно. Для определения напряжённо-деформированного состояния могут использоваться методы имитационной физики, достаточно хорошо разработана теория метода математической физики. Эти методы позволяют получить достаточно точные результаты, только лишь при достаточно простой конфигурации объекта. При сложной конфигурации объекта в САПР используется метод конечных элементов (МКЭ) [13].

2.6 Расчет напряженно - деформированного состояния детали в среде SolidWorksSimulation

Прежде всего, необходимо создать твердотельную модель детали в среде SolidWorks.Проводим исследование напряженно - деформированного состояния, имитируя работу стойки под действием сил, действующих со стороны корпуса обьектива.

Расчет детали «стойка» производится с использованием модуля Simulation. Модуль предназначен для расчета напряженно-деформированного состояния стержневых, пластинчатых, оболочечных и твердотельных конструкций, а также их произвольных комбинаций. Модуль Simulation организован таким образом, что в его рамках можно рассчитать все многообразие существующих конструкций, собирая их из вышеперечисленных макроэлементов. Внешняя нагрузка, так же как и условия закрепления конструкции, могут быть произвольными как по характеру, так и по местоположению.

Данный модуль позволяет решать следующие задачи [13]:

Тип анализа и их особенности;

·        Линейный динамический: модальный; случайные колебания; гармонический;

·        Нелинейный динамический;

·        Нелинейный с учетом физической и геометрической нелинейности.

Свойства материалов:

·        в нелинейном динамическом анализе для тел и оболочек: пластические по Мизесу, гиперупругие по Муни-Ривлину и Огдену, вязкоупругие, с эффектом памяти формы;

·        в статическом нелинейном анализе - те же, плюс материалы с ползучестью. Поддерживается модель больших перемещений и больших пластических деформаций;

·        в линейных динамических моделях можно определить коэффициенты демпфирования материалов.

Граничные и начальные условия, параметры настройки:

·        для статического нелинейного анализа - история нагружения;

·        для динамической модели в дополнение к статической и в зависимости от типа динамического анализа - перемещения, скорости, ускорения, спектр возбуждения, параметры гармонических нагрузок;

В зависимости от типа анализа тип и параметр модели демпфирования: модальное и Рэлеевское. Виртуальные соединители:

·        болты с предварительным натягом, соединяющие как тела, оболочки;

·        штифты с конечной бесконечной жесткостью;

·        пружины, "сосредоточенные" и "распределенные", в том числе и с предварительным натягом. Пружины, соединяющие концентрические грани с радиальной и тангенциальной жесткостью;

·        шариковые и роликовые подшипники;

·        точки контактной сварки;

·        жесткая связь граней;

·        жесткий стержень.

Виды сеток [13]:

·        многослойные анизотропные плоские и криволинейные оболочки с назначенным углом армирования для каждого слоя;

·        трехслойные сэндвич-панели.

Доступны параметры, присущие динамическим эффектам: скорости, ускорения, спектральные характеристики. Абсолютное большинство результатов доступно в зависимости от времени.Для большинства всех типов можно получить кривые отклика. Анимация динамических эффектов.

Выбирая тип расчетной опоры, необходимо учитывать, что деформативные перемещения стойки - малы, и если конструкция действительной опоры допускает хотя бы небольшой поворот или перемещение, то этого достаточно чтобы считать ее неподвижной или подвижной.

Приступая к расчету, предварительно намечаем опасные сечения стойки, которые подлежат расчету. При этом учитывается характер эпюр изгибающих и крутящих моментов, структурная форма стойки и места концентрации напряжений.

Теперь проведем расчет и анализ напряженно - деформированного состояния стойки в программной среде SolidWorksSimulation (рисунок 39).

Рисунок 39 - Трехмерная модель стойки

На бобышки стойки приложим давление, создаваемое нормальной силой Fn.Фланец при расчете заменим жесткой заделкой (рисунок 40).

Рисунок 40 - Стойка с приложенной нагрузкой и заделкой

Для расчета стойки создаем сетку конечных элементов (рисунок 41).

Рисунок 41 - Сетка конечных элементов

На рисунке 42 показано максимальное напряжение, а на рисунке 43 изображено максимальное перемещение.

Рисунок 42 - Стойка и эпюра нормальных напряжений

Рисунок 43 - Стойка и эпюра перемещений

По цветной легенде, находящейся около рисунка, можно определить максимальные значения того или иного параметра и сделать следующие выводы о прочностных характеристиках детали.

По диаграмме нормальных напряжений видно, что напряжения в месте давления корпуса объектива на бобышки стойки не значительны. А по диаграмме перемещений ясно, что перемещения бобышек стойки очень малы.

В ходе расчетов, проведенных методом имитационного моделирования, были получены аппроксимированные результаты: наибольшие значения статического напряжения и деформационного растяжения, определенных разработчиком как допустимые при указанных нагрузках, деталь имеет необходимый запас прочности, требуемый для безопасного использования изделия в целом.

3. Технологическая часть

3.1 Разработка технологического процесса детали «Стойка»

Для разработки технологического процесса была выбрана деталь Стойка, представляющая собой трапецию с симметрично расположенными осями, на которые одеваются подшипники, служащие для перемещения объектива по штангам. Сборочная конструкция крепиться на корпусе оправы объектива, передвижение которого позволяет менять кратность визира оптической системы танка. Конструкция детали выполнена в виде трапеции с двумя осями. Поскольку деталь легкая, малых размеров, сложной формы и не испытывает значительных нагрузок было решено выполнить ее из Стали 45.

3.2 Технологический контроль чертежа

Деталь стойка представлена на формате А3 в двух проекциях - главный вид и вид сверху.

На данном чертеже нет полной информации о размерах детали. Устарели некоторые обозначения предельных отклонений и посадок на необходимые размеры. Шероховатость указана по устаревшим ГОСТам. Технические характеристики указаны не полностью.

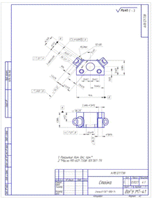
Чертеж стойки необходимо выполнить согласно с нормами и правилами ЕСКД с учетом исправлений и замечаний на формате А3 (рисунок 44).

Рисунок 44 - Чертеж детали «Стойка»

3.3 Анализ технологичности конструкции

Одной из основных функций единой системы технологической подготовки производства является обеспечение технологичности конструкции изделия. Анализ технологичности требуется как для изделия в целом, так и для отдельных деталей [5].

Деталь изготовляется из стали 45, относящейся к классу качественных конструкционных сталей, которые удовлетворительно обрабатываются резанием в нетермообработанном состоянии. Материал детали имеет как отрицательные, так и положительные качества. Сталь 45 имеет максимальную прочность, надежность и износостойкость так же не обладает отпускной способностью, но считается одним из самых трудно свариваемых материалов [7]:

·        Форма детали представляет собой множество прямолинейных и криволинейных плоскостей, а также имеющая отверстия.

·        Жесткость детали, даже при различных модификациях, повышающие прочность, не велика, в виду малых размеров детали.

·        Деталь в целом технологична.

3.4 Выбор заготовки

Исходные данные необходимые для выбора вида заготовки и способа ее получения [9, 25]:

·        материал заготовки - Сталь45 ГОСТ 1050-74;

·        плотность материала - 7826 кг/м3;

·        масса детали - 0,0023 кг;