Материал: Модернізація агрегату синтезу аміака з розробкою колони синтезу, котла – утилізатора та виносного теплообміника

Внимание! Если размещение файла нарушает Ваши авторские права, то обязательно сообщите нам

Теплопровідність холодного теплоносія розрахована за залежністю (4.3):


Коефіцієнт Амага визначається за залежністю(4.4):

.

Об’ємна витрата холодного теплоносія становить:


Густина холодного теплоносія становить:


Швидкість течії теплоносія в міжтрубному просторі:


Де Sмтр - площа міжтрубного простору:


де S2 та S1 - відповідні площі.

Критерій Рейнольдса міжтрубного простору:


Де de - еквівалентний діаметр:


де P- периметр;- площа.

Визначаємо критерій Прандтля для трубного простору:


Критерій Прантдля при температурі стінки труби:


оскільки для газів:


Значення критерію Нуссельта для розвиненого турбулентного режиму, оскільки Re>10000:

.

Коефіцієнт тепловіддачі в міжтрубному просторі:


Знаючи значення коефіцієнтів тепловіддачі уточнюємо значення коефіцієнту теплопередачі:


де ст= 0,0015 м - товщина стінки трубки, ст = 46 Вт/мК - теплопровідність сталі, - сума теплових опорів забруднених стінок.

= r2 = 1/11000 м2К/ Вт - тепловий опір забруднень стінок від органічного газу.

Розрахуємо поверхню теплообміну:


Висновок: враховуючи отримані результати приймаємо вертикальний кожухотрубний теплообмінник з такими параметрами: площа поверхні теплообміну 3204 м², внутрішній діаметр 1,6 м, довжина труб 14 м.

.4.2 Конструктивний розрахунок виносного теплообмінника

Метою конструктивного розрахунку виносного теплообмінника є визначення основних геометричних розмірів апарата і його складових частин, а також вибір конструкційних матеріалів з яких він буде виготовлений.

Розрахункова схема зображена на рисунку 4.10.

Вихідні дані:

Зовнішній діаметр труб,dv, м                                                       0,012;

Внутрішній діаметр труб,dz, м                                                     0,009;

Кількість труб,nt, шт.                                                                    6115.

Приймаємо схему розташування теплообмінних труб у трубній решітці по вершинах правильних трикутників, оскільки забезпечується більш компактне розташування труб у трубній решітці.

Визначаємо крок труб:= 1,5∙ dz = 1,5∙0,012 = 0,017 м.

Рисунок 4.10 - Схема розташування теплообмінних труб в корпусі апарата

Розрахунок проведено за методикою наведеною в [4]:

Розміщення труб в шестикутнику зображено на рисунку 4.11.

Рисунок 4.11 - Розрахункове розміщення труб в шестикутнику в трубній решітці

Для шахового розташування труб, яке широко приймають як саму компактну схему, зв’язок між загальною кількістю труб - n, числом отворів на діагоналі - b і на стороні -а, найбільшого шестикутника виражається наступною залежністю:

Кількість труб на стороні шестикутника:


де nw=5167шт. - кількість труб в шестикутнику.

Приймаємоа=42шт.

Кількість труб на діагоналі шестикутника:


В результаті розрахунку труби було розміщено по вершинах трикутника, з кроком t=18 мм. Кількість труб на діагоналі шестикутника приймаємо b=83 шт.

Визначаємо діаметр трубного пучка:


Приймаємо внутрішній діаметр апарата Dv=1,6м.

Висновок: в результаті розрахунку було прийнято кількість труб в круглих плоских трубних решітках, кількість труб в шестикутнику та для повного заповнення трубної решітки, остальні труби розміщуємо сегментах шестикутника.

.4.3 Визначення діаметрів штуцерів

Метою розрахунку є визначення оптимальних діаметрів технологічних штуцерів за тиском і нормативним діаметром.

Схема розрахунку наведена на рисунку 4.12.

Вихідні дані:

Рекомендована швидкість рухуциркуляційного газу в трубах, м/с15;

Рекомендована швидкість руху циркуляційного газуміжтрубному просторі, м/с         17;

Масова витрата циркуляційного газу, кг/c          89,716;

Густина гарячого циркуляційного газу,кг/м3                89,009;

Густина холодного циркуляційного газу,кг/м3               74,871.

Рисунок 4.12 - Принципова схема розміщення штуцерів

Розрахунок проводимо за методикою викладеною в [17].

Діаметр штуцера, близький до оптимального, визначається при виборі швидкостей для рідин, парів та газів, встановлених практикою. Рекомендована швидкість для газів, які знаходяться під тиском вище МПа заходиться в межах10…25 [5].

Враховуючи дані рекомендації розраховуємо відповідні діаметри штуцерів.

Розраховуємо діаметр штуцера для холодного циркуляційного газу:


Розраховуємо діаметр штуцера для гарячого циркуляційного газу:


З конструктивних міркувань приймаємо штуцер для гарячого газу з умовним діаметром 300 мм і штуцер для холодного газу з нормативним діаметром 500 мм.

Розрахуємо дійсну швидкість теплоносіїв в штуцерах:

Для холодного циркуляційного газу:


Для гарячого циркуляційного газу:

Висновок: в результаті приймаємо штуцер для входу і виходу в міжтрубний простір холодного циркуляційного газуз нормативним діаметром 300 мм, для входу і виходу в трубний простір гарячого циркуляційного газуз нормативним діаметром 500 мм. Марку сталі для штуцерів приймаємо 09Г2С. Система працює під високим тиском 30 МПа.

.4.4 Розрахунок товщини стінки еліптичного днища

Метою розрахунку є визначення товщини стінки товстостінного еліптичного днища виносного теплообмінника, яка задовольняє умовам міцності апарата, що працює під високим тиском.

Розрахункова схема товстостінного еліптичного днища приведена на рисунку 4.13.

Вихідні дані:

Внутрішній діаметр апарата,Dv,м                                               1,6;

Розрахунковий тиск в середині апарата,Р,МПа                          30;

Середня температура циркуляційного газу в

міжтрубному просторі,Tc1,0С 110,25;

Розрахунок проводимо за методикою викладеною в [15].

Приймаємо:

Коефіцієнт міцності зварного шва,φ                                            1;

Допустиме напруження матеріалу стінки при середній

температурі стінки МПа                                                               176,2;

Матеріал Сталь09Г2С.

Рисунок 4.13 - Схема до розрахунку товстостінного еліптичного днища

Днище необхідно перевірити за умовою міцності, у випадку невиконання збільшити товщину стінки.

Висота еліптичної частини:

Розрахунковий радіус кривизни днища:


Розрахункова товщина стінки еліптичного днища, навантаженого внутрішнім надлишковим тиском:


Із врахуванням прибавок товщина стінки днища буде рівна:


де с=0,002 - додаток на корозію матеріала.

Товщина еліптичного днища не може бути меншою за товщину циліндричної обичайки. Отже приймаємо товщину стінки S =158 мм.

Допустимий внутрішній надлишковий тиск:


Перевіримо умову міцності днища:


Перевірка умов застосування розрахункових формул:


Умови застосування формул виконуються.

Висновок: допустимий тиск більше фактичного, умова міцності виконується. Отже, маємо стандартне еліптичне днище з внутрішнім базовим діаметром 1,6 м та товщиною стінки 158 мм.

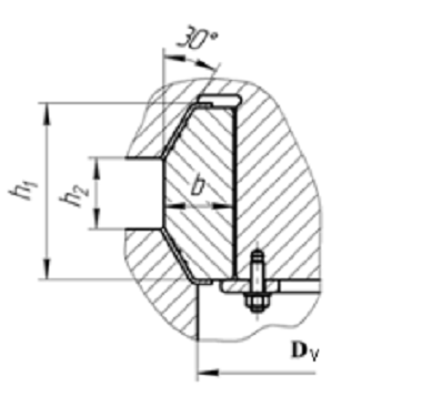
.4.5 Розрахунок затвору з двоконусним кільцем

Метою даного розрахунку є визначення основних розмірів затвору з двоконусним кільцем, а також знаходження зусиль, які виникають у з’єднанні.

Розрахункова схема показана нарисунку 4.14.

Вхідні дані:

Середня температура циркуляційного газу в

міжтрубному просторі, Tср1,0С 110,25;

Внутрішній діаметр , Dv,м                                          1,6.

Визначаємо розрахункову температуру затвору з двоконусним кільцем:

Приймаємо [15].

Висота кільця,h1, м                                                      0,135;

Висота кільця,h2,м                                                       0,068;

Ширина кільця,b, м                                                      0,061;

Матеріал двоконусного кільця                                    Сталь 20Х2М.

Кут нахилу ущільнювальної поверхні до вертикалі,γ, град       30;

Допустиме напруження матеріалу шпильки при

середній температурі стінки,МПа, [σ]                         140,6.

Розрахунок проводимо згідно алгоритму, приведеному в [15].

Розрахунковий тиск з урахуванням впливу попереднього затягання при визначенні розрахункового зусилля вибирается з умови:



Рисунок 4.14 - Схема до розрахунку двоконусного затвору

Приймаємо за розрахунковий тиск 40МПа.

Розрахунковий діаметр ущільнювальної поверхні:


Середня висота кільця:


Осьове навантаження від дії тиску середовища:


Осьова реакція ущільнювального кільця:


Розрахункове зусилля, що діє на шпильки:


.4.6 Розрахунок шпильок на міцність

Метою даного розрахунку є визначення основних розмірів шпильки для фіксації кришки з двоконусним кільцем. Розрахункова схема показана на рисунку 4.15.

Вихідні дані:

Середня температура циркуляційного газу в

міжтрубному просторі, Tср1,0С,                                110,25;

Внутрішній діаметр корпуса, Dv,м,                                   1,6;

Розрахунковий внутрішній тиск, P, МПа                           30;

Розрахункове зусилля, що діє на шпильки, F,МН             88,34.

Приймамо[15]:

Кількість шпильок, n, шт                                                     24;

Ущільнення        двоконусне кільце;

Матеріал шпильки                                                               сталь 35Х;

Діаметр центрального отвору у шпильці, ,d0,м       0,012;

Коефіцієнт що враховує тангенціальні

напруження при затягуванні шпильки,                                   1,0;

Коефіцієнт що враховує нерівномірність

розподілу навантаження поміж шпильками,                                     1,5.

Визначаємо розрахункову температуру шпильки для визначення допустимого напруження:


Рисунок 4.15 - Схема до розрахунку шпильки на міцність

Розрахунок проводимо згідно алгоритму, приведеному в [1].

Приймаємо допустиме напруження шпильки[15]:

Розрахунковий діаметр стержня шпильки:


Приймаємо шпильку М186х6[15].

Розрахункова довжина згвинчування різьби:


Крок різьби

Отже, умова застосування розрахункових формул виконується.

Висновок: визначені основні розміри шпильки для фіксації плоскої кришки.

.4.7 Перевірочний розрахунок закріплення труб в трубній решітці

Метою розрахунку є перевірка міцності кріплення труб у трубній решітці. В попередніх розрахунках було обрано розміщення труб в трубній решітці - по вершинах правильних трикутників(шахматне розташування).