Материал: Модернізація агрегату синтезу аміака з розробкою колони синтезу, котла – утилізатора та виносного теплообміника

Внимание! Если размещение файла нарушает Ваши авторские права, то обязательно сообщите нам

рубильники вмикання, установки знаходяться у спеціальній шафі;

передбачається спеціальне захисне вимикання електродвигунів у випадку враження людини струмом;

дроти проводяться в захисних рукавах;

на панель керування виводяться сигнальні лампи індикації вмикання електроустаткування;

вузли установки, що можуть виявитися під напругою, мають зажими для приєднання заземлення.

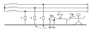
Принцип захисту захисного заземлення у випадку мережі з ізольованою нейтраллю на рисунку 5.1.

Рисунок 5.1 - Принципи захисту захисного заземлення

Призначення захисного заземлення: захист від напруги дотику, тобто від напруги на корпусі електроустановки (при пошкодженні робочої ізоляції і переході напруги металевому корпусі) відносно землі. В аварійному режимі захисне заземлення = 3,8 Ом за ГОСТ 12.1.030-82.

Заземлення установки виконано відповідно ГОСТ 12.1.030-81.

Біля затисків заземлення нанесені незмивні червоні знаки “Земля” за ГОСТ 21.1.030-75.

Електрична міцність ізоляції перевіряється на випробувальну напругу 200 В частотою 50 Гц протягом 1 хвилини.

Опір ізоляції має бути не менше 0,5 МОм.

Електрична апаратура, яка встановлена всередині приміщень, має ступінь захисту IP-54 ГОСТ 14254-80.

Ізоляція провідників вимірюється мегаомметром 11044 ТУ 25-04-798-18.

Напруга вимірюється вольтметром 351512 ТУ 25-04-1970-80.

Ступінь захисту електричної апаратури всередині приміщень контролюється за ГОСТ 14254-80.

Інструмент має неструмопровідний корпус і ізольовані ручки. При роботі використовуються гумові рукавички, чоботи, індикатори напруги, що розташовують поблизу щита.

.2 Повітря робочої зони

Санітарно-гігієнічне нормування умов мікроклімату здійснюється за ДСН 3.3.6.042-99, які встановлюють оптимальні і допустимі параметри мікроклімату залежно від загальних енерговитрат організму при виконанні робіт і періоду року.

Робота операторів на лінії виробництва аміаку відноситься до легкої роботи категорії 1б через те, що установка розташована ні відкритому майданчику, а виробництво повністю автоматизоване, тому основна робота виконується сидячи, деколи виникає необхідність наочної перевірки обладнання, а отже супроводжується деяким фізичним напруженням.

Робота проводиться в 3 зміни, цілодобово, у будь-який час року. Енерговитрати за таких умов праці складають більш 173 Дж/с.

Параметри температури, відносної вологості і швидкості руху повітря в робочій зоні для даної категорії робіт наведено у таблиці 5.1.

Таблиця 5.1 - Параметри температури, відносної вологості і швидкості руху повітря в робочій зоні

Сезон року

Категорія робіт - 1б


Температура, 0 С

Відносна вологість, %

Швидкість руху повітря, м/с


Оптим

Фактич

Оптим

Фактич

Оптим

Фактич

Холодний

21-23

20-22

60-40

40-60

Не більше 0,1

0,1

Теплий

22-24

23- 25

60-40

40-60

Не більше 0,2

0,2


Параметри повітря робочої зони відповідають ГОСТ 12.1.005-88. Забезпечення параметрів здійснюється в зимовий час за допомогою водяного опалення з температурою теплоносія 70-900С, а в теплий час року - конденціонером ДСН 3.3.6.042-99.

У виробництві задіяні токсичні речовини, необхідно встановлювати датчики контролю граничної концентрації токсичноактивних речовин: нижня концентраційна межа аміаку складає 16%, нижня концентраційна межа метану складає 4,6%, тому загальна нижня концентраційна межа вибуху не повинна перевищувати 20%, у іншому випадку вмикається аварійна вентиляція.

Відповідно до СН 245-71 і ГОСТ 12.1.007-76 всі шкідливі речовини за ступенем впливу на організм людини підрозділяють на чотири класи небезпеки:перший - надзвичайно небезпечні - ГДК менше 0,1 мг/м3 (свинець, ртуть - 0,001 мг/м3);другий - високонебезпечні - ГДК від 0,1 до 1 мг/м3 (хлор - 0,1 мг/м3;сірчана кислота - 1 мг/м3);третій - помірно небезпечні - ГДК від 1,1 до 10 мг/м3 (спирт метиловий - 5 мг/м3; дихлоретан - 10 мг/м3);четвертий - малонебезпечні - ГДК більше 10 мг/м3 (аміак - 20 мг/м3; ацетон - 200 мг/м3; бензин, керосин - 300 мг/м3; спирт етиловий - 1000 мг/м3).

За характером на організм людини шкідливі речовини можна розділити: на подразнюючі (хлор, аміак, хлористий водень та ін.); задушливі (оксид вуглецю, сірководень та ін.); наркотичні (азот під тиском, ацетилен, ацетон, чотирихлористий вуглець та ін.); соматичні, викликають порушення діяльності організму (свинець, бензол, метиловий спирт, миш'як).

Таблиця 5.2- ГДК азотних токсичнихречовин

Речовина

Токсичнадія

Гранично допустимі концентрації

Група виробничих процесів

Ширина санітарно-захисної зони, м



в повітрі роб.зони, мг/м3

в атмосферному повітрі населених пунктів, мг/м3






max

Доб.



ААзот

отруйна, викликає опіки

1,0

0,4

0,4

ІІІ-а 2

1000

N NO2

нудота, оніміння ніг, при сильних отруєннях можливасмерть

2,0

00,6

0,06

ІІІ-а 2

1000


Отже, з вище вказаного можна охарактеризувати процес синтезу аміаку, тоді за класом небезпеки процес належить до малонебезпечних гранично допустимою концентрацією аміаку 20 мг/м3, за характером впливу робочої речовини до подразнюючих.

Оскільки, установка працює з шкідливими для здоров’я персоналу речовинами, а робоче місце оператора знаходиться на території робочої зони устаткування, існує небезпека викиду цих речовин у повітря робочої зони, тому необхідно вжити таких заходів безпеки:

         наявність повітряних апаратів та марлевих пов’язок;

         встановлення спеціальної вентиляційної системи приміщення;

         встановлення спеціальних фільтрів на апаратах конденціювання повітря.

Застосовуються сучасні повітряні апарати МПА (3 шт.), призначені для захисту органів дихання від впливу високотоксичного газового середовища на об’єктах хімічних виробництв. Цей апарат забезпечує візуальний і звуковий контроль залишку повітря в балоні, а також надлишковий тиск під маскою підвищують безпеку використання апарата в аварійних умовах.

Вентиляція за способом переміщення повітря штучна (механічна), за направленням повітряного потоку комбінована (проточно-витяжна), за методом дії - загальна. При механічній вентиляції повітрообмін досягається за рахунок різниці тисків, які створює вентилятор.

Розрахунок механічної вентиляції складається з таких пунктів:

Визначення повітрообміну

Розрахунок необхідної кількості повітря для провітрювання приміщення.

Знайдемо кількість тепла, яке виділяється від персоналу:


де q- кількість тепла, що виділяється від одного працівника, ; n- кількість працівників.

Розрахуємо кількість тепла, яке виділяється від нагрітої техніки (комп’ютери, перехідники, стабілізатори, сервери):


де F- загальна площа поверхні, що виділяє теплоту, м2; g- кількість теплоти, що виділяється з одного м2.

Знайдемо кількість тепла, яке виділяється від джерел освітлення:

де - потужність освітлювальної установки, кВт.

Тепер необхідно знайти сумарне значення надлишкового тепла, яке потрапляє в приміщення від різноманітних приладів та процесів:


Розрахуємо питомі тепловтрати зовнішніх огороджень:


де - тепловтрата від покриттів, стін, підлоги ; - розрахункова температура повітря зовні, град; - середня температура в приміщенні, град; - температура повітря, яке виходить з приміщення, град; - температура повітря, що надходить до приміщення, град.

Тепер можемо розрахувати кількість повітря, що необхідне для видалення надлишків тепла при використанні механічної вентиляції:


де - масова теплоємність сухого повітря,ккал/кг∙град; - питома маса повітря, кг/м3.

Розрахунок повітредувів

Розрахуємо втрати тиску:


де - питомі витрати тиску на тертя, кг/м2; - довжина частини повітрядувів, м; - втрати тиску на місцевий опір, кГ/м2.

Втрати тиску на місцевий опір:


де - коефіцієнт місцевого опору;- динамічний тиск, кГ/м2.

Вибір вентилятора

Знайдемо необхідну потужність на валу електродвигуна:


де - тиск, що створюється вентилятором, кГ/м2; - ККД вентилятора і передачі, - продуктивність вентилятора, .

Продуктивність вентилятора визначаться за формулою:


де - коефіцієнт, що враховує втрати чи підбір повітря.

Схема встановлення вентиляції в приміщення зображено на рисунку 5.2.

Рисунок 5.2 - Схема встановлення вентиляції в приміщення

Отже, за обрахованими даними можна вибрати вентилятор з такими параметрами [20]:

Для швидкості повітря: υ=8 м/с.

Вентилятор мц-4.

Число обертів колеса в хвилину: n=1410 об/хв.

Діаметр колеса dк=130 мм.

ККД η=0,41.

ПотужністьN=0,4 кВт.

Висновок: за результатами проведених розрахунків, було вибрано вентилятор, з вказаними вище параметрами, даний вентилятор повністю створює умови праці, які відповідають вимогам санітарно-гігієнічних нормувань умов мікроклімату за ДСН 3.3.6.042-99 та з урахуванням умов безпеки при вибухонебезпечній ситуації.Аеродинамічні випробування вентиляційних систем проводять не рідше одного разу на рік, а також після кожного капітального ремонту або реконструкції згідно з ГОСТ 12.3.018-79.

5.3 Промислове освітлення

Освітлення робочих місць - одна з основних вимог охорони праці. Правильно спроектоване та виконане освітлення на підприємствах машинобудівної промисловості забезпечує можливість нормальної виробничої діяльності. Збереження зору, стану нервової системи людини та безпека на виробництві у значній мірі залежить від умов освітлення.

Розташування ліні виробництв на майданчику вимагає встановлення штучного освітлення у темний час доби. Таке освітлення встановлюється по периметру відкритого майданчика. Також необхідно розмістити аварійне освітлення , це освітлення безпеки, яке передбачено у випадках відключення робочого освітлення і пов’язане з цим порушення обслуговування устаткування і може викликати:

вибух, пожежу, отруєння працівників;

тривале порушення технологічного процесу;

порушення роботи таких об’єктів, як електричні станції, диспетчерські пункти насосні установки водопостачання, каналізації і теплофікації.

Евакуаційне освітлення передбачено у місцях небезпечних проходів людей, на робочих місцях та на виробничій площадці без природного освітлення. Евакуаційне освітлення повинно забезпечувати найменшу освітленість на підлозі основних проходів (або на землі) і на сходах: у приміщеннях 0,5 лк, на відкритих територіях - 0,2 лк.

.4 Вибухопожежна безпека

ДНАОП 0.00.-1.07.-94 «Правила будови безпечної експлуатації посудини, що працюють під тиском», оскільки у схемі виробництва використані апарати високого тиску необхідно приділити увагу системам контролю за перепадами тиску в апаратах.

У процесі виробництва аміаку використовуються такі речовини: водень, метан, азот, аргон, вода та природні гази.

У чистому вигляді водень для газополуменевої обробки застосовують в основному при зварюванні та паянні свинцю, а також при особливих видах кисневого різання, де потрібна подача пального газу в різак під високим тиском. Частіше водень є одним із компонентів горючої суміші газів. Чим більше водню в суміші, тим нижчі теплові характеристики останньої.

Водень і аргон мають негативний вплив на здоров’я людини, а саме при атмосферному тиску понижають парціальний тискповітря. Аргон при застосуванні його під тиском проявляє себе, як наркотичний засіб. При потраплянні на відкриту ділянку шкіри викликає термічний опік 2-го ступеня, може викликати загальне подразнення всієї шкіри.

Метан у суміші з повітрям та киснем має широкі концентраційні границі вибуху. Його одержують із природного або коксового газу шляхом глибокого охолодження. Температура запалювання метану 340°С. Для повного згорання 1м3 метану необхідно 2 м3 кисню. Максимальна швидкість поширення полум'я метану в суміші з киснем 3,3 м/с. Метан - єдиний вуглеводень, який має критичну температуру, значно нижчу температури навколишнього середовища, поряд з воднем та вуглекислим газом. Для людини метан токсичний, викликає головний біль, слабкість, блювоту, зниження тиску, втрату свідомості [34].

Природні гази являють собою суміші газоподібних вуглеводнів з переважною кількістю метану (75,7.99,4 %) та невеликою кількістю інертних газів й азоту. Нижча теплота згорання природних газів коливається в межах 31300-37800 кДж/м3. Природний газ практично не має запаху, тому в газ додають адорант, який має різкий запах, за яким можна визначити витікання газу.

Згідно ПУЕ клас зони установки - 2, за ОНТП 24-86 виробництво за пожежонебезпечністю віднесено до категорії Б, та до IIА класу вибухонебезпечності за ГОСТ Р 513305-99.

Вогнестійкість будинку за СНиП 2.01.02-85 відповідає ступеню вогнестійкості II.

Серед причин, що можуть викликати загорання, найбільше ймовірними є такі:

несправність електроустаткування;

струми короткого замикання і перевантаження кабелів живлення;

загоряння ізоляції електропроводки;

використання вогню в неналежному місці.

Запобігання загоряння забезпечується такими заходами:

дотримання технологічних норм і правил експлуатації;

обмеження в застосуванні відкритого вогню;

паління тільки у відведених для цього місцях;

своєчасне проведення інструктажу з охорони праці серед обслуговуючого персоналу;

організація агітації з протипожежної безпеки;

наявність засобів сигналізації, зокрема, системи електричної пожежної сигналізації (ЕПС) і засобів оперативного зв'язку з пожежною частиною;

наявність засобів пожежегасіння в безпосередній близькості від установки (пісок, ковдри, вогнегасники).

Для гасіння пожеж на об’єктах, які представляють собою значну матеріальну цінність (обчислювальні центри, операторні) застосовують газові установки - батареї з ручним пуском 2БР-2МА; батареї автоматичні електричні з автоматичним пуском БАЕ (агент гасіння - хладон).

Для гасіння невеликих ділянок загоряння при вимкнутому електроустаткуванні застосовують вуглекисневі вогнегасники ОУ-5 (3 шт.) і пінні вогнегасники повітряно-механічний ОВП-10 (2 шт.). Для гасіння включених електромереж приймаємо порошкові вогнегасники ОП-9 (3 шт.). На поверхні будівлі встановлено декілька порошкових вогнегасників типу «САМ-9», ці вогнегасники працюють за принципом теплового замка, це дозволяє без втручання людини почати процес гасіння пожежі, оскільки при досягненні критичних встановлених температур вони самостійно вмикаються.

На площадці, де розташовується установка, на відстані 30 метрів один від одного повинні бути встановлені пожежні гідранти з рукавами довжиною до 15 метрів. Вогнегасники та пожежний інвентар пофарбовані в червонийколір.

В зоні робочого приміщення повинний бути пожежний вихід. Кількість виходів - 1. Ширина прорізу двері еваковиходу - 2 метри. Двері еваковиходу повинні відкриватись назовні. Це відповідає СНиП 2.09.02-85.

Для протипожежного захисту блоку апаратів передбачені стаціонарні установки пінного підшарового пожежогасіння та зрошувальні системи. Для охолодження при пожежі резервуарів, що знаходяться поруч з місцем пожежі передбачені стаціонарні зрошувальні системи по висоті резервуарів і які складаються з двох полукілець, що дає змогу охолоджувати тільки ту частину резервуарів, яка нагрівається. Пожежогасіння в резервуарах здійснюється за допомогою стаціонарної установки пінного підшарового пожежогасіння.

Для протипожежного захисту компресорної і насосної використовується система порошкового пожежегасіння - модулі порошкового пожежегасіння у вибухозахищеному виконанні, згідно ДБН В.2.5-13-98. Зовнішнє пожежогасіння виробничого будинку здійснюється від пожежних гідрантів існуючої кільцевої протипожежної мережі.

Пожежна небезпека відкритого вогню зумовлена інтенсивністю теплового впливу, площею впливу, орієнтацією у просторі, періодичністю і тривалістю його впливу на горючі речовини. Відкрите полум'я небезпечне не тільки при безпосередньому контакті з горючим середовищем, але і як джерело опромінювання горючого середовища. Воно має достатню температуру та запас теплової енергії, спроможні викликати горіння усіх видів горючих речовин і матеріалів як при безпосередньому контакті, так і в результаті опромінення. У випадку пожежної небезпеки створено 2 еваковиходи з приміщення, схема евакуації при надзвичайній ситуації зображена на рисунку 5.3.

Рисунок 5.3- Схема евакуації з приміщення

При цьому відстань від робочого місця до дверей А=1,5 м, відстань від робочого кабінету до еваковиходу №1 Б=3,5м, з інших робочих кімнат до еваковиходу №2 В= 2м.

У разі реєстрації на території виробництва перевищення загальної нижньої концентраційної межі вибуху (дорівнює 20%) відбувається автоматичне ввімкнення вентиляційних систем.

На виробництві створено спеціалізовану пожежну систему оповіщення, яка миттєво передає сигнал на найближчий відділ пожежно-рятувальної служби, а кваліфікація робочого персоналу дозволяє оперативно використати підручні засоби для гасіння пожежі.

Як вже зазначалось, відповідно до ГОСТ 12.1.004-91. ССБТ, вибухопожежна безпека об'єкта забезпечується системами:попередження вибухів і пожеж;протипожежного та противибухового захисту;організаційно-технічних заходів.

.5 Протигрозовий захист

Так як апарати технологічної схеми виробництва розташовані на відкритому майданчику і значна частина апаратів має висоту понад 10 м, тому необхідно вжити заходів щодо забезпечення безпеки на виробництві під час несприятливих погодних умов.

Схема встановлення блискавковідводу зображена на рисунку 5.4.

Рисунок 5.4- Схема встановлення блискавковідводу на майданчику виробництва аміаку

Всі будівлі і споруди по захисту від блискавки поділяються на три категорії, виробництво аміаку як було вказано вище згідно ПУЕ клас зони установки - П2А, за ОНТП 24-86 виробництво за пожежонебезпечністю віднесено до категорії Б, та до IIА класу вибухонебезпечності за ГОСТ Р 513305-99, отже за належними категоріями виробництво належить до другої категорії захисту від блискавки.

На майданчику необхідно встановити одинарний стержневий блискавковідвід. При висоті блискавковідвода близько h=60 м, зона захисту являє собою конус з основою у вигляді ломаної лінії. Основою конуса є коло радіусом r =1,5∙60=90 м.

. Рекомендації, щодо монтажу та експлуатації установки

Всі роботи по транспортуванню до місця роботи повинні виконуватися із дотриманням правил і вимог техніки безпеки для цього виду робіт і методами, що забезпечують збереження обладнання.

Перевезення обладнання з транспортно-розвантажувальних майданчиків до місця монтажу або складського приміщення у замовника повинне проводитися засобами і методами, що забезпечують повне збереження обладнання.

При цьому не допускається:

1. Проводити кріплення обладнання в місцях непередбачених для цього.

2. Транспортувати обладнання без санчат, підкладних листів і інших пристосувань.

Зняті для транспортування і установки вузли і деталі встановлюють на машину відповідно до креслень і інших позначень, виконаних на заводі-постачальнику.

Підготовка виробу до монтажу:

–       Розпаковування виробу проводити обережно, щоб не пошкодити забарвлених поверхонь, механізмів і приводів.

–       Перевірити стан виробу після розпаковування шляхом огляду.

–       Провести розконсервацію, перевірити комплект поставки, згідно відомості упаковки, ознайомитися із супровідною документацією і конструкцією.

–       Перевірити стан механічно оброблених поверхонь, у разі виявлення вибоїн, задирок або подряпин провести зачистку.

Фундамент повинен володіти достатньою жорсткістю для забезпечення постійного взаємного розташування складових частин виробу.

Для монтажу необхідно мати підйомний механізм вантажопідйомністю не менше 50 тонн.

Виносний теплообмінник збирають у такій послідовності: встановлюють на фундамент юбчату циліндричну опору, потім корпус теплообмінника підіймають за прикручені до корпуса рим-болти, встановивши корпус вертикально, у цьому положенні його приварюють і останнє з’єднання корпуса теплообміннка з плоскою кришкою шпильками. Після чого, проводятьсперевірку відхилень від осей та відміток в горизонтальному та вертикальному напрямках. Відхилення не повинні перевищувати 20 мм по головним осям, від вертикалі - в межах 3 мм на 1 м висоти, але не більше 35 мм на весь апарат. Після встановлення апарату проводять перевірку правильності встановлення[2].

Магнітний фільтр збирають у наступній послідовності:

Рама встановлюється на фундамент після чого закріплюється корпус зя ким стикується соленоїдна ємність. На корпус соленоїдної ємності закріплюється сам соленоїд. Після цих операцій встановлюється механізм переміщення соленоїда. Всі вище згадані приєднання дійснюються за допомогою болтового з’єднання. Після чого, проводятьсперевірку відхилень від осей та відміток в горизонтальному та вертикальному напрямках. Відхилення не повинні перевищувати 20 мм по головним осям, від вертикалі - в межах 3 мм на 1 м висоти, але не більше 35 мм на весь апарат. Після встановлення апарату проводять перевірку правильності встановлення[17].

Конденсаційну колону збирають у наступній послідовності: встановлюють на фундамент юбчату циліндричну опору, потім за прикручені до корпуса рим-болти підіймають і приварюють корпус конденсаційної колони. Попередьно до корпуса було прикріплено теплообмінник і в нижній частині корпуса встановлено барботер. Коли корпус встановлено на опору в вертикальному положенні прикріплюється патрубок і останнє з’єднання корпуса конденсаційної колони з плоскою кришкою шпильками. Після чого, проводятьперевірку відхилень від осей та відміток в горизонтальному та вертикальному напрямках. Відхилення не повинні перевищувати 20 мм по головним осям, від вертикалі - в межах 3 мм на 1 м висоти, але не більше 35 мм на весь апарат. Після встановлення апарату проводять перевірку правильності встановлення[2].

При монтажі окремих частин апаратів потрібно перевірити розташування фланцевих з’єднань та їх відхилення від проектних відміток, необхідно перевірити, щоб при монтажі співпадали всі роз’ємні з’єднання, з’єднання трубопроводів.

Після закінчення монтажно-збиральних робіт апарати мають неодмінно пройти випробування. Пуск установки дозволяється проводити тільки після перевірки наявності мастила на всіх поверхнях вузлів і механізмів, що труться.

Спочатку проводять підготовчі роботи, пов'язані з оглядом та перевіркою стану всіх частин та вузлів апаратів. При цьому особливу увагу необхідно звернути на присутність в конструкції арматури, приладів, кришок, заглушок, болтів, прокладок та інших деталей, які забезпечують герметичність системи [21].

В програму випробувань входить гідравлічне випробування апаратів разом з трубопроводами на тиск, який вказаний на кресленні. Потім проводять перевірку витрат теплоносіїв, температур теплоносіїв на вході та на виході з апарату, тиск всередині апарата та в трубопроводі. Оптимальний режим роботи апаратів забезпечується підтриманням заданих температур, тисків і витрат.

Результати випробувань виявляють дефекти та недоліки, які заносять в акт випробувань на теплообмінник, магнітний фільтр та конденсаційну колонну тобто на конкретно взятий апарат.

Апарат вважається прийнятим в експлуатацію після підписання акта з боку представників монтажної організації та замовника .

7. Рівень стандартизації та уніфікації

Стандартизація - установлення і використання стандартів з метою упорядкування діяльності у визначеній області, економного використання ресурсів, дотримання вимог техніки безпеки, підвищення якості продукції і послуг.

Уніфікація - приведення продукції і засобів виробництва або їх елементів до однієї форми, розмірів, структури, складу. В техніці і будуванні раціональніше зменшення типових розмірів (марок, форм і т.д.) машинобудівельних і будівельних об'єктів однакового функціонального призначення. Уніфікація - це самий розповсюджений і самий ефективний метод стандартизації.

Рівень стандартизації виносного теплообмінника,котла - утилізатора та колони синтезу необхідно оцінити склавши співвідношення стандартних деталей до загальної їх кількості.

В свою чергу рівень уніфікації визначається відношенням кількості запозичених та стандартних деталей до загальної кількості деталей. Використання принципу уніфікації дозволяє значно скоротити обсяг конструкторських робіт і період проектування. У дипломному проекті передбачено використання максимально можливої кількості уніфікованих деталей з метою зменшення витрат на виготовлення спеціальних деталей та обслуговування апаратів.

У виносному теплообміннику стандартизовано наступні вузли та деталі:

- болти ГОСТ 52644-2006;

гайкиГОСТ 9064-75;

шайбиГОСТ 22355-77;

шпилькиГОСТ 9066-75;

лінзиГОСТ 10493-81.

Отже, загальна кількість деталей становить N=620, з них стандартних nс=370, уніфікованих nу=48.

Коефіцієнт стандартизації для виносного теплообмінника визначаємо із залежності:


де - кількість стандартних деталей в апараті,

 - загальна кількість деталей в апараті,

Коефіцієнт уніфікації для виносного теплообмінника визначаємо із залежності:


де nу- кількість уніфікованих деталей в апараті, nу=20.

В котлі утилізаторі стандартизовано наступні вузли та деталі:

фланці ГОСТ 12820-80;

болти ГОСТ 15589-70;

гайки ГОСТ 15521-70;

шайби ГОСТ 22355-77.

Отже, загальна кількість деталей становить N=171, з них стандартних nс=162, уніфікованих nу=15.

Коефіцієнт стандартизації для котла - утилізатора визначаємо із залежності:


де - кількість стандартних деталей в апараті,

 - загальна кількість деталей в апараті,

Коефіцієнт уніфікації для виносного теплообмінника визначаємо із залежності:


де nу- кількість уніфікованих деталей в апараті, nу=15.

В колоні синтезу аміаку стандартизовано наступні вузли та деталі:

болти ГОСТ 7805-70;

гайки ГОСТ 5927-70;

шайби ГОСТ 11371-78;

шпильки ГОСТ 22042-76;

Отже, загальна кількість деталей становить N=295, з них стандартних nс=288, уніфікованих nу=24.

Коефіцієнт стандартизації для колони синтезу визначаємо із залежності:


де - кількість стандартних деталей в апараті,

 - загальна кількість деталей в апараті,

Коефіцієнт уніфікації для конденсаційної колони визначаємо із залежності:

де nу- кількість уніфікованих деталей в апараті, nу=24.

Висновок: відповідно до отриманого результату, можна зробити висновок, що рівень стандартизації та уніфікації є середнім, це дає можливість частково скоротити витрати на виробництво спеціальних деталей, а також зменшити терміни виготовлення обладнання та деталей [2].

 


8. Очікувані техніко-економічні показники застосування установки


.1 Економічне обґрунтування доцільності проведення модернізації

Теплообмінні апарати є великогабаритним, металоємним і дорогим устаткуванням, що в значній мірі визначає компоновку, ефективність і надійність роботи лінії виробництва аміаку в цілому. Більшість теплообмінних апаратів в схемі синтезу аміаку мають кожухотрубну конструкцію. Критеріями оцінки сучасного рівня розробок теплообмінних апаратів з точки зору їх надійності і довговічності прийнято рахувати наступні показники: встановлений термін служби не менше 10 років;міжремонтний період (між капітальними ремонтами) тасереднє напрацювання (між двома капітальними ремонтами).

Кожухотрубні агрегати останнім часом користуються високим попитом, і більшість споживачів віддають перевагу саме дананому типу агрегату. Такий вибір не випадковий - кожухотрубні агрегати мають безліч переваг.

Основним, і найбільш вагомою перевагою є висока стійкість даного типу агрегатів до гідроударів.

Другою перевагою є те, що кожухотрубні агрегати не потребують чистого середовища. Більшість приладів в агресивних середовищах працюють нестабільно. Наприклад, пластинчасті теплообмінники такою властивістю не володіють, і здатні працювати виключно в чистих середовищах.

Третьоювагомою перевагою кожухотрубних теплообмінників є їх висока ефективність.

Таким чином, можна з упевненістю говорити про те, що кожухотрубні теплообмінники є одними з найнадійніших, довговічних і високоефективних агрегатів.

В основу модернізації виносного теплообмінника покладено завдання у збільшені показника міжремонтного періоду, середнього напрацювання та надійності за рахуноквстановлення компенсатора, який знаходиться у виносному стакані.

Для визначення коефіцієнта ефективності поліпшеного апарата слід користуватися критеріями оцінки, які наведені в таблиці 8.1.

Таблиця 8.1 - Техніко - економічні показники устаткування

Показник

Одиниця виміру

Техніка



базова

нова

Між ремонтний період (між двома капітальними ремонтами)

рік

10

12

Середнє напрацювання (між двома капітальними ремонтами)

год

6480

8000


8.2 Розрахунок загальних витрат на проектні роботи

Всі розрахунки в даному розділі проведені згідно літератури[ ].

Витрати на проектні роботи включають наступні статті:

·   основна заробітна плата розробників;

·   додаткова заробітна плата;

·   відрахування на соціальні заходи;

·   матеріали на проектування;

·   консультації;

·   вартість оснащення;

·   вартість машинного часу;

·   накладні витрати.

Розрахунок трудомісткості конструкторської роботи.

По кожному з виду робіт відповідно до новизни, складністю проектованого об'єкта і використанням норм часу на розробку конструкторської документації. Визначаємо загальний норматив часу конструкторської підготовки виробництва з вказівкою професії і кваліфікації виконавців. Результати розрахунку конструкторської підготовки приводимо в таблиці 8.2.

Таблиця 8.2 - Трудомісткість конструкторської підготовки

Найменування конструкторської документації або видів робіт

Кількість облікових одиниць

Групи

Норми часу, год

Кваліфікація виконавців



Новизни

складності

На одиницю

всього


1

2

4

5

6

7

Складальне креслення Теплообмінник виносний

2

Б

2

12

24

І.К.-I

Технологічна схема

1

Б

1

22

22

І.К.-І

Складальне креслення Виносний стакан

1

Б

3

16

16

І.К.-II

Складальне креслення Трубчатка

1,5

Б

3

16

24

І.К.-II

Креслення Трубна решітка

1

Б

3

16

16

І.К.-II

Креслення Опора апарата

1

В

3

19

19

І.К.-ІІ

Креслення корпуса апарата та приварних фланців

1

В

3

1,3

1,3

І.К.-ІІ

Креслення деталі Кришка

1

Б

4

1,8

1,8

С.Т.К

Технологічні карти

6

Б

2

1,8

10,8

І.Т.-II

Принципова схема автоматики

1

Б

3

76

76

І.К.-I

Специфікації

6

Б

2

0,6

3,6

С.Т.К.

Пояснювальна записка

130

Б

3

1,3

169

І.К.-II

Усього





383,5



Розрахунок трудомісткості технологічної підготовки виробництва.

Технологічна підготовка виробництва включає:

забезпечення технологічності конструкції виробу;

проектування технологічних процесів;

проектування і виготовлення технологічного оснащення.

Результати розрахунку трудомісткості проектування технологічних процесів приведені в таблиці 8.3.

Таблиця 8.3 - Трудомісткість технологічної підготовки

Види робіт

Групи складності

Кількість облічених одиниць

Норма часу, год

Кваліфіка-ція виконавця




На одиницю

Всього


Проектування технологічних процесів: операційна технологія маршрутна технологія

  2 2

  3 3

  16,8 1,8

  50,4 5,4

  І.Т.-II І.Т.-II

Усього: трудомісткість проектування технологічних процесів

55.8


Проектування оснастки

3

3

13,9

41,7

І.К.-І

Усього

97,5



Розрахунок основної заробітної плати.

Основна заробітна плата розроблювачів визначається на підставі даних трудомісткості окремих робіт і посадових окладів. Результати розрахунку основної заробітної плати зводимо в таблицю 8.4.

Таблиця 8.4 Основна заробітна плата

№ п/п

Найменування посади робітника

Трудомісткість, год

Відпрацьовано люд.-міс.

Оклад, грн.

Сума зарплати, грн.

1

Інженер-конструктор 1-ої категорії

163,7

1,02

6400

6528

2

Інженер-конструктор 2-ої категорії

236,94

1,48

5120

7577,6

3

Старший технік - конструктор

5,4

0,03

4960

148,8

Усього

14254,4


Розрахунок додаткової заробітної плати.

Додаткову заробітну плату обчислюємо у відсотках від основної заробітної плати. Норматив, що діє на виробництві, складає 12%. Відповідно сума додаткової заробітної плати складе:


Здійснюємо розрахунок відрахувань на соціальні заходи.

Відрахування на соціальні заходи визначається у відсотках від суми основної й додаткової заробітних плат(39%):

% - пенсійний фонд;

,9% - соціальне страхування у зв’язку з тимчасовою втратою працездатності;

,2% - соціальне страхування від нещасних випадків на виробництві;

,9% - соціальне страхування на випадок безробітності;


Розрахунок вартості матеріалів.

Вартість матеріалів, витрачених на проектування, розраховується в оптових цінах.

Розрахунок вартості зводимо в таблицю 8.5.

Таблиця 8.5 -Витрати й вартість матеріалів для проектування

№ п/п

Найменування матеріалу

Одиниця виміру

Кількість

Ціна за одиницю, грн.

Сума в грн.

1

Ватман, А1

шт.

15

3

45,00

2

Папір офісна, А4

шт.

250

0,16

40,00

3

Картридж до принтера Samsung ML-1615

шт.

1

400

400,00

4

Олівець

шт.

4

2

8,00

Невраховані матеріали,10%

49,3

Усього: витрати на матеріали

542,3


Розрахунок накладних витрат.

Накладні витрати визначаються у відсотках від основної заробітної плати і складають 100%.

Приймаємо величину накладних витрат 100% від основної заробітної плати:


Розраховуємо сумарні витрати.

Сумарні витрати на проектні роботи визначаються як сума всіх часткових витрат:


Результати розрахунку витрат на проектну підготовку виробництва зведені в таблиці 8.6.

Таблиця 8.6 - Витрати на конструкторську підготовку виробництва

№ п/п

Статті витрат

Витрати, грн.

Питома вага витрат на загальному тлі, %

1

Основна заробітна плата

7927,2

29,43

2

Додаткова заробітна плата

4756,2

17,65

3

Вартість проектних матеріалів

542,3

2,01

4

Відрахування на соціальні заходи

4946,53

18,36

5

Накладні витрати

4756,2

17,7

6

Вартість машинного часу

4000

14,85

Усього

26928

100


.3 Розрахунок витрат на виготовлення й обґрунтування ціни

Розрахунок собівартості по статтях витрат.

Розрахунок кількості матеріалів і їхню вартість робимо по визначених найменуваннях і маркам матеріалів, з урахуванням внесених змін у норми витрат матеріалів.

Розрахунки витрат матеріалів представлені в таблиці 8.7.

Таблиця 8.7 - Розрахунки витрат на матеріали

Матеріали

Чорна маса,кг

Коефіціент використання

Чиста маса, кг

Ціна за одиницю, грн./кг

Сума, грн.

1

2

4

5

6

7

433370,939003,3702730231






76170,957236,230217086






328300,9295471805318460






Усього

83784

75786,5


8265777

Транспортно-заготівельні витрати (4 - 6 % вартості матеріалів) Приймаємо 6 %

8265777×1,06 =

8761723,62

4333,79390040,2












380,831142,4






328339849






Відходи усього

7997,5


401031,6

Усього зар. матер. (відходи віднімаємо)

8265777-401031,6=

7864745,4

Невраховані матеріали (8 - 10 % вартості врахованих) . Приймаємо 9%

7864745,4× 0,09 =

707827,09

Усього матеріалів

7864745,4+ 707827,09=

8572572,49


Ціни на матеріали, напівфабрикати, покупні вироби узяті на момент дипломного проектування.

Ціна на відходи взята приблизно 25 % вартості матеріалів.

Розрахунок витрат на придбання напівфабрикатів і покупних виробів представлений у таблиці 8.8.

Таблиця 8.8 - Розрахунок витрат на придбання напівфабрикатів і покупних виробів

Витрати

Одиниця

Марка

Ціна за од., грн

Кількість

Сума, грн.

1

2

3

4

5

6

кабель силовий

м

КВВГ 7х2,5

6,6

20

132

шина - мідний провід

кг

S ³10 м2

20

10

200

проводка

м

ПВ - 1, ПВ - 2

0,2

30

6

комплект інструментів



120

1

100

кільця



40

2

80

прокладки

шт


2

20

40

графітове змащення

кг


10

5

50

осьовий компенсатор

шт


12000

1

12000

Усього

12528


Витрати на придбання матеріалів, напівфабрикатів і покупних виробів:


Основна зарплата виробничих робітників:


де: Тн - нормативна трудомісткість виготовлення нового виробу, год;

Стср - тарифна ставка IV розряду.

Приймаємо Стср = 16 гр/год

Нормативну трудомісткість розраховуємо по формулі:


де: Тб - 9600 норма годин - трудомісткість виготовлення базового устаткування (за даними заводу виробника);н і Gб - маса відповідно нового і базового устаткування.

Розрахуємо собівартість:


де М - витрати на матеріали, напівфабрикати і покупні вироби, грн.;

З0 - основна зарплата виробничих робітників, грн.;

Р - витрати на експлуатацію й обслуговування устаткування, цехові і загальнозаводські витрати у відсотках до основної зарплати виробничих робітників, Р = 200 %;

 - додаткова зарплата та нарахування,  =100 %;

h - поза виробничі витрати у відсотках до загальнозаводської собівартості, h = 2 %;

Зпр.раб .- витрати на проектні роботи;- кількість модернізованих машин.

Розраховуємо ціну апарата.

Розрахункову ціну нового виробу знаходять, виходячи з його собівартості Сн, нормативного прибутку Пн і податку на додаткову вартість:


Нормативний прибуток розраховуємо по формулі:


де h = 30 % - норматив рентабельності.

Податок на додаткову вартість:


де: g = 20 % - ставка податку на додаткову вартість.


8.4 Розрахунок техніко-економічних показники після модернізації

Витрати на доставку, монтаж устаткування і будівництво фундаментів розраховуємо у відсотках від ціни устаткування 10%.


Спеціальні витрати:


Капітальні витрати складуть:


де Кдм - витрати на доставку і монтаж;

Кс - спеціальні витрати (КВП і автоматика);

Цн - розрахункова ціна;

Затрати по новому обладненю становлять , оскільки витрати на доставку, монтаж та інші роботи включені в ціну товару.

Економічний ефект від виробництва і використання нового обладнання, розраховуємо по формулі:


Висновок: розрахувавши всі показники, ми бачимо що економічний ефект виносного теплообмінника від виробництва і використання нового обладнання набагато дешевше що у грошовому еквівалентні становить Е=2495683,6грн.

Висновок

У даному дипломному проекті розроблено колону синтезу та суміжні апарати (котел - утилізатор та гарячий теплообміник). При виконанні дипломного проекту зроблені розрахунки, що підтверджують працездатність і надійність конструкцій цих апаратів, що містять у собі визначення основних параметрів колони синтезу аміаку, конструктивний розрахунок, розрахунок матеріального балансу, розрахунок елементів апаратів на міцність. Розрахунки виконані у виді програми з описом методик розрахунків, що використовувалися в проекті.

Результати розрахунків і звіт про пророблену роботу зведені в пояснювальну записку яка також включає дані відповідності розробленої конструкції вимогам техніки безпеки і промислової санітарії. Приведені рекомендації з виготовлення, монтажу й експлуатації розробленого апарату.

По техніко - економічним показникам розроблений апарат є на 2495683,6 грн. грн вигіднішим за свої аналоги. Рівень стандартизації і уніфікації апарата, який розробляється, складає 87 %.

Було розроблено заявку на корисну модель виносного теплообмінника, яка дозволяє яка дозволяє компенсувати температурні напруження в трубах. При цьому регулюється температура та витрата циркуляційного газу і температура всередині колони. Також було розроблено технологію виготовлення деталі.

 

Вывод

В данном дипломном проекте разработано колонну синтеза и сопредельных аппаратов (котла утилизатора и горячего теплообменника). При выполнении проекта сделаны расчеты, которые подтверждают трудоспособность и надежность конструкций этих аппаратов, которые содержат в себе определение основных параметров колонны синтеза аммиака, конструктивный расчет, расчет материального баланса, расчет элементов аппаратов на прочность. Расчеты выполнены в виде программы по описанием методик расчетов, которые использовались в проекте.

Результаты проделанных расчетов и отчет о проделанной работе сведены в пояснительную записку, которая включает данные соответствия разработанной конструкции требованиям техники безопасности и промышленной санитарии. Приведены рекомендации по изготовлению, монтажу и эксплуатации разработанного аппарата.

По технико-экономическим показателям разработанный аппарат на 2495683,6 грн.выгоднее своих аналогов. Уровень стандартизации и унификации аппарата, который разрабатывается, составляет 87 %.

Была разработана автоматическая система регулирования колонны, которая разрешает руководить процессом без вмешательства человека. При этом регулируется температура и затрата циркуляційного газа и температура внутри колонны. Также была разработана технология изготовления детали.

Conclusion

the produced degree design it is developed a column of synthesis and adjacent apparatuses (a copper utilizer and the hot heat exchanger). At design execution calculations which one affirm work capacity and reliability of constructions of these apparatuses which one comprise definition of key parameters of a column of synthesis of ammonia, constructional calculation, material balance calculation, calculation of members of apparatuses on strength are made. Calculations are executed in the form of the program under the exposition of methods of application of calculations which one were used in the design.of the done calculations and the record on the done job are shown in an explanatory note which one switches on the produced conformity of a designed construction to demands of the accident prevention and industrial sanitary. Recommendations about fabrication, mounting and exploitation of the designed apparatus are resulted.technical and economical parameters the designed apparatus on 2495683,6grn. more favorably the analogues. Level of standardization and unification of the apparatus which one develops compounds 87 %.automatic regulating system of a column which one allows to supervise over process without a human intervention has been developed. The temperature and expenditure and temperature in a column is thus controlled. Also the manufacturing methods of a detail have been developed.constructing and functioning of apparatuses and their basic parts have been acquainted with problems of conducting of process of synthesis of ammonia and with processes which one track with it, to hardware decor of process.

Перелік посилань

1.     Синетез аммиака / [Кузнецов Л. Д. Дмитеренко Л.М, Рабина П.Д., Соколинский Ю.А.] //Под ред. Кузнецова Л.Д. - М., «Химия», 1982. - 296 с.

2.   Румянцев О. В. Оборудование цехосинтеза высокого давления в азотной промышленности / О. В. Румянцев. - М.: Химия, 1970. - 376 с.

3.     Производство аммиака / Семенов В.П., Киселев Г.Ф., Орлов А. А. и др. // Под ред. Семенова В.П. - М., «Химия», 1985. - 368 с.

4.      Тимонин А.С. Основы конструирования и расчета химико-технологического и природоохранного оборудования: Справочник, Т.1, изд. 2-ое / А. С. Тимонин - Калуга., 2002. -845 с.

5.     ГОСТ 5632-72 Стали высоколегированные и сплавы коррозионно-стойкие, жаростойкие и жаропрочные. Марки.

6.      ГОСТ 22790-89 Сборочные единицы и детали трубопроводов на Pу от 10,0 до 100,0 МПа. Общие технические условия <http://www.ngk-rf.ru/download/%D0%93%D0%9E%D0%A1%D0%A2%2022790-89.pdf>.

7.      ГОСТ 9940-62 Трубы безшовные горячекатные.

.        ГОСТ 15180-86 - Прокладки плоские эластичные. Основные параметры и размеры.

.        ГОСТ 481-80 Паронит и прокладки из него. Технические условия.

.        Патент України № 93521 Вертикальний кожухотрубний теплообмінник, МПК F28 F1/00, опубл. 10.10.2014, бюл. №19 / Дайсан А.Є., Швед М.П. власники: Дайсан А.Є., Швед М.П.

11.    ПатентEP№ 2600092 А1Vertical heat exchanger/ Dethier, AlfredB-4140 Sprimont (BE)Cockerill Maintenance & Ingenierie S.A.4100 Seraing (BE).

.        Патент Росії № 2516998 C2 Кожухотрубный теплообменник, МПК F28D 7/16, опубл. 27.05.2014, бюл. №15 / Гуреев В.М., Гортышов Ю. Ф. та інші.власники Федеральное государственное бюджетное образовтельное учреждение высшего профессионального образования «Казанский национальный исследовательскийтехнический университет им. А.Н. Туполева-КАИ" (КНИТУ-КАИ).

13.   Патент України № 101386 Магнітний фільтр для очищення рідких і газових середовищ, B01D 35/06, опубл. 25.03.2013, бюл. №6 / Геращенко В.І.,Геращенко О.В. власники:Національний університет водного господарства та природокористування.

14.   ПатентСШA № 7553414, МПК B01D 35/06Magnetic filter device / Harold Hall, - 2009.

15.   Патент України № 82059Магнітний фільтр, B01D 35/06, опубл. 25.07.2013, бюл. №6 / Піменов Ю.М. власники:Донецький національний університет.

16.    ПатентСШA № 2005/0028554, F25j 3/00 Сolumn gas-liquid contactingapparatus and its use thereof/ Yoichi Shimoi, Junichi Goda,, - 2002.

.        Патент України № 107526,Конденсаційна колона для грануляційної установки, МПК F27B 1/10, опубл. 12.01.2015, бюл. №1 / Вельдінгер Боб. власники:Поль Вурт.

18.    ПатентСШA № 6423235, С02F 1/78 Multistoreyed bath condenser/Alfred Wanner, - 2005.

19.   Справочник азотчика. Физико-химические свойства газов и жидкостей. Производство технологических газов. Очистка технологических газов. Синтез аммиака. -2-е изд. - М.: «Химия», 1986. - 512 с.

20.    Справочник азотчика. Производство азотной кислоты. Производство азотных удобрений. Техника безопасности производства свя-занного азота и органических продуктов.-2-е изд. - М.: «Химия», 1987. - 46 с.

21.   Ганз С.Н. Теоретические основы и технология синтеза аммиака: Учеб. пособие для вузов / Ганз С.Н. // Под ред. А. М. Николаева. - Киев: Вища школа, 1969. - 260 с.

22.   Йоффе И. Л. Проектирование процессов и аппаратов химической технологи / И. Л Йоффе. - Л.: Химия, 1991. - 352 с.

.       Павлов К. Ф. Примеры и задачи по курсу процессов аппаратов химической технологи: учебное попосие для ВУЗов / К.Ф. Павлов, П.Г Романков, А.А. Носков. М.: Химия, 1987. - 576 с.

24.    Маньковский О. Н. Теплообменная аппаратура химических производств О. Н. Маньковский, Л.: Химия, 1976. - 368 с.

25.   Лащинский А. А. Основы конструирования и расчета химической аппаратуры / А. А.Лащинский, А. Р.Толчинский // Машиностроение, 1970. - 752 с.

26.   Дытнерский Ю. И. Основные процессы и аппараты химической технологии: Пособие по проектированию / Ю. И. Дытнерский. - М.: Химия, 1987. - 496 с.

27.    ГОСТ 14249-89. Сосуды и аппараты. Нормы и методы расчёта на прочность.

.        Андреєв І. А. Конструювання та розрахунок апаратів високого тиску: Навчальний посібник / І. А. Андреєв, О. Г. Зубрій. - К.: ІЗМН, 1999. - 144 с.

.        Сандуляк А.В. Электромагнитные фильтр-осадители /А.В. Сандуляк,В.И. Гаращенко.- Львов.: «Вища школа», 1982.-69 с.

.        Сандуляк А.В. Новое в технике и технологи физических методов очистки гидкостей и газов / А.В. Сандуляк.- К.: «Вища школа», 1989.-54 с.

.        Миргородский В.Т. Алгоритм расчета колонных аппаратов Методические указания / В.Т. Миргородский, О.Г. Зубрий, В.Л. Кочетов. - К., КПИ, 1986. - 35 с.

32.   Ткачук К. Н. Основи охорони праці / К. Н. Ткачук, М.О. Халімовський та ін. - К., Основа. 2006. - 448 с.

33.    Арламов О. Ю. Конспект лекцій з дисципліни «Основи охорони праці» / Арламов О. Ю. - НТУ КПІ., 2012 - 50 с.

.        Ведерников М. И. Техника безопасности при производстве, хранении и транспортировании аммиака / М. И. Ведерников. М., «Химия», 1977. - 128 с.

.        СеледцовВ.Ф. Методические указания по выполнению раздела «охрана труда» в дипломных работах и проектах студентов специальностей факультета химического машиностроения / Селедцов В.Ф.,Орленко А.Т., Ступницкая З. С., Халимовский М.А - К., КПИ, 1979, 453с.

.        Система технического обслуживания и ремонта оборудования предприятий химической промышленности / [Азаров В.Н., Востриков В. С., Ломакин В. С. и др.]. - М.: Химия, 1986. - 352 с.

.        Мікульонок І. О. Виготовлення, монтаж та експлуатація обладнання хімічних виробництв [Електронний ресурс] : підручник / І. О. Мікульонок; НТУУ «КПІ». - Електронні текстові дані (1 файл: 12,1 Мбайт). - Київ : НТУУ «КПІ», 2012.

.        Методичні вказівки до написання економічного розділу дипломного проекту для студентів інженерного-хімічного факультету НТУУ «КПІ» ОКР «Спеціаліст»/ Національний технічний університет України «Київський політехнічний інститут», кафедра міжнародної економіки. - Київ : НТУУ «КПІ», 2013. - 15 с.

39.    Курсовое проектирование по технологии машиностроения /Под ред. А.Ф. Горбацевича. - Минск: Высш. шк., 1975. - 287 с.

40.    Справочник технолога-машиностроиля. Т.1 и 2 / Под ред. А.Г. Косиловой и Р.К. Мещерякова. - 4-е изд., перераб. и доп. - М. Машиностроение, 1985 - 1986. - 823 с.

41.    Ансеров М.А. Приспособление для металлорежущих станков. - Л.: Машиностроение, 1975. - 656 с.

42.    Методические рекомендации к практическим занятиям и индивидуальной работе по дисциплине «Технология машиностроения» для студентов специальностей химического машиностроения. /Сост. С.С. Добрянский, В.К. Фролов, И.М. Малафеев. - К.: КПИ, 1991 - 91с.

43.    Автоматические приборы, регуляторы и вычислительные системы. Справочное пособие. Изд. 3-е, перераб. и доп. Под ред. Б.Д. Кошарского Л.: «Машиностроение» (Ленинград. отделение), 1976. - 488 с.

Методические указания к дипломному и курсовому проектированию по разделу «Автоматизация производственных процессов» для студентов факультетов химического машиностроения и химико-технологического /Сост. Б.Б. Булгаков, Л.Ф. Семикина. Киев: КПИ, 1987 - 56 c.