Материал: метрология 3 вариант

Внимание! Если размещение файла нарушает Ваши авторские права, то обязательно сообщите нам

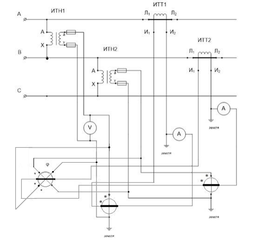
Выполнить разметку зажимов обмоток ИТТ, ИТН, счетчиков и фазометра. Показать заземление вторичных обмоток ИТТ и ИТН.

При подборе измерительных трансформаторов тока необходимо учитывать, что для обеспечения правильности их работы общее сопротивление всех проводов и обмоток приборов во вторичной цепи не должно превышать номинальной нагрузки. Номинальной нагрузкой трансформатора тока называется наибольшее сопротивление, на которое может быть замкнута вторичная обмотка при условии, что погрешности его не превысили допустимых значений.

Наименование величин

Ед.измер.

Данные

Номинальное напряжение сети

В

10000

Линейный ток

А

30

Расстояние измерительных приборов до измерительных трансформаторов

М

15

Определяем сопротивление провода длинной в 15 метров

Т.к. провода 2 то

Сопротивление обмоток амперметра Э513/4  

Сопротивление последовательной обмотки счетчика И445/4Т 

Сопротивление последовательной обмотки фазометра Д120 

Общее сопротивление нагрузки

В качестве трансформатора тока выбираем И512, у которого номинальная нагрузка

Номинальная мощность счетчика

Номинальная мощность фазометра

Номинальная мощность вольтметра

Номинальная активная мощность трансформатора И50

Таким образом, в качестве трансформатора тока выбираем И532,

а в качестве трансформатора напряжения И50. амперметры – Э 513/4, счетчики – СО-И445/4Т, фазометр – Д120, вольтметр – Э 513/3.