Материал: метрология 3 вариант

Внимание! Если размещение файла нарушает Ваши авторские права, то обязательно сообщите нам

то показания ваттметров будут

Полная мощность 3-х фазной цепи

Отсюда находим линейный ток

Линейные напряжение

Суммарная активная мощность системы

Векторная диаграмма

Определяем мощность измеряемым ваттметром

Выберем ваттметры с номинальным током IН = 10А и номинальным UН = 600В, числом делений аН =150 дел.

Отклонение стрелок ваттметра равны

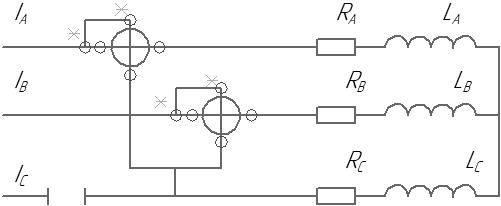
Схема включения ваттметров при обрыве фазы С

Векторная диаграмма при обрыве фазы С

При обрыве фазы С ток в ней равен нулю. Две другие фазы соединены последовательно и включены на линейное напряжение . Сопротивление фазы при нормальном режиме работы.

Для симметричной трехфазной системы ток в последовательно соединённых фазах определяется как

Число делений первого ваттметра и число делений второго ваттметра

Сравнение показаний ваттметров с мощностью в нагрузке

Суммарная активная мощность системы

Вт

Или

Мощность, измеряемая первым ваттметром Р1 и Р2 = 2801,5185+792,2713=3593,7898 Вт

Р=3600,0202 ≈ Р1 + Р2 = 2801,5185+792,2713=3593,7898 Вт

5000 ≈ 4991,37 Вт

Таблица №4

П1

Наименование величин

Ед.

измер.

Результат расчета

Мощность цепи Р

Вт

3600,0202

Линейное напряжение UЛ

В

381,05

Линейный ток IЛ

А

7,5758

Номинальное напряжение ваттметра UН

В

600

Номинальный ток ваттметра IН

А

10

Постоянная ваттметра СР

Вт/дел

40

П2

Мощность измеряемая первым ваттметром Р1

Вт

2801,5185

Мощность измеряемая вторым ваттметром Р2

Вт

792,2713

Число делений шкалы а1

дел

70,038

Число делений шкалы а2

дел

19,8068

П2.1

Мощность измеряемая первым ваттметром Р1

Вт

1800

Мощность измеряемая вторым ваттметром Р2

Вт

1800

Число делений шкалы а1

дел

45

Число делений шкалы а2

дел

45

Задача № 5 измерение реактивной энергии в цепях трехфазного тока

Симметричный трехфазный приемник электрической энергии соединен по схеме треугольник.

В цепь приемника включен одноэлементный счетчик активной энергии для измерения реактивной энергии. Последовательная обмотка счетчика включена в один из проводов трехфазной цепи, как указано в табл. 7

Приемник электрической энергии работает непрерывное время t.

  1. Начертить схему включения счетчика в соответствии с данными вариантами, сделать разметку генераторных зажимов его обмоток.

  2. Определить линейное напряжение , линейный ток , коэффициент мощности и угол φ .

  3. Для заданной цепи построить в масштабе векторную диаграмму, выделить в ней векторы напряжения и тока, под действием которых находятся параллельная и последовательная обмотки счетчика.

  4. Пользуясь векторной диаграммой, доказать, что счетчик, включенный по такой схеме, измеряет реактивную энергию.

Определить расход реактивной энергии, учитываемой счетчиком за время t.

  1. Подсчитать за время t реактивную энергию всего приемника.

  2. Найти численное соотношение между энергией, учитываемой счетчиком, и энергией приемника.

Таблица №7

Наименование величин

Ед. измер.

Данные

Схема соединение приёмника

Последовательная обмотка счетчика включена в провод

С

Время t

Ч

20

Фазное напряжение UФ

В

220

Активное сопротивление фазы RФ

Ом

16

Индуктивное сопротивление фазы XФ

Ом

24

Схема включения счетчика

При соединении приемника электрической энергии в треугольник каждое фазное напряжение равно линейному UФ=Uл=220в

Сопротивление Z симметричного треугольника

Линейный ток через сопротивление Z симметричного треугольника

Коэффициент мощности

Фаза

Векторная диаграмма

Векторы фазных токов отстают от соответствующих векторов фазных (линейных) напряжений на угол . При включении последовательной обмотки ваттметра к IС и подключении параллельной цепи ваттметра на напряжение UAB ваттметр измеряет мощность трехфазной цепи.

Если течении времени t в цепи развивалась мощность Q то израсходованная энергия равна:

Реактивная мощность всего приемника

Численное значение между учитываемой энергией счетчика и приемника

Задача № 6 выбор измерительной аппаратуры

В высоковольтной трехпроводной цепи трехфазного тока необходимо измерить линейные токи, линейное напряжение, коэффициент мощности цепи и расход активной энергии всей цепи.

Подобрать для этой цели два измерительных трансформатора тока (ИТТ), два измерительных трансформатора напряжения (ИТН) и подключить к ним следующие измерительные приборы: два амперметра электромагнитной системы; два однофазных индукционных счетчика активной энергии; один трехфазный фазометр электромагнитной или электродинамической системы; один вольтметр электромагнитной системы.

Расстояние от трансформатора до измерительных приборов l (провод медный, сечением мм2 ), номинальное напряжение сети и линейный ток приведены в табл. 10. Начертить схему включения ИТТ и ИТН в цепь, а также показать подключение к ним всех измерительных приборов.