Материал: метрология 3 вариант

Внимание! Если размещение файла нарушает Ваши авторские права, то обязательно сообщите нам

6. Определим мощность, потребляемую вольтметром при номинальном напряжении

Задача № 3 методы и погрешности электрических измерений

Для измерения сопротивления косвенным методом использовались два прибора: амперметр и вольтметр магнитоэлектрической системы.

Измерение сопротивления производилось при температуре t приборами группы А, Б или В. Данные приборов, их показания, а также группа приборов и температура окружающего воздуха, при которой производилось измерение сопротивления, приведены в табл. 4.

Определить:

  1. величину сопротивления по показаниям приборов и начертить схему;

  2. величину сопротивления с учетом схемы включения приборов;

  3. наибольшие возможные (относительную и абсолютную ) погрешности результата измерения этого сопротивления;

  4. в каких пределах находятся действительные значения измеряемого сопротивления.

Таблица №3

Наименование величин

Ед. измерения

U

Предел измерений Uн

В

75

Ток полного отклонения стрелки прибора при Iн

мА

1

Класс точности γд

0,2

Показание вольтметра U

В

60

I

Предел измерения Iн

А

7,5

Падение напряжения на зажимах прибора при UИ

мВ

140

Класс точности γд

0,5

Показание амперметра I

А

5

Группа приборов

А

Температура t

С

30

Что бы выбрать схему включения оценим

Рисунок № 3

2. В формулу для определения сопротивления подставим величину тока амперметра за вычетом тока вольтметра.

3. Погрешность измерений

Основная погрешность определяется классом точности прибора. В данном случае для вольтметра = 0.2

Дополнительная погрешность вызванная от нормальной +20 (на каждые 10 )

Относительная погрешность при косвенном методе измерения сопротивления определяется по формуле

Относительная погрешность при измерении U

Относительная погрешность при косвенном методе измерения сопротивления

Задача № 4 измерение активной мощности в цепях трехфазного тока

Для измерения активной мощности трехпроводной цепи трехфазного тока с симметричной активно-индуктивной нагрузкой, соединенной звездой , необходимо выбрать два одинаковых ваттметра с номинальным током номинальным напряжением и числом делений шкалы .

Исходные данные для решения задачи приведены в табл. 7.

  1. По данным варианта для нормального режима работы цепи:

а) начертить схему включения ваттметров в цепь;

б) доказать, что активную мощность трехпроводной цепи трехфазного тока можно представить в виде суммы двух слагаемых;

в) построить в масштабе векторную диаграмму, выделив на ней векторы напряжений и токов, под действием которых находятся параллельные и последовательные обмотки ваттметров;

г) определить мощности и , измеряемые каждым из ваттметров;

д) определить число делений шкалы и , на которые отклоняются стрелки ваттметров.

  1. По данным варианта при обрыве одной фазы приемника энергии:

а) начертить схему включения ваттметров в цепь;

б) построить в масштабе векторную диаграмму, выделив на ней векторы напряжений и токов, под действием которых находятся параллельные и последовательные обмотки ваттметров;

в) определить мощности и , измеряемые каждый из ваттметров;

г) определить число делений шкалы и , на которые отклоняются стрелки ваттметров.

Таблица №3

Наименование

величин

Ед. измерения

данные

Мощность

цепи S

кВ*А

5

Коэффициент

мощности cosφ

0,72

Фазное напряжение U ф

В

220

Последовательные обмотки ваттметров включены в провода

Y

А и В

Обрывы фазы

С

Абсолютная погрешность при косвенном измерении сопротивления

Действительное значение измеряемого сопротивления находятся в пределах

  1. Мгновенная мощность 3-х фазной цепи выражается суммой мощностей отдельных фаз

Для нулевой точки приемников энергии соединены в Y по первому закону Кирхгофа.

Подставим iС в формулу (1) получим

Мгновенная мощность 3-х фазной цепи можно представить суммой 2-х слагаемых

Переходя от мгновенной мощности к средней (активной) и допуская что токи и напряжение синусоидальны получим

Где – угол сдвига фаз между током и линейным напряжением

- между током и линейным напряжением

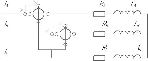
Первое слагаемое можно измерить одним ваттметром, а второе если ваттметры соединены следующим образом: токовая цепь 1 ваттметра в соответствии с индексом А у тока включается в рассечку провода А а т.к. ток положителен, то генераторный зажим соединяется с источником питания.

Генераторный зажим параллельной цепи в соответствии с первой частью индекса А у напряжения соединён с проводом А, а генераторный режим той же цепи в соответствии со второй частью индекса С соединён с проводом С. Аналогично включается 2-ой ваттметр. Активная мощность равна сумме показаний ваттметров.

Схема включения ваттметров

В частном случае при симметричной нагрузке системы напряжений и одинаковой нагрузке фаз