Материал: metodukazania_po_SSI_1_Chagina

Внимание! Если размещение файла нарушает Ваши авторские права, то обязательно сообщите нам

26.2

Фо мрЗозПо тана.

1

2

3

4

5

6

7

8

9

12

15

16

17

18

Завершить спецификацию гидроцилиндра

 

 

л.

Обозначение

Наименование

Ко

 

Документация

 

КИКГ.ХХХХХХ.026СБ

 

 

 

Детали

 

КИКГ.ХХХХ01.026

Цилиндр

1

КИКГ.ХХХХ02.026

Крышка

1

КИКГ.ХХХХ03.026

Крышка

1

КИКГ.ХХХХ04.026

Шток

1

КИКГ.ХХХХ05.026

Поршень

1

КИКГ.ХХХХ06.026

Крышка

1

КИКГ.ХХХХ07.026

Втулка

1

 

Стандартные изделия

 

 

Болт М6х ... ГОСТ 7798-70

4

 

Винт М8х ... ГОСТ 17473-80

4

 

Гайка ... ГОСТ 5915-70

 

 

Гайка ... ГОСТ 5915-70

 

 

Гайка ... ГОСТ 11871-88

1

 

Шайба ... ГОСТ 6402-70

 

 

Шайба ... ГОСТ 6402-70

 

 

ШпилькаМ8х ... ГОСТ22034-76

4

 

Кольцо 102-110-46 ГОСТ9833-73

1

 

Кольцо 112-120-48 ГОСТ9833-73

2

 

Манжета 32х22 ГОСТ14896-84

1

 

 

 

Примечание

151

26.3. Задание по созданию чертежей деталей и сборок

Завершить оформление сборочного чертежа и спецификации.

Выполнить трехмерные модели и ассоциативные чертежи цилиндра 1 и крышки 2. В каждом ассоциативном чертеже расположить аксонометрию с вырезом одной четверти детали.

Выполнить по ГОСТ 2.317—69 аксонометрическое изображение с вырезом одной четверти болтового соединения деталей 1 и 2.

26.4. Данные для заполнения раздела «Стандартные изделия»

Сое-

Наименование

Материал

Покрытие

Толщина

дине-

покрытия

ние

 

 

Фосфатное

 

 

 

 

 

Бол-

Болт М10х1,25…

Сталь 30

с пропиткой

-

 

 

маслом

 

товое

 

 

 

Гайка … (исполнение 1)

Сталь 20

То же

-

 

Шайба …(исполнение 2)

Сталь 08

То же

-

Вин-

Винт М8…(класс точности В)

Сталь 20

Кадмиевое

6 мкм

товое

с хромат.

Шпи-

Шпилька М12х1,25…

Сталь 40Х

Окисное

-

леч-

Гайка…(исполнение 2)

Сталь 30Х

То же

-

ное

Шайба…(толщина нормальная)

Сталь 65Г

То же

-

Описание гидроцилиндра. Гидроцилиндр состоит из цилиндра 1, к которому с одной стороны крепится крышка 2 при помощи болтов 8, шайб и гаек. С другой стороны на корпусе установлена крышка 6 при помощи шпилек 15, шайб и гаек. В цилиндре установлен поршень 5, в проточке которого расположено резиновое кольцо 16. Поршень крепится на штоке 4 при помощи гайки 12. На крышку 2 крепится крышка 3 винтами 8, которая поджимает манжету 18, расположенную в расточке крышки 2. В торцевых проточках цилиндра 1 расположены кольца 17. Поступательное движение поршня 5 вправо относительно корпуса цилиндра 1 происходит при подаче жидкости через штуцер с левой стороны цилиндра. Жидкость подается в полость между поршнем 5 и крышкой 2 и перемещает его вправо. Для сообщения движения штоку 4 влево жидкость под давлением подается по системе к правому штуцеру цилиндра и, заполняя полость между поршнем 5 и крышкой 6, перемещает поршень влево. Уплотнение крышек 2 и 6 с цилиндром осуществляется резиновыми кольцами 17. Для избежания просачивания жидкости на поршне 5 установлено резиновое кольцо 16. Уплотнение штока 4 достигается манжетой 18, поджимаемой крышкой 3

152

27.1

 

 

 

 

Насос шестеренчатый

 

По данным из спецификации изобразить следующие соединения:

А

 

Б — шпилечное — втулки сальника 6 с корпусом 1;

 

 

В — болтовое — крышки 6 и корпуса 1; Г — штифтовое — крышки 6 и корпуса 1

 

Б

А-А

8

7

 

 

 

 

 

 

 

В

 

 

4x2

 

 

 

3

 

 

M2

 

 

 

 

 

 

 

 

4

 

 

 

 

 

 

 

 

153

 

 

64

 

 

Задания

5

 

 

 

 

 

варианта

14

 

 

G3/4

 

 

 

 

 

 

 

 

 

27

 

 

 

 

 

 

2

 

 

Г

 

 

 

1

 

 

13

6

 

 

 

 

153

 

А

 

 

 

 

 

 

 

27.2

Ф роЗП там ано .зо

1

2

3

4

5

6

7

8

12

13

14

Завершить спецификацмю насоса шестеренчатого

Обозначение

Наименование

л.

Приме-

Ко

чание

 

 

 

Документация

 

 

КИКГ.ХХХХХХ.027СБ

Сборочный чертеж

 

 

 

Детали

 

 

КИКГ.ХХХХ01.027

Корпус

1

 

КИКГ.XXXX02.027

Шестерня

1

 

КИКГ.XXXX03.027

Вал-шестерня

1

 

КИКГ.XXXX04.027

Втулка

1

 

КИКГ.XXXX05.027

Втулка сальника

1

 

КИКГ.XXXX06.027

Крышка

1

 

 

Стандартные изделия

 

 

 

Болт М6 ... ГОСТ 7798-70

6

 

 

Гайка ... ГОСТ 5915-70

4

 

 

Гайка ... ГОСТ 5915-70

 

 

 

Шайба ... ГОСТ 6402-70

 

 

 

Шайба ... ГОСТ 6402-70

 

 

 

Шпилька М4х... ГОСТ 22038-76

4

 

 

Штифт 4х... ГОСТ 3128-70

2

 

 

Материалы

 

 

 

Пенька ГОСТ 5152-84

0,02

кг

154

27.3. Задание по созданию чертежей деталей и сборок

Завершить оформление сборочного чертежа и спецификации.

Выполнить трехмерные модели и ассоциативные чертежи корпуса 1 и втулки сальника 5. В каждом ассоциативном чертеже расположить аксонометрию с вырезом одной четверти детали.

Выполнить по ГОСТ 2.317—69 аксонометрическое изображение

свырезом одной четверти шпилечного соединения деталей 1 и 5.

27.4. Данные для заполнения раздела «Стандартные изделия»

Соеди

Наименование

Материал

Покрытие

Толщина

нение

покрытия

 

 

 

Кадмиевое

 

 

Болт М10…

Сталь

6 мкм

Бол-

10кп

с хромат.

 

 

 

 

Кадмиевое

 

товое

Гайка … (исполнение 1)

Ст3сп3

6 мкм

с хромат.

 

 

 

 

 

Шайба …(исполнение 1)

Сталь 65Г

Кадмиевое

-

Шпи-

Шпилька М8…

Сталь 20

То же

-

 

 

 

леч-

Гайка…(исполнение 2)

Сталь 10

Кадмиевое

6 мкм

ное

 

 

с хромат.

 

Шайба…(толщина нормальная)

Сталь 65Г

Окисное

-

 

Штиф-

Штифты по ГОСТ3128-70

 

 

 

товое

 

 

 

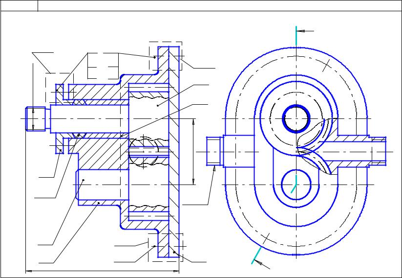
Описание насоса шестеренчатого. Насос состоит из корпуса

1, в котором установлены шестерня 2 и вал-шестерня 4. Крышка 6 центрируется на корпусе штифтами 13 и крепится к нему болтами 7, шайбами и гайками. К корпусу 1 крепится при помощи шпилек 12, шайб и гаек втулка сальника 5, которая уплотняет сальниковую набивку 14.

Вращательное движение вал-шестерня 3 получает от двигателя через муфту (на чертеже она не изображена), установленную на резьбовом конце вала-шестерни. Вал-шестерня вращается по часовой стрелке и, находясь в зацеплении с шестерней 2, приводит ее во вращательное движение против часовой стрелки (см. вид слева, местный разрез). При выходе зубьев из зацепления образуется вакуум, в который засасывается жидкость и перегоняется между зубьями и цилиндрическими отверстиями в корпусе насоса к патрубку, показанному в разрезе на виде слева.

Герметизация шейки вала-шестерни 3 в месте выхода его из корпуса осуществлена при помощи сальниковой набивки 14.

155