Материал: Методика розрахунку електронного ключа на польових транзисторах

Внимание! Если размещение файла нарушает Ваши авторские права, то обязательно сообщите нам

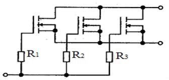
Рисунок 1.7 - Схема паралельного включення польових транзисторів

При цьому необхідно використовувати транзистори з близькими значеннями порогових напруг і встановлювати в ланцюзі затвора опору, покликані зменшити взаємний вплив транзисторів один на одного при виключенні.

.4 Розробка методики розрахунку ключа на польових транзисторах

Розробимо методику розрахунку двотактного ключа (рис 1.9).

Рисунок 1.9 - Схема ключа для розрахунку

Початкові параметри:

·        напруга живлення Ес;

·        резистор стоку Rc;

·        струм насичення стоку в увімкненому стані Ic.нас.;

·        крутизна характеристики польового транзистора S;

·        напруга стік-витік Uсв;

·        ємність навантаження Сн;

·        вхідна напруга рівня логічної одиниці U1;

·        порогова напруга U0.

Розраховуємо струм насичення стоку за формулою:

 (1.5)

Залишкове падіння напруги на транзисторі у увімкненому стані:

 (1.6)

Розсіювана потужність на транзисторі у увімкненому стані:

 (1.7)

Обираємо польовий транзистор виходячи з умов:

 (1.8)

Для збільшення швидкості перемикання ключа значення ємностей   транзистора повинні бути якомога менші.

5 Якщо на вхід подається рівень логічного нуля, тобто виконується умова

 (1.9)

то у схемі на рис. 1.9 транзистор VT закритий. Падіння напруги на транзисторі:

 (1.10)

Вихідний опір ключа визначається за формулою

 (1.11)

Якщо на вхід подається рівень логічної одиниці, тобто виконується умова

 (1.12)

то транзистори VT (рис 1.9) відкритий. При цьому вихідний опір ключа визначається

 (1.12)

де  - опір стік-витік у відкритому стані транзистора VТ1 (береться з довідників).

Вихідна напруга у увімкненому стані:

 (1.13)

Вихідна ємність визначається за формулою:

 (1.14)

де См - ємність монтажу (См=10 пФ).

Тривалість увімкнення ключа визначається за формулою:

 (1.15)

Тривалість викнення ключа визначається за формулою:

 (1.16)

2. РОЗРАХУНОК ПІДСИЛЮВАЛЬНОГО КАСКАДУ

·        коефіцієнт підсилення по напрузі KU=27,

·        напруга на навантаженні Uн=17 (В),

·        опір навантаження Rн=1700 (Ом),

·        нижня гранична частота fн=90 (Гц),

·        верхня гранична частота fв=20003,5 (Гц).

1. Виходячи з умов отримання максимального коефіцієнта корисної дії підсилювального каскаду приймаємо величину опору в ланцюзі колектора RК рівною опору навантаження:

 (2.1)

. Знаходимо амплітудне значення колекторної напруги за формулою (2.2):

 (2.2)

. Розраховуємо струм спокою колектора за формулою (2.3):

 (2.3)

. Визначаємо величину мінімальної напруги джерела живлення за формулою (2.4):

 (2.4)

Вибираємо найближче значення Eж з ряду стандартних величин так, щоб виконувалася умова (2.5):

 (2.5)

. Обчислюємо значення максимального струму колектора за формулою (2.6):

 (2.6)

. Знаходимо потужність на навантаженні за формулою (2.7):

 (2.7)

. Проводимо оцінку потужності, що розсіюється на колекторі транзистора за формулою (2.8):

 (2.8)

. Користуючись довідником [8], вибираємо тип біполярного транзистора. Як критерій вибору використовуємо співвідношення (2.9):

 

 (2.9)


де: к.max - максимально допустима потужність, що розсіюється на колекторному переході транзистора;

- максимально допустима постійна напруга колектор - емітер;к.max - максимально допустимий постійний струм колектора;гр - гранична частота коефіцієнта передачі струму в схемі із загальним емітером.

Виходячи з вище наведених нерівностей обираємо транзистор КТ704Б (n-p-n) для якого умови (2.9) виконуються

 

21е.min - мінімальне значення статичного коефіцієнта передачі біполярного транзистора в режимі малого сигналу в схемі із загальним емітером;

. Розраховуємо опір резистора в ланцюзі емітера за формулою (2.10):

 (2.10)

З ряду Е24 приймається найближче стандартне значення RЕ = 270 (Ом).

. Визначаємо значення струму спокою бази транзистора за формулою:

 (2.11)

. Розраховуємо опори резистивного дільника, для чого вибираємо струм дільника Iд, що протікає по опорах RБ1 і RБ2 за формулою (2.12):

 (2.12)

Знаходимо напругу спокою бази за формулою (2.13):

 (2.13)

де,

DUе - падіння напруги на емітерному переході DUе = 0,45…0,6 (В); е.п - падіння напруги в ланцюзі емітера, визначається за формулою (2.14):

 (2.14)

Визначаємо величину опору Rб2 за формулою (2.15):

 (2.15)

З ряду Е24 приймається найближче стандартне значення Rб2 = 2,0 (кОм).

Визначаємо величину опору Rб1 за формулою (2.16):

 (2.16)

З ряду Е24 приймається найближче стандартне значення Rб1 = 18 (кОм).

. Розраховуємо коефіцієнт підсилення каскаду за формулою (2.17):

 (2.17)

де, Rкн - опір каскаду за змінним струмом, визначається за формулою (2.18):

 (2.18)

. Знаходимо значення ємностей розділових конденсаторів за формулою (2.19):

 (2.19)

З ряду Е24 приймається найближче стандартне значення Cр1 = 27 (мкФ). 14. Обчислюємо значення ємності шунтуючого конденсатора в ланцюзі емітера за формулою (2.20):

 (2.20)

З ряду Е24 приймається найближче стандартне значення Cе = 100 (мкФ).

. Визначаємо потужність, споживану каскадом від джерела живлення за формулою (2.21):

 (2.21)

. Обчислюємо коефіцієнт корисної дії каскаду за формулою (2.22):

 (2.22)

Результати розрахунку елементів підсилювача за схемою з загальним емітером наведено в таблиці 2.1.

Таблиця 2.1 - Результати розрахунку підсилювача

Параметр

Значення

Розмірність

1

2

3

Напруга живлення ЕЖ

80

В

Опір резистора бази 1 RБ1

18

кОм

Опір резистора бази 2 RБ2

2,0

кОм

Опір емітерного резистора RЕ

270

Ом

Опір колекторного резистора RК

1700

Ом

Ємність розділових конденсаторів Ср1, Ср2

27

мкФ

Ємність емітерного конденсатора Се

100

мкФ

Коефіцієнт підсилення КU

200


Опір навантаження RН

1700

Ом


Проведемо моделювання схеми за допомогою програми Orcad. Схема моделювання подана на рисунку 2.1. Результат моделювання подано на рисунку 2.2.

Рисунок 2.1 -Схема моделювання схеми підсилювача

Рисунок 2.2 - Результати моделювання схеми підсилювача

Виконавши по розрахунковим даним схемотехнічне моделювання ми отримали графік, розходження якого з розрахованим по коефіцієнту підсилення не перевищує 10%. Розходження можна пояснити тим, що моделювання проводилося з аналогом транзистора КТ704Б, а не з самим транзистором. Отже можна стверджувати, що розрахунок був зроблений вірно. Результати розрахунків наведені в таблиці 2.1.

3. РОЗРАХУНОК ГЕНЕРАТОРІВ ІМПУЛЬСНИХ СИГНАЛІВ

3.1 Розрахунок одновібратора


·        амплітуда вихідного імпульсу Um2 = 17 (В);

·        тривалість вихідного імпульсу tі = 134 (мкс);

·        період проходження імпульсів запуску Т = 184 (мкс);

·        діапазон зміни температур (-50…+60) °С;

·        допустима нестабільність тривалості імпульсу =5,5 (%).

1. По тривалості і періоду визначаємо шпаруватість вихідних імпульсів за формулою (3.1):

 (3.1)

. Вибираємо напруга джерела живлення, яка повинна бути в 1,2...1,3 разу більше амплітуди вихідного імпульсу за формулою (3.2):

 (3.2)

Обираємо стандартне значення Еж=21 (В).

3. По напрузі джерела і початковим даним вибираємо тип транзистора.

Виходячи з умови (3.3), вибирається транзистор.

електронний ключ транзистор синхронний

 (3.3)

Оберемо транзистор КТ361Г (p-n-p) [8], у якого Екдоп = 60 > 2·21.

Запишемо необхідні параметри транзистора:


. Знаходимо тепловий струм колектора за формулою (3.4):

 (3.4)

де t0 - початкова температура, приймається для нормальних умов рівною 20 °С. 5. Опір в колі бази визначаємо напругою джерела, тепловим струмом і заданою нестабільністю імпульсу за формулою (3.5):

 (3.5)

З ряду Е24 приймається найближче стандартне значення Rб = 200 (кОм).

. Опір в колекторному ланцюзі транзистора VT2 визначаємо за відомим опором в базовому колі і мінімальному для даних умов коефіцієнту підсилення. Для стійкої роботи _дно вібратора при розрахунку повинна виконуватися умова (3.6).

 (3.6)

де βmin - коефіцієнт підсилення при мінімальній температурі мінус 50 °С. Він складає 60 % середнього значення і визначається за формулою (3.7)

 (3.7)

З ряду Е24 приймається найближче стандартне значення RK2 = 2,4 (кОм).

. Розрахуємо опір в колекторному колі транзистора VT1 за формулою (3.8).

 (3.8)

З ряду Е24 приймається найближче стандартне значення RK1= 3,6 (кОм)

. Визначимо опір в колі емітера за формулою (3.9).

 (3.9)

З ряду Е24 приймається найближче стандартне значення Rе = 560 (Ом).

. Розрахуємо опори подільника напруги R1 і R2, що встановлюють величину напруги зсуву на базі VT1 та визначають положення робочої точки транзистора і початковий стан одно вібратора, за формулами (3.10) і (3.11).

 (3.10)

З ряду Е24 приймається найближче стандартне значення R1 = 68 (кОм).

 (3.11)

З ряду Е24 приймається найближче стандартне значення R2 = 15 (кОм).

. Ємність конденсатора Сб залежить від багатьох параметрів і визначається за формулою (3.12).

 (3.12)

Коефіцієнт ά визначає співвідношення опорів в ланцюзі колектора транзистора VT1, і визначається за формулою (3.13).

 (3.13)

При середньому положенні регулятора напруги коефіцієнт ά =1.

З ряду Е24 приймається найближче стандартне значення ємності конденсатора базового кола VT2 Сб = 1 (нФ).

. Замикаюча напруга транзистора VT1 визначається за формулою (3.14).

 (3.14)

12. Амплітуда напруги запускаючого імпульсу, що подається на вхід транзистора VT1 одновібратора, визначається за формулою (3.15).

 (3.15)

де Rг - внутрішній опір генератора запускаючих імпульсів, приймається рівним 0,51 (кОм); Rз - опір запускаючого транзистора у відкритому положенні, приймається рівним 51 (Ом).

Проведемо моделювання отриманої схеми у програмі Orcad. Схема моделювання подана на рисунку 3.1. Результати моделювання подано на рисунку 3.2. Результати розрахунку елементів одновібратора наведено в таблиці 3.1.

Рисунок 3.1 - Схема моделювання схеми одновібратора

Рисунок 3.2 - Результати моделювання схеми одновібратора