Материал: Методика розрахунку електронного ключа на польових транзисторах

Внимание! Если размещение файла нарушает Ваши авторские права, то обязательно сообщите нам

Методика розрахунку електронного ключа на польових транзисторах

ВСТУП

Електронний ключ - основний функціональний вузол дискретної схемотехніки для перемикання струмів або потенціалів на навантаженні.

В імпульсних пристроях дуже часто потрібно комутувати (включати і виключати) електричні кола. Ця операція виконується безконтактним способом за допомогою транзисторних ключів.

Ключові схеми використовуються для побудови генераторів і формувачів імпульсів, а також різних логічних схем цифрової обчислювальної техніки. Ключ виконує елементарну операцію інверсії логічної змінної і називається інвертором.

У статичному режимі ключ знаходиться в стані «включено» (ключ замкнутий), або в стані «виключено» (ключ розімкнений). Перемикання ключа з одного стану в інший відбувається під впливом вхідних управляючих сигналів: імпульсів або рівнів напруги. Найпростіші ключові схеми мають один управляючий вхід і один вихід. Основу ключа складає транзистор в дискретному або інтегральному виконанні.

Залежно від стану ключ шунтує зовнішнє навантаження великим або малим вихідним опором. У цьому і полягає комутація ланцюга.

Основними параметрами ключа є:

• швидкодія, визначається максимально можливим числом перемикань в секунду; для інтегральних схем ключів вона складає мільйони комутацій;

• тривалість фронтів вихідних сигналів;

• внутрішні опори у відкритому і закритому стані;

• споживана потужність;

• завадостійкість, рівна рівню перешкоди на вході, що викликає помилкове перемикання;

• стабільність порогових рівнів, при яких відбувається перемикання;

• надійність роботи в реальних умовах старіння радіодеталей, зміни джерел живлення і т.д.

Метою виконання даного курсового проекту є виконання наступних задач:

. Провести огляд схемотехніки електронних ключів на польових транзисторах.

. Виконати повний розрахунок наступних схем: підсилювального каскаду із спільним емітером, автоколивального мультивібратора, одновібратора, генератора напруги що лінійно змінюється та синхронного тригера.

Виконання розрахунку зазначених вище схем передбачає розрахунок всіх параметрів необхідних для нормального функціонування тієї чи іншої схеми, а також результати моделювання, аналіз результатів моделювання та розрахунків.

1. РОЗРОБКА МЕТОДИКИ РОЗРАХУНКУ ЕЛЕКТРОННОГО КЛЮЧА НА ПОЛЬОВИХ ТРАНЗИСТОРАХ


.1 Загальні відомості

Аналоговий ключ служить для перемикання безперервно змінних електричних сигналів. Якщо ключ знаходиться в стані "увімкнено", його вихідна напруга повинна по можливості точно дорівнювати вхідній; якщо ж ключ знаходиться в стані "вимкнено", вихідна напруга повинна бути якомога ближче до нуля або, в усякому разі, повинна якомога менше залежати від вхідної.

Існують різні схемні рішення ключів, що задовольняють вказаним умовам. Їх принцип дії показаний на рисунку 1.1 на прикладі механічних (контактних) перемикачів [10].

а)                                 б)                                 в)

Рисунок 1.1 - Різновиди ключів

На рисунку 1.1а представлений послідовний ключ. Поки контакт замкнутий, . Коли контакт розмикається, вихідна напруга стає рівною нулю. Все це справедливо, якщо джерело сигналу має нульовий вихідний опір, і ємність навантаження дорівнює нулю. При значному вихідному опорі джерела сигналу напруга  ділиться між цим опором і резистором R. Тому цю схему не слід застосовувати у випадку, якщо джерелом сигналу є джерело струму, наприклад, фотодіод. За суттєвої ємності навантаження, під час розряду цієї ємності при розмиканні ключа S вихідна напруга ключа знижується до нуля досить довго [9, 10].

У схемі паралельного ключа (рис. 1.1б)  при розімкнутому ключі, якщо вхідний опір навантаження ключа нескінченно велике. Якщо ж воно порівняно з опором резистора R, то на резисторі буде падати частина вихідної напруги джерела сигналу. При наявності ємнісного навантаження буде відносно повільно встановлюватися вихідна напруга після розмикання ключа.

Послідовно-паралельний ключ, показаний на рис. 1.1в, не має недоліків двох попередніх схем. У будь-якому робочому стані він має вихідний опір, близький до нуля.

Різновиди аналогових ключів, показані на рисунку 1.1, можуть бути реалізовані на електронних елементах з керованим опором, що має мале мінімальне і високе максимальне значення. Для цих цілей можуть використовуватися діодні мости, біполярні і польові транзистори. Внаслідок неідеальності, вони вносять похибки в оброблювані сигнали. Джерелами похибок електронних аналогових ключів є:

·        ненульовий прохідний опір електронного ключа у включеному стані і кінцева його величина в вимкненому;

·        залишкове падіння напруги на замкнутому ключі, тобто наявність напруги на ключі при відсутності через нього струму;

·        нелінійна залежність опору ключа від напруги (струму) на інформаційному та керуючому входах;

·        взаємодія керуючого та комутованого сигналів;

·        обмежений динамічний діапазон (по амплітуді і по знаку) комутованих струмів і напруг.

Ключі на біполярних транзисторах і, особливо, на діодних мостах споживають значну потужність по ланцюгах управління і мають порівняно велику залишкову напругу, що становить одиниці мілівольт, що вносить помітну погрішність при комутації слабких сигналів (менше 100 мВ)[10]. Такі ключі мають високу швидкодію (час перемикання діодних ключів, виконаних на діодах Шотткі, досягає 1 нс) і застосовуються для побудови надшвидкісних ключів. Більш широке застосування знайшли ключі на польових транзисторах.

.2 Електронні ключі на польових транзисторах

Як відомо, польовий транзистор в області малих напруг стік-витік поводиться як резистор, опір якого може змінюватися у багато разів при зміні керуючого напруги затвор-витік . На рисунку 1.2а зображена спрощена схема послідовного ключа на польовому транзисторі з управляючим pn-переходом[9].

а)                                               б)

Рисунок 1.2 - Послідовні ключі на польових транзисторах з управляючим pn-переходом

Якщо в цій схемі керуючу напругу  встановити меншою, ніж мінімально-можлива вхідна напруга, принаймні на величину граничної напруги транзистора, транзистор закриється і вихідна напруга стане рівною нулю. Для того, щоб транзистор був відкритий, напругу затвор-витік  слід підтримувати рівною нулю, що забезпечує мінімальний опір каналу. Якщо ж ця напруга стане більше нуля, управляючий pn-перехід відкриється, і вихід ключа виявиться з'єднаним з ланцюгом управління. Рівність нулю  непросто реалізувати, так як потенціал витоку змінюється відповідно до зміни вхідного потенціалу. Найбільш простий шлях подолання цих труднощів зображений на рисунку 1.2б.

Якщо напругу  встановити більшою, ніж максимально-можлива вхідна напруга ключа, діод VD закриється і напруга  буде, як це і потрібно, дорівнювати нулю. При досить великому негативній керуючій напрузі діод буде відкритий, а польовий транзистор закритий. У такому режимі роботи через резистор R1 тече струм від джерела вхідного сигналу в ланцюг керуючого сигналу. Це не заважає нормальній роботі схеми, так як вихідна напруга ключа в цьому режимі дорівнює нулю. Порушення нормального режиму роботи такої схеми може статися лише у випадку, якщо ланцюг вхідного сигналу містить розділовий конденсатор, що при закритому транзисторі ключа зарядиться до негативного рівня керуючої напруги.

.3 Електронні ключі на польових транзисторах з ізольованим затвором

Проблеми подібного роду не виникають, якщо в якості ключа використовувати польовий транзистор з ізольованим затвором (МДН-транзистор). Його можна переводити у відкритий стан, подаючи керуючу напругу більшу, ніж максимальна вхідна позитивна напруга, причому і в такому режимі роботи струм затвора буде дорівнює нулю. Таким чином, в цій схемі ключа відпадає необхідність в діоді і резистори R1 (рис. 1.2)[9]. Схема ключа на МДН-транзисторі наведена на рисунку 1.3.

Рисунок 1.3 - Послідовний ключ на МДН-транзисторах

Тут ключем є n-канальний МДН-транзистор збагаченого типу, не провідний струм при  ≤ 0. У цьому стані опір каналу, як правило, досягає одиниць або навіть десятків ГОм, і сигнал не проходить через ключ. Подача на затвор щодо витоку значної позитивної напруги призводить до переходу каналу в провідний стан з типовим опором від 20 до 200 Ом для транзисторів, що використовуються як аналогові ключі.

Зображена на рисунку 1.3 схема буде працювати при позитивних вхідних сигналах, які принаймні на 5 Вольт менші, ніж ; при більш високому рівні сигналу напруга затвор-витік буде недостатньою, щоб утримати транзистор у відкритому стані (опір каналу у відкритому стані R0 почне рости); негативні вхідні сигнали викличуть включення транзистора при заземленому затворі. Тому, якщо треба перемикати сигнали обох полярностей (наприклад, в діапазоні від -10 до +10 В), то можна використовувати таку ж схему, з'єднавши підкладку з джерелом -15 В і подаючи на затвор напруги +15 В (включено) і -15 В (вимкнено) [9].

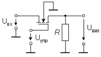
Довідкові дані на ключові МДН-транзистори включають параметр  - опір стік-витік у відкритому стані. Для низьковольтних транзисторів величина цього опору становить десяті - соті долі ома що зумовлює малу потужність, що розсіюється на транзисторі в статичному режимі. На жаль,  помітно збільшується при збільшенні максимально допустимої напруги стік-витік. Необхідно враховувати, що режим насичення для МДН-транзистора принципово відрізняється від режиму насичення біполярного транзистора. Перехідні процеси в ключах на польових транзисторах обумовлені переносом носіїв через канал і перезарядом міжелектродних ємностей, ємностей навантаження і монтажу. Так як електрони володіють більш високою швидкодією, ніж дірки, то n-канальні транзистори мають кращу швидкодією в порівнянні з р-канальними[9]. У схемотехніці ключових пристроїв на польових транзисторах частіше інших використовується схема з загальним витоком, представлена на рисунку 1.4а.

а)                                                           б)

Рисунок 1.4 - Ключ на МДН-транзисторі з індукованим затвором та його робоча характеристика

Коли транзистор закритий, через нього протікає некерований (початковий) струм стоку. При відкритому транзисторі струм через транзистор повинен визначатися величиною опору навантаження і напругою живлення [9]. Для надійного відмикання транзистора амплітуда керуючої напруги вибирається з умови:

 (1.1)

де  - порогова напруга;

 - крутизна ВАХ транзистора;

 - струм навантаження, визначається за формулою:

 (1.2)

В даний час випускається достатня номенклатура транзисторів, для управління якими достатньо напруги ТТЛ-рівня.

Перехідні процеси в ключах на МДН-транзисторах відбуваються, як показано на рисунку 1.5.

Рисунок 1.5 - Епюри напруг в ключі на МДН-транзисторі

На першому етапі відбувається заряд ємності  і перезаряд  до напруги на затворі, рівній пороговій. Транзистор при цьому залишається закритим.

Тривалість цього етапу визначається за формулою:

 (1.3)

На другому етапі транзистор відмикається і переходить в активний підсилювальний режим. На цьому етапі перезаряд  сповільнюється за рахунок дії негативного зворотного зв'язку (ефект Міллера). Протягом 3-го етапу напруга на затворі залишається практично постійною. Після закінчення перезаряду ємності  напруга на затворі збільшується до величини . Вимикання відбувається в зворотному порядку.

Для зручності розрахунку тривалості перехідних процесів в ключах на МДН-транзисторах доцільно використовувати параметр заряд включення . Наприклад, транзистор з  = 20 нКл можна включити за 20 мкс струмом в 1мА і за 20 нс струмом в 1А. Зазначений параметр наводиться в довідниках і визначається виробником експериментальним шляхом.

Ключові МДН-транзистори характеризуються максимально допустимою швидкістю зміни напруги стік-витік (). При перевищенні зазначеної величини можливе спонтанне відкривання транзистора з непередбачуваними результатами. Є дві причини, які обумовлюють це обмеження:

·        передача напруги  на затвор транзистора через ємнісний дільник / під дією . Величину напруги на затворі, викликану зміною напруги  при виключенні транзистора, можна оцінити за формулою:

 (1.4)

·        технологія виготовлення МДН-транзисторів призводить до формування паразитного біполярного транзистора (рис. 1.6). У результаті дії механізму, аналогічного вищеописаному, можливо спонтанне відмикання цього паразитного транзистора і перехід в режим пробою.

Рисунок 1.6 - Паразитні структури в МДН-транзисторі

Для виключення цих ефектів слід точно дотримуватися рекомендацій виробника і прагнути до того, щоб джерело керуючого сигналу в ланцюзі затвора мало мінімальний внутрішній опір. При необхідності збільшення комутованої потужності можливе паралельне включення польових транзисторів (рис. 1.7).