Материал: Механика материалов. Методы и средства экспериментальных исследований

Внимание! Если размещение файла нарушает Ваши авторские права, то обязательно сообщите нам

рис. 5.31. Хорошо видны границы участков проращивания трещины, проведения испытания и последующего долома.

Рис. 5.31. Фотография излома компактного образца

Как видно на фотографии излома, фронт трещины представляет собой дугу, длина трещины у боковых поверхностей образца несколько ниже, чем в середине. В связи с этим при обработке результатов необходимо провести дополнительную коррекцию размера трещины по трём точкам фронта: с левой стороны, с правой стороны и в середине. Разность между средним по толщине размером трещины и размером, записанным входеиспытаний, и естьпоправканакривизну фронта трещины.

V. Обработка результатов и подготовка отчёта

По результатам испытаний строится кинетическая диаграмма усталостного роста трещины в логарифмических координатах. На рис. 5.32 представлены экспериментальные данные зависимости скорости роста трещины da / dN от размаха коэффициента интенсивности напряжений ∆ K .

В состав отчёта по испытаниям на циклическую трещиностойкость должны входить следующие пункты:

1)результаты замеров образцов (см. табл. 5.11);

2)значения размеров пророщенных трещин, измеренных оптическим методом и эффективных модулей упругости

(см. табл. 5.12);

156

Рис. 5.32. Кинетическая диаграмма роста усталостной трещины

3)график кинетической диаграммы усталостного роста трещины, построенный в логарифмических координатах;

4)привести параметры линии регрессии (уравнение Пэри-

са) в виде da / dN = C(∆ K )n .

5.7. ОПРЕДЕЛЕНИЕ ХАРАКТЕРИСТИК ТРЕЩИНОСТОЙКОСТИ

Цель работы

Знакомство с методикой проведения испытаний на вязкость разрушения и определения критического коэффициента интенсивности напряжений K1C .

157

Объект исследования

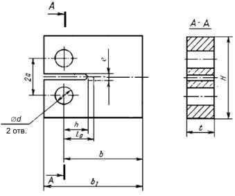
Для определения характеристик трещиностойкости для случая внецентренного растяжения используется прямоугольный компактный образец с предварительно нанесённой трещиной. Схема компактного образца с предварительно пророщенной трещиной представлена на рис. 5.33.

Рис. 5.33. Эскиз компактного образца для испытаний на трещиностойкость

При изготовлении образцов рекомендуется придерживаться следующих размеров и их соотношений [27]: t 20 мм, b = 2t ,

b1 =1, 25b , H =1, 25b , 2a = 0,55b , d = 0, 25b , l0 = (0, 45 0,55)b , e 0, 06b , h = (0,35 0,5)b . Трещину в образце необходимо про-

ращивать в соответствии с рекомендациями, указанными в параграфе 5.6.

Перед началом экспериментов следует произвести определение размеров компактного образца t , b , l0 с точностью до 0,1 мм и занести полученные данные в приведённую ниже

158

табл. 5.13. При измерении длины предварительно пророщенной трещины l0 необходимо использовать методику, описанную в параграфе 5.6.

Таблица 5 . 1 3 Размеры компактных образцов с трещиной

для испытаний по определению K1C

Номер

Марки-

Длина

Толщина

Длинаис-

Длинаустало-

Толщина

образ-

ровка

рабочей

рабочей

ходнойуста-

стнойтрещи-

образца

ца

образца

частиобраз-

частиобраз-

лостнойтре-

нысучётом

после

 

 

цаb, мм

цаt, мм

щины

кривизны

разрыва

 

 

 

 

l 0, мм

фронтаl, мм

tC, мм

1

 

 

 

 

 

 

 

 

 

 

 

 

Испытательная установка

Для определения характеристик трещиностойкости проводятся испытания на сервогидравлической испытательной системе Instron 8801 с использованием датчика раскрытия трещины COD.

Содержание работы

Выполнение эксперимента включает в себя четыре основных этапа:

1)подготовка к работе испытательного оборудования,

2)создание метода испытания для определения K1C ,

3)проведение испытания,

4)обработка результатов и подготовка отчёта.

I. Подготовка к работе испытательного оборудования Для подготовки к работе необходимо включить компью-

тер и контроллер испытательной машины, запустить программу управления Console и убедиться, что все датчики системы (датчики силы, экстензометр) подключены и откалиброваны. Затем включить маслостанцию и прогреть испытательную машину в течение одного часа.

159

Перед проведением серии циклических испытаний для минимизации изгибных деформаций (изгибная деформация не должна превышать 5 % амплитуды минимальной деформации) захваты необходимовыровнятьспомощьюустройстваAlignPRO (см. п. 5.5).

II. Создание метода испытания на циклическую трещиностойкость

Для создания метода испытания и проведения экспериментов на циклическую трещиностойкость используется программа WaveMatrix. В методе испытания задаётся режим «мягкого» нагружения. Скорость нагружения должна соответствовать скорости роста коэффициента интенсивности напряжений

в пределах (0,5 −1,5) МПа м1/2

на линейном участке диаграммы сила– раскрытиетрещины(«P – ∆»).

Рис. 5.34. Схемаизмерения толщиныобразцавнаиболее узкойчасти послеразрушения: 1 – граница надреза, 2 – контур усталостнойтрещины, 3 – статический долом

III. Проведение испытания При проведении испытаний образцов регистрируются зависимости «P – ∆», характерные типы которых приведены в параграфе 1.3. После разрушения образцов уточняют длину исходной усталостной трещины l (с учётом кривизны фронта трещины) по описанной

в параграфе 5.6 методике. Толщина зоны максималь-

ного сужения разрушенных образцов характеризуется величиной tC [27], которая определяется как среднее арифметическое двух измеренных значений толщины у вершинытрещинынаобеихчастяхраз-

160